TL431在開關電源中的運行原理及應用
發布時間:2014-09-01 責任編輯:echolady
在三端精密穩壓器內部有溫度補償的高精度並聯放大器,其內部基準電壓精度非常高,所有產品的典型值均為2.495V,而其誤差電壓範圍允許為2.44~2.55V,允許工作溫度範圍用尾綴字母表示,C為-10~85攝氏度,I為-40~85攝氏度,M為-55~125攝氏度。所以,無論是精度還是穩定度均非普通穩壓二極管所能達到的。
在使用TL431進行設計時,我們要注意,為了讓TL431內部的放大器處於線性區,要讓Uka=Uref。Ika大於1mA,內部放大器的電壓小於37V,其最大功耗為500mW~1W。一般開關電源中的誤差放大器,功耗是不可能達到500mW的。
TL431的用法很多,如果將R端與K端連接,即等效一隻2.5V/100mA的高精度穩壓二極管。另外,TL431還可以組成2.5V~36V的可調並聯穩壓電源。由TL431組成的取樣電路,由於其內部比較器具有極高的增益,在使放大器動作時,取樣電路僅需輸入4微安以下的電流即可,因此對取樣分壓器的影響極小。

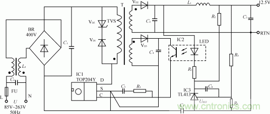
TL431在開關電源當中取樣和誤差放大的典型應用電路圖如上圖所示。開關電源輸出電壓Uo由R1、R2分壓,正常時得到2.5V的取樣電壓,送到TL431的控製端R。因為R端電流極小,可以忽略,因而R1、R2的取值可以按輸出電源Uo與2.5V之比選取,即Uo=2.5*(1+R1/R2)。當Uo上升時,R端電壓升高,Ika增大,光耦合器發光二極管電流也增大,通過光耦合器次級控製開關脈衝的脈寬減小,輸出電壓降低,起到了穩定輸出電壓的作用。
在我們想要對TL431的de電dian路lu進jin行xing檢jian測ce時shi,使shi用yong傳chuan統tong的de電dian阻zu法fa是shi無wu法fa準zhun確que判pan斷duan出chu好hao壞huai的de。因yin為wei三san端duan精jing密mi穩wen壓ya器qi為wei集ji成cheng電dian路lu,等deng效xiao電dian路lu隻zhi是shi示shi意yi其qi內nei部bu功gong能neng,實shi際ji內nei部bu電dian路lu較jiao為wei複fu雜za。當dang開kai關guan電dian源yuan出chu現xian失shi控kong或huo無wu輸shu出chu電dian壓ya故gu障zhang時shi,如ru果guo懷huai疑yi取qu樣yang誤wu差cha放fang大da器qi發fa生sheng故gu障zhang,可ke根gen據ju上shang圖tu中zhong的de電dian路lu檢jian測ceTL431。Ui選擇小於35V的直流電壓,R1將電路短路電流限製在100mA以內,R2、R3為控製極供電調整,選擇R3/R2+R3大於或等於2.5。當調整R3時,Uo能在2.5V~Ui之間均勻變化,則判斷三端精密穩壓器TL431完全正常。
相關閱讀:
從構思到實踐——如何完成開關電源的合理設計
解析室外LED顯示屏開關電源設計理念
- 噪聲中提取真值!瑞盟科技推出MSA2240電流檢測芯片賦能多元高端測量場景
- 10MHz高頻運行!氮矽科技發布集成驅動GaN芯片,助力電源能效再攀新高
- 失真度僅0.002%!力芯微推出超低內阻、超低失真4PST模擬開關
- 一“芯”雙電!聖邦微電子發布雙輸出電源芯片,簡化AFE與音頻設計
- 一機適配萬端:金升陽推出1200W可編程電源,賦能高端裝備製造
- 算力爆發遇上電源革新,大聯大世平集團攜手晶豐明源線上研討會解鎖應用落地
- 築基AI4S:摩爾線程全功能GPU加速中國生命科學自主生態
- 一秒檢測,成本降至萬分之一,光引科技把幾十萬的台式光譜儀“搬”到了手腕上
- AI服務器電源機櫃Power Rack HVDC MW級測試方案
- 突破工藝邊界,奎芯科技LPDDR5X IP矽驗證通過,速率達9600Mbps
- 車規與基於V2X的車輛協同主動避撞技術展望
- 數字隔離助力新能源汽車安全隔離的新挑戰
- 汽車模塊拋負載的解決方案
- 車用連接器的安全創新應用
- Melexis Actuators Business Unit
- Position / Current Sensors - Triaxis Hall




