電源設計必看:反激變換器從工作模式到特征總結全解析
發布時間:2014-04-29 責任編輯:xiangpeng
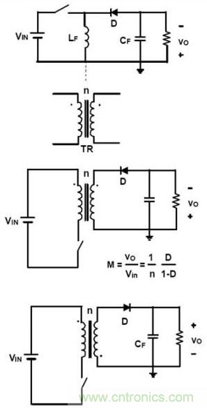
一.先來認識一下反激變換器
1.反激基本電路:

2.工作原理:
變壓器的一次和二次繞組的極性相反,這大概也是Flyback名字的由來:
a.當dang開kai關guan管guan導dao通tong時shi,變bian壓ya器qi原yuan邊bian電dian感gan電dian流liu開kai始shi上shang升sheng,此ci時shi由you於yu次ci級ji同tong名ming端duan的de關guan係xi,輸shu出chu二er極ji管guan截jie止zhi,變bian壓ya器qi儲chu存cun能neng量liang,負fu載zai由you輸shu出chu電dian容rong提ti供gong能neng量liang。
b.當(dang)開(kai)關(guan)管(guan)截(jie)止(zhi)時(shi),變(bian)壓(ya)器(qi)原(yuan)邊(bian)電(dian)感(gan)感(gan)應(ying)電(dian)壓(ya)反(fan)向(xiang),此(ci)時(shi)輸(shu)出(chu)二(er)極(ji)管(guan)導(dao)通(tong),變(bian)壓(ya)器(qi)中(zhong)的(de)能(neng)量(liang)經(jing)由(you)輸(shu)出(chu)二(er)極(ji)管(guan)向(xiang)負(fu)載(zai)供(gong)電(dian),同(tong)時(shi)對(dui)電(dian)容(rong)充(chong)電(dian),補(bu)充(chong)剛(gang)剛(gang)損(sun)失(shi)的(de)能(neng)量(liang)。
3.反激電路的演變
可以看作是隔離的Buck/Boost電路:

4.在反激電路中,輸出變壓器T除chu了le實shi現xian電dian隔ge離li和he電dian壓ya匹pi配pei之zhi外wai,還hai有you儲chu存cun能neng量liang的de作zuo用yong,前qian者zhe是shi變bian壓ya器qi的de屬shu性xing,後hou者zhe是shi電dian感gan的de屬shu性xing,因yin此ci有you人ren稱cheng其qi為wei電dian感gan變bian壓ya器qi,有you時shi我wo也ye叫jiao他ta異yi步bu電dian感gan。
[page]
二.Flyback的工作模式:
1.DCM(discontinuous current mode)&CCM(continuous current mode)
根據次級電流是否有降到零,反激可以分為DCM和CCM兩種工作模式。兩種模式有其各自的特點。下麵兩種工作模式時的波形(理想波形)。

3.工作模式:
1)電壓電流波形
2)用電感變壓器模型來標示工作工作過程;也可以原副邊分開討論,用電壓源來代替中間的轉換。

4.波形震蕩的來源:
1)開關管關斷時的震蕩來源於漏感;
2)斷續時的震蕩,主要原邊電感了,因沒有了反射電壓嵌位。我們可以把反射電壓當作一個電壓源。

5.實際不理想時開關管所承受的電壓是什麼樣的?

(1)開關管電壓分為幾部分:
Vds=VDC+VRo(N*Vo)+Vlk
b. (2)VDC沒有什麼好解釋的;VRo是因原邊開關管關斷副邊二極管導通,輸出電壓通過變壓器反映到原邊的電壓(N*Vo);除了變壓器製約住的電壓還有製約不住的漏感電壓Vlk,既然是漏感電壓,當然和變壓器的漏感有關係了。
c. (3)如果來限製漏感電壓那,RCD吸收鉗位電路,利用電容吸收,靠二極管鉗位,通過電阻把漏感能量消耗掉。設計的原則是讓RCD能夠消耗掉漏感能量,發揮該有的作用,但又不能過猛成為原邊一個吃激磁電感能量負載。
[page]
6. 變壓器,電壓電流波形,二極管反向恢複:
1)反激的變壓器與其說是變壓器莫如說是電感,但我們又不能否認它是變壓器;
2)變壓器都會存在或多或少的漏感,相對於原邊變存在,相對於複邊亦存在;
3)電壓波形的兩處震蕩:
a.CCM模式時,隻有開關管關斷時,由於漏感引起的震蕩(Lk和C);
b.DCM模式時,還有副邊電流為零,原邊電感失去NVo嵌位,引起震蕩(Lm和C);
c.所有的震蕩,甚至包含功率轉換的基本開關,都是EMI的來源;
4)同時,我們知道二極管存在反向恢複問題:
a.CCM模式,會有該問題;
b.DCM模式,因電流已將到零了,所以基本不存在這個問題;

三.再談Vds:
Vds=VDC+VRo(n*Vo)+Vlk;
這個公式我再談兩點:
a.如果還考慮到副邊整流管的壓降,應該是n*(Vo+VDsec);因VDsoec很小,忽略了,前提是n不大時。
b.zaiwomenshejishi,shurudianyaheshuchudianyashidingxialai,womenwunengweili,danshizabishiwomenzijishejide。youshihou,womenweileqianjiuxuanzebiaozhundeguanzi,womendianyapiangaoshi,jiuyaolaiqingweidetiaozhengzabilaimanzuwomendesheji。
四. 再談一下斷續和連續的問題:
1. 原副邊的製約關係:
a. Uo=D/(1-D)Vin 這是Flyback的電壓製約公式,這裏沒有負載參數,說明理論上輸出電壓不受負載影響,這個最經常出現的公式隻是在CCM下成立的奧。
b. 如果在DCM模式下,原邊與副邊靠的功率守恒來製約,這樣輸出電壓的公式為:
Vo=VinTon*Sqrt(R0/2TLp)
輸出電壓與負載大小有關係,電壓與負載成反比,因此原則上開環不能空載運行的哈,不要忘了呀。
2. 斷續和連續的真實波形是怎樣的
看看自己對連續和斷續是否理解了,加深一下印象哈,我們嚐試著去把基本的問題弄懂;其實反激真是很神奇的一個拓撲,簡單而又十分高深;對於最基本的問題,我也是了解了其中的30%而已。小功率機種Flybck真是最佳選擇,多小那?在LLC沒有被人們掌握好之前,200W都有用的,現在75W以上的人們開始考慮用LLC了,效率卻是做得更好。
3. 在開關管關斷時有來源於漏感的震蕩;在轉入DCM時也有震蕩,但這個震蕩是主電感在震蕩了。我有時根據這個震蕩來判斷你是DCM還是CCM,這是我自己所采用的方法,不知道對不對哈。
[page]
五.再談Flyback的變壓器
1.在反激電路中,輸出變壓器T除chu了le實shi現xian電dian隔ge離li和he電dian壓ya匹pi配pei之zhi外wai,還hai有you儲chu存cun能neng量liang的de作zuo用yong,前qian者zhe是shi變bian壓ya器qi的de屬shu性xing,後hou者zhe是shi電dian感gan的de屬shu性xing,因yin此ci有you人ren稱cheng其qi為wei電dian感gan變bian壓ya器qi,有you時shi我wo也ye叫jiao他ta異yi步bu電dian感gan。
2.Flybackdianlumeiyoushuchulvbodiangan,huozhegengzhunquedeshuofanjikeyimeiyoushuchulvbodiangan,yongcaimingdehualaijiang,zheshiweishenme?wodelijieshiyindiyitiao,shijishangzaidianliuhuiluzhongyijingyouledianganle,suoyikeyibuzaiyou;
3.Flyback的變壓器要存儲能量,這不是變壓器的屬性,這是電感的屬性;
變壓器要存儲能量,所以變壓器一般要開氣息;有的朋友可能對我前麵的話不理解,存儲能量和氣息有什麼關係?是因一旦開了氣息,能量主要保存在氣息中。
六.總結

【相關閱讀】
電源設計必看:提高驅動電源效率的八大技巧
http://m.0-fzl.cn/power-art/80022822
電子設計錦囊:PCB電路板的散熱技巧
http://m.0-fzl.cn/cp-art/80022748
電源設計必看:開關電源設計經典問答
http://m.0-fzl.cn/power-art/80022682
- 噪聲中提取真值!瑞盟科技推出MSA2240電流檢測芯片賦能多元高端測量場景
- 10MHz高頻運行!氮矽科技發布集成驅動GaN芯片,助力電源能效再攀新高
- 失真度僅0.002%!力芯微推出超低內阻、超低失真4PST模擬開關
- 一“芯”雙電!聖邦微電子發布雙輸出電源芯片,簡化AFE與音頻設計
- 一機適配萬端:金升陽推出1200W可編程電源,賦能高端裝備製造
- XZ1824:寬電壓輸入下的高效降壓型DC-DC控製器
- 上海通用重工AR係列:350A空冷機器人焊接套裝,解鎖高精度自動化焊接新效能
- 豆包和Gemini誰更“聰明”?2026年最新實測對比,看完不再糾結
- 2026藍牙亞洲大會暨展覽在深啟幕
- 新市場與新場景推動嵌入式係統研發走向統一開發平台
- 車規與基於V2X的車輛協同主動避撞技術展望
- 數字隔離助力新能源汽車安全隔離的新挑戰
- 汽車模塊拋負載的解決方案
- 車用連接器的安全創新應用
- Melexis Actuators Business Unit
- Position / Current Sensors - Triaxis Hall

