多年積蓄:12款逆變器電路圖齊分享【原創】
發布時間:2014-04-14 責任編輯:sherryyu
【導讀】逆ni變bian器qi憑ping借jie著zhe其qi高gao的de轉zhuan換huan效xiao率lv,啟qi動dong快kuai,安an全quan性xing能neng好hao等deng特te點dian被bei廣guang泛fan應ying用yong月yue各ge個ge領ling域yu。而er關guan於yu逆ni變bian器qi的de電dian路lu設she計ji方fang案an也ye是shi有you很hen多duo。工gong程cheng師shi們men有you福fu了le,一yi位wei資zi深shen工gong程cheng師shi拿na出chu來lai自zi己ji多duo年nian來lai的de積ji蓄xu,將jiang分fen享xiang給gei大da家jia他ta碰peng到dao的de很hen有you價jia值zhi的de逆ni變bian器qi的de電dian路lu設she計ji,共gong有you12款電路,大家可以隨意挑選,學習!
12款很有價值的逆變器的電路設計,大家可以隨意挑選,學習!
第一種逆變器電路:

第二種逆變器電路:

第三種逆變器電路:

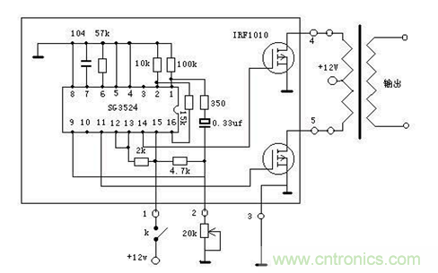
第四種逆變器電路:

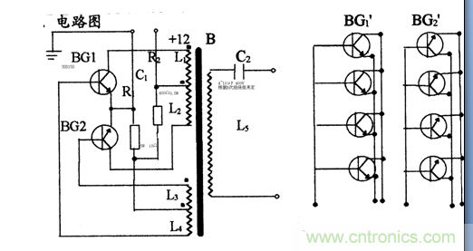
第五種逆變器電路:

第六種逆變器電路:

第七種逆變器電路:

第八種逆變器電路:

第九種逆變器電路:

第十種逆變器電路:

第十一種逆變器電路:

第十二種逆變器電路:

相關閱讀:
一款低成本、高可靠性的逆變器電源電路設計
特別推薦
- 噪聲中提取真值!瑞盟科技推出MSA2240電流檢測芯片賦能多元高端測量場景
- 10MHz高頻運行!氮矽科技發布集成驅動GaN芯片,助力電源能效再攀新高
- 失真度僅0.002%!力芯微推出超低內阻、超低失真4PST模擬開關
- 一“芯”雙電!聖邦微電子發布雙輸出電源芯片,簡化AFE與音頻設計
- 一機適配萬端:金升陽推出1200W可編程電源,賦能高端裝備製造
技術文章更多>>
- 築基AI4S:摩爾線程全功能GPU加速中國生命科學自主生態
- 一秒檢測,成本降至萬分之一,光引科技把幾十萬的台式光譜儀“搬”到了手腕上
- AI服務器電源機櫃Power Rack HVDC MW級測試方案
- 突破工藝邊界,奎芯科技LPDDR5X IP矽驗證通過,速率達9600Mbps
- 通過直接、準確、自動測量超低範圍的氯殘留來推動反滲透膜保護
技術白皮書下載更多>>
- 車規與基於V2X的車輛協同主動避撞技術展望
- 數字隔離助力新能源汽車安全隔離的新挑戰
- 汽車模塊拋負載的解決方案
- 車用連接器的安全創新應用
- Melexis Actuators Business Unit
- Position / Current Sensors - Triaxis Hall
熱門搜索





