教你如何六個步驟打造簡易工頻小功率逆變器
發布時間:2013-10-10 責任編輯:sherryyu
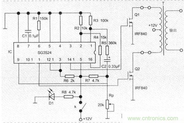
該逆變器電路簡單,易於調試,性能可靠,原理圖如下圖所示。逆變器主要由PWM信號發生器、電源開關電路和逆變輸出電路三部分組成。

一、PWM信號發生器
PWM信號發生器是采用美國矽通用公司(SILICon General)生產的雙端輸出式脈寬調製芯片SG3524來實現。SG3524的引腳排列及內部結構圖如圖2所示。SG3524內部集成了精密基準電源、誤差放大器、可調振蕩器、脈衝同步觸發器、輸出晶體管、高增益比較器、限流檢測放大器以及關斷電路。SG3524具有以下特點:
(1)PWM控製電路功能完善;
(2)提供推挽和單端兩種輸出模式;
(3)待機電流低,典型值為8mA;
(4)具有過電流和過熱保護功能;
SG3524的引腳功能簡介如下圖所示;


振蕩頻率為:

式中f的單位為可kHz,RT的單位為kΩ,CT的單位μF。定時電阻RT向定時電容CT提供恒定的充電電流,CT上生成的鋸齒波信號與誤差放大器輸出信號比較,由高增益比較器輸出控製脈衝,實現對脈衝寬度的控製。電容CT上的充電電流由RT決定,而CT本身容量的大小則決定了輸出脈衝的寬度。
[page]
二、電源開關電路
電路由兩個MOS場效應管組成,Ql、Q2兩個場效應管在SG3524的PWM控製脈衝的作用下,交替導通,實現了由直流電源向交流電源的逆變。
三、逆變輸出電路
主要由輸出變壓器和負載組成,其功能是經變壓器升壓後的220V交流電供給負載使用。
1、元器件選擇
IC選用SG3524普通型PWM控製器。T變壓器可以選擇一般常見的雙9V的小型變壓器,場效應管選擇IRF840,C1選用普通的瓷片電容即可。C2選擇耐壓大於25V、容量0.22~0.47μF的電解電容均可。電阻選用1/8W的小型電阻。RP可調電阻選用一般的電位器即可。詳見下表。

四、製作印製電路板
用熱轉印法製作印製電路板,製作過程:
(1)製圖。用ProteIDXP 2004 SP2按圖1畫出原理圖,從原理圖生成印製電路板圖,參考圖如下圖所示,使用單麵敷鋼板,參考尺寸為:80×60mm。
(2)打印。用激光打印機將印製電路板圖打印在熱轉印紙上。
(3)加熱轉印。用細砂紙擦幹淨敷銅板,磨平四周,將打印好的熱轉印紙覆蓋在敷銅板上,送入照片過塑機(調到180.5℃~200℃)來回壓幾次,使融化的墨粉完全吸附在敷銅板上。
(4)腐蝕。敷銅板冷卻後揭去熱轉印紙,放到雙氧水+鹽酸+水(2:1:2)混合液或FeC13溶液中腐蝕後即可形成做工精細的印刷電路板。
(5)鑽孔與後續處理。腐蝕完後,對電路板進行鑽孔和磨邊處理,再用濕的細砂紙去掉表麵的墨粉。

[page]
五、安裝與調試
(1)元器件測試:所有的元器件分別用萬用表測試參數及辨別好壞。
(2)元器件裝配:插入集成芯片時要注意管腳位置,發光二極管、電解電容器、場效應管要注意極性,場效應管加裝散熱片。
(3)焊接:元(yuan)件(jian)焊(han)接(jie)時(shi)要(yao)依(yi)就(jiu)由(you)低(di)到(dao)高(gao)的(de)順(shun)序(xu)焊(han)接(jie),導(dao)線(xian)焊(han)接(jie)時(shi)要(yao)預(yu)先(xian)鍍(du)錫(xi),焊(han)接(jie)時(shi)間(jian)不(bu)要(yao)太(tai)長(chang),以(yi)免(mian)把(ba)元(yuan)件(jian)燙(tang)壞(huai),但(dan)也(ye)不(bu)要(yao)時(shi)間(jian)過(guo)短(duan),以(yi)免(mian)造(zao)成(cheng)虛(xu)焊(han)。
(4)調試:tongdianqianchuduiyuanqijianjinxingmuguanjianzhayouwucuolouwai,haiyaoyongwanyongbiaodedianzudangjianzhanibianqidedianyuanshuruduan,kanyouwuduanluxianxiang,zaipaichulewuduanluguzhanghou,fangketongdianjinxingtiaoshi。
通電時,可用萬用表電壓擋監測電源電壓,如果電壓維持在12V左zuo右you,說shuo明ming電dian路lu基ji本ben正zheng常chang,逆ni變bian器qi或huo負fu載zai無wu短duan路lu現xian象xiang,若ruo電dian壓ya低di於yu正zheng常chang值zhi較jiao多duo,可ke能neng存cun在zai有you短duan路lu故gu障zhang,要yao盡jin快kuai切qie斷duan電dian源yuan,查zha清qing原yuan因yin,待dai故gu障zhang排pai除chu後hou,方fang可ke繼ji續xu通tong電dian調tiao試shi。
連接逆變輸出電路,按圖1將變壓器初級分別與場效應管Q1、Q2的漏極連接,變壓器次級與節能燈連接。
如果節能燈無法點亮,首先要檢查PWM信號發生器是否有正常的脈衝輸出。檢查的方法,可用示波器測量SG3524的第③腳,電路正常時,應該有矩形脈衝波輸出。其次要檢查逆變器的輸出端的電壓值,正常時此電壓值應該在220V左右,如果電壓太低甚至無電壓,應重點檢查電源開關電路。若節能燈暗或一閃一閃,可調節RP使燈正常工作。
六、逆變器的主要參數測試
在實際應中輸入直流電壓12V采用蓄電池,作為實訓項目測試可用直流穩壓電源。通過示波器可觀察電源開關電路場效應管Q1、Q2漏極的電壓波形、逆變器輸出電壓波形,測試時應注意示波器的探棒至衰減10倍擋,以避免電壓過高損壞儀器。
用頻率計測逆變器的輸出頻率,用萬用表測逆變器的輸出電壓有效值。逆變器的主要參數測試數據如表所示。

相關閱讀:
網友獨創:不怕停電的帶外殼逆變器設計方案
http://m.0-fzl.cn/power-art/80021579
網友熱議:光伏逆變器並網方式探討
http://m.0-fzl.cn/power-art/80021486
- 噪聲中提取真值!瑞盟科技推出MSA2240電流檢測芯片賦能多元高端測量場景
- 10MHz高頻運行!氮矽科技發布集成驅動GaN芯片,助力電源能效再攀新高
- 失真度僅0.002%!力芯微推出超低內阻、超低失真4PST模擬開關
- 一“芯”雙電!聖邦微電子發布雙輸出電源芯片,簡化AFE與音頻設計
- 一機適配萬端:金升陽推出1200W可編程電源,賦能高端裝備製造
- 2026藍牙亞洲大會暨展覽在深啟幕
- H橋降壓-升壓電路中的交替控製與帶寬優化
- Tektronix 助力二維材料器件與芯片研究與創新
- 800V AI算力時代,GaN從“備選”變“剛需”?
- 大聯大世平集團首度亮相北京國際汽車展 攜手全球芯片夥伴打造智能車整合應用新典範
- 車規與基於V2X的車輛協同主動避撞技術展望
- 數字隔離助力新能源汽車安全隔離的新挑戰
- 汽車模塊拋負載的解決方案
- 車用連接器的安全創新應用
- Melexis Actuators Business Unit
- Position / Current Sensors - Triaxis Hall


