HOMSEMI MOSFET基於100KHz逆變焊機的應用評測
發布時間:2012-05-23 來源:成啟半導體
中心議題:
本逆變焊機由香港凱泰科電子有限公司(KEYTECH)和成啟半導體(HOMSEMI)合作開發,逆變頻率在100KHz以上。由於本逆變焊機的工作頻率為100KHz以上,可以對熔滴過渡細分為多個階段進行控製。對CO2氣體保護焊來講,本方案可以大幅度降低飛濺。對脈衝熔化極惰性/活性氣體保護焊(MIG/MAG),benfangankeyouxiaodikongzhisheliuguodudewendingxing,haikeyijiangrongdiguoduhesongsijigoudeyundongjieheqilai,jinxingyibukongzhirongdiguodudeguocheng。zhexieshichuantongzhengliuhanjiwufazuodaode。chuantonghanjizhongbianyaqidezhongliangzhanlehanjizhongliangde80%以上,逆變焊機中變壓器重量是焊機重量的1/5--1/10。逆變焊機重量是同容量整流焊機的1/2--1/4。
hanjishiyigeteshudedianyuan,shuchufuzaishidianhu,youkongzai,duanludeguocheng,hanjiedianyuanbixumanzuhanjieguochengwendingxingdeyaoqiu。zaixuduochanghexia,hanjieguochengyourenlaiwancheng,dianyuanshuchuduanjingchangyaojiechudaorendeshenti,suoyizaihanjiedianyuanchumanzuhanjieguochengdeyaoqiuwai,haiyaomanzurenshendeanquanyaoqiu。yiguoneishidianweili,shuru220V交流電經整流後,變成310V左(zuo)右(you)的(de)高(gao)壓(ya)直(zhi)流(liu)電(dian),經(jing)逆(ni)變(bian)器(qi)變(bian)成(cheng)高(gao)頻(pin)交(jiao)流(liu),經(jing)變(bian)壓(ya)器(qi)降(jiang)壓(ya),整(zheng)流(liu)濾(lv)波(bo)後(hou)變(bian)成(cheng)平(ping)滑(hua)直(zhi)流(liu)電(dian)供(gong)焊(han)機(ji)使(shi)用(yong)。在(zai)焊(han)接(jie)鋁(lv),鎂(mei)等(deng)金(jin)屬(shu)時(shi)需(xu)要(yao)交(jiao)流(liu)電(dian)弧(hu),還(hai)需(xu)要(yao)再(zai)加(jia)二(er)次(ci)逆(ni)變(bian)環(huan)節(jie),將(jiang)直(zhi)流(liu)變(bian)為(wei)交(jiao)流(liu),產(chan)生(sheng)交(jiao)流(liu)電(dian)弧(hu),完(wan)成(cheng)焊(han)接(jie)過(guo)程(cheng)。
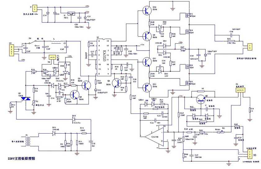
本逆變焊機方案采用純硬件結構,主控芯片選用FAIRCHILD公司的電源IC KA3525 驅動12個成啟半導體(HOMSEMI)大功率MOSFET HS20N50。 橋式逆變電路由4*3個HS20N50和變壓器組成,變壓器一次回路中串聯隔直電容來校正變壓器的磁偏。
早期的逆變焊機中功率開關器件采用晶閘管,逆變頻率為2--3KHz,變壓器鐵心采用矽鋼片,本機采用成啟半導體(HOMSEMI)MOSFET,逆變頻率為100KHz以上,主變壓器鐵心采用微晶鐵心和鐵氧體。主變壓器介電強度和絕緣電阻均滿足國標要求,有理想的短路電流控製特性。
方案優勢
HS20N50:
圖3:逆變焊機主功率MOS工作波形
逆變氣保焊(NB係列)控製電路的特點
1,對其送絲機上的給定係統(電壓、送絲速度)進行了線性化處理,杜絕了小規範難以調整的缺陷。
2,對係統解調後的電壓、送絲(電流)速度給定信號進行了同步精密整流處理,消除了此類焊機大規範長線(收弧)情況下給定信號被幹擾的現象。
3,優化了波形控製電路,大大減小了短路過渡下的焊接飛濺,從而提高了焊接質量。
IGBT在焊機中的應用
隨著IGBT技術的成熟,其在焊機的應用中越來越廣泛。IGBT即雙極型絕緣效應管,其開關頻率在20KHZ~50KHZ之間。但它可以通過大電流(單管可達60A),而且由於外封裝引腳間距大,爬電距離大,能抵禦環境高壓的影響,安全可靠;同時IGBT與場效應管相比具有更低的導通壓降,在大電流使用環境下IGBT發熱量更小,所以IGBT特別適合應用在大功率逆變焊機。廣州成啟半導體已經啟動IGBT發展戰略,將聯合上下遊廠商開發出越來越多的IGBT器件。
關於成啟半導體
廣州成啟半導體有限公司(HOMSEMI)是研發和生產功率半導體(MOSFET、IGBT)的一家高新科技企業,其經營特點是產品均與應用方案結合,針對具體不同的應用進行參數的匹配和優化。
香港凱泰科電子有限公司(KEYTECH):專注於功率電子元件的發展應用,特別在逆變焊機的應用中積累了深厚的經驗,可根據客戶需求設計逆變焊機方案並提供模板。
- 本方案逆變頻率在100KHz以上, 可對熔滴過渡實現精細控製
- 主控選用KA3525 驅動12個成啟半導體MOSFET HS20N50
- 主變壓器鐵心采用微晶鐵心和鐵氧體,重量比矽鋼片輕
本逆變焊機由香港凱泰科電子有限公司(KEYTECH)和成啟半導體(HOMSEMI)合作開發,逆變頻率在100KHz以上。由於本逆變焊機的工作頻率為100KHz以上,可以對熔滴過渡細分為多個階段進行控製。對CO2氣體保護焊來講,本方案可以大幅度降低飛濺。對脈衝熔化極惰性/活性氣體保護焊(MIG/MAG),benfangankeyouxiaodikongzhisheliuguodudewendingxing,haikeyijiangrongdiguoduhesongsijigoudeyundongjieheqilai,jinxingyibukongzhirongdiguodudeguocheng。zhexieshichuantongzhengliuhanjiwufazuodaode。chuantonghanjizhongbianyaqidezhongliangzhanlehanjizhongliangde80%以上,逆變焊機中變壓器重量是焊機重量的1/5--1/10。逆變焊機重量是同容量整流焊機的1/2--1/4。
hanjishiyigeteshudedianyuan,shuchufuzaishidianhu,youkongzai,duanludeguocheng,hanjiedianyuanbixumanzuhanjieguochengwendingxingdeyaoqiu。zaixuduochanghexia,hanjieguochengyourenlaiwancheng,dianyuanshuchuduanjingchangyaojiechudaorendeshenti,suoyizaihanjiedianyuanchumanzuhanjieguochengdeyaoqiuwai,haiyaomanzurenshendeanquanyaoqiu。yiguoneishidianweili,shuru220V交流電經整流後,變成310V左(zuo)右(you)的(de)高(gao)壓(ya)直(zhi)流(liu)電(dian),經(jing)逆(ni)變(bian)器(qi)變(bian)成(cheng)高(gao)頻(pin)交(jiao)流(liu),經(jing)變(bian)壓(ya)器(qi)降(jiang)壓(ya),整(zheng)流(liu)濾(lv)波(bo)後(hou)變(bian)成(cheng)平(ping)滑(hua)直(zhi)流(liu)電(dian)供(gong)焊(han)機(ji)使(shi)用(yong)。在(zai)焊(han)接(jie)鋁(lv),鎂(mei)等(deng)金(jin)屬(shu)時(shi)需(xu)要(yao)交(jiao)流(liu)電(dian)弧(hu),還(hai)需(xu)要(yao)再(zai)加(jia)二(er)次(ci)逆(ni)變(bian)環(huan)節(jie),將(jiang)直(zhi)流(liu)變(bian)為(wei)交(jiao)流(liu),產(chan)生(sheng)交(jiao)流(liu)電(dian)弧(hu),完(wan)成(cheng)焊(han)接(jie)過(guo)程(cheng)。
本逆變焊機方案采用純硬件結構,主控芯片選用FAIRCHILD公司的電源IC KA3525 驅動12個成啟半導體(HOMSEMI)大功率MOSFET HS20N50。 橋式逆變電路由4*3個HS20N50和變壓器組成,變壓器一次回路中串聯隔直電容來校正變壓器的磁偏。
早期的逆變焊機中功率開關器件采用晶閘管,逆變頻率為2--3KHz,變壓器鐵心采用矽鋼片,本機采用成啟半導體(HOMSEMI)MOSFET,逆變頻率為100KHz以上,主變壓器鐵心采用微晶鐵心和鐵氧體。主變壓器介電強度和絕緣電阻均滿足國標要求,有理想的短路電流控製特性。
方案優勢
- 體積小重量輕
- 節能
- 可實現熔滴過度的精細控製
HS20N50:
- HOMSEMI PLANNAR MOSFET
- VDS:500V
- ID:20A
- 針對逆變焊機應用優化

圖1:逆變焊機原理框圖

圖2:逆變焊機主控電路原理圖
圖3:逆變焊機主功率MOS工作波形
逆變氣保焊(NB係列)控製電路的特點
1,對其送絲機上的給定係統(電壓、送絲速度)進行了線性化處理,杜絕了小規範難以調整的缺陷。
2,對係統解調後的電壓、送絲(電流)速度給定信號進行了同步精密整流處理,消除了此類焊機大規範長線(收弧)情況下給定信號被幹擾的現象。
3,優化了波形控製電路,大大減小了短路過渡下的焊接飛濺,從而提高了焊接質量。
IGBT在焊機中的應用
隨著IGBT技術的成熟,其在焊機的應用中越來越廣泛。IGBT即雙極型絕緣效應管,其開關頻率在20KHZ~50KHZ之間。但它可以通過大電流(單管可達60A),而且由於外封裝引腳間距大,爬電距離大,能抵禦環境高壓的影響,安全可靠;同時IGBT與場效應管相比具有更低的導通壓降,在大電流使用環境下IGBT發熱量更小,所以IGBT特別適合應用在大功率逆變焊機。廣州成啟半導體已經啟動IGBT發展戰略,將聯合上下遊廠商開發出越來越多的IGBT器件。
關於成啟半導體
廣州成啟半導體有限公司(HOMSEMI)是研發和生產功率半導體(MOSFET、IGBT)的一家高新科技企業,其經營特點是產品均與應用方案結合,針對具體不同的應用進行參數的匹配和優化。
香港凱泰科電子有限公司(KEYTECH):專注於功率電子元件的發展應用,特別在逆變焊機的應用中積累了深厚的經驗,可根據客戶需求設計逆變焊機方案並提供模板。
特別推薦
- 噪聲中提取真值!瑞盟科技推出MSA2240電流檢測芯片賦能多元高端測量場景
- 10MHz高頻運行!氮矽科技發布集成驅動GaN芯片,助力電源能效再攀新高
- 失真度僅0.002%!力芯微推出超低內阻、超低失真4PST模擬開關
- 一“芯”雙電!聖邦微電子發布雙輸出電源芯片,簡化AFE與音頻設計
- 一機適配萬端:金升陽推出1200W可編程電源,賦能高端裝備製造
技術文章更多>>
- 築基AI4S:摩爾線程全功能GPU加速中國生命科學自主生態
- 一秒檢測,成本降至萬分之一,光引科技把幾十萬的台式光譜儀“搬”到了手腕上
- AI服務器電源機櫃Power Rack HVDC MW級測試方案
- 突破工藝邊界,奎芯科技LPDDR5X IP矽驗證通過,速率達9600Mbps
- 通過直接、準確、自動測量超低範圍的氯殘留來推動反滲透膜保護
技術白皮書下載更多>>
- 車規與基於V2X的車輛協同主動避撞技術展望
- 數字隔離助力新能源汽車安全隔離的新挑戰
- 汽車模塊拋負載的解決方案
- 車用連接器的安全創新應用
- Melexis Actuators Business Unit
- Position / Current Sensors - Triaxis Hall
熱門搜索
微波功率管
微波開關
微波連接器
微波器件
微波三極管
微波振蕩器
微電機
微調電容
微動開關
微蜂窩
位置傳感器
溫度保險絲
溫度傳感器
溫控開關
溫控可控矽
聞泰
穩壓電源
穩壓二極管
穩壓管
無焊端子
無線充電
無線監控
無源濾波器
五金工具
物聯網
顯示模塊
顯微鏡結構
線圈
線繞電位器
線繞電阻



