探討新型低紋波高壓直流電源的設計
發布時間:2012-05-11
中心議題:
- 直流電源主回路工作原理
- 電壓跟蹤電路
解決方案:
- 采用三相橋式全控整流
- 采用雙路電源並聯輸出的方法得到低紋波直流高壓直流電源
- 本樣機選用西安電力電子技術研究所生產的KK200 整流晶閘管
引言
高壓直流電源已越來越廣泛的應用於工業、醫學、核物理、檢測等領域。對於X 光(guang)機(ji),粒(li)子(zi)加(jia)速(su)器(qi),電(dian)子(zi)束(shu)焊(han)機(ji),電(dian)子(zi)束(shu)曝(pu)光(guang)機(ji)等(deng)一(yi)些(xie)應(ying)用(yong)場(chang)合(he),對(dui)電(dian)壓(ya)的(de)水(shui)平(ping)要(yao)求(qiu)比(bi)較(jiao)高(gao),它(ta)們(men)均(jun)要(yao)求(qiu)低(di)紋(wen)波(bo)電(dian)壓(ya)。文(wen)章(zhang)對(dui)幾(ji)種(zhong)用(yong)於(yu)高(gao)壓(ya)直(zhi)流(liu)電(dian)源(yuan)的(de)電(dian)路(lu)拓(tuo)撲(pu)結(jie)構(gou)分(fen)別(bie)進(jin)行(xing)了(le)介(jie)紹(shao),並(bing)對(dui)它(ta)們(men)進(jin)行(xing)了(le)比(bi)較(jiao),指(zhi)出(chu)了(le)各(ge)自(zi)的(de)優(you)缺(que)點(dian)。
jinnianlai,suizhexindedianlidianziqijiandeyingyongshidegaoyazhiliudianyuanchuxianlepinlvgao,xiaolvgao,gonglvmidugao,kekaoxinggaodengxintexing。gaopinhuakeyitigaodianyuanxingneng,jianshaobianyaqidetijihewenboxishu,danyedailailexindejishuwenti。guogaodepinlvhuidaozhi開關管開斷頻繁,開關損耗增大,影響開關管壽命並使整機效率下降。
jianyuyishangwenti,benwencaiyongshuangludianyuanbinglianshuchudefangfadedaodiwenbozhiliu。zaikaiguanguanpinlvshouxiandejintian,benfangfakeyizaipinlvjiaodideqingkuangxiadedaodiwenbozhiliu。
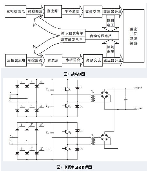
1 主回路工作原理
電源的係統框圖及主回路原理圖別如圖1 和圖2 所示。

電源的係統框圖及主回路原理圖
[page]
主電路含有兩套完全相同的半橋逆變電路,逆變開關元件選用IGBT.每一路均采用獨立的三相全控整流橋供電,逆變電路采用PWM 方式,工作頻率遠高於諧振頻率, 逆變後的電壓波形為方波。 電路的功率調節通過控製全控整流橋的移相角來實現。IGBT 的觸發脈衝參數:0 kHz~20 kHz、占空比45%,-5 V~+15 V,上下橋臂脈衝相差半個周期如圖3 所示,兩路半橋逆變電路的輸出波形如圖4 所示。將兩路電壓並聯,即可得平直電壓。

電壓波形示意圖
可見,加大輸出電容值也可以減少紋波,或者采用多個電容並聯的方式減少ESR 值。
2 電壓跟蹤電路
由於采用兩路輸出並聯來獲得平直的直流電壓, 設(she)備(bei)正(zheng)常(chang)工(gong)作(zuo)的(de)關(guan)鍵(jian)問(wen)題(ti)是(shi)兩(liang)路(lu)並(bing)聯(lian)電(dian)源(yuan)的(de)電(dian)壓(ya)平(ping)衡(heng)問(wen)題(ti),即(ji)要(yao)求(qiu)兩(liang)路(lu)輸(shu)出(chu)的(de)電(dian)壓(ya)幅(fu)值(zhi)時(shi)刻(ke)保(bao)持(chi)相(xiang)同(tong)。為(wei)使(shi)兩(liang)路(lu)輸(shu)出(chu)保(bao)持(chi)一(yi)致(zhi),元(yuan)器(qi)件(jian)參(can)數(shu)應(ying)選(xuan)取(qu)一(yi)致(zhi),還(hai)需(xu)要(yao)一(yi)套(tao)輸(shu)出(chu)電(dian)壓(ya)檢(jian)測(ce)、比較及自動調節電路,實際設計的電路工作過程如圖5 所示。

圖5 電壓跟蹤電路結構框圖
在檢測電路中主要包含隔離和離散化兩部分電路,隔離電路可以有效地抑製係統噪聲, 消除接地回路的幹擾。把檢測到的輸出電壓離散化是為了解決當相近的模擬量直接比較時運放輸出抖動的問題, 同(tong)時(shi)可(ke)以(yi)使(shi)後(hou)麵(mian)的(de)比(bi)較(jiao)電(dian)路(lu)的(de)反(fan)應(ying)速(su)度(du)調(tiao)節(jie)方(fang)便(bian)。在(zai)離(li)散(san)化(hua)電(dian)路(lu)中(zhong)具(ju)體(ti)由(you)鋸(ju)齒(chi)波(bo)來(lai)調(tiao)製(zhi)經(jing)過(guo)隔(ge)離(li)的(de)輸(shu)出(chu)電(dian)壓(ya)來(lai)實(shi)現(xian)。它(ta)將(jiang)檢(jian)測(ce)到(dao)的(de)電(dian)壓(ya)信(xin)號(hao),轉(zhuan)化(hua)為(wei)脈(mai)寬(kuan)與(yu)其(qi)電(dian)壓(ya)成(cheng)正(zheng)比(bi)的(de)方(fang)波(bo)信(xin)號(hao)。
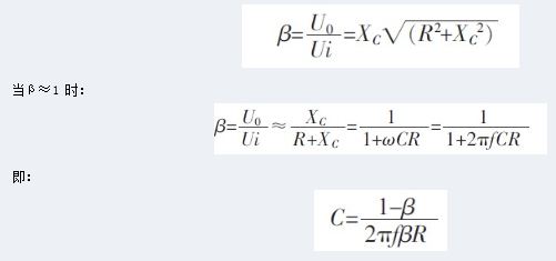
在具體應用中,應根據頻率範圍來設計合理的RC 濾波電路。濾波器的輸出與其輸入之比β 為:

RC 濾波電路
[page]
3 實驗結果
應用本方案試製了一套小功率係統,以此來驗證電路的可行性。
為了方便調試,樣機采用晶閘管整流,本樣機選用西安電力電子技術研究所生產的KK200 整流晶閘管。三相電經過一個降壓變壓器(變比10∶1)接到2 個整流橋。
三相全控整流橋輸出直流平均電壓為:Ud=1.35U1cosα式中,U1-輸入三相線電壓有效值;α-三相橋式全控整流控製角。
本樣機整流橋進線線電壓有效值為380 V,采用三相橋式全控整流,所以整流橋輸出最大直流平均電壓為380*1.35 / 10=51.3 V 左右。
T1、T2 變壓器變比1:40,負載阻抗100 kΩ。下麵給出了各路逆變頻率為13 kHz 時的相關波形圖:

圖6 實驗波形
圖6 中所標的電壓值為乘以分壓器變比以後的值。圖6(a) 為沒有經過並聯的兩路分別輸出時的電壓波形,可以看到,單路電壓輸出存在缺口,而且缺口處脈動較大,並有一定的毛刺。圖中6(b)為兩路並聯後輸出的電壓波形(未經電容濾波),與圖6(a)xiangbijiao,keyiqingchudikandaolianglubinglianhou,dadequekouzaishuchuboxingzhongxiaoshi,shuchudianyamaidongmingxianjianxiao,wenbobiandi,dadaoleshiyanmude,yanzhengleshejisixiangdezhengquexing。
4 結論
通(tong)過(guo)小(xiao)功(gong)率(lv)試(shi)驗(yan)的(de)驗(yan)證(zheng),證(zheng)明(ming)了(le)該(gai)方(fang)案(an)的(de)可(ke)行(xing)性(xing),采(cai)用(yong)本(ben)方(fang)案(an)可(ke)以(yi)在(zai)較(jiao)低(di)的(de)工(gong)作(zuo)頻(pin)率(lv)下(xia)達(da)到(dao)輸(shu)出(chu)低(di)紋(wen)波(bo)直(zhi)流(liu)電(dian)壓(ya)的(de)目(mu)的(de),可(ke)以(yi)減(jian)小(xiao)半(ban)導(dao)體(ti)開(kai)關(guan)元(yuan)件(jian)的(de)損(sun)耗(hao),提(ti)高(gao)元(yuan)器(qi)件(jian)使(shi)用(yong)壽(shou)命(ming)和(he)設(she)備(bei)的(de)穩(wen)定(ding)性(xing),同(tong)時(shi)對(dui)控(kong)製(zhi)等(deng)輔(fu)助(zhu)電(dian)路(lu)的(de)要(yao)求(qiu)也(ye)降(jiang)低(di);另(ling)外(wai)並(bing)聯(lian)後(hou)輸(shu)出(chu)電(dian)壓(ya)的(de)脈(mai)動(dong)頻(pin)率(lv)高(gao)且(qie)幅(fu)值(zhi)小(xiao),容(rong)易(yi)濾(lv)波(bo),所(suo)以(yi)可(ke)以(yi)減(jian)小(xiao)輸(shu)出(chu)端(duan)的(de)濾(lv)波(bo)電(dian)容(rong)。由(you)於(yu)電(dian)路(lu)是(shi)兩(liang)路(lu)電(dian)源(yuan)並(bing)聯(lian)的(de)結(jie)構(gou),可(ke)以(yi)提(ti)高(gao)電(dian)源(yuan)的(de)輸(shu)出(chu)容(rong)量(liang)。
- 噪聲中提取真值!瑞盟科技推出MSA2240電流檢測芯片賦能多元高端測量場景
- 10MHz高頻運行!氮矽科技發布集成驅動GaN芯片,助力電源能效再攀新高
- 失真度僅0.002%!力芯微推出超低內阻、超低失真4PST模擬開關
- 一“芯”雙電!聖邦微電子發布雙輸出電源芯片,簡化AFE與音頻設計
- 一機適配萬端:金升陽推出1200W可編程電源,賦能高端裝備製造
- 2026藍牙亞洲大會暨展覽在深啟幕
- 新市場與新場景推動嵌入式係統研發走向統一開發平台
- 維智捷發布中國願景
- 2秒啟動係統 • 資源受限下HMI最優解,米爾RK3506開發板× LVGL Demo演示
- H橋降壓-升壓電路中的交替控製與帶寬優化
- 車規與基於V2X的車輛協同主動避撞技術展望
- 數字隔離助力新能源汽車安全隔離的新挑戰
- 汽車模塊拋負載的解決方案
- 車用連接器的安全創新應用
- Melexis Actuators Business Unit
- Position / Current Sensors - Triaxis Hall



