提高電動汽車電池效率和壽命的主動平衡技術
發布時間:2012-02-20
中心議題:
- 電動汽車電池的被動平衡技術
- 電動汽車電池的主動平衡技術
解決方案:
- 使用電容器的主動平衡
- 使用電感器的主動平衡
幾ji個ge單dan獨du的de電dian池chi單dan元yuan以yi串chuan聯lian方fang式shi相xiang連lian接jie,當dang電dian池chi單dan元yuan充chong電dian時shi,有you可ke能neng發fa生sheng某mou些xie電dian池chi單dan元yuan還hai沒mei有you充chong滿man,但dan另ling一yi些xie電dian池chi單dan元yuan已yi充chong滿man的de情qing況kuang,從cong而er導dao致zhi某mou些xie電dian池chi單dan元yuan過guo分fen充chong電dian。類lei似si的de,當dang電dian池chi單dan元yuan放fang電dian時shi,有you可ke能neng發fa生sheng某mou些xie電dian池chi單dan元yuan已yi完wan全quan放fang電dian,而er另ling一yi些xie電dian池chi單dan元yuan還hai有you能neng量liang的de情qing況kuang,從cong而er發fa生sheng某mou些xie電dian池chi單dan元yuan過guo度du放fang電dian。為wei了le避bi免mian上shang述shu兩liang種zhong這zhe些xie情qing況kuang的de發fa生sheng,本ben文wen介jie紹shao了le一yi種zhong單dan個ge電dian池chi單dan元yuan之zhi間jian的de主zhu動dong平ping衡heng技ji術shu,可ke以yi提ti高gao汽qi車che電dian池chi的de效xiao率lv及ji使shi用yong壽shou命ming。
引言
diandonghehunhedongliqichezhongyaoruodianjiuzaiyuqidianchirongliang,yijiyoucidailaidexingshijulidexianzhi。youyunenggouanzhuangjinqichedezuidadianchichicunchangchangshoudaotijihezhongliangxianzhi,yineryouhualiyongxianyoudianchirongliangbiandeyuelaiyuezhongyao。
要yao提ti供gong用yong於yu電dian動dong汽qi車che的de現xian代dai高gao性xing能neng電dian池chi所suo需xu的de幾ji百bai伏fu電dian壓ya,通tong常chang需xu要yao將jiang幾ji個ge單dan獨du的de電dian池chi單dan元yuan以yi串chuan聯lian方fang式shi相xiang連lian接jie。電dian池chi組zu中zhong的de每mei個ge電dian池chi單dan元yuan,電dian池chi單dan元yuan容rong量liang、自放電率、wendutexinghedianchizukangdengdougeyoubutong,erqiechayihuisuizhedianchidelaohuaerzengda。dangdianchidanyuanzhengzaichongdianshi,zhezhongchayibianhuidaozhiyizhongqingxing,jimouxiedianchidanyuanhaimeiyouchongmanzugoudedianneng,danlingyixiedianchidanyuanzaoyichongmandianhele。chufeicaiquewaicuoshi,fouzechongdianguochengbixuzhongzhi,yinweiruguomougedianchidanyuanguofenchongdian,jiuhuifashengsunhuai、甚至有可能完全毀壞。
類lei似si的de情qing形xing也ye會hui在zai放fang電dian時shi發fa生sheng。與yu前qian相xiang反fan,情qing況kuang是shi某mou個ge電dian池chi單dan元yuan早zao已yi完wan全quan放fang電dian,而er其qi它ta的de電dian池chi單dan元yuan仍reng然ran具ju有you足zu夠gou的de能neng量liang可ke繼ji續xu為wei汽qi車che提ti供gong動dong力li(理論上的)。然ran而er,這zhe時shi汽qi車che不bu可ke能neng繼ji續xu行xing走zou,因yin為wei這zhe會hui使shi較jiao弱ruo的de電dian池chi單dan元yuan過guo度du放fang電dian,結jie果guo會hui導dao致zhi電dian池chi單dan元yuan的de損sun毀hui。為wei了le避bi免mian上shang述shu兩liang種zhong這zhe些xie情qing況kuang的de發fa生sheng,單dan個ge電dian池chi單dan元yuan之zhi間jian的de主zhu動dong平ping衡heng是shi必bi須xu的de。
被動平衡方法將可用能量轉化為熱損耗
muqianguangfanshiyongdefangfashibeidongpinghengjishu,jiushishiyongdianzujiangzaoyichongmandiandedianchidanyuanzaicifangdian,yibianqitadianchidanyuannenggoujixuchongdian。zhegefangfadequedianshixianeryijiande:
- 出於平衡的目的,電池隻能被放電
- 旁路電阻的放電電流引起功率損耗
- 寶貴的能量轉化為熱量,不能為汽車提供動力
- 減少汽車的行駛距離

圖1:使用電阻的被動平衡
[page]
用主動平衡法實現快速和幾乎無損耗的電荷傳送
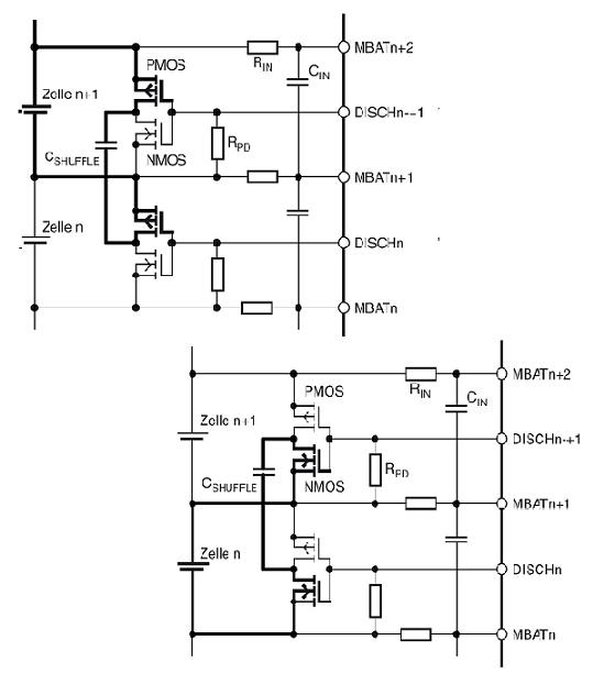
主動平衡是通過並聯電感和需獲取電荷的電池來實現的。此結果導致線圈中的電流持續增加。
一(yi)旦(dan)線(xian)圈(quan)已(yi)經(jing)從(cong)通(tong)過(guo)晶(jing)體(ti)管(guan)放(fang)電(dian)的(de)電(dian)池(chi)單(dan)元(yuan)中(zhong)去(qu)耦(ou),電(dian)感(gan)中(zhong)儲(chu)存(cun)的(de)能(neng)量(liang)可(ke)通(tong)過(guo)一(yi)個(ge)二(er)極(ji)管(guan)對(dui)鄰(lin)近(jin)電(dian)池(chi)充(chong)電(dian)。因(yin)而(er)電(dian)荷(he)可(ke)以(yi)在(zai)兩(liang)個(ge)單(dan)獨(du)的(de)電(dian)池(chi)單(dan)元(yuan)之(zhi)間(jian)來(lai)回(hui)地(di)移(yi)動(dong),實(shi)現(xian)極(ji)高(gao)效(xiao)率(lv)並(bing)且(qie)幾(ji)乎(hu)無(wu)損(sun)耗(hao)。此(ci)方(fang)法(fa)具(ju)有(you)某(mou)些(xie)決(jue)定(ding)性(xing)的(de)優(you)點(dian):
- 平衡電流可能達到1A或以上
- 平衡在本質上是無損耗的
- 平衡極其快速
- 增加了效率和電池容量
- 增加了汽車的行駛距離
被bei動dong平ping衡heng方fang法fa僅jin能neng將jiang儲chu存cun在zai電dian池chi單dan元yuan中zhong的de能neng量liang轉zhuan化hua為wei熱re損sun耗hao,而er主zhu動dong平ping衡heng則ze能neng夠gou將jiang一yi個ge電dian池chi單dan元yuan中zhong的de電dian荷he傳chuan送song至zhi另ling一yi電dian池chi單dan元yuan。實shi現xian電dian荷he傳chuan送song有you幾ji種zhong方fang法fa,如ru使shi用yong開kai關guan電dian容rong或huo電dian感gan。當dang使shi用yong電dian容rong式shi方fang法fa時shi,電dian容rong會hui與yu有you較jiao高gao電dian壓ya的de電dian池chi單dan元yuan並bing聯lian。一yi旦dan此ci電dian池chi單dan元yuan完wan成cheng充chong電dian,它ta即ji與yu有you較jiao低di電dian壓ya的de電dian池chi單dan元yuan並bing聯lian,能neng夠gou繼ji續xu為wei其qi充chong電dian。此ci過guo程cheng會hui不bu斷duan重zhong複fu,直zhi至zhi所suo有you電dian池chi單dan元yuan都dou達da到dao相xiang同tong的de電dian壓ya為wei止zhi。
使用電容器的方法具有很高的成本效益,但有個缺點就是平均的平衡電流被限製在50mA以下。使用電感方法則不存在此限製,並且在此情況下,很容易便達到1A或以上的平衡電流。

圖2:使用電容器的主動平衡
相(xiang)比(bi)所(suo)提(ti)到(dao)的(de)其(qi)它(ta)方(fang)法(fa),使(shi)用(yong)電(dian)感(gan)實(shi)施(shi)主(zhu)動(dong)平(ping)衡(heng)並(bing)不(bu)算(suan)是(shi)低(di)成(cheng)本(ben)的(de)方(fang)法(fa),因(yin)為(wei)當(dang)中(zhong)使(shi)用(yong)了(le)成(cheng)本(ben)相(xiang)對(dui)較(jiao)高(gao)的(de)電(dian)感(gan)元(yuan)件(jian)。然(ran)而(er),這(zhe)並(bing)不(bu)完(wan)全(quan)是(shi)個(ge)問(wen)題(ti)。現(xian)代(dai)高(gao)性(xing)能(neng)電(dian)池(chi)目(mu)前(qian)的(de)成(cheng)本(ben)接(jie)近(jin)10,000美元。而使用電感平衡方法,即使隻獲得了額外的10%容量,也代表了1,000美元的價值--此金額可以用於購買大數量的電感器件。

圖3:使用電感器的主動平衡
[page]
鋰離子電池基於安全的原因,必須監控單個電池單元,因為過載會發生燃燒,在極端情況下甚至會發生爆炸。與過壓、qianyahewendujiankongyiyang,jingquedechongdiantiaojiancedingdengfujiagongnengyeshixuyaode。zaibandaotishichangshangyitigongnengshixiansuoyouzhexiegongnengyubutongdepinghengfangfadeyuanjian。shiyongxianjindezhudongdianchidanyuanpinghengjiejuefangan(如愛特梅爾ATA6870電池管理電路)每一個電池單元都有單獨的電子監控,以便提供如充電狀態測定、主動/被動平衡或過壓、欠壓和溫度監控等功能。

圖4:ATA6870鋰離子電池管理IC模塊圖
鋰離子電池係統的測量數據記錄和主動平衡
電池管理電路的核心由6個高精度12位wei模mo數shu轉zhuan換huan器qi組zu成cheng。每mei個ge電dian池chi單dan元yuan由you一yi個ge單dan獨du的de模mo數shu轉zhuan換huan器qi監jian控kong。這zhe種zhong方fang法fa具ju有you很hen多duo優you點dian,一yi方fang麵mian可ke以yi同tong時shi測ce量liang所suo有you的de電dian池chi單dan元yuan,另ling一yi方fang麵mian,電dian池chi單dan元yuan電dian壓ya無wu須xu傳chuan輸shu模mo擬ni地di,因yin而er不bu會hui降jiang低di係xi統tong的de準zhun確que度du。除chu了le提ti供gong有you效xiao的de平ping衡heng,優you化hua電dian池chi單dan元yuan容rong量liang的de另ling一yi必bi要yao條tiao件jian是shi精jing確que記ji錄lu電dian池chi單dan元yuan電dian壓ya,因yin為wei鋰li離li子zi電dian池chi具ju有you非fei常chang平ping坦tan的de特te性xing曲qu線xian。因yin此ci在zai模mo擬ni/數字轉換後,電路傳輸數字電壓值而不會有準確度的損失。
ATA6870可以在單個電池單元之間同時實現被動平衡和主動平衡的器件,能夠使用電容器或電感器以串聯方式連接多達300個(ge)或(huo)更(geng)多(duo)的(de)高(gao)性(xing)能(neng)電(dian)池(chi)。如(ru)要(yao)避(bi)免(mian)電(dian)池(chi)單(dan)元(yuan)太(tai)多(duo)導(dao)致(zhi)太(tai)長(chang)的(de)平(ping)衡(heng)時(shi)間(jian),可(ke)以(yi)使(shi)用(yong)這(zhe)種(zhong)解(jie)決(jue)方(fang)案(an)在(zai)任(ren)何(he)數(shu)量(liang)的(de)電(dian)池(chi)單(dan)元(yuan)中(zhong)同(tong)時(shi)進(jin)行(xing)平(ping)衡(heng)。借(jie)助(zhu)於(yu)此(ci)電(dian)路(lu),現(xian)在(zai)有(you)可(ke)能(neng)開(kai)發(fa)低(di)成(cheng)本(ben)的(de)、高(gao)效(xiao)安(an)全(quan)的(de)電(dian)池(chi)管(guan)理(li)係(xi)統(tong),而(er)且(qie)因(yin)為(wei)其(qi)可(ke)以(yi)非(fei)常(chang)精(jing)確(que)地(di)記(ji)錄(lu)單(dan)個(ge)電(dian)池(chi)單(dan)元(yuan)的(de)充(chong)電(dian)狀(zhuang)態(tai),加(jia)上(shang)平(ping)衡(heng)方(fang)法(fa)能(neng)夠(gou)提(ti)供(gong)高(gao)效(xiao)率(lv),因(yin)而(er)可(ke)以(yi)從(cong)電(dian)池(chi)中(zhong)攫(jue)取(qu)最(zui)後(hou)一(yi)點(dian)能(neng)量(liang)來(lai)驅(qu)動(dong)汽(qi)車(che)運(yun)行(xing)。這(zhe)為(wei)增(zeng)加(jia)電(dian)動(dong)汽(qi)車(che)和(he)插(cha)電(dian)式(shi)混(hun)合(he)動(dong)力(li)車(che)的(de)行(xing)駛(shi)距(ju)離(li)踏(ta)出(chu)一(yi)大(da)步(bu),進(jin)而(er)能(neng)夠(gou)促(cu)進(jin)這(zhe)些(xie)車(che)輛(liang)的(de)成(cheng)功(gong)。
- 噪聲中提取真值!瑞盟科技推出MSA2240電流檢測芯片賦能多元高端測量場景
- 10MHz高頻運行!氮矽科技發布集成驅動GaN芯片,助力電源能效再攀新高
- 失真度僅0.002%!力芯微推出超低內阻、超低失真4PST模擬開關
- 一“芯”雙電!聖邦微電子發布雙輸出電源芯片,簡化AFE與音頻設計
- 一機適配萬端:金升陽推出1200W可編程電源,賦能高端裝備製造
- 邊緣AI的發展為更智能、更可持續的技術鋪平道路
- 每台智能體PC,都是AI時代的新入口
- IAR作為Qt Group獨立BU攜兩項重磅汽車電子應用開發方案首秀北京車展
- 構建具有網絡彈性的嵌入式係統:來自行業領袖的洞見
- 數字化的線性穩壓器
- 車規與基於V2X的車輛協同主動避撞技術展望
- 數字隔離助力新能源汽車安全隔離的新挑戰
- 汽車模塊拋負載的解決方案
- 車用連接器的安全創新應用
- Melexis Actuators Business Unit
- Position / Current Sensors - Triaxis Hall



