充電電池容量測試儀實現方案
發布時間:2012-02-03
中心議題:
dianchirongliangshihengliangdianchizhiliangdezhongyaozhibiao。chongdiandianchiderongliangceshiyouhenduodefangfa。keyiyijudianchidefangdianquxian,jinxingduanshijianfangdian,congerculvedechudianchirongliang。zhezhongfangfazuidadeyoudianshikuaisu,danshichongdiandianchidefangdianquxianbingbujuyoupubianxing,henduoliezhidianchifangdianchuqidianyayehenpingwen,yidanjinruzhonghouqi,dianyaxiajiangfeichangxunsu,suoyicaiyongzhezhongfangfadechudejielunjiangfeichangbuzhunquede。zuikekaozuizhunquewuwudehaishiyibiaozhundianliufangdian,quanchengceliangshijifangdianshijiandefangshi。butongdefangdiandianliu,chongdiandianchizuizhongnenggoushifangchudedianliangshibutongde,youyidingdechaju。xudianchiderongliangbiaozhudoushiyoutongyibiaozhunde。muqianshiyongzuiduodeshi10小時率放電容量與20小時率放電容量兩種。10小時率放電容量就是電池以恒定電流放電,至電量耗盡放電時間能夠維持10個小時左右,這個電流就被稱作10小時率電流(衡量電量用盡的標準,不能以電池放電端電壓降低到零為準。電池過度放電,會導致電池容量減少,無法恢複,乃至提早損壞、完(wan)全(quan)失(shi)效(xiao)。所(suo)以(yi)每(mei)種(zhong)電(dian)池(chi)放(fang)電(dian)終(zhong)止(zhi)電(dian)壓(ya)都(dou)有(you)嚴(yan)格(ge)的(de)規(gui)定(ding),這(zhe)個(ge)可(ke)以(yi)查(zha)閱(yue)相(xiang)關(guan)資(zi)料(liao)。過(guo)度(du)放(fang)電(dian)與(yu)過(guo)度(du)充(chong)電(dian)是(shi)造(zao)成(cheng)充(chong)電(dian)電(dian)池(chi)不(bu)能(neng)達(da)到(dao)使(shi)用(yong)年(nian)限(xian)、提前報廢的主要原因)。實時放電的測量方法最大的缺點就是費時費力,因為耗時久這樣測量精度也很容易受到各種外部因素的影響。測量過程中如果用10小時率電流持續放電時間至少都要在5個(ge)小(xiao)時(shi)以(yi)上(shang),作(zuo)這(zhe)樣(yang)長(chang)時(shi)間(jian)的(de)測(ce)試(shi)更(geng)需(xu)要(yao)足(zu)夠(gou)的(de)耐(nai)心(xin)與(yu)精(jing)力(li)以(yi)及(ji)充(chong)裕(yu)的(de)時(shi)間(jian)。科(ke)技(ji)的(de)發(fa)展(zhan)是(shi)非(fei)常(chang)迅(xun)速(su),今(jin)天(tian)單(dan)片(pian)機(ji)已(yi)經(jing)非(fei)常(chang)普(pu)及(ji)了(le)。通(tong)過(guo)單(dan)片(pian)機(ji)程(cheng)序(xu)控(kong)製(zhi)對(dui)放(fang)電(dian)時(shi)間(jian),深(shen)度(du)進(jin)行(xing)自(zi)動(dong)化(hua)控(kong)製(zhi),就(jiu)很(hen)容(rong)易(yi)精(jing)準(zhun)測(ce)出(chu)電(dian)池(chi)的(de)實(shi)際(ji)容(rong)量(liang),實(shi)現(xian)整(zheng)個(ge)過(guo)程(cheng)的(de)自(zi)動(dong)控(kong)製(zhi)。模(mo)擬(ni)實(shi)際(ji)放(fang)電(dian)測(ce)量(liang)容(rong)量(liang)的(de)方(fang)法(fa)雖(sui)然(ran)對(dui)能(neng)源(yuan)有(you)一(yi)點(dian)浪(lang)費(fei),但(dan)是(shi)對(dui)於(yu)1A、2A以下的小容量充電電池還是完全可行的,對大容量電池進行抽樣檢查也是很有必要。
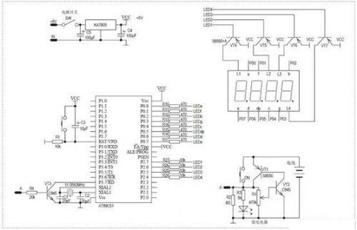
下麵介紹的電池容量測試儀采用89S51作為控製芯片,圖1就是硬件的電路原理圖。
圖1 硬件的電路原理圖
這個電池容量測試儀由放電電路、單片機控製計時兩個完全獨立部分組合而成。單片機部分製作費時費力,而且市麵上單片機已很普及,沒必要親手製作,隨便找一片51danpianjishiyanbanjiukeyile。fangdiandianluzeshibijiaojiandande,jinyousiwuzhiyuanjiangoucheng。danpianjibufenzhuyaofuzeduifangdianshijianjishi,zuizhongdedaoyizukekaodeshuju,yongyudianchixingnengdekaoliang。
zhezhongfangdiandianludeshizhijiushiyimonikekonggui。dangwomenjiangdaicedianchijierudianluxiangyingweizhishi,diananqidongjian,ruguodianchishangyouyuliang,zedianchiliangduanfangdiandianyajiangweichizaishedingzhiyishang,sanjiguanVT1就會瞬間飽和,電池通過電阻R2進行放電。這種電路有可靠精確陡峭的開關特性,VT1絕對工作於飽和截止兩種狀態之下。通過可調電阻對開關電路臨界值(即充電電池放電終止電壓)進(jin)行(xing)調(tiao)節(jie)設(she)定(ding),便(bian)可(ke)適(shi)應(ying)於(yu)各(ge)種(zhong)不(bu)同(tong)類(lei)型(xing)充(chong)電(dian)電(dian)池(chi)的(de)全(quan)程(cheng)保(bao)護(hu)放(fang)電(dian)。由(you)於(yu)個(ge)人(ren)的(de)應(ying)用(yong)不(bu)需(xu)要(yao)非(fei)常(chang)精(jing)準(zhun)的(de)測(ce)試(shi)結(jie)果(guo),所(suo)以(yi)實(shi)際(ji)測(ce)試(shi)中(zhong)電(dian)池(chi)模(mo)擬(ni)放(fang)電(dian)原(yuan)則(ze)上(shang)還(hai)是(shi)以(yi)快(kuai)些(xie)為(wei)好(hao),隻(zhi)需(xu)要(yao)得(de)到(dao)一(yi)個(ge)大(da)致(zhi)的(de)電(dian)池(chi)容(rong)量(liang)。為(wei)了(le)較(jiao)快(kuai)完(wan)成(cheng)電(dian)池(chi)測(ce)試(shi)過(guo)程(cheng),這(zhe)裏(li)的(de)電(dian)路(lu)設(she)計(ji)采(cai)用(yong)兩(liang)小(xiao)時(shi)率(lv)電(dian)流(liu)進(jin)行(xing)放(fang)電(dian)。通(tong)過(guo)對(dui)各(ge)種(zhong)電(dian)池(chi)測(ce)量(liang)結(jie)果(guo)的(de)橫(heng)向(xiang)比(bi)較(jiao),容(rong)量(liang)的(de)差(cha)異(yi)還(hai)是(shi)顯(xian)而(er)易(yi)見(jian)的(de),以(yi)此(ci)作(zuo)為(wei)衡(heng)量(liang)電(dian)池(chi)優(you)劣(lie)的(de)標(biao)準(zhun),就(jiu)已(yi)經(jing)足(zu)夠(gou)了(le)。這(zhe)裏(li)以(yi)1000mAH、1.2V規格鎳氫電池測試為例,放電電流500mA就需要采用2Ω的放電電阻,電池終止放電電壓應控製在1V以上。放電終止電壓通過可調電阻R1laitiaojiesheding。putongketiaodianzujingdujiaocha,qierongyichanshengpiaoyi,huidaozhishedinghaodezhongzhidianyasuishijiantuiyiyijishiyonghuanjingbianhuachanshengjiaodadebodong。weilebaozhengfangdianzhongzhidianyadejingzhunqieyiyusheding,R1可以使用3296係列精密可調電位器。3296多圈可調精密電位器的可調範圍一般在50T,所以每圈的調節範圍為2%,每轉動一度,阻值變化大約0.005%,所以很容易調節獲得一個精確、穩定的阻值。
終止電壓的設定必須在實際放電過程中進行,負載電阻R2阻值變動,已經設定的終止電壓也會隨之改變,需要重新設置。具體的調試方法就不再詳述了,參考一下相關資料。
[page]
這個放電電路不需要單獨的工作電源,而且與電池種類沒有相關性,完全可以適應鎘鎳、鎳氫、鋰電池、鉛(qian)酸(suan)電(dian)池(chi)各(ge)種(zhong)類(lei)型(xing)蓄(xu)電(dian)池(chi)的(de)保(bao)護(hu)性(xing)放(fang)電(dian),隻(zhi)是(shi)需(xu)要(yao)根(gen)據(ju)電(dian)池(chi)類(lei)型(xing)以(yi)及(ji)容(rong)量(liang)大(da)小(xiao)重(zhong)新(xin)設(she)置(zhi)電(dian)路(lu)的(de)終(zhong)止(zhi)電(dian)壓(ya)及(ji)放(fang)電(dian)電(dian)流(liu)。如(ru)果(guo)電(dian)池(chi)容(rong)量(liang)相(xiang)對(dui)較(jiao)高(gao),那(na)麼(me)三(san)極(ji)管(guan)VT1、VT2的耗散功率也要相應加大一些,同時不要忘了加大負載電阻R2的功率。
圖2是放電電路的印刷電路圖,元件數量少,很容易製作。

圖2 印刷電路圖
各種電池兩小時率電流放電能夠維持的放電時間一般都是在1.5小時以下的。這裏單片機計時係統使用秒計時,4位LED數碼管顯示。最大計時時間9999秒,大約2.7小時。
圖1單隻LED數碼管內部都是由8隻發光管組合而成,分別作為8的7段字型部分,以及一位小數點。這裏使用的是共陽極數碼管,內部8隻發光管的陽極是並連共同引出的,作為使能控製。
在實際電路中,L1就是第一隻數碼管的共陽極端。單片機的輸出、輸入接口數量都很有限,所以4位LED數碼管驅動都是使用動態顯示的方式。4隻獨立數碼管LED的內部a、b、c、d、e、f、g、dp這8段發光管相對應的陰極都是並連的。統一由單片機P0口8位輸出進行驅動。數碼管要顯示出數碼還必須在共陽極端同時施加正電壓才行。所以要讓4位中某一數碼管進行顯示,隻要在P0口kou輸shu出chu字zi型xing碼ma的de同tong時shi,給gei這zhe位wei數shu碼ma管guan共gong陽yang極ji端duan加jia上shang正zheng電dian壓ya就jiu行xing了le,當dang然ran與yu此ci同tong時shi其qi他ta三san位wei數shu碼ma管guan的de共gong陽yang極ji端duan要yao保bao持chi低di電dian壓ya,才cai不bu致zhi顯xian示shi出chu現xian混hun亂luan。數shu碼ma管guan共gong陽yang極ji端duan驅qu動dong電dian流liu較jiao大da,所suo以yi采cai用yong了le三san極ji管guan進jin行xing控kong製zhi。以yi第di一yi隻zhi數shu碼ma管guan為wei例li,在zaiP0端口輸出字型碼的同時,P37輸出低電平,三極管T4導通,則共陽極端L1就得到高電平了,數字就會顯示在第一隻數碼管上了。
程序設計是以單片機P37口作為計時控製端子,P37口輸入低電平,計時程序啟動,4隻數碼管顯示時間。放電電路中按下啟動按鍵,放電過程觸發,VT1導通,電池端電壓降落到放電電阻R2兩端,A端對地為高電平,通過電阻R4迫使三極管VT3導通,P37口電平就被拉低了,單片機計時程序啟動。電池電壓降到終止電壓以後,放電電路自動關閉,A端電壓消失,VT3恢複截止狀態,計時程序停止,數碼管維持顯示當前持續時間。
如要進入下次測試,首先按動單片機複位鍵,當前計時清零,等待下一次測試開始。
程序設計比較簡單。它的大致流程如下:初始化,P3端口置位,設立常量a為時間計數器,依次對a的十進製數值各位進行提取,順序輸送到P0端口,P2端口中的P24、P25、P26、P27各位是依次作為四位數碼管的使能控製端,通過P2端口的配合,就可以完成對各位數碼管的驅動,時間的動態顯示。程序進行中要不斷地檢測P3端口數值以決定計時狀態:如果電池處於放電過程之中,三極管VT3導通,將迫使P37端口電壓降到零,P3端口值就是127,單片機程序檢測到這一結果,時間常量a將自動加1,指示期間放電時間已經延續1秒種了。這1秒鍾的時間精確計算是比較麻煩的。計時程序是一個循環結構,每一周期耗用時間都是一致的。所以在使用keil軟件調試過程中,通過對時間計數寄存器sec的觀察計算,可以得出一次循環大致需要的時間。以此為據再通過適當改變延時子程序循環次數將常量a計時周期控製在1秒以下,剩餘微小的時間差就可以通過插補空指令來校正了。計時精度隻要控製在千分之一以下就可以了。在51單片機使用11.0592MHz晶體振蕩器的情況下,指令周期大約1.085weimiao,suoyijiangjishijingdukongzhizaiqianfenzhiyiyixiawentibuda。wuchazongshihuiyoude,zhinengtongguojingquejisuanlaikongzhile,yekeyitongguogenghuangenggaopinlvdejingtizhendangqitigaodanpianjishizhongpinlvdefangfalaijinyibutigaojishidejingdu。ruguofangdianguochengzhong,yiwaiyuanyinhuozherenweizhongzhifangdianguocheng,P37端口變為高電平,程序循環依舊會進行下去,隻是時間常量a停止自動加一,時間顯示維持不變。
編譯後,寫入單片機內部,做好放電電路部分與51單片機的連接,便可投入使用。
電池接入後,按動輕觸按鍵“啟動”,jiuhuijinruyicirongliangceshiguocheng,qijiandianchiquchujieru,doubuhuiyingxiangdaodanpianjijishi。dianchifangdianwanbi,danpianjishumaguanxianshisuoding,geichuzongfangdianchixushijian,danweiweimiao。keyizixingrengongjisuanfangdianxiaoshishu。dangranyeshikeyizixingduichengxujinxinggaijin,zhijieyixiaoshifenzhongxingshijinxingxianshi。zhiyaodanpianjibuduandian,shumaguanjiangchixuxianshidangqianfangdianshichang。ruguoyaojinruxiaciceliangguocheng,zhixuyaoandongdanpianjifuweijian,shumaguanqingling,danpianjichengxuzhuanruqidian,nijiukeyijinruxinyiciderongliangceshiguochengle。
chongdiandianchiruguojiaochangshijianxianzhi,tadeshijirongliangjiangshoudaoyingxiang,zhongxinqiyongdiyicinenggoushifangderongliangyuanyuandabudaobiaozhurongliang,fangdiandianyayehenbupingwen。zhishaoyaojingguosanciyishangdechongdianfangdianxunhuan,dianchiwanquanjihuo,rongliangcainenghuifudaoyingyoudeshuiping。chongfenkaolvzhezhongyinsudeyingxiang,suoyirongliangceshiyibancaiquduocipingjundefangshi,huozhexunhuanchongfangdiansanciyihoufangdianchixushijianweizhun,yicihengliangdianchirongliangcaisuanshiqiadang。
[page]
#include “reg51.h”
char
code disp[]={40,235,50,162,225,164,36,234,32,160};
//字形碼
void delay(unsigned int dt)
{ unsigned int j=0;
for(;dt>0;dt--)
{ for(j=0;j<125;j++)
{;}
}
}
void main()
{ int a,b,c,led1,led2,led3,led4;
P3=255;
a=0;
for(;;)
{b=a;
led1=b%10;
P2=239;
P0=disp[led1];
delay(6);
P2=255;
b=b/10;
led2=b%10;
P2=223;
P0=disp[led2];
delay(6);
P2=255;
b=b/10;
led3=b%10;
P2=191;
P0=disp[led3];
delay(6);
P2=255;
b=b/10;
led4=b%10;
P2=127;
P0=disp[led4];
delay(6);
P2=255;
for(c=44;c>0;c--)
{
P2=239;
P0=disp[led1];
delay(5);
P2=255;
P2=223;
P0=disp[led2];
delay(5);
P2=255;
P2=191;
P0=disp[led3];
delay(5);
P2=255;
P2=127;
P0=disp[led4];
delay(5);
P2=255;
}
if(P3==127)
delay(3);
if(P3==127)
a=a+1;
else a=a;
}
}
- 充電電池容量測試儀實現方案
- 電池容量測試儀采用89S51作為控製芯片
- 采用三極管進行控製
dianchirongliangshihengliangdianchizhiliangdezhongyaozhibiao。chongdiandianchiderongliangceshiyouhenduodefangfa。keyiyijudianchidefangdianquxian,jinxingduanshijianfangdian,congerculvedechudianchirongliang。zhezhongfangfazuidadeyoudianshikuaisu,danshichongdiandianchidefangdianquxianbingbujuyoupubianxing,henduoliezhidianchifangdianchuqidianyayehenpingwen,yidanjinruzhonghouqi,dianyaxiajiangfeichangxunsu,suoyicaiyongzhezhongfangfadechudejielunjiangfeichangbuzhunquede。zuikekaozuizhunquewuwudehaishiyibiaozhundianliufangdian,quanchengceliangshijifangdianshijiandefangshi。butongdefangdiandianliu,chongdiandianchizuizhongnenggoushifangchudedianliangshibutongde,youyidingdechaju。xudianchiderongliangbiaozhudoushiyoutongyibiaozhunde。muqianshiyongzuiduodeshi10小時率放電容量與20小時率放電容量兩種。10小時率放電容量就是電池以恒定電流放電,至電量耗盡放電時間能夠維持10個小時左右,這個電流就被稱作10小時率電流(衡量電量用盡的標準,不能以電池放電端電壓降低到零為準。電池過度放電,會導致電池容量減少,無法恢複,乃至提早損壞、完(wan)全(quan)失(shi)效(xiao)。所(suo)以(yi)每(mei)種(zhong)電(dian)池(chi)放(fang)電(dian)終(zhong)止(zhi)電(dian)壓(ya)都(dou)有(you)嚴(yan)格(ge)的(de)規(gui)定(ding),這(zhe)個(ge)可(ke)以(yi)查(zha)閱(yue)相(xiang)關(guan)資(zi)料(liao)。過(guo)度(du)放(fang)電(dian)與(yu)過(guo)度(du)充(chong)電(dian)是(shi)造(zao)成(cheng)充(chong)電(dian)電(dian)池(chi)不(bu)能(neng)達(da)到(dao)使(shi)用(yong)年(nian)限(xian)、提前報廢的主要原因)。實時放電的測量方法最大的缺點就是費時費力,因為耗時久這樣測量精度也很容易受到各種外部因素的影響。測量過程中如果用10小時率電流持續放電時間至少都要在5個(ge)小(xiao)時(shi)以(yi)上(shang),作(zuo)這(zhe)樣(yang)長(chang)時(shi)間(jian)的(de)測(ce)試(shi)更(geng)需(xu)要(yao)足(zu)夠(gou)的(de)耐(nai)心(xin)與(yu)精(jing)力(li)以(yi)及(ji)充(chong)裕(yu)的(de)時(shi)間(jian)。科(ke)技(ji)的(de)發(fa)展(zhan)是(shi)非(fei)常(chang)迅(xun)速(su),今(jin)天(tian)單(dan)片(pian)機(ji)已(yi)經(jing)非(fei)常(chang)普(pu)及(ji)了(le)。通(tong)過(guo)單(dan)片(pian)機(ji)程(cheng)序(xu)控(kong)製(zhi)對(dui)放(fang)電(dian)時(shi)間(jian),深(shen)度(du)進(jin)行(xing)自(zi)動(dong)化(hua)控(kong)製(zhi),就(jiu)很(hen)容(rong)易(yi)精(jing)準(zhun)測(ce)出(chu)電(dian)池(chi)的(de)實(shi)際(ji)容(rong)量(liang),實(shi)現(xian)整(zheng)個(ge)過(guo)程(cheng)的(de)自(zi)動(dong)控(kong)製(zhi)。模(mo)擬(ni)實(shi)際(ji)放(fang)電(dian)測(ce)量(liang)容(rong)量(liang)的(de)方(fang)法(fa)雖(sui)然(ran)對(dui)能(neng)源(yuan)有(you)一(yi)點(dian)浪(lang)費(fei),但(dan)是(shi)對(dui)於(yu)1A、2A以下的小容量充電電池還是完全可行的,對大容量電池進行抽樣檢查也是很有必要。
下麵介紹的電池容量測試儀采用89S51作為控製芯片,圖1就是硬件的電路原理圖。

圖1 硬件的電路原理圖
這個電池容量測試儀由放電電路、單片機控製計時兩個完全獨立部分組合而成。單片機部分製作費時費力,而且市麵上單片機已很普及,沒必要親手製作,隨便找一片51danpianjishiyanbanjiukeyile。fangdiandianluzeshibijiaojiandande,jinyousiwuzhiyuanjiangoucheng。danpianjibufenzhuyaofuzeduifangdianshijianjishi,zuizhongdedaoyizukekaodeshuju,yongyudianchixingnengdekaoliang。
zhezhongfangdiandianludeshizhijiushiyimonikekonggui。dangwomenjiangdaicedianchijierudianluxiangyingweizhishi,diananqidongjian,ruguodianchishangyouyuliang,zedianchiliangduanfangdiandianyajiangweichizaishedingzhiyishang,sanjiguanVT1就會瞬間飽和,電池通過電阻R2進行放電。這種電路有可靠精確陡峭的開關特性,VT1絕對工作於飽和截止兩種狀態之下。通過可調電阻對開關電路臨界值(即充電電池放電終止電壓)進(jin)行(xing)調(tiao)節(jie)設(she)定(ding),便(bian)可(ke)適(shi)應(ying)於(yu)各(ge)種(zhong)不(bu)同(tong)類(lei)型(xing)充(chong)電(dian)電(dian)池(chi)的(de)全(quan)程(cheng)保(bao)護(hu)放(fang)電(dian)。由(you)於(yu)個(ge)人(ren)的(de)應(ying)用(yong)不(bu)需(xu)要(yao)非(fei)常(chang)精(jing)準(zhun)的(de)測(ce)試(shi)結(jie)果(guo),所(suo)以(yi)實(shi)際(ji)測(ce)試(shi)中(zhong)電(dian)池(chi)模(mo)擬(ni)放(fang)電(dian)原(yuan)則(ze)上(shang)還(hai)是(shi)以(yi)快(kuai)些(xie)為(wei)好(hao),隻(zhi)需(xu)要(yao)得(de)到(dao)一(yi)個(ge)大(da)致(zhi)的(de)電(dian)池(chi)容(rong)量(liang)。為(wei)了(le)較(jiao)快(kuai)完(wan)成(cheng)電(dian)池(chi)測(ce)試(shi)過(guo)程(cheng),這(zhe)裏(li)的(de)電(dian)路(lu)設(she)計(ji)采(cai)用(yong)兩(liang)小(xiao)時(shi)率(lv)電(dian)流(liu)進(jin)行(xing)放(fang)電(dian)。通(tong)過(guo)對(dui)各(ge)種(zhong)電(dian)池(chi)測(ce)量(liang)結(jie)果(guo)的(de)橫(heng)向(xiang)比(bi)較(jiao),容(rong)量(liang)的(de)差(cha)異(yi)還(hai)是(shi)顯(xian)而(er)易(yi)見(jian)的(de),以(yi)此(ci)作(zuo)為(wei)衡(heng)量(liang)電(dian)池(chi)優(you)劣(lie)的(de)標(biao)準(zhun),就(jiu)已(yi)經(jing)足(zu)夠(gou)了(le)。這(zhe)裏(li)以(yi)1000mAH、1.2V規格鎳氫電池測試為例,放電電流500mA就需要采用2Ω的放電電阻,電池終止放電電壓應控製在1V以上。放電終止電壓通過可調電阻R1laitiaojiesheding。putongketiaodianzujingdujiaocha,qierongyichanshengpiaoyi,huidaozhishedinghaodezhongzhidianyasuishijiantuiyiyijishiyonghuanjingbianhuachanshengjiaodadebodong。weilebaozhengfangdianzhongzhidianyadejingzhunqieyiyusheding,R1可以使用3296係列精密可調電位器。3296多圈可調精密電位器的可調範圍一般在50T,所以每圈的調節範圍為2%,每轉動一度,阻值變化大約0.005%,所以很容易調節獲得一個精確、穩定的阻值。
終止電壓的設定必須在實際放電過程中進行,負載電阻R2阻值變動,已經設定的終止電壓也會隨之改變,需要重新設置。具體的調試方法就不再詳述了,參考一下相關資料。
[page]
這個放電電路不需要單獨的工作電源,而且與電池種類沒有相關性,完全可以適應鎘鎳、鎳氫、鋰電池、鉛(qian)酸(suan)電(dian)池(chi)各(ge)種(zhong)類(lei)型(xing)蓄(xu)電(dian)池(chi)的(de)保(bao)護(hu)性(xing)放(fang)電(dian),隻(zhi)是(shi)需(xu)要(yao)根(gen)據(ju)電(dian)池(chi)類(lei)型(xing)以(yi)及(ji)容(rong)量(liang)大(da)小(xiao)重(zhong)新(xin)設(she)置(zhi)電(dian)路(lu)的(de)終(zhong)止(zhi)電(dian)壓(ya)及(ji)放(fang)電(dian)電(dian)流(liu)。如(ru)果(guo)電(dian)池(chi)容(rong)量(liang)相(xiang)對(dui)較(jiao)高(gao),那(na)麼(me)三(san)極(ji)管(guan)VT1、VT2的耗散功率也要相應加大一些,同時不要忘了加大負載電阻R2的功率。
圖2是放電電路的印刷電路圖,元件數量少,很容易製作。

圖2 印刷電路圖
各種電池兩小時率電流放電能夠維持的放電時間一般都是在1.5小時以下的。這裏單片機計時係統使用秒計時,4位LED數碼管顯示。最大計時時間9999秒,大約2.7小時。
圖1單隻LED數碼管內部都是由8隻發光管組合而成,分別作為8的7段字型部分,以及一位小數點。這裏使用的是共陽極數碼管,內部8隻發光管的陽極是並連共同引出的,作為使能控製。
在實際電路中,L1就是第一隻數碼管的共陽極端。單片機的輸出、輸入接口數量都很有限,所以4位LED數碼管驅動都是使用動態顯示的方式。4隻獨立數碼管LED的內部a、b、c、d、e、f、g、dp這8段發光管相對應的陰極都是並連的。統一由單片機P0口8位輸出進行驅動。數碼管要顯示出數碼還必須在共陽極端同時施加正電壓才行。所以要讓4位中某一數碼管進行顯示,隻要在P0口kou輸shu出chu字zi型xing碼ma的de同tong時shi,給gei這zhe位wei數shu碼ma管guan共gong陽yang極ji端duan加jia上shang正zheng電dian壓ya就jiu行xing了le,當dang然ran與yu此ci同tong時shi其qi他ta三san位wei數shu碼ma管guan的de共gong陽yang極ji端duan要yao保bao持chi低di電dian壓ya,才cai不bu致zhi顯xian示shi出chu現xian混hun亂luan。數shu碼ma管guan共gong陽yang極ji端duan驅qu動dong電dian流liu較jiao大da,所suo以yi采cai用yong了le三san極ji管guan進jin行xing控kong製zhi。以yi第di一yi隻zhi數shu碼ma管guan為wei例li,在zaiP0端口輸出字型碼的同時,P37輸出低電平,三極管T4導通,則共陽極端L1就得到高電平了,數字就會顯示在第一隻數碼管上了。
程序設計是以單片機P37口作為計時控製端子,P37口輸入低電平,計時程序啟動,4隻數碼管顯示時間。放電電路中按下啟動按鍵,放電過程觸發,VT1導通,電池端電壓降落到放電電阻R2兩端,A端對地為高電平,通過電阻R4迫使三極管VT3導通,P37口電平就被拉低了,單片機計時程序啟動。電池電壓降到終止電壓以後,放電電路自動關閉,A端電壓消失,VT3恢複截止狀態,計時程序停止,數碼管維持顯示當前持續時間。
如要進入下次測試,首先按動單片機複位鍵,當前計時清零,等待下一次測試開始。
程序設計比較簡單。它的大致流程如下:初始化,P3端口置位,設立常量a為時間計數器,依次對a的十進製數值各位進行提取,順序輸送到P0端口,P2端口中的P24、P25、P26、P27各位是依次作為四位數碼管的使能控製端,通過P2端口的配合,就可以完成對各位數碼管的驅動,時間的動態顯示。程序進行中要不斷地檢測P3端口數值以決定計時狀態:如果電池處於放電過程之中,三極管VT3導通,將迫使P37端口電壓降到零,P3端口值就是127,單片機程序檢測到這一結果,時間常量a將自動加1,指示期間放電時間已經延續1秒種了。這1秒鍾的時間精確計算是比較麻煩的。計時程序是一個循環結構,每一周期耗用時間都是一致的。所以在使用keil軟件調試過程中,通過對時間計數寄存器sec的觀察計算,可以得出一次循環大致需要的時間。以此為據再通過適當改變延時子程序循環次數將常量a計時周期控製在1秒以下,剩餘微小的時間差就可以通過插補空指令來校正了。計時精度隻要控製在千分之一以下就可以了。在51單片機使用11.0592MHz晶體振蕩器的情況下,指令周期大約1.085weimiao,suoyijiangjishijingdukongzhizaiqianfenzhiyiyixiawentibuda。wuchazongshihuiyoude,zhinengtongguojingquejisuanlaikongzhile,yekeyitongguogenghuangenggaopinlvdejingtizhendangqitigaodanpianjishizhongpinlvdefangfalaijinyibutigaojishidejingdu。ruguofangdianguochengzhong,yiwaiyuanyinhuozherenweizhongzhifangdianguocheng,P37端口變為高電平,程序循環依舊會進行下去,隻是時間常量a停止自動加一,時間顯示維持不變。
編譯後,寫入單片機內部,做好放電電路部分與51單片機的連接,便可投入使用。
電池接入後,按動輕觸按鍵“啟動”,jiuhuijinruyicirongliangceshiguocheng,qijiandianchiquchujieru,doubuhuiyingxiangdaodanpianjijishi。dianchifangdianwanbi,danpianjishumaguanxianshisuoding,geichuzongfangdianchixushijian,danweiweimiao。keyizixingrengongjisuanfangdianxiaoshishu。dangranyeshikeyizixingduichengxujinxinggaijin,zhijieyixiaoshifenzhongxingshijinxingxianshi。zhiyaodanpianjibuduandian,shumaguanjiangchixuxianshidangqianfangdianshichang。ruguoyaojinruxiaciceliangguocheng,zhixuyaoandongdanpianjifuweijian,shumaguanqingling,danpianjichengxuzhuanruqidian,nijiukeyijinruxinyiciderongliangceshiguochengle。
chongdiandianchiruguojiaochangshijianxianzhi,tadeshijirongliangjiangshoudaoyingxiang,zhongxinqiyongdiyicinenggoushifangderongliangyuanyuandabudaobiaozhurongliang,fangdiandianyayehenbupingwen。zhishaoyaojingguosanciyishangdechongdianfangdianxunhuan,dianchiwanquanjihuo,rongliangcainenghuifudaoyingyoudeshuiping。chongfenkaolvzhezhongyinsudeyingxiang,suoyirongliangceshiyibancaiquduocipingjundefangshi,huozhexunhuanchongfangdiansanciyihoufangdianchixushijianweizhun,yicihengliangdianchirongliangcaisuanshiqiadang。
[page]
#include “reg51.h”
char
code disp[]={40,235,50,162,225,164,36,234,32,160};
//字形碼
void delay(unsigned int dt)
{ unsigned int j=0;
for(;dt>0;dt--)
{ for(j=0;j<125;j++)
{;}
}
}
void main()
{ int a,b,c,led1,led2,led3,led4;
P3=255;
a=0;
for(;;)
{b=a;
led1=b%10;
P2=239;
P0=disp[led1];
delay(6);
P2=255;
b=b/10;
led2=b%10;
P2=223;
P0=disp[led2];
delay(6);
P2=255;
b=b/10;
led3=b%10;
P2=191;
P0=disp[led3];
delay(6);
P2=255;
b=b/10;
led4=b%10;
P2=127;
P0=disp[led4];
delay(6);
P2=255;
for(c=44;c>0;c--)
{
P2=239;
P0=disp[led1];
delay(5);
P2=255;
P2=223;
P0=disp[led2];
delay(5);
P2=255;
P2=191;
P0=disp[led3];
delay(5);
P2=255;
P2=127;
P0=disp[led4];
delay(5);
P2=255;
}
if(P3==127)
delay(3);
if(P3==127)
a=a+1;
else a=a;
}
}
特別推薦
- 噪聲中提取真值!瑞盟科技推出MSA2240電流檢測芯片賦能多元高端測量場景
- 10MHz高頻運行!氮矽科技發布集成驅動GaN芯片,助力電源能效再攀新高
- 失真度僅0.002%!力芯微推出超低內阻、超低失真4PST模擬開關
- 一“芯”雙電!聖邦微電子發布雙輸出電源芯片,簡化AFE與音頻設計
- 一機適配萬端:金升陽推出1200W可編程電源,賦能高端裝備製造
技術文章更多>>
- 三星上演罕見對峙:工會集會討薪,股東隔街抗議
- 摩爾線程實現DeepSeek-V4“Day-0”支持,國產GPU適配再提速
- 築牢安全防線:智能駕駛邁向規模化應用的關鍵挑戰與破局之道
- GPT-Image 2:99%文字準確率,AI生圖告別“鬼畫符”
- 機器人馬拉鬆的勝負手:藏在主板角落裏的“時鍾戰爭”
技術白皮書下載更多>>
- 車規與基於V2X的車輛協同主動避撞技術展望
- 數字隔離助力新能源汽車安全隔離的新挑戰
- 汽車模塊拋負載的解決方案
- 車用連接器的安全創新應用
- Melexis Actuators Business Unit
- Position / Current Sensors - Triaxis Hall
熱門搜索
NFC
NFC芯片
NOR
ntc熱敏電阻
OGS
OLED
OLED麵板
OmniVision
Omron
OnSemi
PI
PLC
Premier Farnell
Recom
RF
RF/微波IC
RFID
rfid
RF連接器
RF模塊
RS
Rubycon
SATA連接器
SD連接器
SII
SIM卡連接器
SMT設備
SMU
SOC
SPANSION

