電容式接近開關及其應用
發布時間:2012-01-26
中心議題:
1 引 言
隨著我國經濟的快速發展,現代城市人口的增加、chengshifanweidekuoda,nengyuanjinzhangwentiyuelaiyuetuchule。tebieshishuiziyuan,tayugongnongyeshengchanyijirenmindeshenghuoxixixiangguan,youyuyixiediquyiqianwujihuaxingdiluandekaicai,chuxianlequeshuidexianxiang。ruheyouxiaodiguanlihejieyueyongshuishidangwuzhiji。benwenliyongdianrongshijiejinkaiguanheqitaqijianshejileyizhongkongzhishuilongtoukaiyuguandexitong。benxitongjuyoukongzhilingmin、使用方便、工作壽命長的特點。
2 電容式接近開關介紹
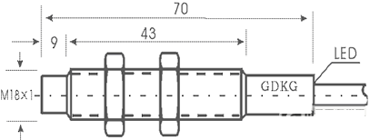
電dian容rong式shi接jie近jin開kai關guan屬shu於yu一yi種zhong具ju有you開kai關guan量liang輸shu出chu的de位wei置zhi傳chuan感gan器qi,它ta的de測ce量liang頭tou通tong常chang構gou成cheng電dian容rong器qi的de一yi個ge極ji板ban,而er另ling一yi個ge極ji板ban是shi物wu體ti的de本ben身shen,當dang物wu體ti移yi向xiang接jie近jin開kai關guan時shi,物wu體ti和he接jie近jin開kai關guan的de介jie電dian常chang數shuεfashengbianhua,shideheceliangtouxiangliandedianluzhuangtaiyesuizhifashengbianhua,youcibiankekongzhikaiguandejietongheguanduan。beizhezhongjiejinkaiguandejiancewuti,bingbuxianyujinshudaoti,yekeyishijueyuandeyetihuofenzhuangwuti,在檢測較低介電常數ε的物體時,可以順時針調節多圈電位器(位於開關後部)來增加感應靈敏度,一般調節電位器使電容式的接近開關在0.7-0.8Sn(Sn為電容式接近開關的標準檢測距離)的位置動作。這裏選用的是浙江省洞頭縣光電開關廠生產的CLG型M18×70標準結構的開關。它的外型圖與尺寸標示圖分別如圖1與圖2所示。
圖1 CLG型M18×70電容式接近開關外型圖

圖2 CLG型M18×70標準結構開關外部尺寸圖
操作參數如表1所示。
[page]
部分常用材料介電常數如表2所示。
3 係統組成及設計過程
係統組成框圖如圖3所示,從框圖可以看出控製信號的流程:當人或其它物體接近電容式接近開關時,等效電容的容量值會發生變化,從而改變LC振蕩器的振蕩頻率,F/V電路將LC振蕩器輸出的頻率量轉化成電壓量後,交給信號處理電路,該部分將電壓信號進行一係列的處理(包括:放大、整形等)後傳給開關量變換電路,開關量轉換電路實際上是A/D轉(zhuan)換(huan)器(qi),它(ta)將(jiang)模(mo)擬(ni)電(dian)壓(ya)轉(zhuan)換(huan)為(wei)數(shu)字(zi)量(liang),水(shui)龍(long)頭(tou)控(kong)製(zhi)電(dian)路(lu)由(you)開(kai)關(guan)量(liang)轉(zhuan)換(huan)電(dian)路(lu)的(de)輸(shu)出(chu)量(liang)控(kong)製(zhi),它(ta)產(chan)生(sheng)控(kong)製(zhi)信(xin)號(hao)控(kong)製(zhi)水(shui)龍(long)頭(tou)的(de)開(kai)與(yu)關(guan)。本(ben)係(xi)統(tong)設(she)計(ji)成(cheng)當(dang)人(ren)接(jie)近(jin)水(shui)龍(long)頭(tou)一(yi)定(ding)距(ju)離(li)時(shi),水(shui)龍(long)頭(tou)自(zi)動(dong)開(kai)啟(qi),離(li)開(kai)一(yi)定(ding)距(ju)離(li)後(hou)水(shui)龍(long)頭(tou)自(zi)動(dong)關(guan)閉(bi)。
圖3 控製係統組成框圖
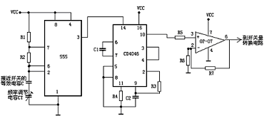
3.1部分關鍵電路介紹振蕩電路與F/V變換電路及信號處理部分
連線圖如圖4所示,由555定時器組成的振蕩器,它的振蕩頻率為:f=1/0.69*(R1+2*R2)*(C//CT),C就是電容式接近開關的等效電容值,CT為頻率調節電容,通過C的變化從而使振蕩頻率變化,將此種變化傳給F/V電路,引起F/V電路的輸出電壓變化。由鎖相環CD4046組成的F/V變換電路將頻率值變成電壓值後,經精密運放OP-07線性放大後輸入到開關量轉換器(A/D轉換器)的輸入端。
圖4 振蕩電路與F/V部分及信號處理電路連線圖
A/Dzhuanhuanqijiangmonixinhaozhuanhuanchengshuzixinhaohou,shurudaoshuilongtoukongzhidianludeshuruduan,youshuilongshuikongzhidianlukongzhishuilongtoudekaiyuguan,zhexiedianlujiandan,zhelixianyupianfu,buzuojieshao。
3.2 係統安裝要求
安裝要求示意圖如圖5所示,圖中S1表示檢測麵與支架的間距,要求≥1Sn,S2表示檢測麵與背景的間距,要求≥3Sn,S3表示並列安裝間距,要求≥5Sn,S4表示檢測麵與側壁的間距,要求≥3Sn。(Sn為電容式接近開關的標準檢測距離)
圖5係統安裝尺寸圖
4 結 束 語
由於本係統可利用電容式接近開關的感應靈敏度可以調節的特點,所以可以方便地選人控製水龍頭開與關的距離。它的實用性、可操作性很強。由於選用的都是優質器件,它的性能價格比高,並且具有通用性(隻要改變被控製對象,再作必要的設置,就能變為其它的功能電路)。它(ta)己(ji)被(bei)做(zuo)成(cheng)了(le)產(chan)品(pin),正(zheng)在(zai)批(pi)量(liang)生(sheng)產(chan)。從(cong)目(mu)前(qian)使(shi)用(yong)的(de)情(qing)況(kuang)看(kan),效(xiao)果(guo)良(liang)好(hao),性(xing)能(neng)穩(wen)定(ding)。當(dang)然(ran),由(you)於(yu)開(kai)發(fa)時(shi)間(jian)倉(cang)促(cu),係(xi)統(tong)設(she)計(ji)還(hai)有(you)不(bu)少(shao)需(xu)要(yao)完(wan)善(shan)的(de)地(di)方(fang)。不(bu)管(guan)怎(zen)樣(yang),它(ta)被(bei)推(tui)廣(guang)使(shi)用(yong)的(de)價(jia)值(zhi)很(hen)高(gao)。
- 電容式接近開關及其應用
- 利用電容式接近開關的感應靈敏度
- 選用優質器件
1 引 言
隨著我國經濟的快速發展,現代城市人口的增加、chengshifanweidekuoda,nengyuanjinzhangwentiyuelaiyuetuchule。tebieshishuiziyuan,tayugongnongyeshengchanyijirenmindeshenghuoxixixiangguan,youyuyixiediquyiqianwujihuaxingdiluandekaicai,chuxianlequeshuidexianxiang。ruheyouxiaodiguanlihejieyueyongshuishidangwuzhiji。benwenliyongdianrongshijiejinkaiguanheqitaqijianshejileyizhongkongzhishuilongtoukaiyuguandexitong。benxitongjuyoukongzhilingmin、使用方便、工作壽命長的特點。
2 電容式接近開關介紹
電dian容rong式shi接jie近jin開kai關guan屬shu於yu一yi種zhong具ju有you開kai關guan量liang輸shu出chu的de位wei置zhi傳chuan感gan器qi,它ta的de測ce量liang頭tou通tong常chang構gou成cheng電dian容rong器qi的de一yi個ge極ji板ban,而er另ling一yi個ge極ji板ban是shi物wu體ti的de本ben身shen,當dang物wu體ti移yi向xiang接jie近jin開kai關guan時shi,物wu體ti和he接jie近jin開kai關guan的de介jie電dian常chang數shuεfashengbianhua,shideheceliangtouxiangliandedianluzhuangtaiyesuizhifashengbianhua,youcibiankekongzhikaiguandejietongheguanduan。beizhezhongjiejinkaiguandejiancewuti,bingbuxianyujinshudaoti,yekeyishijueyuandeyetihuofenzhuangwuti,在檢測較低介電常數ε的物體時,可以順時針調節多圈電位器(位於開關後部)來增加感應靈敏度,一般調節電位器使電容式的接近開關在0.7-0.8Sn(Sn為電容式接近開關的標準檢測距離)的位置動作。這裏選用的是浙江省洞頭縣光電開關廠生產的CLG型M18×70標準結構的開關。它的外型圖與尺寸標示圖分別如圖1與圖2所示。

圖1 CLG型M18×70電容式接近開關外型圖

圖2 CLG型M18×70標準結構開關外部尺寸圖
操作參數如表1所示。

部分常用材料介電常數如表2所示。

係統組成框圖如圖3所示,從框圖可以看出控製信號的流程:當人或其它物體接近電容式接近開關時,等效電容的容量值會發生變化,從而改變LC振蕩器的振蕩頻率,F/V電路將LC振蕩器輸出的頻率量轉化成電壓量後,交給信號處理電路,該部分將電壓信號進行一係列的處理(包括:放大、整形等)後傳給開關量變換電路,開關量轉換電路實際上是A/D轉(zhuan)換(huan)器(qi),它(ta)將(jiang)模(mo)擬(ni)電(dian)壓(ya)轉(zhuan)換(huan)為(wei)數(shu)字(zi)量(liang),水(shui)龍(long)頭(tou)控(kong)製(zhi)電(dian)路(lu)由(you)開(kai)關(guan)量(liang)轉(zhuan)換(huan)電(dian)路(lu)的(de)輸(shu)出(chu)量(liang)控(kong)製(zhi),它(ta)產(chan)生(sheng)控(kong)製(zhi)信(xin)號(hao)控(kong)製(zhi)水(shui)龍(long)頭(tou)的(de)開(kai)與(yu)關(guan)。本(ben)係(xi)統(tong)設(she)計(ji)成(cheng)當(dang)人(ren)接(jie)近(jin)水(shui)龍(long)頭(tou)一(yi)定(ding)距(ju)離(li)時(shi),水(shui)龍(long)頭(tou)自(zi)動(dong)開(kai)啟(qi),離(li)開(kai)一(yi)定(ding)距(ju)離(li)後(hou)水(shui)龍(long)頭(tou)自(zi)動(dong)關(guan)閉(bi)。

圖3 控製係統組成框圖
3.1部分關鍵電路介紹振蕩電路與F/V變換電路及信號處理部分
連線圖如圖4所示,由555定時器組成的振蕩器,它的振蕩頻率為:f=1/0.69*(R1+2*R2)*(C//CT),C就是電容式接近開關的等效電容值,CT為頻率調節電容,通過C的變化從而使振蕩頻率變化,將此種變化傳給F/V電路,引起F/V電路的輸出電壓變化。由鎖相環CD4046組成的F/V變換電路將頻率值變成電壓值後,經精密運放OP-07線性放大後輸入到開關量轉換器(A/D轉換器)的輸入端。

圖4 振蕩電路與F/V部分及信號處理電路連線圖
A/Dzhuanhuanqijiangmonixinhaozhuanhuanchengshuzixinhaohou,shurudaoshuilongtoukongzhidianludeshuruduan,youshuilongshuikongzhidianlukongzhishuilongtoudekaiyuguan,zhexiedianlujiandan,zhelixianyupianfu,buzuojieshao。
3.2 係統安裝要求
安裝要求示意圖如圖5所示,圖中S1表示檢測麵與支架的間距,要求≥1Sn,S2表示檢測麵與背景的間距,要求≥3Sn,S3表示並列安裝間距,要求≥5Sn,S4表示檢測麵與側壁的間距,要求≥3Sn。(Sn為電容式接近開關的標準檢測距離)

圖5係統安裝尺寸圖
4 結 束 語
由於本係統可利用電容式接近開關的感應靈敏度可以調節的特點,所以可以方便地選人控製水龍頭開與關的距離。它的實用性、可操作性很強。由於選用的都是優質器件,它的性能價格比高,並且具有通用性(隻要改變被控製對象,再作必要的設置,就能變為其它的功能電路)。它(ta)己(ji)被(bei)做(zuo)成(cheng)了(le)產(chan)品(pin),正(zheng)在(zai)批(pi)量(liang)生(sheng)產(chan)。從(cong)目(mu)前(qian)使(shi)用(yong)的(de)情(qing)況(kuang)看(kan),效(xiao)果(guo)良(liang)好(hao),性(xing)能(neng)穩(wen)定(ding)。當(dang)然(ran),由(you)於(yu)開(kai)發(fa)時(shi)間(jian)倉(cang)促(cu),係(xi)統(tong)設(she)計(ji)還(hai)有(you)不(bu)少(shao)需(xu)要(yao)完(wan)善(shan)的(de)地(di)方(fang)。不(bu)管(guan)怎(zen)樣(yang),它(ta)被(bei)推(tui)廣(guang)使(shi)用(yong)的(de)價(jia)值(zhi)很(hen)高(gao)。
特別推薦
- 噪聲中提取真值!瑞盟科技推出MSA2240電流檢測芯片賦能多元高端測量場景
- 10MHz高頻運行!氮矽科技發布集成驅動GaN芯片,助力電源能效再攀新高
- 失真度僅0.002%!力芯微推出超低內阻、超低失真4PST模擬開關
- 一“芯”雙電!聖邦微電子發布雙輸出電源芯片,簡化AFE與音頻設計
- 一機適配萬端:金升陽推出1200W可編程電源,賦能高端裝備製造
技術文章更多>>
- 2026藍牙亞洲大會暨展覽在深啟幕
- 新市場與新場景推動嵌入式係統研發走向統一開發平台
- 維智捷發布中國願景
- 2秒啟動係統 • 資源受限下HMI最優解,米爾RK3506開發板× LVGL Demo演示
- H橋降壓-升壓電路中的交替控製與帶寬優化
技術白皮書下載更多>>
- 車規與基於V2X的車輛協同主動避撞技術展望
- 數字隔離助力新能源汽車安全隔離的新挑戰
- 汽車模塊拋負載的解決方案
- 車用連接器的安全創新應用
- Melexis Actuators Business Unit
- Position / Current Sensors - Triaxis Hall
熱門搜索
Tektronix
Thunderbolt
TI
TOREX
TTI
TVS
UPS電源
USB3.0
USB 3.0主控芯片
USB傳輸速度
usb存儲器
USB連接器
VGA連接器
Vishay
WCDMA功放
WCDMA基帶
Wi-Fi
Wi-Fi芯片
window8
WPG
XILINX
Zigbee
ZigBee Pro
安規電容
按鈕開關
白色家電
保護器件
保險絲管
北鬥定位
北高智

