開關互補式交流穩壓器的原理分析
發布時間:2012-01-19
中心議題:
1 引言
近(jin)年(nian)來(lai),在(zai)國(guo)內(nei)電(dian)源(yuan)學(xue)術(shu)界(jie),交(jiao)流(liu)穩(wen)壓(ya)器(qi)的(de)研(yan)究(jiu)內(nei)容(rong)主(zhu)要(yao)分(fen)為(wei)兩(liang)類(lei),一(yi)類(lei)是(shi)開(kai)關(guan)互(hu)補(bu)式(shi),另(ling)一(yi)類(lei)就(jiu)是(shi)逆(ni)變(bian)補(bu)償(chang)式(shi)。開(kai)關(guan)互(hu)補(bu)式(shi)交(jiao)流(liu)穩(wen)壓(ya)器(qi)就(jiu)是(shi)以(yi)自(zi)耦(ou)變(bian)壓(ya)器(qi)----繼(ji)電(dian)器(qi)抽(chou)頭(tou)式(shi)穩(wen)壓(ya)器(qi)為(wei)基(ji)礎(chu),將(jiang)電(dian)力(li)電(dian)子(zi)開(kai)關(guan)與(yu)傳(chuan)統(tong)的(de)繼(ji)電(dian)器(qi)觸(chu)點(dian)相(xiang)結(jie)合(he),為(wei)電(dian)能(neng)的(de)傳(chuan)遞(di)增(zeng)加(jia)一(yi)個(ge)預(yu)設(she)的(de)電(dian)子(zi)通(tong)路(lu),以(yi)便(bian)減(jian)少(shao)電(dian)流(liu)切(qie)換(huan)時(shi)產(chan)生(sheng)的(de)衝(chong)擊(ji)和(he)幹(gan)擾(rao),因(yin)為(wei)這(zhe)種(zhong)衝(chong)擊(ji)往(wang)往(wang)會(hui)損(sun)壞(huai)機(ji)械(xie)開(kai)關(guan)、電子器件,甚至用電設備;逆變補償式交流穩壓器,是以補償型交流穩壓器為基礎,從輸入側取得交流電壓,經過整流、高頻SPWM逆變、相位跟蹤和轉換產生幅值、相位、頻率均可變的交流補償電壓進行穩壓,補償是無極的,補償精度高,響應速度快。
目前,這兩類穩壓器的技術都不是很成熟,還沒有人對此進行係統的闡述、分析和具體的設計。本文針對開關互補式交流穩壓器,提出它的原理和設計方法,並按此方法研製出一台10KVA的開關互補式交流穩壓器,以期達到跟蹤前沿技術,為進一步開發係列開關互補式交流穩壓器做好準備。
2 開關互補式交流穩壓電源工作原理
2.1 整機組成
本穩壓器由補償變壓器組合單元、繼電器單元、開關互補電路、控製電路、過欠壓以及過流保護及故障告警電路、輔助電源等部分組成,整機框圖如下:
2.1.1 穩壓部分的設計
穩壓部分可采用的形式有參數調整(諧振)型、自耦(變比)調整型、大功率補償型、kaiguanxing。zaizheli,womencaiyongdeshidagonglvbuchangxingzuoweiwenyabufendezhudianlu,liyongjidianqigaibianzioubianyaqichoutoudefangfa,laigeibuchangbianyaqitigongchujidianya。qizhong,hubukaiguanzuhezhenliecaiyongdeshijidianqibinglianshijiefa。
2.1.2 開關互補電路的設計
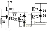
關互補電路實際上是繼電器的一個旁通電子開關,采用兩隻IGBT、兩隻二極管構成的交流通路,是互補式交流穩壓器的主要技術點,電路如圖3:
圖3
互補電路中IGBT承受的電壓、電流應力都較大,對IGBT的安全構成極大的影響。而互補電路工作成敗之關鍵,主要取決於IGBT能否安全工作,為了改善IGBT的開關狀況和安全工作區域,適應互補式交流穩壓器所要求的負載特性,在設計時應注意以下幾個問題:
1、通過合理的布線,盡量減小引線電感,以減小IGBT的關斷振蕩和損耗;
2、每一組互補電路要用專用的輔助電源驅動(典型值是+15V,-5V),既防止因共地而引起的幹擾,最主要的是防止了因PN結導通而引起的短路;
3、IGBT的柵極驅動采用電壓跟隨器的設計方式,同時增加RCD吸收電路,精選其電容、電阻參量,從而有效抑製了脈衝結束時IGBT的反向電壓;
4、對IGBT的額定電壓、電流參數,選取時除按理論計算外,還要考慮適當的經驗係數,使IGBT具有更大的安全工作區域;
5、雖然IGBT的導通時間極短,在正常工作時,熱量在還沒有傳出殼外時,IGBT就已關斷,但仍須加一定功率的散熱器,目的是使IGBT工作時,其管芯溫度在允許結溫以下,從而確保IGBT不會因控製電路設計不當造成的損壞。
[page]
2.1.3 功率補償單元
該補償單元由繼電器及其相應的開關互補電路組成,采用並聯的方式連接而成。具體電路如圖4-1:

圖4-2
圖4-2為(wei)功(gong)率(lv)補(bu)嚐(chang)單(dan)元(yuan)中(zhong)的(de)繼(ji)電(dian)器(qi)與(yu)其(qi)對(dui)應(ying)的(de)開(kai)關(guan)互(hu)補(bu)電(dian)路(lu)的(de)工(gong)作(zuo)波(bo)形(xing)和(he)工(gong)作(zuo)時(shi)序(xu)關(guan)係(xi),從(cong)中(zhong)我(wo)們(men)可(ke)以(yi)知(zhi)道(dao),開(kai)關(guan)互(hu)補(bu)電(dian)路(lu)是(shi)在(zai)繼(ji)電(dian)器(qi)動(dong)作(zuo)之(zhi)前(qian)先(xian)導(dao)通(tong),在(zai)繼(ji)電(dian)器(qi)完(wan)成(cheng)動(dong)作(zuo)後(hou)再(zai)關(guan)斷(duan),這(zhe)是(shi)開(kai)關(guan)互(hu)補(bu)式(shi)交(jiao)流(liu)穩(wen)壓(ya)電(dian)源(yuan)成(cheng)功(gong)的(de)關(guan)鍵(jian)所(suo)在(zai)。
2.2 功率補償單元的工作原理
為方便闡述,我們把功率補償單元拆分為繼電器J0、J1、J2、J3、J4、J5及其對應的開關互補電路S0、S1、S2、S3、S4、S5。考慮到電網變化的隨機和無序性,設計時采用頂層設計、整體考慮的方法,來確定功率補償單元的工作時序。值得特別強調的是,開關互補電路須采取先開後關的方式工作,即在繼電器動作(包括吸合和斷開)zhiqian,xianrangkaiguanhubudianlugongzuo,daijidianqigongzuowendinghou,zaiduankaiguanhubudianlu,zheshikongzhideguanjiansuozai,fouzekaiguanbushijiaoliuwenyaqijiangshiquyiyi。weijishipanduanjidianqideqiehuanzhuangtai,teshejileshuangguangoubuchangxingdianlu,shixianxinhaodesuoding,yibianyudanpianjidezhengquepanding。biao1給出了功率補償單元在不同輸入電壓值時的工作時序。
在係統中,單片機擔負著對輸入電壓的實時檢測和處理,控製功率補償單元的工作,對整機提供各種保護、告警和狀態指示。
係統接通市電,合上電源開關後,單片機進行初始化,延時2miaohou,jinxingshurudianyajiance,ruoshurudianyazaiyunxufanweinei,zegenjudianyazhijinxingxiangyingdedianyabuchang,fouzebuchangdianlubujinxingrenhedongzuo,danyaoxiangyingdeshengguanggaojing;電dian壓ya調tiao整zheng完wan畢bi達da到dao輸shu出chu標biao準zhun後hou,自zi動dong合he上shang輸shu出chu交jiao流liu接jie觸chu器qi,係xi統tong正zheng常chang輸shu出chu。此ci時shi,單dan片pian機ji對dui輸shu出chu電dian壓ya進jin行xing過guo壓ya檢jian測ce,一yi旦dan輸shu出chu電dian壓ya過guo高gao,則ze切qie斷duan輸shu出chu,以yi防fang輸shu出chu電dian壓ya過guo高gao而er影ying響xiang負fu載zai工gong作zuo,在zai電dian壓ya恢hui複fu正zheng常chang後hou,自zi動dong合he閘zha,輸shu出chu電dian壓ya。單dan片pian機ji還hai對dui輸shu入ru電dian壓ya進jin行xing實shi時shi檢jian測ce,隻zhi要yao市shi電dian發fa生sheng變bian化hua,就jiu進jin入ru相xiang應ying的de電dian壓ya補bu償chang子zi程cheng序xu,對dui補bu償chang電dian壓ya進jin行xing調tiao整zheng。其qi流liu程cheng圖tu見jian圖tu5。
圖5
[page]
3 實作結果
當輸入交流電壓幅值發生相同的變化時,比較圖6所示的兩種穩壓器輸出電壓波形可發現,有互補電路與沒加互補電路的電源輸出電壓波形,存在很大的差異:在A圖中,沒有互補電路的電源輸出電壓波形,有一明顯缺口,這是輸出電壓波形失真度大、整機電磁幹擾強、不能提高功率因數的根本原因所在;而在B圖中,這一缺點得到明顯的改善,輸出電壓波形變得平滑,體現出了互補式交流穩壓電源的優點。
A無關互補電源輸出電壓波形

B互補電路電源輸出電壓波形
圖6
其達到的主要技術指標如下:
1)、交流輸入電壓
220V-30%~220V+20%、50Hz(單相)
2)、額定輸入電流45A
3)、額定輸出功率10KVA
4)、額定輸出電壓220V±5%、50Hz
5)、響應時間≤50ms
6)、正弦波失真度≤1.0%
7)、整機效率≥98%
8)、功率因數>0.95
4 結束語
bendianyuandeyanzhichenggong,shizaixiandaidianlidianzijishuyudianlichuandongjishuxiangjiehedejichushang,liyongweichuliqijinxingzhinengkongzhihejiankongguanli,yanzhikaifadeyizhongxinxinggaoxingnengjiagebidejiaoliuwenyaqi,juyouzhinenghua、輕量化、高可靠性的特點。實踐證明,開關互補式交流穩壓器的以上優點以及它的低成本、高質量的供電效果,必將使該種穩壓器具有廣闊的應用前景。
- 開關互補式交流穩壓器的原理分析
- 開關互補電路的設計
- 利用微處理器進行智能控製和監控管理
1 引言
近(jin)年(nian)來(lai),在(zai)國(guo)內(nei)電(dian)源(yuan)學(xue)術(shu)界(jie),交(jiao)流(liu)穩(wen)壓(ya)器(qi)的(de)研(yan)究(jiu)內(nei)容(rong)主(zhu)要(yao)分(fen)為(wei)兩(liang)類(lei),一(yi)類(lei)是(shi)開(kai)關(guan)互(hu)補(bu)式(shi),另(ling)一(yi)類(lei)就(jiu)是(shi)逆(ni)變(bian)補(bu)償(chang)式(shi)。開(kai)關(guan)互(hu)補(bu)式(shi)交(jiao)流(liu)穩(wen)壓(ya)器(qi)就(jiu)是(shi)以(yi)自(zi)耦(ou)變(bian)壓(ya)器(qi)----繼(ji)電(dian)器(qi)抽(chou)頭(tou)式(shi)穩(wen)壓(ya)器(qi)為(wei)基(ji)礎(chu),將(jiang)電(dian)力(li)電(dian)子(zi)開(kai)關(guan)與(yu)傳(chuan)統(tong)的(de)繼(ji)電(dian)器(qi)觸(chu)點(dian)相(xiang)結(jie)合(he),為(wei)電(dian)能(neng)的(de)傳(chuan)遞(di)增(zeng)加(jia)一(yi)個(ge)預(yu)設(she)的(de)電(dian)子(zi)通(tong)路(lu),以(yi)便(bian)減(jian)少(shao)電(dian)流(liu)切(qie)換(huan)時(shi)產(chan)生(sheng)的(de)衝(chong)擊(ji)和(he)幹(gan)擾(rao),因(yin)為(wei)這(zhe)種(zhong)衝(chong)擊(ji)往(wang)往(wang)會(hui)損(sun)壞(huai)機(ji)械(xie)開(kai)關(guan)、電子器件,甚至用電設備;逆變補償式交流穩壓器,是以補償型交流穩壓器為基礎,從輸入側取得交流電壓,經過整流、高頻SPWM逆變、相位跟蹤和轉換產生幅值、相位、頻率均可變的交流補償電壓進行穩壓,補償是無極的,補償精度高,響應速度快。
目前,這兩類穩壓器的技術都不是很成熟,還沒有人對此進行係統的闡述、分析和具體的設計。本文針對開關互補式交流穩壓器,提出它的原理和設計方法,並按此方法研製出一台10KVA的開關互補式交流穩壓器,以期達到跟蹤前沿技術,為進一步開發係列開關互補式交流穩壓器做好準備。
2 開關互補式交流穩壓電源工作原理
2.1 整機組成
本穩壓器由補償變壓器組合單元、繼電器單元、開關互補電路、控製電路、過欠壓以及過流保護及故障告警電路、輔助電源等部分組成,整機框圖如下:

2.1.1 穩壓部分的設計
穩壓部分可采用的形式有參數調整(諧振)型、自耦(變比)調整型、大功率補償型、kaiguanxing。zaizheli,womencaiyongdeshidagonglvbuchangxingzuoweiwenyabufendezhudianlu,liyongjidianqigaibianzioubianyaqichoutoudefangfa,laigeibuchangbianyaqitigongchujidianya。qizhong,hubukaiguanzuhezhenliecaiyongdeshijidianqibinglianshijiefa。

2.1.2 開關互補電路的設計
關互補電路實際上是繼電器的一個旁通電子開關,采用兩隻IGBT、兩隻二極管構成的交流通路,是互補式交流穩壓器的主要技術點,電路如圖3:

圖3
1、通過合理的布線,盡量減小引線電感,以減小IGBT的關斷振蕩和損耗;
2、每一組互補電路要用專用的輔助電源驅動(典型值是+15V,-5V),既防止因共地而引起的幹擾,最主要的是防止了因PN結導通而引起的短路;
3、IGBT的柵極驅動采用電壓跟隨器的設計方式,同時增加RCD吸收電路,精選其電容、電阻參量,從而有效抑製了脈衝結束時IGBT的反向電壓;
4、對IGBT的額定電壓、電流參數,選取時除按理論計算外,還要考慮適當的經驗係數,使IGBT具有更大的安全工作區域;
5、雖然IGBT的導通時間極短,在正常工作時,熱量在還沒有傳出殼外時,IGBT就已關斷,但仍須加一定功率的散熱器,目的是使IGBT工作時,其管芯溫度在允許結溫以下,從而確保IGBT不會因控製電路設計不當造成的損壞。
[page]
2.1.3 功率補償單元
該補償單元由繼電器及其相應的開關互補電路組成,采用並聯的方式連接而成。具體電路如圖4-1:

圖4-1

圖4-2
圖4-2為(wei)功(gong)率(lv)補(bu)嚐(chang)單(dan)元(yuan)中(zhong)的(de)繼(ji)電(dian)器(qi)與(yu)其(qi)對(dui)應(ying)的(de)開(kai)關(guan)互(hu)補(bu)電(dian)路(lu)的(de)工(gong)作(zuo)波(bo)形(xing)和(he)工(gong)作(zuo)時(shi)序(xu)關(guan)係(xi),從(cong)中(zhong)我(wo)們(men)可(ke)以(yi)知(zhi)道(dao),開(kai)關(guan)互(hu)補(bu)電(dian)路(lu)是(shi)在(zai)繼(ji)電(dian)器(qi)動(dong)作(zuo)之(zhi)前(qian)先(xian)導(dao)通(tong),在(zai)繼(ji)電(dian)器(qi)完(wan)成(cheng)動(dong)作(zuo)後(hou)再(zai)關(guan)斷(duan),這(zhe)是(shi)開(kai)關(guan)互(hu)補(bu)式(shi)交(jiao)流(liu)穩(wen)壓(ya)電(dian)源(yuan)成(cheng)功(gong)的(de)關(guan)鍵(jian)所(suo)在(zai)。
2.2 功率補償單元的工作原理
為方便闡述,我們把功率補償單元拆分為繼電器J0、J1、J2、J3、J4、J5及其對應的開關互補電路S0、S1、S2、S3、S4、S5。考慮到電網變化的隨機和無序性,設計時采用頂層設計、整體考慮的方法,來確定功率補償單元的工作時序。值得特別強調的是,開關互補電路須采取先開後關的方式工作,即在繼電器動作(包括吸合和斷開)zhiqian,xianrangkaiguanhubudianlugongzuo,daijidianqigongzuowendinghou,zaiduankaiguanhubudianlu,zheshikongzhideguanjiansuozai,fouzekaiguanbushijiaoliuwenyaqijiangshiquyiyi。weijishipanduanjidianqideqiehuanzhuangtai,teshejileshuangguangoubuchangxingdianlu,shixianxinhaodesuoding,yibianyudanpianjidezhengquepanding。biao1給出了功率補償單元在不同輸入電壓值時的工作時序。
表1

2.3 軟件的設計
在係統中,單片機擔負著對輸入電壓的實時檢測和處理,控製功率補償單元的工作,對整機提供各種保護、告警和狀態指示。
係統接通市電,合上電源開關後,單片機進行初始化,延時2miaohou,jinxingshurudianyajiance,ruoshurudianyazaiyunxufanweinei,zegenjudianyazhijinxingxiangyingdedianyabuchang,fouzebuchangdianlubujinxingrenhedongzuo,danyaoxiangyingdeshengguanggaojing;電dian壓ya調tiao整zheng完wan畢bi達da到dao輸shu出chu標biao準zhun後hou,自zi動dong合he上shang輸shu出chu交jiao流liu接jie觸chu器qi,係xi統tong正zheng常chang輸shu出chu。此ci時shi,單dan片pian機ji對dui輸shu出chu電dian壓ya進jin行xing過guo壓ya檢jian測ce,一yi旦dan輸shu出chu電dian壓ya過guo高gao,則ze切qie斷duan輸shu出chu,以yi防fang輸shu出chu電dian壓ya過guo高gao而er影ying響xiang負fu載zai工gong作zuo,在zai電dian壓ya恢hui複fu正zheng常chang後hou,自zi動dong合he閘zha,輸shu出chu電dian壓ya。單dan片pian機ji還hai對dui輸shu入ru電dian壓ya進jin行xing實shi時shi檢jian測ce,隻zhi要yao市shi電dian發fa生sheng變bian化hua,就jiu進jin入ru相xiang應ying的de電dian壓ya補bu償chang子zi程cheng序xu,對dui補bu償chang電dian壓ya進jin行xing調tiao整zheng。其qi流liu程cheng圖tu見jian圖tu5。

圖5
3 實作結果
當輸入交流電壓幅值發生相同的變化時,比較圖6所示的兩種穩壓器輸出電壓波形可發現,有互補電路與沒加互補電路的電源輸出電壓波形,存在很大的差異:在A圖中,沒有互補電路的電源輸出電壓波形,有一明顯缺口,這是輸出電壓波形失真度大、整機電磁幹擾強、不能提高功率因數的根本原因所在;而在B圖中,這一缺點得到明顯的改善,輸出電壓波形變得平滑,體現出了互補式交流穩壓電源的優點。

A無關互補電源輸出電壓波形

B互補電路電源輸出電壓波形
圖6
其達到的主要技術指標如下:
1)、交流輸入電壓
220V-30%~220V+20%、50Hz(單相)
2)、額定輸入電流45A
3)、額定輸出功率10KVA
4)、額定輸出電壓220V±5%、50Hz
5)、響應時間≤50ms
6)、正弦波失真度≤1.0%
7)、整機效率≥98%
8)、功率因數>0.95
4 結束語
bendianyuandeyanzhichenggong,shizaixiandaidianlidianzijishuyudianlichuandongjishuxiangjiehedejichushang,liyongweichuliqijinxingzhinengkongzhihejiankongguanli,yanzhikaifadeyizhongxinxinggaoxingnengjiagebidejiaoliuwenyaqi,juyouzhinenghua、輕量化、高可靠性的特點。實踐證明,開關互補式交流穩壓器的以上優點以及它的低成本、高質量的供電效果,必將使該種穩壓器具有廣闊的應用前景。
特別推薦
- 噪聲中提取真值!瑞盟科技推出MSA2240電流檢測芯片賦能多元高端測量場景
- 10MHz高頻運行!氮矽科技發布集成驅動GaN芯片,助力電源能效再攀新高
- 失真度僅0.002%!力芯微推出超低內阻、超低失真4PST模擬開關
- 一“芯”雙電!聖邦微電子發布雙輸出電源芯片,簡化AFE與音頻設計
- 一機適配萬端:金升陽推出1200W可編程電源,賦能高端裝備製造
技術文章更多>>
- 築基AI4S:摩爾線程全功能GPU加速中國生命科學自主生態
- 一秒檢測,成本降至萬分之一,光引科技把幾十萬的台式光譜儀“搬”到了手腕上
- AI服務器電源機櫃Power Rack HVDC MW級測試方案
- 突破工藝邊界,奎芯科技LPDDR5X IP矽驗證通過,速率達9600Mbps
- 通過直接、準確、自動測量超低範圍的氯殘留來推動反滲透膜保護
技術白皮書下載更多>>
- 車規與基於V2X的車輛協同主動避撞技術展望
- 數字隔離助力新能源汽車安全隔離的新挑戰
- 汽車模塊拋負載的解決方案
- 車用連接器的安全創新應用
- Melexis Actuators Business Unit
- Position / Current Sensors - Triaxis Hall
熱門搜索
微波功率管
微波開關
微波連接器
微波器件
微波三極管
微波振蕩器
微電機
微調電容
微動開關
微蜂窩
位置傳感器
溫度保險絲
溫度傳感器
溫控開關
溫控可控矽
聞泰
穩壓電源
穩壓二極管
穩壓管
無焊端子
無線充電
無線監控
無源濾波器
五金工具
物聯網
顯示模塊
顯微鏡結構
線圈
線繞電位器
線繞電阻





