便攜應用的無源OLED供電方案
發布時間:2011-12-29
中心議題:
- OLED顯示器的供電方案
解決方案:
- 升壓轉換器的選型
- 雙輸出電壓的選擇
- 故障檢測
- 時鍾同步設計
- 軟啟動控製和輸入電壓斷開
因為目前許多OLED顯示器被用於便攜應用,因此功耗特別重要。本文介紹OLED顯示器的節能供電方案,主要內容包括:升壓轉換器的選型、雙輸出電壓的選擇、故障檢測、時鍾同步設計、軟啟動控製和輸入電壓斷開、滿足功能要求的OLED器件等。
有機發光二極管顯示器(OLED)是一種即將給顯示器產業帶來革命性變化的新興技術。OLED采用的有機材料在有電流流過時會發光,OLED與目前的LCD技術相比具有許多優點。其中一個優點是容易製造,最終可形成更低成本的顯示器。性能的優勢包括更快的響應時間、更寬的視角、更低的功耗和更亮/更高對比度的圖像。最核心的優點是OLED采用一種自發光技術,因此不需要背光。這不僅能節省功耗,而且可以實現隻有1mm厚度的顯示器。
與LCD顯示器相似,OLED顯示器提供無源矩陣和有源矩陣兩種配置。在采用無源矩陣時,顯示器被連接成為二極管柵格,每個二極管構成一個獨立的OLED像素。可以使用外部驅動電路一次點亮一行柵格。相反,有源矩陣顯示器內含晶體管,像素可以被連續點亮。然而OLED與LCD不同的是,OLED采用電流驅動矩陣模式,這會增加有源矩陣設計的複雜性,因此目前大批量的OLED仍采用無源矩陣產品(PMOLED)。這些PMOLED可用於各種設備,包括蜂窩電話、汽車立體聲音響、MP3播放器和其它消費類產品。
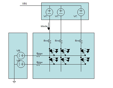
OLED顯示器的供電
因為目前許多OLED顯xian示shi器qi被bei用yong於yu便bian攜xie應ying用yong,因yin此ci功gong耗hao特te別bie重zhong要yao。任ren何he電dian源yuan芯xin片pian都dou必bi須xu工gong作zuo在zai最zui高gao效xiao率lv,以yi盡jin可ke能neng節jie省sheng功gong率lv,延yan長chang電dian池chi壽shou命ming,特te別bie是shi在zai顯xian示shi器qi不bu工gong作zuo的de時shi候hou。
OLEDxianshiqidedianyuanyaoqiuyuxuduoyinsuyouguan。youyuxianshiqishidianliuqudongde,yincifengzhidianliuyaoqiuqujueyutongyishijianbeidianliangdexiangsuzongshuliangyijiqudongtamendezuidadianliuzhi。xianshiqudongdianluyehuixiaohaobufendianliu。dianyayaoqiuqujueyuerjiguandeqianxiangyajiang、顯示器內部互連(往往呈現阻性)的壓降以及顯示器驅動器所需的所有壓降(見圖1)。

圖1:OLED顯示器驅動
在本例中,所需的最大電壓由以下公式給出:
![]()
其中:V二極管是二極管的前向壓降;I二極管是流經二極管的電流;Rcol是列連接的電阻;Rrow是行金屬的電阻;VCD是列驅動器所需的開銷;VRD是行驅動器所需的開銷;在典型應用中,VIN大約為20V。
峰值電流等於:
![]()
其中:I二極管是流經二極管的電流;X像素是一次點亮的像素數量;ICD是供給列驅動器的電流;IRD是供給行驅動器的電流。
[page]
便攜顯示器的節能
對於帶LCD顯示器的便攜式設備來說,如果一段時間不工作,常見的做法是關掉背光燈,幾秒鍾後再把顯示器完全斷電。而OLED顯示器沒有背光燈,因此一段時間不工作後通常屏幕就會暗下來,再過一段時間斷電。從公式1可ke以yi看kan出chu,如ru果guo減jian少shao顯xian示shi器qi的de電dian流liu,所suo需xu的de最zui大da電dian壓ya也ye會hui降jiang低di。在zai供gong電dian電dian壓ya恒heng定ding的de典dian型xing應ying用yong中zhong,這zhe一yi額e外wai電dian壓ya將jiang降jiang在zai列lie驅qu動dong器qi上shang,從cong而er造zao成cheng額e外wai的de功gong耗hao和he能neng源yuan浪lang費fei。通tong過guo減jian少shao供gong電dian電dian壓ya,這zhe一yi能neng量liang就jiu不bu會hui再zai消xiao耗hao在zai列lie驅qu動dong器qi上shang,係xi統tong效xiao率lv也ye就jiu得de到dao了le提ti高gao。
OLED電源芯片
目前市場上已經有專門給便攜式設備中的PMOLEDxianshiqigongdiandexinxingqijian。shihezheleiyingyongdelixiangdianyuanqijianyinggaijuyouyigefeichanggaoxiaodeshengyazhuanhuanqi,nenggouzaibianxieyingyongzhongdedianchidianyaxiagongzuo,huozhezaiqijianzhongdeyuzhengliugongdianxiagongzuo。shuchufuzaiduankaihedidaijidianliudenggongnengduijiangdixianshiqibubeizhaomingshidianchideloudianyouhenzhongyaodezuoyong。lixiangdeqijianhaiyaoqiuwaibuyuanjianshaohefengzhuangchicunxiao,yijinkenengjianxiaomuqianjincouxingshouchishebeidewaixingchicun。
升壓轉換器
使用的升壓轉換器應該能在2.4V到5.5V電壓範圍內工作。這一範圍覆蓋了鋰離子電池的全部輸入範圍,還應能在預整流的3V或5V軌下工作。這類應用要求的輸出電壓範圍是12~25V。最優化的電源芯片設計還將集成升壓FET和肖特基二極管,從而減少對外部元件的需求。1.2A FET一般支持高達28V的輸出電壓,效率可達90%。
為wei了le使shi升sheng壓ya電dian路lu工gong作zuo在zai最zui佳jia狀zhuang態tai下xia,選xuan擇ze正zheng確que的de元yuan件jian非fei常chang重zhong要yao。需xu要yao考kao慮lv的de主zhu要yao元yuan件jian是shi電dian感gan和he輸shu出chu電dian容rong,因yin為wei它ta們men將jiang影ying響xiang到dao升sheng壓ya控kong製zhi環huan路lu的de穩wen定ding性xing。一yi些xie升sheng壓ya轉zhuan換huan器qi采cai用yong的de外wai部bu補bu償chang電dian路lu同tong樣yang需xu要yao合he理li選xuan擇ze補bu償chang元yuan件jian。另ling外wai一yi種zhong方fang法fa是shi采cai用yong內nei部bu補bu償chang網wang絡luo。這zhe種zhong設she計ji要yao求qiu電dian感gan和he電dian容rong值zhi在zai一yi定ding範fan圍wei內nei,設she計ji手shou冊ce中zhong通tong常chang會hui提ti供gong表biao格ge幫bang助zhu選xuan擇ze器qi件jian。電dian感gan值zhi將jiang影ying響xiang到dao電dian感gan尺chi寸cun。為wei了le實shi現xian較jiao小xiao的de器qi件jian尺chi寸cun,推tui薦jian使shi用yong能neng與yu3.3UH的(de)小(xiao)電(dian)感(gan)工(gong)作(zuo)的(de)器(qi)件(jian)。然(ran)而(er),低(di)的(de)電(dian)感(gan)值(zhi)可(ke)能(neng)導(dao)致(zhi)器(qi)件(jian)工(gong)作(zuo)在(zai)不(bu)連(lian)續(xu)的(de)模(mo)式(shi),從(cong)而(er)增(zeng)加(jia)輸(shu)出(chu)紋(wen)波(bo)。因(yin)此(ci)最(zui)好(hao)選(xuan)擇(ze)能(neng)保(bao)持(chi)連(lian)續(xu)工(gong)作(zuo)模(mo)式(shi)的(de)電(dian)感(gan)值(zhi)。選(xuan)擇(ze)的(de)電(dian)感(gan)還(hai)必(bi)須(xu)能(neng)夠(gou)承(cheng)受(shou)應(ying)用(yong)要(yao)求(qiu)的(de)峰(feng)值(zhi)和(he)平(ping)均(jun)電(dian)流(liu)。這(zhe)些(xie)值(zhi)由(you)以(yi)下(xia)公(gong)式(shi)得(de)到(dao):


其中:ΔIL是電感電流的紋波峰峰值,單位是A;L是電感值,單位是H;FOSC是開關頻率。
輸出電容的選擇原則是確保升壓環路的穩定工作。輸出電容容量越高,輸出電壓的紋波就越小。具體選擇時需要在紋波和元件數量/成本之間做出折衷。輸入端電容用於將輸入電流和經過電阻的開關電流隔離。在本應用中,推薦使用10~15UF範圍的電容。
雙輸出電壓選擇
如上所述,當OLED工作在暗的模式時可以通過降低輸出電壓顯著地節省功耗。因此為OLED電(dian)源(yuan)選(xuan)擇(ze)的(de)最(zui)佳(jia)電(dian)源(yuan)芯(xin)片(pian)應(ying)包(bao)含(han)能(neng)夠(gou)提(ti)供(gong)這(zhe)一(yi)功(gong)能(neng)的(de)電(dian)路(lu)。采(cai)用(yong)兩(liang)條(tiao)獨(du)立(li)的(de)反(fan)饋(kui)路(lu)徑(jing)就(jiu)可(ke)實(shi)現(xian)這(zhe)一(yi)功(gong)能(neng),而(er)且(qie)這(zhe)兩(liang)條(tiao)反(fan)饋(kui)路(lu)徑(jing)可(ke)以(yi)通(tong)過(guo)簡(jian)單(dan)的(de)邏(luo)輯(ji)輸(shu)入(ru)進(jin)行(xing)選(xuan)擇(ze)。因(yin)此(ci)通(tong)過(guo)這(zhe)種(zhong)方(fang)法(fa)就(jiu)可(ke)簡(jian)單(dan)地(di)實(shi)現(xian)PMOLED中使用的亮→暗→關節電技術。
輸shu出chu電dian壓ya由you連lian接jie在zai輸shu出chu引yin腳jiao和he反fan饋kui參can考kao引yin腳jiao間jian的de分fen壓ya器qi進jin行xing設she置zhi。反fan饋kui電dian壓ya與yu內nei部bu設she置zhi的de參can考kao電dian壓ya比bi較jiao後hou用yong於yu控kong製zhi輸shu出chu電dian壓ya。輸shu出chu電dian壓ya的de精jing度du取qu決jue於yu反fan饋kui參can考kao電dian壓ya的de精jing度du和he反fan饋kui網wang絡luo中zhong使shi用yong的de電dian阻zu值zhi。
典型的反饋電壓是1.15V±2%。當選擇引腳(SEL)設置為低時,FB0反饋引腳就與參考電壓進行比較,FB1引腳接地,用以提供反饋參考地。當SEL為高時,FB1用作參考電壓,FB0接地。輸出電壓可用公式5和公式6計算:
當SEL=0時,

當SEL=1時,

故障檢測
為保護IC和外部元件,集成眾多保護電路也非常重要。這些功能應包括:
1. 欠壓閉鎖,確保器件隻在輸入電壓大於最小要求電壓時才工作;
2. 過流保護,監視開關電流,將電流限製在器件允許的最大電流值以下;
3. 過壓閉鎖,當輸出電壓超過器件允許的最大值時,器件停止工作;
4. 過溫保護,當裸片溫度超過預設最大值時關閉器件。
[page]
時鍾同步
在zai便bian攜xie式shi設she備bei中zhong,時shi鍾zhong噪zao聲sheng和he串chuan擾rao將jiang成cheng為wei主zhu要yao考kao慮lv的de因yin素su。將jiang開kai關guan設she備bei與yu外wai部bu時shi鍾zhong同tong步bu從cong而er將jiang所suo有you時shi鍾zhong鎖suo定ding於yu單dan一yi頻pin率lv,有you助zhu於yu產chan品pin設she計ji師shi減jian少shao這zhe些xie問wen題ti。對dui於yu時shi鍾zhong沒mei有you問wen題ti的de設she備bei來lai說shuo,電dian源yuan也ye應ying能neng自zi己ji同tong步bu。在zai1MHz範圍內的高頻率時鍾可提供最佳的效率,也有助於減小器件尺寸。一個高效的IC應能夠自同步於1MHz時鍾,也能通過將該時鍾連接到同步輸入引腳,方便地與600KHz和1.4MHz之間的外部時鍾同步。
軟啟動控製和輸入電壓斷開
當(dang)電(dian)源(yuan)芯(xin)片(pian)剛(gang)開(kai)始(shi)工(gong)作(zuo)時(shi),電(dian)流(liu)需(xu)要(yao)對(dui)係(xi)統(tong)中(zhong)的(de)電(dian)容(rong)充(chong)電(dian),從(cong)而(er)產(chan)生(sheng)明(ming)顯(xian)的(de)輸(shu)入(ru)電(dian)流(liu)需(xu)求(qiu)。如(ru)果(guo)這(zhe)個(ge)電(dian)流(liu)太(tai)高(gao),電(dian)池(chi)電(dian)壓(ya)就(jiu)會(hui)降(jiang)低(di),從(cong)而(er)導(dao)致(zhi)係(xi)統(tong)中(zhong)的(de)器(qi)件(jian)進(jin)入(ru)複(fu)位(wei)狀(zhuang)態(tai),或(huo)產(chan)生(sheng)錯(cuo)誤(wu)的(de)操(cao)作(zuo)。為(wei)了(le)克(ke)服(fu)這(zhe)一(yi)缺(que)點(dian),在(zai)啟(qi)動(dong)時(shi)應(ying)采(cai)用(yong)軟(ruan)啟(qi)動(dong)機(ji)製(zhi)來(lai)限(xian)製(zhi)電(dian)流(liu)。此(ci)時(shi)IC的電流是緩慢增長的,直到達到滿電流負荷。這種機製在如今許多升壓轉換器中很常見。
為了進一步改進電池壽命,升壓電路的輸入端集成的分斷開關非常有用。當器件不工作時,這個開關將打開從而斷開與OLED顯示器、驅動器和反饋網絡的連接,因而不會有漏電流。在這種斷電模式下,內部IC的功耗會降至最小。
當dang器qi件jian工gong作zuo時shi,負fu載zai連lian接jie到dao輸shu入ru端duan,從cong輸shu入ru到dao輸shu出chu建jian立li了le一yi條tiao直zhi流liu通tong路lu,在zai輸shu入ru電dian容rong充chong電dian時shi將jiang形xing成cheng很hen大da的de電dian流liu尖jian峰feng。分fen斷duan開kai關guan也ye應ying提ti供gong軟ruan啟qi動dong模mo式shi,在zai輸shu出chu電dian容rong充chong電dian時shi限xian製zhi電dian流liu,從cong而er進jin一yi步bu加jia強qiang在zai其qi它ta直zhi流liu/直流轉換器中常見的軟啟動機製。
滿足功能要求的OLED器件
OLED顯示器隻是提出特殊的電源芯片和新增功能要求的眾多新技術之一。正在開發的許多新型IC可滿足這些挑戰。IntELSIL公司的ISL97702隻是這些類型產品中的一個例子,它具有軟啟動控製、輸入電壓斷開和其它適合該應用的功能。ISL97702中使用的複雜控製機製代表了目前先進電源芯片的優秀例子,它完全可以滿足緊湊型手持設備對OLED供電的要求。這種器件的典型電路如圖2所示。

圖2:典型的ISL97702電路
圖3是ISL97702的軟啟動操作過程。

圖3:ISL97702的軟啟動
在A部分,通過限製流過分斷開關的電流來減少負載電容充電時的浪湧電流;在B部分,升壓轉換器的開始電流限製在25%;在C部分,電流限製設在50%;在D部分電流限製為75%;在E部分,電流限製為100%。
- 噪聲中提取真值!瑞盟科技推出MSA2240電流檢測芯片賦能多元高端測量場景
- 10MHz高頻運行!氮矽科技發布集成驅動GaN芯片,助力電源能效再攀新高
- 失真度僅0.002%!力芯微推出超低內阻、超低失真4PST模擬開關
- 一“芯”雙電!聖邦微電子發布雙輸出電源芯片,簡化AFE與音頻設計
- 一機適配萬端:金升陽推出1200W可編程電源,賦能高端裝備製造
- 貿澤EIT係列新一期,探索AI如何重塑日常科技與用戶體驗
- 算力爆發遇上電源革新,大聯大世平集團攜手晶豐明源線上研討會解鎖應用落地
- 創新不止,創芯不已:第六屆ICDIA創芯展8月南京盛大啟幕!
- AI時代,為什麼存儲基礎設施的可靠性決定數據中心的經濟效益
- 矽典微ONELAB開發係列:為毫米波算法開發者打造的全棧工具鏈
- 車規與基於V2X的車輛協同主動避撞技術展望
- 數字隔離助力新能源汽車安全隔離的新挑戰
- 汽車模塊拋負載的解決方案
- 車用連接器的安全創新應用
- Melexis Actuators Business Unit
- Position / Current Sensors - Triaxis Hall




