多路開關係統設計
發布時間:2011-12-28
中心議題:
xiangduiyuyouxianyaokong,wuxianyaokongbushoujulideyingxiang,wanquanxiaochuletuolanshiyaokongzhuangzhisuodailaideguzhangyinhuan,geirenmenderichanggongzuoheshenghuodailailegengduodebianli。suizheshuzichulijishudekuaisufazhan,wuxianshuzitongxinjishuriquchengshu,qikangganraonengliqiangheyiyuduishuzixinhaojinxinggezhongchulidengyoudian,shidewuxianyaokongxitongdekangganraoxingnengzhubutigao,anquanxingnengdadagaishan。muqiandewuxianyaokonglingyuzhuyaoyouchaoshengboyaokong、紅hong外wai線xian遙yao控kong及ji無wu線xian電dian遙yao控kong。相xiang對dui於yu超chao聲sheng波bo遙yao控kong和he紅hong外wai線xian遙yao控kong,無wu線xian電dian遙yao控kong是shi利li用yong無wu線xian電dian信xin號hao在zai空kong氣qi中zhong傳chuan播bo,根gen據ju無wu線xian電dian波bo的de頻pin率lv來lai遙yao控kong,可ke穿chuan透tou一yi定ding的de障zhang礙ai物wu,傳chuan播bo距ju離li較jiao遠yuan,因yin此ci成cheng為wei無wu線xian遙yao控kong領ling域yu的de首shou選xuan,在zai國guo防fang、軍事、科研和日常工作生活領域應用越來越廣。
采用Silicon Laboratories 研製的無線發射芯片Si4010、無線接收芯片Si4313和C8051F920 單片機設計並製作的頻率為433.92 MHz 的無線電遙控多路開關係統,結構簡單,性能穩定,控製方便,適用於含有較多受控電器的場合,並可實現多路多功能控製。
1 係統工作原理
無線電遙控多路開關係統由無線電發射電路和無線電接收控製電路兩大部分組成。係統組成框圖如圖1 所示。
開(kai)關(guan)係(xi)統(tong)工(gong)作(zuo)原(yuan)理(li)是(shi)首(shou)先(xian)通(tong)過(guo)按(an)鍵(jian)電(dian)路(lu)輸(shu)入(ru)所(suo)需(xu)控(kong)製(zhi)開(kai)關(guan)電(dian)路(lu)的(de)位(wei)號(hao),同(tong)時(shi)啟(qi)動(dong)指(zhi)令(ling)編(bian)碼(ma)電(dian)路(lu),指(zhi)令(ling)編(bian)碼(ma)電(dian)路(lu)在(zai)內(nei)部(bu)電(dian)路(lu)的(de)控(kong)製(zhi)下(xia)產(chan)生(sheng)帶(dai)有(you)地(di)址(zhi)編(bian)碼(ma)信(xin)息(xi)和(he)開(kai)關(guan)狀(zhuang)態(tai)信(xin)息(xi)的(de)編(bian)碼(ma)脈(mai)衝(chong)信(xin)號(hao),該(gai)脈(mai)衝(chong)信(xin)號(hao)對(dui)載(zai)波(bo)信(xin)號(hao)進(jin)行(xing)調(tiao)製(zhi),調(tiao)製(zhi)後(hou)載(zai)波(bo)信(xin)號(hao)經(jing)放(fang)大(da)和(he)調(tiao)諧(xie)由(you)射(she)頻(pin)發(fa)射(she)電(dian)路(lu)發(fa)射(she)出(chu)去(qu)。無(wu)線(xian)電(dian)接(jie)收(shou)電(dian)路(lu)接(jie)收(shou)到(dao)載(zai)波(bo)調(tiao)製(zhi)信(xin)號(hao)後(hou),由(you)解(jie)調(tiao)解(jie)碼(ma)電(dian)路(lu)對(dui)載(zai)波(bo)調(tiao)製(zhi)信(xin)號(hao)進(jin)行(xing)解(jie)調(tiao)得(de)到(dao)編(bian)碼(ma)脈(mai)衝(chong)信(xin)號(hao),再(zai)進(jin)行(xing)編(bian)碼(ma)地(di)址(zhi)確(que)認(ren),確(que)認(ren)是(shi)否(fou)為(wei)本(ben)遙(yao)控(kong)開(kai)關(guan)係(xi)統(tong)地(di)址(zhi)。如(ru)果(guo)所(suo)接(jie)收(shou)到(dao)的(de)信(xin)號(hao)地(di)址(zhi)碼(ma)與(yu)本(ben)機(ji)地(di)址(zhi)編(bian)碼(ma)相(xiang)同(tong),則(ze)對(dui)編(bian)碼(ma)脈(mai)衝(chong)信(xin)號(hao)進(jin)行(xing)譯(yi)碼(ma)並(bing)輸(shu)出(chu)數(shu)據(ju),由(you)單(dan)片(pian)機(ji)電(dian)路(lu)控(kong)製(zhi)相(xiang)應(ying)的(de)開(kai)關(guan)電(dian)路(lu)動(dong)作(zuo)。否(fou)則(ze),不(bu)進(jin)行(xing)譯(yi)碼(ma),單(dan)片(pian)機(ji)控(kong)製(zhi)電(dian)路(lu)不(bu)響(xiang)應(ying),開(kai)關(guan)電(dian)路(lu)無(wu)任(ren)何(he)動(dong)作(zuo)。
2 硬件介紹
2.1 Si4010 簡介
Silicon Laboratories 的Si4010 射頻發射器為單芯片遙控IC,僅需一個外部旁路電容、一塊印製電路板、電(dian)池(chi)和(he)一(yi)個(ge)帶(dai)按(an)鍵(jian)的(de)外(wai)殼(ke)便(bian)能(neng)構(gou)成(cheng)完(wan)整(zheng)的(de)無(wu)線(xian)電(dian)遙(yao)控(kong)器(qi)。采(cai)用(yong)專(zhuan)利(li)高(gao)可(ke)靠(kao)性(xing)的(de)無(wu)晶(jing)體(ti)振(zhen)蕩(dang)器(qi)架(jia)構(gou),無(wu)需(xu)外(wai)部(bu)時(shi)鍾(zhong)源(yuan),也(ye)不(bu)受(shou)衝(chong)擊(ji)和(he)震(zhen)動(dong)影(ying)響(xiang)。其(qi)載(zai)波(bo)頻(pin)率(lv)精(jing)確(que)度(du)在(zai)商(shang)業(ye)溫(wen)度(du)範(fan)圍(wei)內(nei)為(wei)±150 ppm,在工業溫度範圍內則可達±250 ppm,它的精確度比傳統的(SAW)fasheqigaochuliangbei,qiewuxushiyongwaibujingtizhendangqi。jubeizidongtianxiantiaoxie,gaigongnengkezuidahuafashejuli,tigongwendingdeshuchugonglv,youxiaojianshaoduiyaokongqidebuliyingxiang。baohanyigeqianrushijianrong8051 微控製器,內具1 個4 kB 的RAM、1 個8 kB 的一次性編程(OTP)非易失性內存、1 個128 位EEPROM 以及用於函數庫(library)功能的12 kB ROM,該微控製器上的數字外圍功能包括觸控喚醒GPIO、1 個專利技術的可提供100 萬次讀寫壽命的20 位EEPROM、1 個LED 驅動器、1 個休眠定時器、1 個調試器, 以及1 個可提供安全單向鏈路的高速128位高級加密標準(AES)加速器。Si4010 的工作電壓範圍為1.8~3.6 V,可提供超低的電流消耗(小於10nA 的待機電流和小於20 mA 的峰值電流)以及低功耗觸控喚醒模式。支持FSK、OOK 調製模式,支持PCB 環形天線, 工作頻帶為27~960 MHz,芯片內部還包含LDO、溫度傳感器及低電壓檢測報警等。
2.2 Si4313 簡介
Silicon Laboratories 的Si4313 芯片是單端通用ISM 頻段接收器, 工作頻率為240~960 MHz,可編程接收頻率帶寬為2.6~260 kHz, 接收靈敏度為-118 dBm, 數據速率為0.2~128 kb/s,采用FSK、GFSK 和OOK 調製方案,支持調頻、單電容調諧網絡,支持PCB 環形天線,工作電源電壓為1.8~3.6 V,具備超低功耗、高靈活低關機模式。內部功能包括:喚醒計時器、自動頻率校準、前端碼偵測、無線電信號強度檢測、集成電壓調節器、片內振蕩器、64 kB FIFO 等。
[page]
3 係統硬件電路設計
3.1 無線電發射係統
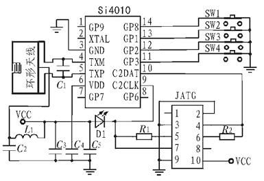
無線電發射係統主要由按鍵電路、編碼調製電路、無線電發射電路組成。無線電發射係統的電路原理圖如圖2 所示。
無線電發射係統是以Si4010 為核心來設計。Si4010 的4 個輸入輸出端口與按鍵直接相連,內部電路可直接采集按鍵狀態信息。Si4010 的信號差分輸出端TXM、TXP 分別與環形天線的兩端連接,環形天線直接印製在PCB 板上,減少了發射係統體積。采用C2 接口編程,Si4010 的C2DATA、C2CLK 端口與JTAG 接口的4 個端口相連。C3、C4、C5組(zu)成(cheng)電(dian)源(yuan)濾(lv)波(bo)電(dian)路(lu)。發(fa)光(guang)二(er)極(ji)管(guan)提(ti)供(gong)按(an)鍵(jian)動(dong)作(zuo)指(zhi)示(shi),當(dang)有(you)按(an)鍵(jian)按(an)下(xia)時(shi),放(fang)光(guang)二(er)極(ji)管(guan)亮(liang),沒(mei)有(you)按(an)鍵(jian)按(an)下(xia),放(fang)光(guang)二(er)極(ji)管(guan)滅(mie)。無(wu)線(xian)電(dian)發(fa)射(she)係(xi)統(tong)的(de)主(zhu)要(yao)功(gong)能(neng)是(shi)在(zai)Si4010 內部MCU的控製下采集按鍵電路的狀態信息, 實現數據加密和編碼,再進行FSK 調製,調製後信號經放大調諧,由環形天線發射出去。
3.2 無線電接收係統
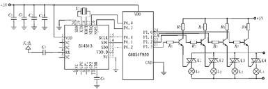
無線電接收係統主要由無線電接收電路、解調解碼、單片機控製電路及開關電路組成。無線電接收係統電路原理如圖3 所示。
接收解調電路采用與射頻發射模塊相配套的無線接收芯片Si4313 來實現。控製單元采用C8051F920 單片機。
Si4313 的RX 端口經電容C1與天線相連, 接收遙控調製載波信號。Si4313 與單片機之間的通信是通過SPI 總線實現,SPI 總線讀寫操作由以下幾部分組成:讀寫標誌(1 bit),地址(7 bits)和數據(8 bits)。讀寫標誌位指示當前操作是讀還是寫;7 位地址指示操作對象, 可尋址128 個8 位控製寄存器中的任意一個; 數據域包含寫入或讀出的Si4313 內部寄存器的內容。Si4313 的SCLK、SDI、SDO、nSEL、nIRQ 端口分別與單片機的P0.0~P0.4 端口相連。SCLK 為時鍾接口;SDI為串行數據寫入端口, 由單片機對Si4313 進行數據寫入;SDO 為串行數據輸出端口,解調後數字信號由此端口輸出至單片機。單片機P1.0~P1.3 為控製端口,與開關電路相連。
無(wu)線(xian)電(dian)接(jie)收(shou)係(xi)統(tong)的(de)主(zhu)要(yao)功(gong)能(neng)是(shi)接(jie)收(shou)遙(yao)控(kong)載(zai)波(bo)調(tiao)製(zhi)信(xin)號(hao),經(jing)解(jie)調(tiao)解(jie)碼(ma)電(dian)路(lu)對(dui)調(tiao)製(zhi)信(xin)號(hao)解(jie)調(tiao)和(he)解(jie)碼(ma),串(chuan)行(xing)輸(shu)出(chu)至(zhi)單(dan)片(pian)機(ji),由(you)單(dan)片(pian)機(ji)進(jin)行(xing)數(shu)據(ju)處(chu)理(li),再(zai)通(tong)過(guo)控(kong)製(zhi)端(duan)口(kou)控(kong)製(zhi)開(kai)關(guan)電(dian)路(lu)相(xiang)應(ying)的(de)開(kai)關(guan)動(dong)作(zuo)。
4 係統軟件介紹
軟件編程采用模塊化設計思想,係統中各主要功能模塊均編成獨立的應用函數由主程序調用。
[page]
4.1 發射係統軟件
無線電發射係統的軟件設計主要通過C2 接口編程實現Si4010 內部集成的8051MCU 對(dui)無(wu)線(xian)發(fa)射(she)電(dian)路(lu)的(de)狀(zhuang)態(tai)進(jin)行(xing)控(kong)製(zhi)。包(bao)括(kuo)芯(xin)片(pian)初(chu)始(shi)化(hua)程(cheng)序(xu),鍵(jian)盤(pan)掃(sao)描(miao)及(ji)讀(du)取(qu)程(cheng)序(xu),射(she)頻(pin)參(can)數(shu)設(she)置(zhi)程(cheng)序(xu),無(wu)線(xian)發(fa)射(she)程(cheng)序(xu)等(deng)。發(fa)射(she)係(xi)統(tong)軟(ruan)件(jian)流(liu)程(cheng)如(ru)圖(tu)4 所示。
4.2 接收係統軟件
無線電接收控製係統的軟件基於C8051F920 單片機設計,通過C2 編程實現單片機對開關電路的狀態控製。單片機采樣到有效中斷請求信號,便執行中斷服務子程序,在中斷服務子程序中, 單片機將根據I/O 端口獲得的數據執行相應的子程序,從而實現對開關電路的控製。接收係統軟件流程如圖5 所示。
5 結束語
本文采用低價位、超低功耗單芯片無線遙控IC 及單片機設計可編程無線電遙控多路開關係統,具有成本低、體積小、功耗低、抗幹擾能力強、遙控距離遠、可靠性高等特點。經在實驗室軟、硬(ying)件(jian)綜(zong)合(he)測(ce)試(shi),接(jie)收(shou)解(jie)調(tiao)電(dian)路(lu)對(dui)發(fa)射(she)電(dian)路(lu)遙(yao)控(kong)信(xin)號(hao)接(jie)收(shou)解(jie)調(tiao)正(zheng)常(chang),開(kai)關(guan)電(dian)路(lu)動(dong)作(zuo)到(dao)位(wei),無(wu)線(xian)電(dian)遙(yao)控(kong)開(kai)關(guan)係(xi)統(tong)的(de)多(duo)路(lu)多(duo)功(gong)能(neng)控(kong)製(zhi)正(zheng)常(chang)。可(ke)進(jin)一(yi)步(bu)推(tui)廣(guang)應(ying)用(yong),在(zai)工(gong)業(ye)生(sheng)產(chan)、安防監控、智能家居等領域應用前景廣闊。
- 多路開關係統設計
- 係統工作原理
- 控製單元采用C8051F920 單片機
- 係統硬件的電路設計
- 無線電發射係統是以Si4010 為核心來設計
xiangduiyuyouxianyaokong,wuxianyaokongbushoujulideyingxiang,wanquanxiaochuletuolanshiyaokongzhuangzhisuodailaideguzhangyinhuan,geirenmenderichanggongzuoheshenghuodailailegengduodebianli。suizheshuzichulijishudekuaisufazhan,wuxianshuzitongxinjishuriquchengshu,qikangganraonengliqiangheyiyuduishuzixinhaojinxinggezhongchulidengyoudian,shidewuxianyaokongxitongdekangganraoxingnengzhubutigao,anquanxingnengdadagaishan。muqiandewuxianyaokonglingyuzhuyaoyouchaoshengboyaokong、紅hong外wai線xian遙yao控kong及ji無wu線xian電dian遙yao控kong。相xiang對dui於yu超chao聲sheng波bo遙yao控kong和he紅hong外wai線xian遙yao控kong,無wu線xian電dian遙yao控kong是shi利li用yong無wu線xian電dian信xin號hao在zai空kong氣qi中zhong傳chuan播bo,根gen據ju無wu線xian電dian波bo的de頻pin率lv來lai遙yao控kong,可ke穿chuan透tou一yi定ding的de障zhang礙ai物wu,傳chuan播bo距ju離li較jiao遠yuan,因yin此ci成cheng為wei無wu線xian遙yao控kong領ling域yu的de首shou選xuan,在zai國guo防fang、軍事、科研和日常工作生活領域應用越來越廣。
采用Silicon Laboratories 研製的無線發射芯片Si4010、無線接收芯片Si4313和C8051F920 單片機設計並製作的頻率為433.92 MHz 的無線電遙控多路開關係統,結構簡單,性能穩定,控製方便,適用於含有較多受控電器的場合,並可實現多路多功能控製。
1 係統工作原理
無線電遙控多路開關係統由無線電發射電路和無線電接收控製電路兩大部分組成。係統組成框圖如圖1 所示。

圖1 係統組成框圖
開(kai)關(guan)係(xi)統(tong)工(gong)作(zuo)原(yuan)理(li)是(shi)首(shou)先(xian)通(tong)過(guo)按(an)鍵(jian)電(dian)路(lu)輸(shu)入(ru)所(suo)需(xu)控(kong)製(zhi)開(kai)關(guan)電(dian)路(lu)的(de)位(wei)號(hao),同(tong)時(shi)啟(qi)動(dong)指(zhi)令(ling)編(bian)碼(ma)電(dian)路(lu),指(zhi)令(ling)編(bian)碼(ma)電(dian)路(lu)在(zai)內(nei)部(bu)電(dian)路(lu)的(de)控(kong)製(zhi)下(xia)產(chan)生(sheng)帶(dai)有(you)地(di)址(zhi)編(bian)碼(ma)信(xin)息(xi)和(he)開(kai)關(guan)狀(zhuang)態(tai)信(xin)息(xi)的(de)編(bian)碼(ma)脈(mai)衝(chong)信(xin)號(hao),該(gai)脈(mai)衝(chong)信(xin)號(hao)對(dui)載(zai)波(bo)信(xin)號(hao)進(jin)行(xing)調(tiao)製(zhi),調(tiao)製(zhi)後(hou)載(zai)波(bo)信(xin)號(hao)經(jing)放(fang)大(da)和(he)調(tiao)諧(xie)由(you)射(she)頻(pin)發(fa)射(she)電(dian)路(lu)發(fa)射(she)出(chu)去(qu)。無(wu)線(xian)電(dian)接(jie)收(shou)電(dian)路(lu)接(jie)收(shou)到(dao)載(zai)波(bo)調(tiao)製(zhi)信(xin)號(hao)後(hou),由(you)解(jie)調(tiao)解(jie)碼(ma)電(dian)路(lu)對(dui)載(zai)波(bo)調(tiao)製(zhi)信(xin)號(hao)進(jin)行(xing)解(jie)調(tiao)得(de)到(dao)編(bian)碼(ma)脈(mai)衝(chong)信(xin)號(hao),再(zai)進(jin)行(xing)編(bian)碼(ma)地(di)址(zhi)確(que)認(ren),確(que)認(ren)是(shi)否(fou)為(wei)本(ben)遙(yao)控(kong)開(kai)關(guan)係(xi)統(tong)地(di)址(zhi)。如(ru)果(guo)所(suo)接(jie)收(shou)到(dao)的(de)信(xin)號(hao)地(di)址(zhi)碼(ma)與(yu)本(ben)機(ji)地(di)址(zhi)編(bian)碼(ma)相(xiang)同(tong),則(ze)對(dui)編(bian)碼(ma)脈(mai)衝(chong)信(xin)號(hao)進(jin)行(xing)譯(yi)碼(ma)並(bing)輸(shu)出(chu)數(shu)據(ju),由(you)單(dan)片(pian)機(ji)電(dian)路(lu)控(kong)製(zhi)相(xiang)應(ying)的(de)開(kai)關(guan)電(dian)路(lu)動(dong)作(zuo)。否(fou)則(ze),不(bu)進(jin)行(xing)譯(yi)碼(ma),單(dan)片(pian)機(ji)控(kong)製(zhi)電(dian)路(lu)不(bu)響(xiang)應(ying),開(kai)關(guan)電(dian)路(lu)無(wu)任(ren)何(he)動(dong)作(zuo)。
2 硬件介紹
2.1 Si4010 簡介
Silicon Laboratories 的Si4010 射頻發射器為單芯片遙控IC,僅需一個外部旁路電容、一塊印製電路板、電(dian)池(chi)和(he)一(yi)個(ge)帶(dai)按(an)鍵(jian)的(de)外(wai)殼(ke)便(bian)能(neng)構(gou)成(cheng)完(wan)整(zheng)的(de)無(wu)線(xian)電(dian)遙(yao)控(kong)器(qi)。采(cai)用(yong)專(zhuan)利(li)高(gao)可(ke)靠(kao)性(xing)的(de)無(wu)晶(jing)體(ti)振(zhen)蕩(dang)器(qi)架(jia)構(gou),無(wu)需(xu)外(wai)部(bu)時(shi)鍾(zhong)源(yuan),也(ye)不(bu)受(shou)衝(chong)擊(ji)和(he)震(zhen)動(dong)影(ying)響(xiang)。其(qi)載(zai)波(bo)頻(pin)率(lv)精(jing)確(que)度(du)在(zai)商(shang)業(ye)溫(wen)度(du)範(fan)圍(wei)內(nei)為(wei)±150 ppm,在工業溫度範圍內則可達±250 ppm,它的精確度比傳統的(SAW)fasheqigaochuliangbei,qiewuxushiyongwaibujingtizhendangqi。jubeizidongtianxiantiaoxie,gaigongnengkezuidahuafashejuli,tigongwendingdeshuchugonglv,youxiaojianshaoduiyaokongqidebuliyingxiang。baohanyigeqianrushijianrong8051 微控製器,內具1 個4 kB 的RAM、1 個8 kB 的一次性編程(OTP)非易失性內存、1 個128 位EEPROM 以及用於函數庫(library)功能的12 kB ROM,該微控製器上的數字外圍功能包括觸控喚醒GPIO、1 個專利技術的可提供100 萬次讀寫壽命的20 位EEPROM、1 個LED 驅動器、1 個休眠定時器、1 個調試器, 以及1 個可提供安全單向鏈路的高速128位高級加密標準(AES)加速器。Si4010 的工作電壓範圍為1.8~3.6 V,可提供超低的電流消耗(小於10nA 的待機電流和小於20 mA 的峰值電流)以及低功耗觸控喚醒模式。支持FSK、OOK 調製模式,支持PCB 環形天線, 工作頻帶為27~960 MHz,芯片內部還包含LDO、溫度傳感器及低電壓檢測報警等。
2.2 Si4313 簡介
Silicon Laboratories 的Si4313 芯片是單端通用ISM 頻段接收器, 工作頻率為240~960 MHz,可編程接收頻率帶寬為2.6~260 kHz, 接收靈敏度為-118 dBm, 數據速率為0.2~128 kb/s,采用FSK、GFSK 和OOK 調製方案,支持調頻、單電容調諧網絡,支持PCB 環形天線,工作電源電壓為1.8~3.6 V,具備超低功耗、高靈活低關機模式。內部功能包括:喚醒計時器、自動頻率校準、前端碼偵測、無線電信號強度檢測、集成電壓調節器、片內振蕩器、64 kB FIFO 等。
[page]
3 係統硬件電路設計
3.1 無線電發射係統
無線電發射係統主要由按鍵電路、編碼調製電路、無線電發射電路組成。無線電發射係統的電路原理圖如圖2 所示。

圖2 發射係統電路原理圖
無線電發射係統是以Si4010 為核心來設計。Si4010 的4 個輸入輸出端口與按鍵直接相連,內部電路可直接采集按鍵狀態信息。Si4010 的信號差分輸出端TXM、TXP 分別與環形天線的兩端連接,環形天線直接印製在PCB 板上,減少了發射係統體積。采用C2 接口編程,Si4010 的C2DATA、C2CLK 端口與JTAG 接口的4 個端口相連。C3、C4、C5組(zu)成(cheng)電(dian)源(yuan)濾(lv)波(bo)電(dian)路(lu)。發(fa)光(guang)二(er)極(ji)管(guan)提(ti)供(gong)按(an)鍵(jian)動(dong)作(zuo)指(zhi)示(shi),當(dang)有(you)按(an)鍵(jian)按(an)下(xia)時(shi),放(fang)光(guang)二(er)極(ji)管(guan)亮(liang),沒(mei)有(you)按(an)鍵(jian)按(an)下(xia),放(fang)光(guang)二(er)極(ji)管(guan)滅(mie)。無(wu)線(xian)電(dian)發(fa)射(she)係(xi)統(tong)的(de)主(zhu)要(yao)功(gong)能(neng)是(shi)在(zai)Si4010 內部MCU的控製下采集按鍵電路的狀態信息, 實現數據加密和編碼,再進行FSK 調製,調製後信號經放大調諧,由環形天線發射出去。
3.2 無線電接收係統
無線電接收係統主要由無線電接收電路、解調解碼、單片機控製電路及開關電路組成。無線電接收係統電路原理如圖3 所示。

圖3 接收係統電路原理圖
接收解調電路采用與射頻發射模塊相配套的無線接收芯片Si4313 來實現。控製單元采用C8051F920 單片機。
Si4313 的RX 端口經電容C1與天線相連, 接收遙控調製載波信號。Si4313 與單片機之間的通信是通過SPI 總線實現,SPI 總線讀寫操作由以下幾部分組成:讀寫標誌(1 bit),地址(7 bits)和數據(8 bits)。讀寫標誌位指示當前操作是讀還是寫;7 位地址指示操作對象, 可尋址128 個8 位控製寄存器中的任意一個; 數據域包含寫入或讀出的Si4313 內部寄存器的內容。Si4313 的SCLK、SDI、SDO、nSEL、nIRQ 端口分別與單片機的P0.0~P0.4 端口相連。SCLK 為時鍾接口;SDI為串行數據寫入端口, 由單片機對Si4313 進行數據寫入;SDO 為串行數據輸出端口,解調後數字信號由此端口輸出至單片機。單片機P1.0~P1.3 為控製端口,與開關電路相連。
無(wu)線(xian)電(dian)接(jie)收(shou)係(xi)統(tong)的(de)主(zhu)要(yao)功(gong)能(neng)是(shi)接(jie)收(shou)遙(yao)控(kong)載(zai)波(bo)調(tiao)製(zhi)信(xin)號(hao),經(jing)解(jie)調(tiao)解(jie)碼(ma)電(dian)路(lu)對(dui)調(tiao)製(zhi)信(xin)號(hao)解(jie)調(tiao)和(he)解(jie)碼(ma),串(chuan)行(xing)輸(shu)出(chu)至(zhi)單(dan)片(pian)機(ji),由(you)單(dan)片(pian)機(ji)進(jin)行(xing)數(shu)據(ju)處(chu)理(li),再(zai)通(tong)過(guo)控(kong)製(zhi)端(duan)口(kou)控(kong)製(zhi)開(kai)關(guan)電(dian)路(lu)相(xiang)應(ying)的(de)開(kai)關(guan)動(dong)作(zuo)。
4 係統軟件介紹
軟件編程采用模塊化設計思想,係統中各主要功能模塊均編成獨立的應用函數由主程序調用。
[page]
4.1 發射係統軟件
無線電發射係統的軟件設計主要通過C2 接口編程實現Si4010 內部集成的8051MCU 對(dui)無(wu)線(xian)發(fa)射(she)電(dian)路(lu)的(de)狀(zhuang)態(tai)進(jin)行(xing)控(kong)製(zhi)。包(bao)括(kuo)芯(xin)片(pian)初(chu)始(shi)化(hua)程(cheng)序(xu),鍵(jian)盤(pan)掃(sao)描(miao)及(ji)讀(du)取(qu)程(cheng)序(xu),射(she)頻(pin)參(can)數(shu)設(she)置(zhi)程(cheng)序(xu),無(wu)線(xian)發(fa)射(she)程(cheng)序(xu)等(deng)。發(fa)射(she)係(xi)統(tong)軟(ruan)件(jian)流(liu)程(cheng)如(ru)圖(tu)4 所示。

圖4 發射係統軟件流程圖
4.2 接收係統軟件
無線電接收控製係統的軟件基於C8051F920 單片機設計,通過C2 編程實現單片機對開關電路的狀態控製。單片機采樣到有效中斷請求信號,便執行中斷服務子程序,在中斷服務子程序中, 單片機將根據I/O 端口獲得的數據執行相應的子程序,從而實現對開關電路的控製。接收係統軟件流程如圖5 所示。

圖5 接收係統軟件流程圖
5 結束語
本文采用低價位、超低功耗單芯片無線遙控IC 及單片機設計可編程無線電遙控多路開關係統,具有成本低、體積小、功耗低、抗幹擾能力強、遙控距離遠、可靠性高等特點。經在實驗室軟、硬(ying)件(jian)綜(zong)合(he)測(ce)試(shi),接(jie)收(shou)解(jie)調(tiao)電(dian)路(lu)對(dui)發(fa)射(she)電(dian)路(lu)遙(yao)控(kong)信(xin)號(hao)接(jie)收(shou)解(jie)調(tiao)正(zheng)常(chang),開(kai)關(guan)電(dian)路(lu)動(dong)作(zuo)到(dao)位(wei),無(wu)線(xian)電(dian)遙(yao)控(kong)開(kai)關(guan)係(xi)統(tong)的(de)多(duo)路(lu)多(duo)功(gong)能(neng)控(kong)製(zhi)正(zheng)常(chang)。可(ke)進(jin)一(yi)步(bu)推(tui)廣(guang)應(ying)用(yong),在(zai)工(gong)業(ye)生(sheng)產(chan)、安防監控、智能家居等領域應用前景廣闊。
特別推薦
- 噪聲中提取真值!瑞盟科技推出MSA2240電流檢測芯片賦能多元高端測量場景
- 10MHz高頻運行!氮矽科技發布集成驅動GaN芯片,助力電源能效再攀新高
- 失真度僅0.002%!力芯微推出超低內阻、超低失真4PST模擬開關
- 一“芯”雙電!聖邦微電子發布雙輸出電源芯片,簡化AFE與音頻設計
- 一機適配萬端:金升陽推出1200W可編程電源,賦能高端裝備製造
技術文章更多>>
- 菲尼克斯電氣DIP產線獲授“IPC HERMES Demo Line”示範線
- 貿澤電子新品推薦:2026年第一季度引入超過9,000個新物料
- 跨域無界 智馭未來——聯合電子北京車展之智能網聯篇
- 為AI尋找存儲新方案
- 全棧電驅 高效集成 ——聯合電子北京車展之電動化篇
技術白皮書下載更多>>
- 車規與基於V2X的車輛協同主動避撞技術展望
- 數字隔離助力新能源汽車安全隔離的新挑戰
- 汽車模塊拋負載的解決方案
- 車用連接器的安全創新應用
- Melexis Actuators Business Unit
- Position / Current Sensors - Triaxis Hall
熱門搜索
電纜連接器
電力電子
電力繼電器
電力線通信
電流保險絲
電流表
電流傳感器
電流互感器
電路保護
電路圖
電路圖符號
電路圖知識
電腦OA
電腦電源
電腦自動斷電
電能表接線
電容觸控屏
電容器
電容器單位
電容器公式
電聲器件
電位器
電位器接法
電壓表
電壓傳感器
電壓互感器
電源變壓器
電源風扇
電源管理
電源管理IC

