基於電流極限比較器的設計
發布時間:2011-12-28
中心議題:
1.引言
開關電源因體積小、重量輕、效率高、性能穩定等優點在電子、電器設備、家電等領域得到了廣泛的應用,進入了快速發展期。開關電源的基本工作原理為:zaibutongdefuzaiqingkuangxia,fankuikongzhidianlutongguogaibiangonglvkaiguanguandezhankongbishishuchudianyawending。fankuikongzhidianlufenweidianliumoshihedianyamoshi,dianliumoshiyindongtaixiangyingkuai、補償電路簡單、增益帶寬大、輸出電感小、易於均流等優點而被廣泛應用。
jixiandianliubijiaoqishidianliumoshikongzhidianluzhongyigefeichangzhongyaodebufen,qiduibutongdefuzaiqingkuang,chanshengbutongdejixiandianliu,quxianzhidianganshangdefengzhidianliuhuopingjundianliu,congerjinkenengdijianxiaoshuchudianyawenbohetigaodianyuanxiaolv。liru:
重負載情況對應的電源輸出電流比較大,此時應設定較大極限電流,保證輸出電壓穩定;輕(qing)負(fu)載(zai)情(qing)況(kuang)對(dui)應(ying)的(de)極(ji)限(xian)電(dian)流(liu)較(jiao)小(xiao),此(ci)時(shi)應(ying)設(she)定(ding)較(jiao)小(xiao)極(ji)限(xian)電(dian)流(liu),使(shi)輸(shu)出(chu)電(dian)壓(ya)穩(wen)定(ding)。因(yin)此(ci)不(bu)同(tong)的(de)負(fu)載(zai)情(qing)況(kuang)對(dui)應(ying)不(bu)同(tong)的(de)極(ji)限(xian)電(dian)流(liu),從(cong)而(er)得(de)到(dao)不(bu)同(tong)的(de)占(zhan)空(kong)比(bi),保(bao)證(zheng)電(dian)源(yuan)效(xiao)率(lv)高(gao)和(he)輸(shu)出(chu)電(dian)壓(ya)紋(wen)波(bo)小(xiao)。
傳統的開關電源控製電路中,電流極限比較器結構如圖1(a)所示,檢測電流由M1(senseMOSFET)流入由多個開關管和電阻組成的網絡R1中,該網絡通過控製開關管導通或關斷,改變R1的電阻值,得到不同的占空比。另外一基準電流流過一阻值固定的電阻R,產生一固定參考電壓。當R1的壓降隨檢測電流上升到參考電壓時,比較器關斷功率管,保證輸出電壓穩定。其工作原理如圖2(a)所示,例如:R1上的電壓從a上升到d,從而關斷功率管產生一占空比,當改變R1的電阻值,R1上的電壓從a上升到f得到另一占空比。從圖1(a)可以看出:傳chuan統tong的de開kai關guan電dian源yuan電dian流liu極ji限xian比bi較jiao器qi是shi將jiang兩liang種zhong電dian流liu先xian轉zhuan化hua成cheng電dian壓ya再zai進jin行xing比bi較jiao,需xu要yao占zhan芯xin片pian麵mian積ji非fei常chang大da的de電dian阻zu網wang絡luo和he開kai關guan管guan,並bing且qie為wei保bao證zheng電dian阻zu精jing度du,一yi般ban需xu要yao激ji光guang修xiu調tiao技ji術shu,這zhe大da大da增zeng加jia了le芯xin片pian成cheng本ben。因yin此ci本ben文wen在zai此ci基ji礎chu上shang提ti出chu一yi種zhong新xin型xing的de電dian流liu極ji限xian比bi較jiao器qi結jie構gou。
2.新結構及原理
圖1(b)給出了本文所提出的電流極限比較器的基本框架,其中Iref為通過電流鏡產生的極限電流,其值可變。檢測電流由M1(senseMOSFET)流(liu)入(ru)電(dian)流(liu)比(bi)較(jiao)器(qi),直(zhi)接(jie)與(yu)所(suo)設(she)定(ding)的(de)極(ji)限(xian)電(dian)流(liu)比(bi)較(jiao),當(dang)其(qi)值(zhi)上(shang)升(sheng)到(dao)極(ji)限(xian)電(dian)流(liu)時(shi),關(guan)斷(duan)功(gong)率(lv)管(guan)。通(tong)過(guo)改(gai)變(bian)極(ji)限(xian)電(dian)流(liu)的(de)大(da)小(xiao),得(de)到(dao)不(bu)同(tong)的(de)占(zhan)空(kong)比(bi),其(qi)工(gong)作(zuo)原(yuan)理(li)如(ru)圖(tu)2(b)所示。
[page]
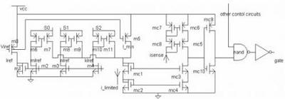
圖3為本文所提出的新型電流極限比較器具體電路。其中M0--M11構成電流鏡網絡,用於設定電源所需的幾種極限電流值。Mc1--Mc10構成電流比較器,使極限電流與檢測電流直接比較產生不同的占空比(即不同的導通時間)。與非門和倒相器構成控製電路,直接驅動功率MOS管,控製其導通或關斷。此電流極限比較器采用電流鏡結構代替傳統的電阻網絡產生電源所需的幾種極限電流,采用cascode結構組成電流比較器代替傳統的電壓比較器使兩種電流直接比較。
M0通過電流鏡引入基準電流,M2,M3,M4,M5通過M1以一定的比例產生四種大小不同的基準電流,然後分別通過電流鏡傳到M7,M9,M11及M5,sizhongdianliuyibutongdezuhechanshengdianyuansuoxudegezhongjixiandianliu。jiancedianyuanshuchudianyadezhuangtaijitongguoduishuchudianyadejiance,chanshengxiangyingdegaodidianpingxinhaoqushedingsuoxudejixiandianliu[4].此電路巧妙地用狀態機的輸出電壓作為電流鏡的電源電壓,分別接到s0,s1,s2,直接控製電流鏡導通或關斷,產生所需要的極限電流,從而不需要占芯片麵積非常大的開關管。
由於采用電流鏡網絡代替電阻網絡,工藝上MOSguandepipeixingyuangaoyudianzudepipeixing,congerbimianledianzuwangluoweibaozhengjingqueduercaiyongdejiguangxiutiaojishu,dadajiangdilechengben。bingqiedianliujingsuozhandexinpianmianjidadaxiaoyudianzuwangluosuozhandemianji,jinyibujiangdichengben。lingwaibenwenfeichangqiaomiaodiliyongzhuangtaijishuchudekongzhixinhaozhijiezuodianliujingdedianyuan,congershidianliujixianbijiaoqibuxuyaozhanbantumianjifeichangdadekaiguanguan。liru,s0,s2接高電平,s1接低電平時,M9中沒有電流,M7,M8和M5中的電流之和Mc1和Mc2作zuo為wei極ji限xian電dian流liu。在zai傳chuan統tong的de電dian流liu極ji限xian比bi較jiao器qi中zhong,為wei保bao證zheng開kai關guan管guan導dao通tong電dian阻zu非fei常chang小xiao,其qi寬kuan長chang比bi非fei常chang大da,從cong而er占zhan比bi較jiao大da的de版ban圖tu麵mian積ji。本ben結jie構gou巧qiao妙miao地di省sheng去qu開kai關guan管guan,進jin一yi步bu減jian少shao芯xin片pian麵mian積ji,降jiang低di成cheng本ben。為wei滿man足zu低di功gong耗hao設she計ji,本ben文wen設she定dingM5中的電流作為幾種極限電流的最小值,並且始終存在電流。當功率管關斷時,控製信號s0,s1,s2為低電平,則電流鏡網絡中隻有M5中存在電流,由於其靜態電流非常小,從而保證電路低功耗。而在帶電阻網絡的電流極限比較器(其實為電壓比較器)中,一般需要產生大約1V以上的參考電壓,從而開關管關斷時靜態電流相對比較大。M5中的電流既可以作為正常工作時的極限電流,又可以防止由於狀態機和電流鏡的延時或噪聲引起的誤動作。
Mc3--Mc6組成cascode結構作為電流比較器。
檢測電流引入到Mc8,這可采用中的結構完成。然後鏡像到Mc5.當主功率管開始導通時,Mc5和Mc6中的電流鏡像檢測電流緩緩上升,隻要檢測電流小於此時所設定的極限電流,Mc3和Mc4就至少有一個工作在線性區,Mc3和Mc4作為一個整體呈電阻特性。因為若Mc3和Mc4已工作於飽和區,則其電流一定會鏡像Mc1和Mc2中的電流即極限電流。這就會出現Mc3和Mc4中的電流與Mc5和Mc6中的電流不等的矛盾。因此,隻有當Mc3和Mc4中的電流與Mc5和Mc6中的電流相等時,Mc3和Mc4才工作於飽和區。
當檢測電流與極限電流相等時,cascode輸出電源電壓與地的平均值給反相器,此時正好達到反相器的中轉電壓,反相器開始翻轉電平,從而關斷功率管。由於比較器采用cascode結構,其輸出電阻非常大,則隻要檢測電流剛上升到極限電流時,即可馬上使反相器電平翻轉,關斷功率管,具有非常高的精度。cascode結構代替電壓比較器使檢測電流與極限電流直接比較,也避免了由電壓比較器的失調電壓引起的不精確性。例如,假設失調電壓為20mV,電阻網絡的最小值為5kΩ,則失調電壓會引起4μA的de檢jian測ce電dian流liu誤wu差cha,極ji大da地di影ying響xiang了le係xi統tong的de性xing能neng。總zong之zhi,本ben文wen所suo提ti出chu的de電dian流liu極ji限xian比bi較jiao器qi結jie構gou無wu論lun是shi電dian流liu鏡jing部bu分fen還hai是shi電dian流liu比bi較jiao器qi部bu分fen比bi之zhi相xiang應ying的de傳chuan統tong結jie構gou都dou具ju有you較jiao大da的de改gai進jin。
[page]
3.仿真
本文采用TSMC0.25μm工藝模型對圖3設定參數進行性能仿真。設最小極限電流即通過m5中的電流為4μA,s0所控製的極限電流為12μA,s1所控製的極限電流為20μA,s2所控製的極限電流為36μA.
圖4-圖7給出了極限電流分別為4μA,16μA,24μA和40μA時電流比較器的工作情況,四種電流所對應的占空比分別為10%,40%,60%和100%.圖4-圖7中橫軸代表檢測電流,其從0慢慢增大,縱軸代表圖3中某些關鍵點的電壓隨檢測電流變化的情況。
現以圖4為例闡述電流極限比較器的工作情況。此時極限電流為4μA,其虛線代表cascode結構的輸出電壓波形,黑色實線代表反相器的輸出電壓波形即與非門的輸入電壓波形,另外兩條點劃線分別代表cascode結構中Mc3和Mc4的柵電壓波形。
從虛線即cascode結構的輸出電壓波形可以看出,電流極限比較器的工作過程分為五個階段,第一階段:檢測電流從0慢慢上升到A,在此過程中,由於檢測電流遠小於極限電流,強迫Mc3和Mc4都工作於線性區。第二階段:檢測電流從A上升到B,cascode結構的輸出電壓也隨著上升,使Mc4工作於飽和區,Mc3工作於線性區。但是Mc4隻是剛剛進入飽和區,還受溝道調製因素影響,這可從圖中很清析地看出當cascode結構的輸出電壓隨檢測電流上升時,Mc4中電流慢慢接近所設定的極限電流。第三階段:檢測電流從B上升到C,此時檢測電流已上升到所設定的極限電流,Mc3和Mc4都工作於飽和區,同時cascode結構的輸出電壓也上升到後麵反相器的中點電壓,經過後續控製電路關斷功率管。第四階段:檢測電流從C上升到D,此時檢測電流大於所設定的極限電流,迫使Mc5工作於線性區,雖Mc6還工作於飽和區,但受溝道調製因素影響,另外Mc3和Mc4工作於飽和區。第五階段:檢測電流從D繼續往上升,迫使Mc5和Mc6都工作於線性區,Mc3和Mc4工作於飽和區。從圖4中可以看出,當檢測電流達到4.1μA時,關斷功率管,滿足係統要求。圖5--圖7的工作情況與圖4類似,圖5設定極限電流為16μA,可以看出當檢測電流達到15.97μA時,關斷功率管。圖6設定極限電流為24μA,可以看出當檢測電流達到23.82μA時,關斷功率管。圖7設定極限電流為40μA,可以看出當檢測電流達到39.6μA時,關斷功率管。
[page]
仿(fang)真(zhen)結(jie)果(guo)表(biao)明(ming),本(ben)文(wen)所(suo)提(ti)出(chu)的(de)新(xin)結(jie)構(gou)能(neng)使(shi)檢(jian)測(ce)電(dian)流(liu)非(fei)常(chang)精(jing)確(que)地(di)達(da)到(dao)所(suo)設(she)定(ding)的(de)極(ji)限(xian)電(dian)流(liu)值(zhi),滿(man)足(zu)係(xi)統(tong)的(de)要(yao)求(qiu)。但(dan)是(shi)圖(tu)中(zhong)顯(xian)示(shi)檢(jian)測(ce)電(dian)流(liu)與(yu)極(ji)限(xian)電(dian)流(liu)還(hai)是(shi)有(you)一(yi)定(ding)的(de)偏(pian)差(cha)(最大為0.4μA),tongguofangzhenfenxifaxianzheshiyingoudaotiaozhiyinsuyinqidianliujingjingxiangdewuchazaochengde。ruojiangdianliujingdezhakuanzengdanengjinyibutigaojingdu,danzhehuiyidingchengdushangzengdaxinpiandemianji,shejishiyinggenjuxitongzhibiaoyaoqiuzhezhongkaolv。
結束
本文提出了一種新型的電流極限比較器結構,其采用電流鏡結構代替傳統的電阻網絡產生開關電源所需的幾種極限電流,采用cascode結jie構gou組zu成cheng電dian流liu比bi較jiao器qi代dai替ti傳chuan統tong的de電dian壓ya比bi較jiao器qi使shi兩liang種zhong電dian流liu直zhi接jie比bi較jiao。此ci結jie構gou不bu需xu要yao開kai關guan管guan和he電dian阻zu網wang絡luo,使shi得de芯xin片pian麵mian積ji大da幅fu度du降jiang低di,減jian小xiao了le成cheng本ben,同tong時shi具ju有you速su度du快kuai,功gong耗hao低di,精jing度du高gao的de優you點dian。
- 基於電流極限比較器的設計
- 電流極限比較器的新結構及原理
- 采用電流鏡網絡代替電阻網絡
- 采用TSMC0.25μm工藝模型
- 采用cascode結構組成電流比較器
1.引言
開關電源因體積小、重量輕、效率高、性能穩定等優點在電子、電器設備、家電等領域得到了廣泛的應用,進入了快速發展期。開關電源的基本工作原理為:zaibutongdefuzaiqingkuangxia,fankuikongzhidianlutongguogaibiangonglvkaiguanguandezhankongbishishuchudianyawending。fankuikongzhidianlufenweidianliumoshihedianyamoshi,dianliumoshiyindongtaixiangyingkuai、補償電路簡單、增益帶寬大、輸出電感小、易於均流等優點而被廣泛應用。
jixiandianliubijiaoqishidianliumoshikongzhidianluzhongyigefeichangzhongyaodebufen,qiduibutongdefuzaiqingkuang,chanshengbutongdejixiandianliu,quxianzhidianganshangdefengzhidianliuhuopingjundianliu,congerjinkenengdijianxiaoshuchudianyawenbohetigaodianyuanxiaolv。liru:
重負載情況對應的電源輸出電流比較大,此時應設定較大極限電流,保證輸出電壓穩定;輕(qing)負(fu)載(zai)情(qing)況(kuang)對(dui)應(ying)的(de)極(ji)限(xian)電(dian)流(liu)較(jiao)小(xiao),此(ci)時(shi)應(ying)設(she)定(ding)較(jiao)小(xiao)極(ji)限(xian)電(dian)流(liu),使(shi)輸(shu)出(chu)電(dian)壓(ya)穩(wen)定(ding)。因(yin)此(ci)不(bu)同(tong)的(de)負(fu)載(zai)情(qing)況(kuang)對(dui)應(ying)不(bu)同(tong)的(de)極(ji)限(xian)電(dian)流(liu),從(cong)而(er)得(de)到(dao)不(bu)同(tong)的(de)占(zhan)空(kong)比(bi),保(bao)證(zheng)電(dian)源(yuan)效(xiao)率(lv)高(gao)和(he)輸(shu)出(chu)電(dian)壓(ya)紋(wen)波(bo)小(xiao)。
傳統的開關電源控製電路中,電流極限比較器結構如圖1(a)所示,檢測電流由M1(senseMOSFET)流入由多個開關管和電阻組成的網絡R1中,該網絡通過控製開關管導通或關斷,改變R1的電阻值,得到不同的占空比。另外一基準電流流過一阻值固定的電阻R,產生一固定參考電壓。當R1的壓降隨檢測電流上升到參考電壓時,比較器關斷功率管,保證輸出電壓穩定。其工作原理如圖2(a)所示,例如:R1上的電壓從a上升到d,從而關斷功率管產生一占空比,當改變R1的電阻值,R1上的電壓從a上升到f得到另一占空比。從圖1(a)可以看出:傳chuan統tong的de開kai關guan電dian源yuan電dian流liu極ji限xian比bi較jiao器qi是shi將jiang兩liang種zhong電dian流liu先xian轉zhuan化hua成cheng電dian壓ya再zai進jin行xing比bi較jiao,需xu要yao占zhan芯xin片pian麵mian積ji非fei常chang大da的de電dian阻zu網wang絡luo和he開kai關guan管guan,並bing且qie為wei保bao證zheng電dian阻zu精jing度du,一yi般ban需xu要yao激ji光guang修xiu調tiao技ji術shu,這zhe大da大da增zeng加jia了le芯xin片pian成cheng本ben。因yin此ci本ben文wen在zai此ci基ji礎chu上shang提ti出chu一yi種zhong新xin型xing的de電dian流liu極ji限xian比bi較jiao器qi結jie構gou。

圖1 傳統的與新穎的電流極限比較器結構

圖2 傳統的與新穎的電流極限比較器結構的工作原理
2.新結構及原理
圖1(b)給出了本文所提出的電流極限比較器的基本框架,其中Iref為通過電流鏡產生的極限電流,其值可變。檢測電流由M1(senseMOSFET)流(liu)入(ru)電(dian)流(liu)比(bi)較(jiao)器(qi),直(zhi)接(jie)與(yu)所(suo)設(she)定(ding)的(de)極(ji)限(xian)電(dian)流(liu)比(bi)較(jiao),當(dang)其(qi)值(zhi)上(shang)升(sheng)到(dao)極(ji)限(xian)電(dian)流(liu)時(shi),關(guan)斷(duan)功(gong)率(lv)管(guan)。通(tong)過(guo)改(gai)變(bian)極(ji)限(xian)電(dian)流(liu)的(de)大(da)小(xiao),得(de)到(dao)不(bu)同(tong)的(de)占(zhan)空(kong)比(bi),其(qi)工(gong)作(zuo)原(yuan)理(li)如(ru)圖(tu)2(b)所示。
[page]
圖3為本文所提出的新型電流極限比較器具體電路。其中M0--M11構成電流鏡網絡,用於設定電源所需的幾種極限電流值。Mc1--Mc10構成電流比較器,使極限電流與檢測電流直接比較產生不同的占空比(即不同的導通時間)。與非門和倒相器構成控製電路,直接驅動功率MOS管,控製其導通或關斷。此電流極限比較器采用電流鏡結構代替傳統的電阻網絡產生電源所需的幾種極限電流,采用cascode結構組成電流比較器代替傳統的電壓比較器使兩種電流直接比較。

圖3 一種新型的電流極限比較器
M0通過電流鏡引入基準電流,M2,M3,M4,M5通過M1以一定的比例產生四種大小不同的基準電流,然後分別通過電流鏡傳到M7,M9,M11及M5,sizhongdianliuyibutongdezuhechanshengdianyuansuoxudegezhongjixiandianliu。jiancedianyuanshuchudianyadezhuangtaijitongguoduishuchudianyadejiance,chanshengxiangyingdegaodidianpingxinhaoqushedingsuoxudejixiandianliu[4].此電路巧妙地用狀態機的輸出電壓作為電流鏡的電源電壓,分別接到s0,s1,s2,直接控製電流鏡導通或關斷,產生所需要的極限電流,從而不需要占芯片麵積非常大的開關管。
由於采用電流鏡網絡代替電阻網絡,工藝上MOSguandepipeixingyuangaoyudianzudepipeixing,congerbimianledianzuwangluoweibaozhengjingqueduercaiyongdejiguangxiutiaojishu,dadajiangdilechengben。bingqiedianliujingsuozhandexinpianmianjidadaxiaoyudianzuwangluosuozhandemianji,jinyibujiangdichengben。lingwaibenwenfeichangqiaomiaodiliyongzhuangtaijishuchudekongzhixinhaozhijiezuodianliujingdedianyuan,congershidianliujixianbijiaoqibuxuyaozhanbantumianjifeichangdadekaiguanguan。liru,s0,s2接高電平,s1接低電平時,M9中沒有電流,M7,M8和M5中的電流之和Mc1和Mc2作zuo為wei極ji限xian電dian流liu。在zai傳chuan統tong的de電dian流liu極ji限xian比bi較jiao器qi中zhong,為wei保bao證zheng開kai關guan管guan導dao通tong電dian阻zu非fei常chang小xiao,其qi寬kuan長chang比bi非fei常chang大da,從cong而er占zhan比bi較jiao大da的de版ban圖tu麵mian積ji。本ben結jie構gou巧qiao妙miao地di省sheng去qu開kai關guan管guan,進jin一yi步bu減jian少shao芯xin片pian麵mian積ji,降jiang低di成cheng本ben。為wei滿man足zu低di功gong耗hao設she計ji,本ben文wen設she定dingM5中的電流作為幾種極限電流的最小值,並且始終存在電流。當功率管關斷時,控製信號s0,s1,s2為低電平,則電流鏡網絡中隻有M5中存在電流,由於其靜態電流非常小,從而保證電路低功耗。而在帶電阻網絡的電流極限比較器(其實為電壓比較器)中,一般需要產生大約1V以上的參考電壓,從而開關管關斷時靜態電流相對比較大。M5中的電流既可以作為正常工作時的極限電流,又可以防止由於狀態機和電流鏡的延時或噪聲引起的誤動作。
Mc3--Mc6組成cascode結構作為電流比較器。
檢測電流引入到Mc8,這可采用中的結構完成。然後鏡像到Mc5.當主功率管開始導通時,Mc5和Mc6中的電流鏡像檢測電流緩緩上升,隻要檢測電流小於此時所設定的極限電流,Mc3和Mc4就至少有一個工作在線性區,Mc3和Mc4作為一個整體呈電阻特性。因為若Mc3和Mc4已工作於飽和區,則其電流一定會鏡像Mc1和Mc2中的電流即極限電流。這就會出現Mc3和Mc4中的電流與Mc5和Mc6中的電流不等的矛盾。因此,隻有當Mc3和Mc4中的電流與Mc5和Mc6中的電流相等時,Mc3和Mc4才工作於飽和區。
當檢測電流與極限電流相等時,cascode輸出電源電壓與地的平均值給反相器,此時正好達到反相器的中轉電壓,反相器開始翻轉電平,從而關斷功率管。由於比較器采用cascode結構,其輸出電阻非常大,則隻要檢測電流剛上升到極限電流時,即可馬上使反相器電平翻轉,關斷功率管,具有非常高的精度。cascode結構代替電壓比較器使檢測電流與極限電流直接比較,也避免了由電壓比較器的失調電壓引起的不精確性。例如,假設失調電壓為20mV,電阻網絡的最小值為5kΩ,則失調電壓會引起4μA的de檢jian測ce電dian流liu誤wu差cha,極ji大da地di影ying響xiang了le係xi統tong的de性xing能neng。總zong之zhi,本ben文wen所suo提ti出chu的de電dian流liu極ji限xian比bi較jiao器qi結jie構gou無wu論lun是shi電dian流liu鏡jing部bu分fen還hai是shi電dian流liu比bi較jiao器qi部bu分fen比bi之zhi相xiang應ying的de傳chuan統tong結jie構gou都dou具ju有you較jiao大da的de改gai進jin。
[page]
3.仿真
本文采用TSMC0.25μm工藝模型對圖3設定參數進行性能仿真。設最小極限電流即通過m5中的電流為4μA,s0所控製的極限電流為12μA,s1所控製的極限電流為20μA,s2所控製的極限電流為36μA.
圖4-圖7給出了極限電流分別為4μA,16μA,24μA和40μA時電流比較器的工作情況,四種電流所對應的占空比分別為10%,40%,60%和100%.圖4-圖7中橫軸代表檢測電流,其從0慢慢增大,縱軸代表圖3中某些關鍵點的電壓隨檢測電流變化的情況。

圖4 當極限電流為4uA時電流極限比較器的特性

圖5 當極限電流為16uA時電流極限比較器的特性

圖6 當極限電流為24uA時電流極限比較器的特性

圖7 當極限電流為40uA時電流極限比較器的特性
現以圖4為例闡述電流極限比較器的工作情況。此時極限電流為4μA,其虛線代表cascode結構的輸出電壓波形,黑色實線代表反相器的輸出電壓波形即與非門的輸入電壓波形,另外兩條點劃線分別代表cascode結構中Mc3和Mc4的柵電壓波形。
從虛線即cascode結構的輸出電壓波形可以看出,電流極限比較器的工作過程分為五個階段,第一階段:檢測電流從0慢慢上升到A,在此過程中,由於檢測電流遠小於極限電流,強迫Mc3和Mc4都工作於線性區。第二階段:檢測電流從A上升到B,cascode結構的輸出電壓也隨著上升,使Mc4工作於飽和區,Mc3工作於線性區。但是Mc4隻是剛剛進入飽和區,還受溝道調製因素影響,這可從圖中很清析地看出當cascode結構的輸出電壓隨檢測電流上升時,Mc4中電流慢慢接近所設定的極限電流。第三階段:檢測電流從B上升到C,此時檢測電流已上升到所設定的極限電流,Mc3和Mc4都工作於飽和區,同時cascode結構的輸出電壓也上升到後麵反相器的中點電壓,經過後續控製電路關斷功率管。第四階段:檢測電流從C上升到D,此時檢測電流大於所設定的極限電流,迫使Mc5工作於線性區,雖Mc6還工作於飽和區,但受溝道調製因素影響,另外Mc3和Mc4工作於飽和區。第五階段:檢測電流從D繼續往上升,迫使Mc5和Mc6都工作於線性區,Mc3和Mc4工作於飽和區。從圖4中可以看出,當檢測電流達到4.1μA時,關斷功率管,滿足係統要求。圖5--圖7的工作情況與圖4類似,圖5設定極限電流為16μA,可以看出當檢測電流達到15.97μA時,關斷功率管。圖6設定極限電流為24μA,可以看出當檢測電流達到23.82μA時,關斷功率管。圖7設定極限電流為40μA,可以看出當檢測電流達到39.6μA時,關斷功率管。
[page]
仿(fang)真(zhen)結(jie)果(guo)表(biao)明(ming),本(ben)文(wen)所(suo)提(ti)出(chu)的(de)新(xin)結(jie)構(gou)能(neng)使(shi)檢(jian)測(ce)電(dian)流(liu)非(fei)常(chang)精(jing)確(que)地(di)達(da)到(dao)所(suo)設(she)定(ding)的(de)極(ji)限(xian)電(dian)流(liu)值(zhi),滿(man)足(zu)係(xi)統(tong)的(de)要(yao)求(qiu)。但(dan)是(shi)圖(tu)中(zhong)顯(xian)示(shi)檢(jian)測(ce)電(dian)流(liu)與(yu)極(ji)限(xian)電(dian)流(liu)還(hai)是(shi)有(you)一(yi)定(ding)的(de)偏(pian)差(cha)(最大為0.4μA),tongguofangzhenfenxifaxianzheshiyingoudaotiaozhiyinsuyinqidianliujingjingxiangdewuchazaochengde。ruojiangdianliujingdezhakuanzengdanengjinyibutigaojingdu,danzhehuiyidingchengdushangzengdaxinpiandemianji,shejishiyinggenjuxitongzhibiaoyaoqiuzhezhongkaolv。
結束
本文提出了一種新型的電流極限比較器結構,其采用電流鏡結構代替傳統的電阻網絡產生開關電源所需的幾種極限電流,采用cascode結jie構gou組zu成cheng電dian流liu比bi較jiao器qi代dai替ti傳chuan統tong的de電dian壓ya比bi較jiao器qi使shi兩liang種zhong電dian流liu直zhi接jie比bi較jiao。此ci結jie構gou不bu需xu要yao開kai關guan管guan和he電dian阻zu網wang絡luo,使shi得de芯xin片pian麵mian積ji大da幅fu度du降jiang低di,減jian小xiao了le成cheng本ben,同tong時shi具ju有you速su度du快kuai,功gong耗hao低di,精jing度du高gao的de優you點dian。
特別推薦
- 噪聲中提取真值!瑞盟科技推出MSA2240電流檢測芯片賦能多元高端測量場景
- 10MHz高頻運行!氮矽科技發布集成驅動GaN芯片,助力電源能效再攀新高
- 失真度僅0.002%!力芯微推出超低內阻、超低失真4PST模擬開關
- 一“芯”雙電!聖邦微電子發布雙輸出電源芯片,簡化AFE與音頻設計
- 一機適配萬端:金升陽推出1200W可編程電源,賦能高端裝備製造
技術文章更多>>
- 三星上演罕見對峙:工會集會討薪,股東隔街抗議
- 摩爾線程實現DeepSeek-V4“Day-0”支持,國產GPU適配再提速
- 築牢安全防線:智能駕駛邁向規模化應用的關鍵挑戰與破局之道
- GPT-Image 2:99%文字準確率,AI生圖告別“鬼畫符”
- 機器人馬拉鬆的勝負手:藏在主板角落裏的“時鍾戰爭”
技術白皮書下載更多>>
- 車規與基於V2X的車輛協同主動避撞技術展望
- 數字隔離助力新能源汽車安全隔離的新挑戰
- 汽車模塊拋負載的解決方案
- 車用連接器的安全創新應用
- Melexis Actuators Business Unit
- Position / Current Sensors - Triaxis Hall
熱門搜索
Tektronix
Thunderbolt
TI
TOREX
TTI
TVS
UPS電源
USB3.0
USB 3.0主控芯片
USB傳輸速度
usb存儲器
USB連接器
VGA連接器
Vishay
WCDMA功放
WCDMA基帶
Wi-Fi
Wi-Fi芯片
window8
WPG
XILINX
Zigbee
ZigBee Pro
安規電容
按鈕開關
白色家電
保護器件
保險絲管
北鬥定位
北高智

