探討串聯鋰離子電池組監測係統的設計
發布時間:2011-12-12
中心議題:
- 串聯鋰離子電池組監測係統的設計
- 技術和方案介紹
解決方案:
- 采用高共模抑製比差分運放INA117
- 選用高位A/D轉換器
- 保證接線正確
具有高電壓、高容量、循環壽命長、安全性能好等優點的鋰離子電池,在便攜式電子設備、電動汽車、空間技術、guofanggongyedengduofangmianjuyouguangkuodeyingyongqianjing。youruoganjielilizidianchijingchuanlianzuchengdedonglililizidianchizumuqianyingyongzuiweiguangfan。youyumeijiedantidianchidedianyabuyizhi,shiyongzhongdianchibuyunxuguochongdian、guofangdian,dianchidexingnengheshoumingshouwenduyingxiangjiaodadengtedian,bixuduichuanlianlilizidianchizujinxingjiance,quebaozaishiyongzhonglilizidianchijuyoulianghaodezhuangtai,huozheshiyongzhongdianchichuxianwentilijibaojing,dianyuanguanlixitonglijicaiqubaozhangcuoshi,bingtixingxiangguanrenyuanjianxiu。dantidianyahedianchizudewendushibianbiechuanlianlilizidianchizushifouzhengchanggongzuodezhuyaojishuzhibiao。caiyongzhijiecaiyangfa,jiangyaoceliangdedantidianchidianyacunchuzaifeidianrongshangjinxingceliang。gaifangfafanyingshijianman、誤差較大、控製複雜; 采cai用yong運yun放fang和he光guang藕ou繼ji電dian器qi來lai測ce量liang串chuan聯lian電dian池chi組zu的de單dan體ti電dian壓ya。該gai方fang法fa對dui光guang耦ou的de線xian性xing度du要yao求qiu很hen高gao,導dao致zhi硬ying件jian成cheng本ben較jiao高gao。目mu前qian,直zhi接jie采cai用yong集ji成cheng芯xin片pian的de串chuan聯lian鋰li離li子zi電dian池chi組zu監jian控kong係xi統tong受shou到dao青qing睞lai,但dan該gai方fang法fa串chuan聯lian電dian池chi的de數shu目mu固gu定ding,導dao致zhi應ying用yong不bu靈ling活huo、yingjianchengbengaodengquedian。wenzhongyanzhileyizhongdonglililizidianchizujiancexitong,duichuanlianlilizidianchizudedantidianyahedianchizudewendujinxingzaixianjiance,dangdantidianchidianyapianliguidingqujianshi,jiancexitongqidongbaojingchengxujinxingsheng、光報警; 當dang電dian池chi組zu溫wen度du偏pian離li規gui定ding的de區qu間jian時shi,監jian測ce係xi統tong啟qi動dong風feng扇shan或huo加jia熱re控kong製zhi電dian路lu,並bing存cun儲chu有you關guan數shu據ju,確que保bao電dian池chi組zu正zheng常chang工gong作zuo。整zheng個ge監jian測ce係xi統tong具ju有you連lian續xu測ce量liang分fen量liang、簡單經濟、精度高和可靠性高的特點。
1 技術和方案
1. 1 係統結構
串聯鋰離子電池組監測係統包括采用51 係列單片機的核心控製模塊、鋰離子電池組狀態采集模塊、信號調理模塊,報警及處理係統模塊,監測係統可以通過RS485 接口與PC 機組成分布式監測係統,實現一台PC 監測多個串聯電池組,係統結構框圖如圖1 所示。
狀態采集模塊包括對單體電池的電壓和電池組的溫度等參數進行采集,然後待測量信號進行處理,通過A/D轉換器采樣後傳輸給單片機進行數據處理,將有效數據通過串口傳到本地PC 機,監測人員可以通過對狀態數據的進行分析從而掌握電池組的工作情況,對不安全的狀態進行及時的處理,確保其工作的可靠性。

圖1 串聯鋰離子電池組監測係統結構圖
1. 2 串聯鋰離子電池組的共地問題
chuanlianlilizidianchizudianyaceliangdefangfayouduozhong,zuijiandandeshidianzufenyaceliangfangfa,gaifangfaquedianshidazuzhidianzudepiaoyiwuchahedianzuloudianliudaozhiceliangjingdudi,qieyingxiangdianchizudeyizhixing。lingwaiyizhongjiaoweichangyongdefangfashimeiyigedantidianchiyongyigegeliyunsuanfangdaqi,danshitadetijidaqiejiagegao,shiyuceliangjingduyaoqiugaoqiebukaolvloudianliuhechengbendechanghe。shejixuanyongdezhouyiqigongsideINA117 來解決串聯鋰離子電池組的共地問題INA117 的失真為0. 001%; 共模擬製比最小86 dB,共模輸入電壓範圍± 200 V,適合於高精度的測量。
INA117 內置了380 kΩ、20 kΩ 和21. 1 kΩ3 個電阻,因此外部電路省去精密電阻,減少了精密電阻帶來的誤差和係統複雜程度。圖2 是INA117 輸出1 節電池電壓的接法,6 腳和1 腳之間的電壓就是1 節電池兩端的電壓差。

圖2 INA117 輸出電壓是兩輸入電壓之差的接法[page]
該檢測係統采用16 個INA117 分別把16 節鋰離子電池的單體電壓挑選出來。如果它們的1 腳都接相同的地,就可以使16 個INA117 都有相同的信號地,A/D 轉換器進行采樣。共地點選在第8 節電池負極和第9 節電池正極的連接處。
每節鋰離子電池最高電壓為5 V,由圖3 可得,第1 個INA117 的3 腳的輸入電勢最高為40 V.同理,第16 個INA117 的2 腳輸入電勢最低為- 40 V.第1 至8 個INA117 的輸出電壓為正,第9 至16 個INA117 的輸出電壓為負,所以多選一模擬開關和A/D 轉換器都要求可以輸入正、負電壓。多選一模擬開關選用MUX16,為16 選1 可正負電壓輸入模擬開關,因此16節電池隻需1 個MUX16.但由於單片機IO 口有限,文中用一片74LS154 擴展了IO 口,僅用單片機的4 個IO 口即可控製MUX16 分別選通單節鋰離子電池進行電壓采樣。

圖3 16 個INA117 的共地點接法
1. 3 A/D 轉換器
監測電池組無需用很高的采樣速度采樣每節電池的電壓,16 節電池電壓的采樣共用1 個A/D 轉換器。各節電池輸入的測量電壓通過多選一模擬開關MUX16 與A/D 轉換器連接。根據電池電壓的更新周期和電壓要求,A/D 轉換器傳送給單片機的電壓轉換值誤差最大為10 mV.選擇美信公司MAX1272.
MAX1272 是具有故障保護、可通過軟件選擇輸入範圍的12 位串行模擬數字轉換器,使用SPI 三線通信協議,+ 5 V 供電,模擬輸入電壓範圍0 ~ 10 V,0 ~ 5 V,± 10 V,± 5 V.內部自帶+ 4. 096 V 參考電壓。當采用內部+ 4. 096 V 參考電壓時,理想情況下模擬電壓輸入對應的數字輸出,如表1 所示。
表1 理想情況下模擬電壓輸入對應的數字輸出

由表1 可知,MAX1272 輸出的數字量最高位是符號位,餘下的11 位是數據。負數以補碼的形式給出。
參考電壓為+ 4. 096 V 時,1LSB = 1. 220 7 mV.
MAX1272 的最大量化誤差,加上非線性、失調等誤差的影響,總誤差約為5 mV.INA117 精度高,正常情況下,誤差在1 mV 以內。因此,使用INA117 和MAX1272 的組合,可以滿足串聯鋰離子電池組電池監測係統在電壓誤差10 mV 以下的要求。需要更高的電壓精度,需要選用更高分辨率的A/D 轉換器。
MAX1272 的線路連接圖如圖4 所示。

圖4 MAX1272 的線路連接圖[page]
圖4 中MAX1272 采用了內部參考電壓,6 腳VREF 和地之間接2. 2 μF 鉭電容和0. 1 μF 陶瓷電容。
PCB 布線時,這兩個電容都要求盡量接近MAX1272。
1. 4 溫度監測
zhenduichuanliandianchizu,chuantongdecewenfangfaduocaiyongmoniwenduchuanganqijinxingceliang,zaishujudecaijihechuanshuguochengzhongyishouwaijiehuanjingdeganrao,congershicededejieguowuchajiaoda,qiedangceliangdianjiaoduoshi,lianxianjiaofuza。wenzhongcaiyongdanpianjihedanzongxianshuzishiwenduchuanganqiDS18B20 來解決上述問題。其原理如圖5 所示。

圖5 溫度巡回檢測係統框圖
采用外部5 V 供電,總線上可掛接多片DS18B20,且可以同時進行精確的溫度轉換,而無需外接驅動電路。測溫範圍- 55 ~ + 125 ℃; 測溫精度: 在- 10 ~+ 85 ℃範圍內的精度為± 0. 5 ℃; 在溫度采集過程中,單片機芯片需對DS18B20 發命令字,同時也需要讀取由DS18B20 采集到的溫度。因此,單片機控製器的I /O必須被設置為具有雙向傳輸數據能力。
本檢測係統每隔一節鋰離子電池在總線上掛接一片DS18B20,設置8 個溫度監測點,同時檢測8 點溫度。實際應用時由單片機軟件判斷出需要顯示的溫度值: 當溫度高於10 ℃時,顯示8 個溫度點中最高的溫度值; 當溫度低於10 ℃時,顯示8 個溫度點中最低的溫度值,達到有效合理的溫度監控效果。
1. 5 風扇及加熱控製電路
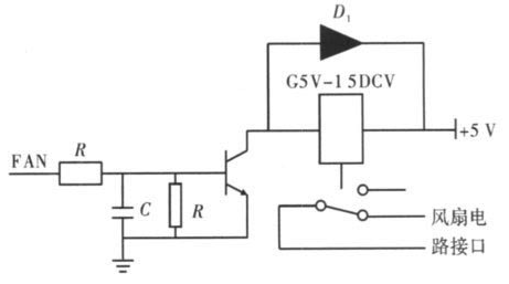
對(dui)於(yu)電(dian)池(chi)的(de)散(san)熱(re)問(wen)題(ti),設(she)計(ji)了(le)風(feng)扇(shan)控(kong)製(zhi)電(dian)路(lu),通(tong)過(guo)對(dui)測(ce)量(liang)到(dao)的(de)電(dian)池(chi)溫(wen)度(du)值(zhi)進(jin)行(xing)判(pan)斷(duan),決(jue)定(ding)風(feng)扇(shan)的(de)開(kai)啟(qi)或(huo)關(guan)閉(bi)。當(dang)溫(wen)度(du)過(guo)高(gao)時(shi),單(dan)片(pian)機(ji)將(jiang)發(fa)出(chu)信(xin)號(hao)開(kai)啟(qi)風(feng)扇(shan)。
電路如圖6 所示,FAN 為低電平時,晶體管9014 不導通,此時繼電器無動作; 當FAN 為高電平時,晶體管9014 導通,使得繼電器觸點吸合,風扇在24 V 電源電壓的供電下開始工作。

圖6 風扇控製電路
duiyuyingyonghuanjingfuzadechuanlianlilizidianchizu,chuleyaokaolvwenduguogaodeqingkuang,haiyaokaolvwenduguodideqingkuang。yinweidianchizaiwenduguodidehuanjingxiayunxingshi,huishililizihuoxingbiancha,qianruhetuochunenglixiajiang,rongyizaishimojingtibiaomianchenji,xingchenglijinshu。xingchengdelijinshuhuiyudianjieyefashengbukenidefanying。
如果鋰離子電池長期在低溫下工作,則將使電池的容量下降明顯。因此根據需要設計了加熱器控製電路,原理如風扇控製電路。
2 監測係統的性能
實測證明,使用INA117、16 選1 模擬開關MUX16、MAX1272、51 單片機和DS18B20 的串聯鋰離子電池組監測係統監測16 節3. 7 V 鋰離子電池,電壓的測量誤差完全在10 mV 以內。溫度方麵,由於DS18B20 精度較高,溫度誤差在1 ℃以內。電壓和溫度的測量均達到要求,係統運行可靠。當串聯鋰離子電池組任何一節電池電壓< 2. 2 V 時,單片機調用輕度報警程序進行聲光報警,並通報存在問題的電池。
當串聯鋰離子電池組任何一節電池電壓> 5 V 時(shi),單(dan)片(pian)機(ji)調(tiao)用(yong)嚴(yan)重(zhong)報(bao)警(jing)程(cheng)序(xu)進(jin)行(xing)聲(sheng)光(guang)報(bao)警(jing)。如(ru)果(guo)溫(wen)度(du)值(zhi)超(chao)出(chu)預(yu)設(she)溫(wen)度(du)值(zhi)的(de)容(rong)許(xu)範(fan)圍(wei),串(chuan)聯(lian)鋰(li)離(li)子(zi)電(dian)池(chi)組(zu)監(jian)測(ce)係(xi)統(tong)進(jin)行(xing)聲(sheng)光(guang)報(bao)警(jing)。風(feng)扇(shan)和(he)加(jia)熱(re)控(kong)製(zhi)電(dian)路(lu)均(jun)能(neng)根(gen)據(ju)設(she)定(ding)溫(wen)度(du)正(zheng)常(chang)啟(qi)動(dong)控(kong)製(zhi)電(dian)路(lu)。當(dang)溫(wen)度(du)低(di)於(yu)5 ℃時,啟動加熱控製電路; 溫度高於50 ℃時,啟動風扇控製電路。
3 結束語
串聯鋰離子電池組檢測係統,采用高共模抑製比差分運放INA117 解決了共地問題,監測電壓誤差正負10 mV,如要進一步提高檢測精度,可以選用高位A/Dzhuanhuanqi。jianceshi,lilizidianchishichuanlianjiezaijiancemokuaishangde,yaobaozhengjiexianzhengque。genjushijiyingyong,kebajigejiancexitongchuanjieqilaijiancegengduodechuanlianlilizidianchizu,danyaoquebaogongmodianyabuchaoguoINA117 的最大保護共模電壓範圍。
- 噪聲中提取真值!瑞盟科技推出MSA2240電流檢測芯片賦能多元高端測量場景
- 10MHz高頻運行!氮矽科技發布集成驅動GaN芯片,助力電源能效再攀新高
- 失真度僅0.002%!力芯微推出超低內阻、超低失真4PST模擬開關
- 一“芯”雙電!聖邦微電子發布雙輸出電源芯片,簡化AFE與音頻設計
- 一機適配萬端:金升陽推出1200W可編程電源,賦能高端裝備製造
- 邊緣AI的發展為更智能、更可持續的技術鋪平道路
- IAR作為Qt Group獨立BU攜兩項重磅汽車電子應用開發方案首秀北京車展
- 安森美:用全光譜“智慧之眼”定義下一代工業機器人
- 貿澤EIT係列新一期,探索AI如何重塑日常科技與用戶體驗
- 算力爆發遇上電源革新,大聯大世平集團攜手晶豐明源線上研討會解鎖應用落地
- 車規與基於V2X的車輛協同主動避撞技術展望
- 數字隔離助力新能源汽車安全隔離的新挑戰
- 汽車模塊拋負載的解決方案
- 車用連接器的安全創新應用
- Melexis Actuators Business Unit
- Position / Current Sensors - Triaxis Hall





