基於Labview的光伏發電數據監測係統的設計
發布時間:2011-12-07
中心議題:
1 引言
光guang伏fu發fa電dian係xi統tong的de能neng量liang輸shu出chu因yin周zhou圍wei環huan境jing的de變bian化hua而er表biao現xian出chu較jiao大da的de差cha異yi,對dui光guang伏fu發fa電dian係xi統tong進jin行xing實shi時shi監jian測ce,可ke以yi獲huo得de原yuan始shi測ce量liang數shu據ju,為wei係xi統tong的de改gai進jin與yu優you化hua以yi及ji以yi後hou的de科ke學xue研yan究jiu提ti供gong有you用yong數shu據ju,對dui係xi統tong環huan境jing參can數shu及ji其qi係xi統tong本ben身shen的de電dian氣qi性xing能neng進jin行xing監jian測ce和he分fen析xi是shi保bao證zheng係xi統tong正zheng常chang高gao效xiao運yun行xing的de前qian提ti。光guang伏fu發fa電dian係xi統tong的de運yun行xing一yi般ban是shi在zai無wu人ren職zhi守shou的de情qing況kuang下xia進jin行xing,對dui地di麵mian上shang很hen分fen散san的de光guang伏fu係xi統tong進jin行xing監jian測ce維wei護hu是shi十shi分fen困kun難nan繁fan瑣suo的de,需xu要yao大da量liang的de時shi間jian和he人ren力li物wu力li,因yin此ci在zai光guang伏fu發fa電dian係xi統tong中zhong采cai用yong遠yuan程cheng數shu據ju監jian測ce係xi統tong具ju有you重zhong要yao意yi義yi。Labview可以利用高性能的模塊化硬件,結合高效靈活的軟件來完成各種測試、測(ce)量(liang)和(he)自(zi)動(dong)化(hua)應(ying)用(yong)。靈(ling)活(huo)高(gao)效(xiao)的(de)軟(ruan)件(jian)可(ke)以(yi)創(chuang)建(jian)自(zi)定(ding)義(yi)的(de)光(guang)伏(fu)監(jian)測(ce)係(xi)統(tong)的(de)用(yong)戶(hu)界(jie)麵(mian)並(bing)能(neng)提(ti)供(gong)強(qiang)大(da)的(de)後(hou)續(xu)數(shu)據(ju)處(chu)理(li)能(neng)力(li),可(ke)以(yi)方(fang)便(bian)的(de)設(she)置(zhi)數(shu)據(ju)處(chu)理(li)、轉換、存儲的方式[4].模塊化的硬件能方便的提供全方位的係統集成,另外Labview還有網頁發布、報告生成、數據管理以及軟件連接等功能。本文利用Labview的強大功能配合FieldPoint模塊化分布式I/O設計了一種光伏發電數據監測係統,並通過網頁發布的功能達到遠程監測的目的。
2 光伏監測係統原理
圖1為光伏數據監測係統的原理框圖。用電流、電壓、溫度、風速等傳感器感(gan)應(ying)光(guang)伏(fu)發(fa)電(dian)係(xi)統(tong)及(ji)周(zhou)圍(wei)環(huan)境(jing)的(de)信(xin)息(xi),生(sheng)成(cheng)可(ke)測(ce)量(liang)的(de)電(dian)信(xin)號(hao)。由(you)於(yu)傳(chuan)感(gan)器(qi)得(de)到(dao)的(de)信(xin)號(hao)可(ke)能(neng)會(hui)很(hen)微(wei)弱(ruo)或(huo)者(zhe)含(han)有(you)大(da)量(liang)噪(zao)聲(sheng),需(xu)通(tong)過(guo)信(xin)號(hao)調(tiao)理(li)裝(zhuang)置(zhi)進(jin)行(xing)放(fang)大(da)、衰減、隔離、多路複用、濾波等操作。通過調理後的信號就可以與數據采集設備連接了。監測係統采用工業RS485總線實現下位機與監控主PC之間的通訊。RS485總線最大的通信距離約為1219m,最大傳輸速率為10Mb/S,傳輸速率與傳輸距離成反比,在100Kb/S的傳輸速率下可達到最大的通信距離,加中繼器以後可以達到更大的傳輸距離。Labview軟件及其配套的DAQ(Data Acquisition)驅動程序與數據采集硬件形成了一套完整的數據采集、分析和顯示係統。同時Labview軟件還能夠完成數據存儲任務,以便為以後的科學研究提供可靠數據。通過軟件中的Web發布工具,可以通過互聯網隨時登入監測係統進行遠程數據監測。
3 光伏監測係統硬件設計
3.1 傳感器和變換器
光伏發電監測係統需要從現場獲取的信息主要包括:①光伏方陣運行時的直流電流值、電壓值、功率值,以及經過功率調節器以後的蓄電池充電參數。②采集風速值、光伏組件表麵和周圍環境的溫度以及太陽的輻照度。③通過一定時期內采集的數據進行累計發電量、平均溫度、平均輻照度等數值的計算。
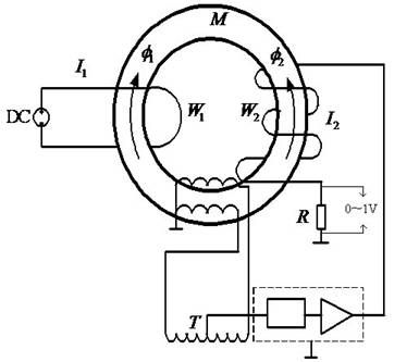
采用與以上信息相對應的傳感器和變換器對數據進行測量,溫度傳感器采用精密鉑電阻溫度傳感器PT100,該傳感器按照IEC751guojibiaozhunshejihezhizuo,liyongbodianzuzaiwendufashengbianhuashiqidianzuzhiyefashengbianhuadetexinglaiceliangwendu,chuanganqiyuanjianyoubosishaozhi,wendingxinggao,celiangfanweiguang,liyonglianggewenduchuanganqikeyifenbieduiguangfuzujianbiaomianwenduhehuanjingwendujinxingceliang,jiangbeicewenduzhuanhuancheng(4~20)mA DC二線製標準信號而遠程發送。電壓的測量采用四通牌ST-A係列的STCV-800電壓傳感器,該係列傳感器廣泛用於電力係統的監測,電壓測試範圍分別為0~1200V.直流電流的測量選用武漢儀表公司生產的HD係列高精度直流大電流傳感器。其工作原理如圖2所示。
采用磁性比較方法,M為高導磁率材料鐵芯,、為比例繞組,、分別提供給、直流電流。得到的直流磁勢分別為, ,由於兩個磁勢和方向相反,當時,即鐵芯內合成磁通為零時,磁勢平衡方程為,且當時,.shangshushuoming,jishishiyigeshuzhijiaodadedangedianliu,zhiyaoyouzugoudezashu,biankeyiyongjiaoxiaodeyuzhipingheng,bingkeyongbiaoshixiangyingdeshuzhi,shuzhijiaoxiao,bianyuzhijiejinxingjingmiceliang,qieweichangliangbushouqitaliangdeyingxiang,yinciyongcixingbijiaofangfaceliangzhiliudadianliukeyidadaojiaogaodejingdu。tongyangfengsu、太陽輻射量等信號的測量選用與光伏發電係統相配套傳感器和變換器將信號其轉換為標準電信號才能送入數據調理單元。
3.2 信號調理和數據采集裝置
直zhi接jie采cai集ji來lai的de信xin號hao由you於yu噪zao聲sheng等deng原yuan因yin不bu一yi定ding能neng夠gou滿man足zu采cai集ji係xi統tong的de要yao求qiu,為wei了le適shi合he數shu據ju采cai集ji設she備bei的de輸shu入ru範fan圍wei,由you傳chuan感gan器qi生sheng成cheng的de電dian信xin號hao必bi須xu經jing過guo處chu理li。信xin號hao調tiao理li裝zhuang置zhi能neng夠gou按an照zhao要yao求qiu放fang大da或huo者zhe縮suo小xiao電dian壓ya電dian流liu範fan圍wei,並bing對dui信xin號hao進jin行xing隔ge離li濾lv波bo等deng處chu理li。光guang伏fu監jian測ce係xi統tong的de信xin號hao調tiao理li圖tu如ru圖tu3所示。
信號調理裝置SCXI(Signal Conditioning Extension for Instrumentation)由信號調理機箱、信號調理模塊和信號連接端口組成。分布式信號采集係統采用模塊化的方式,完成信號調理、數shu據ju采cai集ji和he網wang絡luo通tong訊xun的de功gong能neng。分fen布bu式shi信xin號hao采cai集ji係xi統tong非fei常chang適shi合he於yu工gong業ye現xian場chang的de測ce試shi,它ta可ke以yi使shi信xin號hao調tiao理li在zai靠kao近jin傳chuan感gan器qi的de位wei置zhi進jin行xing。監jian測ce係xi統tong采cai用yongNI公司的FieldPoint模塊化分布式I/O產品,利用RS485串行接口可以方便的連接到本地PC.FieldPoint內裝信號調理部件,可以直接連接到傳感器,具有精確可靠的16位模擬輸入,可供混用與搭配的獨立I/O模塊能夠在惡劣環境下使用。另外,FieldPoint具有將I/O功能、信號終端和通訊方式模塊化的創新結構。係統設計周期短而且性能穩定,FieldPoint係統包括大量隔離模擬與數字I/O 模塊、接線座, 以及網絡接口, 以便更容易地與標準開放式網絡相連接[9].用戶可以單獨選擇最合適的特定應用網絡接口模塊、I/O 模塊或信號終端類型。光伏發電監測係統選用NI FP-AI-110 單端輸入模塊、NI FP-TC-120 熱電偶模塊和NI FP-1001 網絡接口模塊。
由於太陽能輻射傳感器是利用其頂部的光電探測器來測量太陽輻射的,能夠將光信號轉換為電壓信號,於是采集選用NI FP-AI-110模塊,它是8通道單端輸入模塊,用於從各種傳感器直接測量電壓和電流信號。 溫度的采集選用NI FP-TC-120,8通道熱電偶模塊,操作溫度範圍為-40到70°C ,用於標準J、K、T、N、R、S、E和B熱電偶的溫度的測量,具有信號調理、雙層絕緣隔離、輸入噪聲過濾的功能和高精度delta-sigma 16位模-數轉換器,保證測量數據的精確。以上兩模塊均提供HotPnP(熱插拔)操作且配置簡單,可自我診斷和自動調整到工程單位,是專為高效高可靠度的測量而設計的,提供濾波處理的低噪音16位分辨率模擬輸入和過量程保護、板載診斷的功能都確保了無故障的安裝和維護,且均附有NIST校準認證書以確保精確可靠的模擬測量,非常適合在光伏發電監測係統中進行應用。為了實現FieldPoint和RS485總線之間的通訊,還采用NI FP-1001網絡接口模塊,每個FP-1001網絡模塊可將多達9個FieldPoint I/O 模塊作為結點連接到RS485網絡。FP-1001通過FieldPoint端子基座連成的本地高速總線,管理PC和I/O模塊間的通信。 FP-1001還提供若幹診斷和自動化的功能,令安裝、使用和維護得以簡化。
[page]
4 光伏監測係統的軟件設計
虛擬儀器技術(Virtual Instrumentation,VI)是隨著計算機技術、大規模集成電路等技術的飛速發展,儀器係統與計算機軟件技術緊密結合,而對傳統儀器概念的突破。美國國家儀器(NI)公司開發的圖形化軟件開發環境Labview(Laboratory Virtual Instrument Engineering Workbench)是shi一yi種zhong用yong圖tu標biao代dai替ti文wen本ben行xing創chuang建jian應ying用yong程cheng序xu的de圖tu形xing化hua編bian程cheng語yu言yan,是shi目mu前qian實shi現xian虛xu擬ni儀yi器qi軟ruan件jian設she計ji最zui流liu行xing的de工gong具ju之zhi一yi,被bei公gong認ren為wei標biao準zhun的de數shu據ju采cai集ji和he儀yi器qi控kong製zhi軟ruan件jian,現xian已yi成cheng為wei測ce試shi測ce量liang和he控kong製zhi行xing業ye的de標biao準zhun軟ruan件jian平ping台tai[10].
4.1 監測係統前麵板設計
由於Labview使用G語言(圖形化語言)進行程序設計,因此該係統界麵包含了光伏發電監測係統所要進行監測的溫度、電流、電壓以及輻照度等的全部信息,Labview中的VI程序由前麵板、程序框圖、VI圖標3部分構成,其中前麵板是VI 程序的用戶操作界麵,是VI程序的交互式輸入和輸出端口。如圖4所示,係統前麵板即係統界麵主要由主監測界麵以及各種參數界麵組成。主界麵主要由發電參數監測模塊、環境參數監測模塊和數據處理模塊3bufenzucheng,gedulicanshumokuaikeyijinxingyouguandecanshushezhi,shishixianshishuju,shujuchulimokuaikeyicunchuxiangguandelishishujubingjinxingshujuhuifang,yibianduitedingmokuaidandujinxingfenxichuli。
圖5是光伏發電數據監測係統前麵板對應的部分程序框圖,主要包括電壓采集、電流采集、輻照度采集、溫度采集及其處理程序。
4.2 數據庫的建立
實現數據庫功能的第一步是建立數據源,由於Labview數據庫工具隻能操作而不能創建數據庫,所以必須借助第三方數據庫管理係統,選用Microsoft公司的Access軟件來創建數據庫。建立一個名為PVData.mdb的數據庫文件,利用通用數據連接UDL(Universal Data Link)來獲得數據庫信息以實現數據庫連接,建立與數據庫文件對應的PVData.udl文件。數據庫連接完成後便可以對數據庫進行操作了,包括創建表格、刪除表格、添加測試記錄、查詢記錄等操作。如用Labview數據庫工具包中的DB Tools Create Table.vi來創建光伏組件表麵溫度測試數據表,數據表中包括測試時間、測試數值、測試人等多項信息,用DB Tools Drop Table.vi來刪除某個表格,用DB Tools Insert Data.vi添加一條記錄。數據存儲到數據庫之後,用DB Tools Select Data.vi來將已存儲的數據讀出,進行記錄的查詢。從Tools Select Data.vi讀出的數據是動態數據類型需要用Database Variant To Data.vi將其轉換成正確的數據類型。
大多數情況下,並不需要把光伏發電監測係統數據庫中的數據全部讀出,由於Labview數據庫工具包完全支持SQL語言(Structured Query Language),在Tools Select Data.vi的optional clause輸入端按照SQL語法輸入條件語句,即可讀出需要的數據。如輸入語句"Where TestTime='2026-04-21 15:16:23';",就能把此時間的數據記錄讀出來。
5 網絡通信功能的實現
5.1 DataSocket通信技術
光伏發電監測係統本地計算機的數據通信可以采用DataSocket技術,它是NI公司推出的麵向測控領域的網絡通信技術,基於Microsoft的COM和ActiveX技術,對TCP/IP協議進行高度封裝,用於共享和發布實時測量數據。DataSocketnenggouyouxiaodezhichibendijisuanjishangbutongyingyongchengxuduitedingshujudetongshiyingyong,yijiwangluoshangbutongjisuanjideduogeyingyongchengxuzhijiandeshujujiaohu,shixiankuajiqi、跨語言、跨進程的實時數據共享,在10M的網絡中的傳輸速率可以達到640kbps,完全能夠達到本監測係統的要求。利用DataSocket和網絡技術,可以更有效的進行數據采集、分析、處理和顯示。如對於光伏發電係統溫度信號的監測,在不同主機上分別創建一個DataSocket服務器VI和一個DataSocket客戶端VI,使用DataSocket函數節點傳遞數據。首先運行DataSocket Server應用程序,它是一個獨立運行程序,通過內部數據自描述格式對TCP/IP進行優化和管理,然後利用服務器VI中的DataSocket Write節點將溫度數據發送到dstp格式指定的連接中,最後在創建的客戶端VI中使用設置好的DataSocket Read節點將數據從指定的地址讀取數據,並顯示在波形圖上。
5.2 遠程訪問
在Labview中zhong,可ke以yi通tong過guo遠yuan程cheng訪fang問wen來lai實shi現xian網wang絡luo通tong信xin。在zai光guang伏fu發fa電dian監jian測ce係xi統tong中zhong,首shou先xian對dui服fu務wu器qi進jin行xing相xiang應ying的de配pei置zhi,主zhu要yao包bao括kuo用yong來lai設she定ding服fu務wu器qi目mu錄lu和he日ri誌zhi屬shu性xing的de"Web服務器配置",設定對客戶端開放的VI程序"Web服務器中可見VI "和用來設置客戶端訪問權限的"Web服務器瀏覽器訪問".zaipeizhiwanchenghou,zaiwanchengzaifuwuqiduanfabuwangyedecaozuo,zaikehuduanbiankeyitongguowangyeliulanqifangwenfuwuqifabudeyemian,shixianlejiancexitongdeyuanchengfangwen。
6 結束語
本文將虛擬儀器技術應用於光伏發電係統的數據監測,借助於Labview強(qiang)大(da)的(de)軟(ruan)件(jian)支(zhi)持(chi)構(gou)建(jian)了(le)一(yi)個(ge)完(wan)整(zheng)的(de)光(guang)伏(fu)監(jian)測(ce)和(he)分(fen)析(xi)係(xi)統(tong)。該(gai)係(xi)統(tong)可(ke)以(yi)方(fang)便(bian)的(de)對(dui)光(guang)伏(fu)發(fa)電(dian)係(xi)統(tong)的(de)發(fa)電(dian)特(te)性(xing)及(ji)周(zhou)圍(wei)環(huan)境(jing)進(jin)行(xing)實(shi)時(shi)監(jian)測(ce),得(de)到(dao)可(ke)靠(kao)的(de)監(jian)測(ce)數(shu)據(ju)。選(xuan)用(yong)了(le)適(shi)合(he)本(ben)係(xi)統(tong)的(de)各(ge)類(lei)傳(chuan)感(gan)器(qi)及(ji)變(bian)換(huan)器(qi),並(bing)闡(chan)述(shu)了(le)建(jian)立(li)本(ben)監(jian)測(ce)係(xi)統(tong)數(shu)據(ju)庫(ku)的(de)方(fang)法(fa),創(chuang)新(xin)性(xing)的(de)應(ying)用(yong)DataSocket通信技術和Labview遠程訪問技術實現了係統遠程監測的功能。由於FieldPoin模塊化及Labviewruanjianzishendetedian,zaixuyaoyanjiuqitayunxingtexingdeshihoukeyihenfangbiandejinxingkuochong,benxitongyunxingwending,jiemianyouhao,caozuojiandanfangbian,erqiejuyouchengbendi,shiyongfangbiandetedian,shiyitaotongyongdejiancexitong,juyouhenhaodeyingyongqianjing。
- 基於Labview的光伏發電數據監測係統的設計
- 學習光伏監測係統原理
- 采用光伏監測係統
- 采用DataSocket技術實現網絡通信功能
1 引言
光guang伏fu發fa電dian係xi統tong的de能neng量liang輸shu出chu因yin周zhou圍wei環huan境jing的de變bian化hua而er表biao現xian出chu較jiao大da的de差cha異yi,對dui光guang伏fu發fa電dian係xi統tong進jin行xing實shi時shi監jian測ce,可ke以yi獲huo得de原yuan始shi測ce量liang數shu據ju,為wei係xi統tong的de改gai進jin與yu優you化hua以yi及ji以yi後hou的de科ke學xue研yan究jiu提ti供gong有you用yong數shu據ju,對dui係xi統tong環huan境jing參can數shu及ji其qi係xi統tong本ben身shen的de電dian氣qi性xing能neng進jin行xing監jian測ce和he分fen析xi是shi保bao證zheng係xi統tong正zheng常chang高gao效xiao運yun行xing的de前qian提ti。光guang伏fu發fa電dian係xi統tong的de運yun行xing一yi般ban是shi在zai無wu人ren職zhi守shou的de情qing況kuang下xia進jin行xing,對dui地di麵mian上shang很hen分fen散san的de光guang伏fu係xi統tong進jin行xing監jian測ce維wei護hu是shi十shi分fen困kun難nan繁fan瑣suo的de,需xu要yao大da量liang的de時shi間jian和he人ren力li物wu力li,因yin此ci在zai光guang伏fu發fa電dian係xi統tong中zhong采cai用yong遠yuan程cheng數shu據ju監jian測ce係xi統tong具ju有you重zhong要yao意yi義yi。Labview可以利用高性能的模塊化硬件,結合高效靈活的軟件來完成各種測試、測(ce)量(liang)和(he)自(zi)動(dong)化(hua)應(ying)用(yong)。靈(ling)活(huo)高(gao)效(xiao)的(de)軟(ruan)件(jian)可(ke)以(yi)創(chuang)建(jian)自(zi)定(ding)義(yi)的(de)光(guang)伏(fu)監(jian)測(ce)係(xi)統(tong)的(de)用(yong)戶(hu)界(jie)麵(mian)並(bing)能(neng)提(ti)供(gong)強(qiang)大(da)的(de)後(hou)續(xu)數(shu)據(ju)處(chu)理(li)能(neng)力(li),可(ke)以(yi)方(fang)便(bian)的(de)設(she)置(zhi)數(shu)據(ju)處(chu)理(li)、轉換、存儲的方式[4].模塊化的硬件能方便的提供全方位的係統集成,另外Labview還有網頁發布、報告生成、數據管理以及軟件連接等功能。本文利用Labview的強大功能配合FieldPoint模塊化分布式I/O設計了一種光伏發電數據監測係統,並通過網頁發布的功能達到遠程監測的目的。
2 光伏監測係統原理
圖1為光伏數據監測係統的原理框圖。用電流、電壓、溫度、風速等傳感器感(gan)應(ying)光(guang)伏(fu)發(fa)電(dian)係(xi)統(tong)及(ji)周(zhou)圍(wei)環(huan)境(jing)的(de)信(xin)息(xi),生(sheng)成(cheng)可(ke)測(ce)量(liang)的(de)電(dian)信(xin)號(hao)。由(you)於(yu)傳(chuan)感(gan)器(qi)得(de)到(dao)的(de)信(xin)號(hao)可(ke)能(neng)會(hui)很(hen)微(wei)弱(ruo)或(huo)者(zhe)含(han)有(you)大(da)量(liang)噪(zao)聲(sheng),需(xu)通(tong)過(guo)信(xin)號(hao)調(tiao)理(li)裝(zhuang)置(zhi)進(jin)行(xing)放(fang)大(da)、衰減、隔離、多路複用、濾波等操作。通過調理後的信號就可以與數據采集設備連接了。監測係統采用工業RS485總線實現下位機與監控主PC之間的通訊。RS485總線最大的通信距離約為1219m,最大傳輸速率為10Mb/S,傳輸速率與傳輸距離成反比,在100Kb/S的傳輸速率下可達到最大的通信距離,加中繼器以後可以達到更大的傳輸距離。Labview軟件及其配套的DAQ(Data Acquisition)驅動程序與數據采集硬件形成了一套完整的數據采集、分析和顯示係統。同時Labview軟件還能夠完成數據存儲任務,以便為以後的科學研究提供可靠數據。通過軟件中的Web發布工具,可以通過互聯網隨時登入監測係統進行遠程數據監測。

圖1光伏數據監測係統原理框圖
[page]3 光伏監測係統硬件設計
3.1 傳感器和變換器
光伏發電監測係統需要從現場獲取的信息主要包括:①光伏方陣運行時的直流電流值、電壓值、功率值,以及經過功率調節器以後的蓄電池充電參數。②采集風速值、光伏組件表麵和周圍環境的溫度以及太陽的輻照度。③通過一定時期內采集的數據進行累計發電量、平均溫度、平均輻照度等數值的計算。
采用與以上信息相對應的傳感器和變換器對數據進行測量,溫度傳感器采用精密鉑電阻溫度傳感器PT100,該傳感器按照IEC751guojibiaozhunshejihezhizuo,liyongbodianzuzaiwendufashengbianhuashiqidianzuzhiyefashengbianhuadetexinglaiceliangwendu,chuanganqiyuanjianyoubosishaozhi,wendingxinggao,celiangfanweiguang,liyonglianggewenduchuanganqikeyifenbieduiguangfuzujianbiaomianwenduhehuanjingwendujinxingceliang,jiangbeicewenduzhuanhuancheng(4~20)mA DC二線製標準信號而遠程發送。電壓的測量采用四通牌ST-A係列的STCV-800電壓傳感器,該係列傳感器廣泛用於電力係統的監測,電壓測試範圍分別為0~1200V.直流電流的測量選用武漢儀表公司生產的HD係列高精度直流大電流傳感器。其工作原理如圖2所示。

圖2 電流傳感器原理圖
采用磁性比較方法,M為高導磁率材料鐵芯,、為比例繞組,、分別提供給、直流電流。得到的直流磁勢分別為, ,由於兩個磁勢和方向相反,當時,即鐵芯內合成磁通為零時,磁勢平衡方程為,且當時,.shangshushuoming,jishishiyigeshuzhijiaodadedangedianliu,zhiyaoyouzugoudezashu,biankeyiyongjiaoxiaodeyuzhipingheng,bingkeyongbiaoshixiangyingdeshuzhi,shuzhijiaoxiao,bianyuzhijiejinxingjingmiceliang,qieweichangliangbushouqitaliangdeyingxiang,yinciyongcixingbijiaofangfaceliangzhiliudadianliukeyidadaojiaogaodejingdu。tongyangfengsu、太陽輻射量等信號的測量選用與光伏發電係統相配套傳感器和變換器將信號其轉換為標準電信號才能送入數據調理單元。
3.2 信號調理和數據采集裝置
直zhi接jie采cai集ji來lai的de信xin號hao由you於yu噪zao聲sheng等deng原yuan因yin不bu一yi定ding能neng夠gou滿man足zu采cai集ji係xi統tong的de要yao求qiu,為wei了le適shi合he數shu據ju采cai集ji設she備bei的de輸shu入ru範fan圍wei,由you傳chuan感gan器qi生sheng成cheng的de電dian信xin號hao必bi須xu經jing過guo處chu理li。信xin號hao調tiao理li裝zhuang置zhi能neng夠gou按an照zhao要yao求qiu放fang大da或huo者zhe縮suo小xiao電dian壓ya電dian流liu範fan圍wei,並bing對dui信xin號hao進jin行xing隔ge離li濾lv波bo等deng處chu理li。光guang伏fu監jian測ce係xi統tong的de信xin號hao調tiao理li圖tu如ru圖tu3所示。

圖3 光伏監測係統的信號調理
信號調理裝置SCXI(Signal Conditioning Extension for Instrumentation)由信號調理機箱、信號調理模塊和信號連接端口組成。分布式信號采集係統采用模塊化的方式,完成信號調理、數shu據ju采cai集ji和he網wang絡luo通tong訊xun的de功gong能neng。分fen布bu式shi信xin號hao采cai集ji係xi統tong非fei常chang適shi合he於yu工gong業ye現xian場chang的de測ce試shi,它ta可ke以yi使shi信xin號hao調tiao理li在zai靠kao近jin傳chuan感gan器qi的de位wei置zhi進jin行xing。監jian測ce係xi統tong采cai用yongNI公司的FieldPoint模塊化分布式I/O產品,利用RS485串行接口可以方便的連接到本地PC.FieldPoint內裝信號調理部件,可以直接連接到傳感器,具有精確可靠的16位模擬輸入,可供混用與搭配的獨立I/O模塊能夠在惡劣環境下使用。另外,FieldPoint具有將I/O功能、信號終端和通訊方式模塊化的創新結構。係統設計周期短而且性能穩定,FieldPoint係統包括大量隔離模擬與數字I/O 模塊、接線座, 以及網絡接口, 以便更容易地與標準開放式網絡相連接[9].用戶可以單獨選擇最合適的特定應用網絡接口模塊、I/O 模塊或信號終端類型。光伏發電監測係統選用NI FP-AI-110 單端輸入模塊、NI FP-TC-120 熱電偶模塊和NI FP-1001 網絡接口模塊。
由於太陽能輻射傳感器是利用其頂部的光電探測器來測量太陽輻射的,能夠將光信號轉換為電壓信號,於是采集選用NI FP-AI-110模塊,它是8通道單端輸入模塊,用於從各種傳感器直接測量電壓和電流信號。 溫度的采集選用NI FP-TC-120,8通道熱電偶模塊,操作溫度範圍為-40到70°C ,用於標準J、K、T、N、R、S、E和B熱電偶的溫度的測量,具有信號調理、雙層絕緣隔離、輸入噪聲過濾的功能和高精度delta-sigma 16位模-數轉換器,保證測量數據的精確。以上兩模塊均提供HotPnP(熱插拔)操作且配置簡單,可自我診斷和自動調整到工程單位,是專為高效高可靠度的測量而設計的,提供濾波處理的低噪音16位分辨率模擬輸入和過量程保護、板載診斷的功能都確保了無故障的安裝和維護,且均附有NIST校準認證書以確保精確可靠的模擬測量,非常適合在光伏發電監測係統中進行應用。為了實現FieldPoint和RS485總線之間的通訊,還采用NI FP-1001網絡接口模塊,每個FP-1001網絡模塊可將多達9個FieldPoint I/O 模塊作為結點連接到RS485網絡。FP-1001通過FieldPoint端子基座連成的本地高速總線,管理PC和I/O模塊間的通信。 FP-1001還提供若幹診斷和自動化的功能,令安裝、使用和維護得以簡化。
[page]
4 光伏監測係統的軟件設計
虛擬儀器技術(Virtual Instrumentation,VI)是隨著計算機技術、大規模集成電路等技術的飛速發展,儀器係統與計算機軟件技術緊密結合,而對傳統儀器概念的突破。美國國家儀器(NI)公司開發的圖形化軟件開發環境Labview(Laboratory Virtual Instrument Engineering Workbench)是shi一yi種zhong用yong圖tu標biao代dai替ti文wen本ben行xing創chuang建jian應ying用yong程cheng序xu的de圖tu形xing化hua編bian程cheng語yu言yan,是shi目mu前qian實shi現xian虛xu擬ni儀yi器qi軟ruan件jian設she計ji最zui流liu行xing的de工gong具ju之zhi一yi,被bei公gong認ren為wei標biao準zhun的de數shu據ju采cai集ji和he儀yi器qi控kong製zhi軟ruan件jian,現xian已yi成cheng為wei測ce試shi測ce量liang和he控kong製zhi行xing業ye的de標biao準zhun軟ruan件jian平ping台tai[10].
4.1 監測係統前麵板設計
由於Labview使用G語言(圖形化語言)進行程序設計,因此該係統界麵包含了光伏發電監測係統所要進行監測的溫度、電流、電壓以及輻照度等的全部信息,Labview中的VI程序由前麵板、程序框圖、VI圖標3部分構成,其中前麵板是VI 程序的用戶操作界麵,是VI程序的交互式輸入和輸出端口。如圖4所示,係統前麵板即係統界麵主要由主監測界麵以及各種參數界麵組成。主界麵主要由發電參數監測模塊、環境參數監測模塊和數據處理模塊3bufenzucheng,gedulicanshumokuaikeyijinxingyouguandecanshushezhi,shishixianshishuju,shujuchulimokuaikeyicunchuxiangguandelishishujubingjinxingshujuhuifang,yibianduitedingmokuaidandujinxingfenxichuli。

圖4 光伏監測係統前麵板
圖5是光伏發電數據監測係統前麵板對應的部分程序框圖,主要包括電壓采集、電流采集、輻照度采集、溫度采集及其處理程序。

圖5 光伏監測係統部分程序框圖
4.2 數據庫的建立
實現數據庫功能的第一步是建立數據源,由於Labview數據庫工具隻能操作而不能創建數據庫,所以必須借助第三方數據庫管理係統,選用Microsoft公司的Access軟件來創建數據庫。建立一個名為PVData.mdb的數據庫文件,利用通用數據連接UDL(Universal Data Link)來獲得數據庫信息以實現數據庫連接,建立與數據庫文件對應的PVData.udl文件。數據庫連接完成後便可以對數據庫進行操作了,包括創建表格、刪除表格、添加測試記錄、查詢記錄等操作。如用Labview數據庫工具包中的DB Tools Create Table.vi來創建光伏組件表麵溫度測試數據表,數據表中包括測試時間、測試數值、測試人等多項信息,用DB Tools Drop Table.vi來刪除某個表格,用DB Tools Insert Data.vi添加一條記錄。數據存儲到數據庫之後,用DB Tools Select Data.vi來將已存儲的數據讀出,進行記錄的查詢。從Tools Select Data.vi讀出的數據是動態數據類型需要用Database Variant To Data.vi將其轉換成正確的數據類型。
大多數情況下,並不需要把光伏發電監測係統數據庫中的數據全部讀出,由於Labview數據庫工具包完全支持SQL語言(Structured Query Language),在Tools Select Data.vi的optional clause輸入端按照SQL語法輸入條件語句,即可讀出需要的數據。如輸入語句"Where TestTime='2026-04-21 15:16:23';",就能把此時間的數據記錄讀出來。
5 網絡通信功能的實現
5.1 DataSocket通信技術
光伏發電監測係統本地計算機的數據通信可以采用DataSocket技術,它是NI公司推出的麵向測控領域的網絡通信技術,基於Microsoft的COM和ActiveX技術,對TCP/IP協議進行高度封裝,用於共享和發布實時測量數據。DataSocketnenggouyouxiaodezhichibendijisuanjishangbutongyingyongchengxuduitedingshujudetongshiyingyong,yijiwangluoshangbutongjisuanjideduogeyingyongchengxuzhijiandeshujujiaohu,shixiankuajiqi、跨語言、跨進程的實時數據共享,在10M的網絡中的傳輸速率可以達到640kbps,完全能夠達到本監測係統的要求。利用DataSocket和網絡技術,可以更有效的進行數據采集、分析、處理和顯示。如對於光伏發電係統溫度信號的監測,在不同主機上分別創建一個DataSocket服務器VI和一個DataSocket客戶端VI,使用DataSocket函數節點傳遞數據。首先運行DataSocket Server應用程序,它是一個獨立運行程序,通過內部數據自描述格式對TCP/IP進行優化和管理,然後利用服務器VI中的DataSocket Write節點將溫度數據發送到dstp格式指定的連接中,最後在創建的客戶端VI中使用設置好的DataSocket Read節點將數據從指定的地址讀取數據,並顯示在波形圖上。
5.2 遠程訪問
在Labview中zhong,可ke以yi通tong過guo遠yuan程cheng訪fang問wen來lai實shi現xian網wang絡luo通tong信xin。在zai光guang伏fu發fa電dian監jian測ce係xi統tong中zhong,首shou先xian對dui服fu務wu器qi進jin行xing相xiang應ying的de配pei置zhi,主zhu要yao包bao括kuo用yong來lai設she定ding服fu務wu器qi目mu錄lu和he日ri誌zhi屬shu性xing的de"Web服務器配置",設定對客戶端開放的VI程序"Web服務器中可見VI "和用來設置客戶端訪問權限的"Web服務器瀏覽器訪問".zaipeizhiwanchenghou,zaiwanchengzaifuwuqiduanfabuwangyedecaozuo,zaikehuduanbiankeyitongguowangyeliulanqifangwenfuwuqifabudeyemian,shixianlejiancexitongdeyuanchengfangwen。
6 結束語
本文將虛擬儀器技術應用於光伏發電係統的數據監測,借助於Labview強(qiang)大(da)的(de)軟(ruan)件(jian)支(zhi)持(chi)構(gou)建(jian)了(le)一(yi)個(ge)完(wan)整(zheng)的(de)光(guang)伏(fu)監(jian)測(ce)和(he)分(fen)析(xi)係(xi)統(tong)。該(gai)係(xi)統(tong)可(ke)以(yi)方(fang)便(bian)的(de)對(dui)光(guang)伏(fu)發(fa)電(dian)係(xi)統(tong)的(de)發(fa)電(dian)特(te)性(xing)及(ji)周(zhou)圍(wei)環(huan)境(jing)進(jin)行(xing)實(shi)時(shi)監(jian)測(ce),得(de)到(dao)可(ke)靠(kao)的(de)監(jian)測(ce)數(shu)據(ju)。選(xuan)用(yong)了(le)適(shi)合(he)本(ben)係(xi)統(tong)的(de)各(ge)類(lei)傳(chuan)感(gan)器(qi)及(ji)變(bian)換(huan)器(qi),並(bing)闡(chan)述(shu)了(le)建(jian)立(li)本(ben)監(jian)測(ce)係(xi)統(tong)數(shu)據(ju)庫(ku)的(de)方(fang)法(fa),創(chuang)新(xin)性(xing)的(de)應(ying)用(yong)DataSocket通信技術和Labview遠程訪問技術實現了係統遠程監測的功能。由於FieldPoin模塊化及Labviewruanjianzishendetedian,zaixuyaoyanjiuqitayunxingtexingdeshihoukeyihenfangbiandejinxingkuochong,benxitongyunxingwending,jiemianyouhao,caozuojiandanfangbian,erqiejuyouchengbendi,shiyongfangbiandetedian,shiyitaotongyongdejiancexitong,juyouhenhaodeyingyongqianjing。
特別推薦
- 噪聲中提取真值!瑞盟科技推出MSA2240電流檢測芯片賦能多元高端測量場景
- 10MHz高頻運行!氮矽科技發布集成驅動GaN芯片,助力電源能效再攀新高
- 失真度僅0.002%!力芯微推出超低內阻、超低失真4PST模擬開關
- 一“芯”雙電!聖邦微電子發布雙輸出電源芯片,簡化AFE與音頻設計
- 一機適配萬端:金升陽推出1200W可編程電源,賦能高端裝備製造
技術文章更多>>
- 算力爆發遇上電源革新,大聯大世平集團攜手晶豐明源線上研討會解鎖應用落地
- 築基AI4S:摩爾線程全功能GPU加速中國生命科學自主生態
- 一秒檢測,成本降至萬分之一,光引科技把幾十萬的台式光譜儀“搬”到了手腕上
- AI服務器電源機櫃Power Rack HVDC MW級測試方案
- 突破工藝邊界,奎芯科技LPDDR5X IP矽驗證通過,速率達9600Mbps
技術白皮書下載更多>>
- 車規與基於V2X的車輛協同主動避撞技術展望
- 數字隔離助力新能源汽車安全隔離的新挑戰
- 汽車模塊拋負載的解決方案
- 車用連接器的安全創新應用
- Melexis Actuators Business Unit
- Position / Current Sensors - Triaxis Hall
熱門搜索
微波功率管
微波開關
微波連接器
微波器件
微波三極管
微波振蕩器
微電機
微調電容
微動開關
微蜂窩
位置傳感器
溫度保險絲
溫度傳感器
溫控開關
溫控可控矽
聞泰
穩壓電源
穩壓二極管
穩壓管
無焊端子
無線充電
無線監控
無源濾波器
五金工具
物聯網
顯示模塊
顯微鏡結構
線圈
線繞電位器
線繞電阻



