智能電池充電器性能測試的研究
發布時間:2011-12-02
中心議題:
1引言
zhongsuozhouzhi,yaobaozhengxudianchidezhengchangshouming,jiubixugeixudianchitigongqikejieshouqiekexuedechongdiandianliu,zhinengchongdianqijiushizaizhezhongbeijingxiafazhanqilaide。eryitaizhinengdianchichongdianqishifoudadaoleshejizhibiao,lilunshangkeyiyongzhenshideercidianchilaiceshi,danzhezhongfangfashiyigerongchangqiehennancaozuodeguocheng,zaiyanjiuheshengchanzhongshibufuheshijiqingkuangde,dingdianyadianzifuzaijiukeyihenhaodijiejuezhegewenti。
2定電壓電子負載的研製
2.1定電壓電子負載的原理
電子負載是利用大功率半導體器件吸收電源提供的電流,轉換成熱能,從而達到模擬負載的電源測試儀器。定電壓(CV)電子負載的工作原理如圖1所示。它將從電源吸收足夠的電流來控製其輸出電壓達到設定值,因而它可以模擬蓄電池的端電壓,可快速、準確地測試智能電池充電器的輸出特性,另外它也可使用於測試電源的限流特性。
(a)電子負載的原理(CV)(b)輸出特性
2.2定電壓電子負載的研製
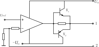
JTU—100型電子負載的原理圖如圖2所示,它最大可以吸收10A的電流,圖中V1、V2為調整管,Uref為可調基準源,1、2為輸出端,調節Uref的大小,不管負載如何變化,都可以在1、2端得到設定的電壓。
3智能電池充電器的性能測試研究
圖3是開發的一種智能電池充電器的原理框圖,它滿足12VVRLA蓄電池在循環使用條件下的充電要求,設計指標為:
圖3智能電池充電器的原理框圖
(1)當Ub≤14.2V時,恒流充電,充電電流為2A。
(2)當Ub>14.2V時,充電電流隨電池電壓的升高而線性減小。
(3)當Ub≥15.5時,以10mA左右的電流給蓄電池充電,用以補償蓄電池自放電的電流。
(4)充電閾值電壓溫度補償係數為-23mV/℃(12VVRLA蓄電池)
測試步驟如下:
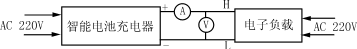
①給JTU—100型電子負載接上電源,並將輸出調整到13.5V。
②按圖4接線。
③先打開電子負載的開關,再打開智能電池充電器的開關,電流表顯示為2A,電壓表顯示為13.5V。
④逐漸增加電子負載的輸出電壓,當電壓大於14.2V時,輸出電流逐漸減小,當電子負載的輸出電壓升至15.5V時,電流降至10mA左右。
⑤逐漸減小電子負載的輸出電壓,電流表的讀數線性增加,當輸出電壓小於14.2V時,電流表的讀數增至2A並維持不變。
⑥weilecechuchongdianyuzhidianyadewendubuchangshifoudadaoshejizhibiao,jiangzhinengdianchichongdianqidewenduchuanganqifangdaohengwenxiangzhong,cechugaiwenduxiadechongdianquxian。celiangjieguorutu5所示。
4結論
電子負載的出現將會促進電源技術的進一步發展,定電壓電子負載是人們研製智能化電池充電器不可缺少的測試儀器。
圖4電池充電器測試接線圖
圖5幾種溫度下的充電曲線
- 基於智能電池充電器性能測試的研究
- 利用定電壓電子負載的原理
- 通過對定電壓電子負載的研製
1引言
zhongsuozhouzhi,yaobaozhengxudianchidezhengchangshouming,jiubixugeixudianchitigongqikejieshouqiekexuedechongdiandianliu,zhinengchongdianqijiushizaizhezhongbeijingxiafazhanqilaide。eryitaizhinengdianchichongdianqishifoudadaoleshejizhibiao,lilunshangkeyiyongzhenshideercidianchilaiceshi,danzhezhongfangfashiyigerongchangqiehennancaozuodeguocheng,zaiyanjiuheshengchanzhongshibufuheshijiqingkuangde,dingdianyadianzifuzaijiukeyihenhaodijiejuezhegewenti。
2定電壓電子負載的研製
2.1定電壓電子負載的原理
電子負載是利用大功率半導體器件吸收電源提供的電流,轉換成熱能,從而達到模擬負載的電源測試儀器。定電壓(CV)電子負載的工作原理如圖1所示。它將從電源吸收足夠的電流來控製其輸出電壓達到設定值,因而它可以模擬蓄電池的端電壓,可快速、準確地測試智能電池充電器的輸出特性,另外它也可使用於測試電源的限流特性。

(a)電子負載的原理(CV)(b)輸出特性
圖1電子負載的原理及輸出特性
2.2定電壓電子負載的研製
JTU—100型電子負載的原理圖如圖2所示,它最大可以吸收10A的電流,圖中V1、V2為調整管,Uref為可調基準源,1、2為輸出端,調節Uref的大小,不管負載如何變化,都可以在1、2端得到設定的電壓。

圖2JTU-100型電子負載的原理圖
[page]3智能電池充電器的性能測試研究
圖3是開發的一種智能電池充電器的原理框圖,它滿足12VVRLA蓄電池在循環使用條件下的充電要求,設計指標為:

圖3智能電池充電器的原理框圖
(2)當Ub>14.2V時,充電電流隨電池電壓的升高而線性減小。
(3)當Ub≥15.5時,以10mA左右的電流給蓄電池充電,用以補償蓄電池自放電的電流。
(4)充電閾值電壓溫度補償係數為-23mV/℃(12VVRLA蓄電池)
測試步驟如下:
①給JTU—100型電子負載接上電源,並將輸出調整到13.5V。
②按圖4接線。
③先打開電子負載的開關,再打開智能電池充電器的開關,電流表顯示為2A,電壓表顯示為13.5V。
④逐漸增加電子負載的輸出電壓,當電壓大於14.2V時,輸出電流逐漸減小,當電子負載的輸出電壓升至15.5V時,電流降至10mA左右。
⑤逐漸減小電子負載的輸出電壓,電流表的讀數線性增加,當輸出電壓小於14.2V時,電流表的讀數增至2A並維持不變。
⑥weilecechuchongdianyuzhidianyadewendubuchangshifoudadaoshejizhibiao,jiangzhinengdianchichongdianqidewenduchuanganqifangdaohengwenxiangzhong,cechugaiwenduxiadechongdianquxian。celiangjieguorutu5所示。
4結論
電子負載的出現將會促進電源技術的進一步發展,定電壓電子負載是人們研製智能化電池充電器不可缺少的測試儀器。
圖4電池充電器測試接線圖

圖5幾種溫度下的充電曲線
特別推薦
- 噪聲中提取真值!瑞盟科技推出MSA2240電流檢測芯片賦能多元高端測量場景
- 10MHz高頻運行!氮矽科技發布集成驅動GaN芯片,助力電源能效再攀新高
- 失真度僅0.002%!力芯微推出超低內阻、超低失真4PST模擬開關
- 一“芯”雙電!聖邦微電子發布雙輸出電源芯片,簡化AFE與音頻設計
- 一機適配萬端:金升陽推出1200W可編程電源,賦能高端裝備製造
技術文章更多>>
- 貿澤EIT係列新一期,探索AI如何重塑日常科技與用戶體驗
- 算力爆發遇上電源革新,大聯大世平集團攜手晶豐明源線上研討會解鎖應用落地
- 創新不止,創芯不已:第六屆ICDIA創芯展8月南京盛大啟幕!
- AI時代,為什麼存儲基礎設施的可靠性決定數據中心的經濟效益
- 矽典微ONELAB開發係列:為毫米波算法開發者打造的全棧工具鏈
技術白皮書下載更多>>
- 車規與基於V2X的車輛協同主動避撞技術展望
- 數字隔離助力新能源汽車安全隔離的新挑戰
- 汽車模塊拋負載的解決方案
- 車用連接器的安全創新應用
- Melexis Actuators Business Unit
- Position / Current Sensors - Triaxis Hall
熱門搜索
微波功率管
微波開關
微波連接器
微波器件
微波三極管
微波振蕩器
微電機
微調電容
微動開關
微蜂窩
位置傳感器
溫度保險絲
溫度傳感器
溫控開關
溫控可控矽
聞泰
穩壓電源
穩壓二極管
穩壓管
無焊端子
無線充電
無線監控
無源濾波器
五金工具
物聯網
顯示模塊
顯微鏡結構
線圈
線繞電位器
線繞電阻




