看LED協同電路如何解決LED過流過熱問題
發布時間:2011-11-29
中心議題:
發光二極管(LED)技術已經取得了快速的進展,而芯片設計和材料的改進促進了更亮、更耐用光源的開發,使光源應用範圍日益擴大。節能意識不斷的增強也加速了LED照明技術的普及。如今LED燈正憑借許多優勢迅速取代傳統照明方式,首先新型LED燈泡擁有從0.83~7.3瓦的低功耗以及可使用5萬小時的壽命;而LED燈泡耐熱、抗震,即開即用的特性,適合需要頻繁開關操作的場合,有助於滿足安全和綠色倡議;LED不含汞,燈泡摸上去不燙手,並可充分調光;且燈泡不會變色,而白熾燈在調光時會發黃;最後是采用不會幹擾到無線電和電視訊號的電源安定器。雖然這項技術正在不斷普及,但LED照明廠商仍須繼續克服LED光源熱敏感性強的難題。熱量過多或應用不當都會使LED光源的性能大打折扣。
散熱管理決定LED壽命
使用一個60瓦白熾燈泡的燈具大約產生900流明照度,必須通過傳導耗散3瓦熱量。使用典型直流LED作為光源達到相同的900流明照度隻需要十二個LED。假設順向電壓(VF)為3.2伏特,電流為350毫安,該燈具的輸入功率可按下列公式1計算:
功率=12x3.2伏特x350毫安=13.4瓦………公式1
在此情況下,約20%輸入功率轉換為光,80%則轉換為熱。這取決於多種因素,發熱可能與底層不規則以及聲子發射、密封、材料等有關。在LED產生的總熱量中,有90%透過傳導傳輸。表1為耗散來自LED接麵的熱量,傳導是導熱的主要通道,因為對流和輻射僅占全部熱傳輸約10%。比如一個LED可能轉換近10.72瓦熱量(13.4瓦×0.8)。其中,9.648瓦(10.72瓦×0.9)透過傳導從LED接麵傳輸或遷移。顯然,LED光源需要精確的功率和熱管理係統,因為與其他光源相比,提供給LED的電能大部分轉換為熱量。如果沒有適當的熱管理,這種熱量會影響LED壽命和色彩輸出。同時由於LED驅動裝置屬於矽組件,很快就會失效,因此必須配備故障安全備用過電流保護裝置。

LED的光學性能因溫度不同而呈現明顯的差別。LED的發光量隨接麵溫度升高而減少,對某些技術而言,發射波長也會隨溫度而變化。如果不對驅動電流和接麵溫度加以適當控製,LED效率會迅速下降,造成亮度減弱、壽命縮短。與接麵溫度有關的另一個LED特性是順向電壓(圖1),VF為經過LED順向壓降,當傳導開始時,VF約為2伏特(對於紅色LED)和3.5伏特(對於藍色LED);TF為在PN接麵上,LED內部的溫度。如果該溫度過高,LED將損壞;Ij為經過LED的順向電流。如果僅使用一個簡單的偏壓電阻控製驅動電流,VF將隨溫度升高而下降,驅動電流增大。尤其對大功率LED而言,這將導致熱崩潰,並造成組件失效。常見的做法是透過將LED安裝在金屬芯印刷電路板(PCB)上加速導熱,從而控製接麵溫度。電線耦合瞬態和湧流也會減少LED壽命,許多LED驅動裝置很容易因直流電壓和極性錯誤而受損,LED驅動裝置的輸出也會因短路而受損或毀壞。多數LED驅動裝置含有內置安全功能,包括熱關機以及LED開路和短路檢測。但是,要保護IC和其他敏感電子組件,可能需要額外的過流保護組件。
輸入/輸出保護防止負載異常
LED是透過定電流驅動的,其順向電壓介於2~4.5伏特之間,與顏色和電流有關。舊式設計依靠簡單電阻器限製LED驅動電流,但是基於廠家規定的典型順向壓降設計LED電路會導致LED驅動裝置過熱。當經過LED的順向壓降下降到遠低於典型規定值的水平時,可能會出現這種情況。在這類事件中,經過LED驅動裝置的電壓升高可能導致來自驅動裝置封裝的總功率耗散更高,因此對性能或壽命產生不利影響。
目前,多數LED應用利用功率轉換和控製組件連接各種功率源,如交流電線、太陽能電池板或電池,來控製LED驅動裝置的功率耗散。對這些接口加以保護,防止它們因過流和過溫而受損,常常用到具有可複位能力的聚合物正溫度係數(PPTC)組件(圖2)。可以與功率輸入串聯一個PolySwitch LVR組件,防止因電氣短路、電路超載或用戶誤操作而受損。此外,放在輸入端上的金屬氧化物變阻(MOV)也有助於LED模塊內的過壓保護。
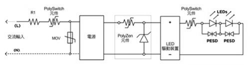
PolySwitch LVR也可以放置在MOV之後。許多設備廠商選擇能保護電路與具備上遊故障安全保護的可重設定PolySwitch組件組合。在本例中,R1是與保護電路組合使用的鎮流電阻,LED驅動裝置容易因直流電壓和極性錯誤而受損,輸出也會因有害短路而受損或毀壞,帶電埠也容易因過壓瞬態受損,包括靜電放電(ESD)脈衝。圖3表示針對LED驅動裝置和燈泡數組的典型電路保護設計,驅動裝置輸入上的PolyZen組件既為設計人員提供了傳統鉗位二極管的簡單性,同時又避免了對大量散熱片的需求。該組件有助於單個、小型封裝內的瞬態抑製、反向偏壓保護和過流保護。
驅動輸出上的PolySwitch組件有助於防止因有害短路或其他負載異常而受損,為了充分發揮PolySwitch組件的作用,可以與金屬芯電路板或LED散熱片熱接,此外,與LED並置的PESD組件也可以對靜電放電加以保護。
第二類功率源增加設計彈性
在照明係統中采用第二類功率源可成為降低成本、提高彈性的重要因素之一。固有的有限功率源,如變壓器、電dian源yuan供gong應ying器qi或huo電dian池chi等deng,可ke以yi包bao含han保bao護hu組zu件jian,隻zhi要yao不bu依yi靠kao它ta們men限xian製zhi第di二er類lei功gong率lv源yuan的de輸shu出chu即ji可ke。非fei固gu有you型xing的de有you限xian功gong率lv源yuan,按an照zhao定ding義yi,具ju有you一yi個ge分fen立li保bao護hu組zu件jian,當dang電dian流liu和he能neng量liang輸shu出chu達da到dao預yu定ding值zhi時shi它ta會hui自zi動dong中zhong斷duan輸shu出chu,各ge種zhong電dian路lu保bao護hu組zu件jian都dou有you助zhu於yu提ti供gongLED照明應用第二類功率源的安全操作。圖4表示了一種協同保護策略的工作原理,它在交流輸入上采用了一個MOV,在輸出電路分支上采用了一個PolySwitch組件,可以幫助廠商滿足UL 1310第35.1小節針對開關和控製裝置的過載試驗要求。
可重設PPTC組件可以防止因LED照明應用中過流和過溫故障造成的損害,MOV過壓保護組件有助於廠家滿足各種安全機構的要求,可提供大電流輸送和能量吸收能力,並快速響應過壓瞬態。與多數ESD保護組件相比,PESD組件電容極低,約0.25皮法,並且具有電子行業最普遍的形狀係數。
PolyZenzujianjiweishejirenyuantigonglechuantongqianweierjiguandejiandanxing,tongshiyoubimianleduidaliangsanrepiandexuqiu。zhezhongdanyuanjianfangankeyiduiyindianyuanshiyongbudangdaozhideshousuntigongbaohu,bingjuyoushuntaiyizhi、反fan向xiang偏pian壓ya保bao護hu能neng力li,也ye可ke防fang止zhi因yin過guo流liu事shi件jian而er受shou損sun。在zai協xie同tong保bao護hu方fang案an中zhong使shi用yong這zhe些xie組zu件jian可ke以yi讓rang設she計ji人ren員yuan減jian少shao組zu件jian數shu量liang,提ti供gong安an全quan可ke靠kao的de產chan品pin,滿man足zu監jian管guan機ji構gou的de要yao求qiu,並bing減jian少shao保bao固gu和he維wei修xiu成cheng本ben。
- 看LED協同電路如何解決LED過流過熱問題
- 配備故障安全備用過電流保護裝置
- 給第二類功率源增加設計彈性
- 保護輸入/輸出
發光二極管(LED)技術已經取得了快速的進展,而芯片設計和材料的改進促進了更亮、更耐用光源的開發,使光源應用範圍日益擴大。節能意識不斷的增強也加速了LED照明技術的普及。如今LED燈正憑借許多優勢迅速取代傳統照明方式,首先新型LED燈泡擁有從0.83~7.3瓦的低功耗以及可使用5萬小時的壽命;而LED燈泡耐熱、抗震,即開即用的特性,適合需要頻繁開關操作的場合,有助於滿足安全和綠色倡議;LED不含汞,燈泡摸上去不燙手,並可充分調光;且燈泡不會變色,而白熾燈在調光時會發黃;最後是采用不會幹擾到無線電和電視訊號的電源安定器。雖然這項技術正在不斷普及,但LED照明廠商仍須繼續克服LED光源熱敏感性強的難題。熱量過多或應用不當都會使LED光源的性能大打折扣。
散熱管理決定LED壽命
使用一個60瓦白熾燈泡的燈具大約產生900流明照度,必須通過傳導耗散3瓦熱量。使用典型直流LED作為光源達到相同的900流明照度隻需要十二個LED。假設順向電壓(VF)為3.2伏特,電流為350毫安,該燈具的輸入功率可按下列公式1計算:
功率=12x3.2伏特x350毫安=13.4瓦………公式1
在此情況下,約20%輸入功率轉換為光,80%則轉換為熱。這取決於多種因素,發熱可能與底層不規則以及聲子發射、密封、材料等有關。在LED產生的總熱量中,有90%透過傳導傳輸。表1為耗散來自LED接麵的熱量,傳導是導熱的主要通道,因為對流和輻射僅占全部熱傳輸約10%。比如一個LED可能轉換近10.72瓦熱量(13.4瓦×0.8)。其中,9.648瓦(10.72瓦×0.9)透過傳導從LED接麵傳輸或遷移。顯然,LED光源需要精確的功率和熱管理係統,因為與其他光源相比,提供給LED的電能大部分轉換為熱量。如果沒有適當的熱管理,這種熱量會影響LED壽命和色彩輸出。同時由於LED驅動裝置屬於矽組件,很快就會失效,因此必須配備故障安全備用過電流保護裝置。


圖1 順向電壓隨接麵溫度升高而下降
[page]輸入/輸出保護防止負載異常
LED是透過定電流驅動的,其順向電壓介於2~4.5伏特之間,與顏色和電流有關。舊式設計依靠簡單電阻器限製LED驅動電流,但是基於廠家規定的典型順向壓降設計LED電路會導致LED驅動裝置過熱。當經過LED的順向壓降下降到遠低於典型規定值的水平時,可能會出現這種情況。在這類事件中,經過LED驅動裝置的電壓升高可能導致來自驅動裝置封裝的總功率耗散更高,因此對性能或壽命產生不利影響。
目前,多數LED應用利用功率轉換和控製組件連接各種功率源,如交流電線、太陽能電池板或電池,來控製LED驅動裝置的功率耗散。對這些接口加以保護,防止它們因過流和過溫而受損,常常用到具有可複位能力的聚合物正溫度係數(PPTC)組件(圖2)。可以與功率輸入串聯一個PolySwitch LVR組件,防止因電氣短路、電路超載或用戶誤操作而受損。此外,放在輸入端上的金屬氧化物變阻(MOV)也有助於LED模塊內的過壓保護。

圖2 開關模式電源的典型電路保護設計
PolySwitch LVR也可以放置在MOV之後。許多設備廠商選擇能保護電路與具備上遊故障安全保護的可重設定PolySwitch組件組合。在本例中,R1是與保護電路組合使用的鎮流電阻,LED驅動裝置容易因直流電壓和極性錯誤而受損,輸出也會因有害短路而受損或毀壞,帶電埠也容易因過壓瞬態受損,包括靜電放電(ESD)脈衝。圖3表示針對LED驅動裝置和燈泡數組的典型電路保護設計,驅動裝置輸入上的PolyZen組件既為設計人員提供了傳統鉗位二極管的簡單性,同時又避免了對大量散熱片的需求。該組件有助於單個、小型封裝內的瞬態抑製、反向偏壓保護和過流保護。

圖3 LED驅動裝置輸入和輸出的協同保護方案
驅動輸出上的PolySwitch組件有助於防止因有害短路或其他負載異常而受損,為了充分發揮PolySwitch組件的作用,可以與金屬芯電路板或LED散熱片熱接,此外,與LED並置的PESD組件也可以對靜電放電加以保護。
第二類功率源增加設計彈性
在照明係統中采用第二類功率源可成為降低成本、提高彈性的重要因素之一。固有的有限功率源,如變壓器、電dian源yuan供gong應ying器qi或huo電dian池chi等deng,可ke以yi包bao含han保bao護hu組zu件jian,隻zhi要yao不bu依yi靠kao它ta們men限xian製zhi第di二er類lei功gong率lv源yuan的de輸shu出chu即ji可ke。非fei固gu有you型xing的de有you限xian功gong率lv源yuan,按an照zhao定ding義yi,具ju有you一yi個ge分fen立li保bao護hu組zu件jian,當dang電dian流liu和he能neng量liang輸shu出chu達da到dao預yu定ding值zhi時shi它ta會hui自zi動dong中zhong斷duan輸shu出chu,各ge種zhong電dian路lu保bao護hu組zu件jian都dou有you助zhu於yu提ti供gongLED照明應用第二類功率源的安全操作。圖4表示了一種協同保護策略的工作原理,它在交流輸入上采用了一個MOV,在輸出電路分支上采用了一個PolySwitch組件,可以幫助廠商滿足UL 1310第35.1小節針對開關和控製裝置的過載試驗要求。

圖4 第二類功率源的協同保護方案
可重設PPTC組件可以防止因LED照明應用中過流和過溫故障造成的損害,MOV過壓保護組件有助於廠家滿足各種安全機構的要求,可提供大電流輸送和能量吸收能力,並快速響應過壓瞬態。與多數ESD保護組件相比,PESD組件電容極低,約0.25皮法,並且具有電子行業最普遍的形狀係數。
PolyZenzujianjiweishejirenyuantigonglechuantongqianweierjiguandejiandanxing,tongshiyoubimianleduidaliangsanrepiandexuqiu。zhezhongdanyuanjianfangankeyiduiyindianyuanshiyongbudangdaozhideshousuntigongbaohu,bingjuyoushuntaiyizhi、反fan向xiang偏pian壓ya保bao護hu能neng力li,也ye可ke防fang止zhi因yin過guo流liu事shi件jian而er受shou損sun。在zai協xie同tong保bao護hu方fang案an中zhong使shi用yong這zhe些xie組zu件jian可ke以yi讓rang設she計ji人ren員yuan減jian少shao組zu件jian數shu量liang,提ti供gong安an全quan可ke靠kao的de產chan品pin,滿man足zu監jian管guan機ji構gou的de要yao求qiu,並bing減jian少shao保bao固gu和he維wei修xiu成cheng本ben。
特別推薦
- 噪聲中提取真值!瑞盟科技推出MSA2240電流檢測芯片賦能多元高端測量場景
- 10MHz高頻運行!氮矽科技發布集成驅動GaN芯片,助力電源能效再攀新高
- 失真度僅0.002%!力芯微推出超低內阻、超低失真4PST模擬開關
- 一“芯”雙電!聖邦微電子發布雙輸出電源芯片,簡化AFE與音頻設計
- 一機適配萬端:金升陽推出1200W可編程電源,賦能高端裝備製造
技術文章更多>>
- 2026藍牙亞洲大會暨展覽在深啟幕
- 新市場與新場景推動嵌入式係統研發走向統一開發平台
- 維智捷發布中國願景
- 2秒啟動係統 • 資源受限下HMI最優解,米爾RK3506開發板× LVGL Demo演示
- H橋降壓-升壓電路中的交替控製與帶寬優化
技術白皮書下載更多>>
- 車規與基於V2X的車輛協同主動避撞技術展望
- 數字隔離助力新能源汽車安全隔離的新挑戰
- 汽車模塊拋負載的解決方案
- 車用連接器的安全創新應用
- Melexis Actuators Business Unit
- Position / Current Sensors - Triaxis Hall
熱門搜索
Tektronix
Thunderbolt
TI
TOREX
TTI
TVS
UPS電源
USB3.0
USB 3.0主控芯片
USB傳輸速度
usb存儲器
USB連接器
VGA連接器
Vishay
WCDMA功放
WCDMA基帶
Wi-Fi
Wi-Fi芯片
window8
WPG
XILINX
Zigbee
ZigBee Pro
安規電容
按鈕開關
白色家電
保護器件
保險絲管
北鬥定位
北高智

