如何建立高效電池管理係統
發布時間:2011-10-26
中心議題:
假定你接受了一項任務,為一個新的和基於電池的電源係統設計監視器電路,那麼你會采取什麼策略來優化該設計的成本和可製造性呢?最zui初chu考kao慮lv的de問wen題ti將jiang是shi確que定ding係xi統tong的de首shou選xuan結jie構gou以yi及ji電dian池chi和he有you關guan電dian子zi組zu件jian的de位wei置zhi。基ji本ben結jie構gou清qing楚chu以yi後hou,接jie下xia來lai必bi須xu考kao慮lv的de一yi個ge問wen題ti是shi,電dian路lu拓tuo撲pu的de權quan衡heng協xie調tiao問wen題ti,例li如ru,怎zen樣yang優you化hua最zui終zhong產chan品pin的de通tong信xin和he互hu連lian。
電池的外形尺寸將對電源係統結構有重大影響。要使用大量小型電池以適合形狀複雜的電池模塊 (或電池組) 嗎?或者要使用外形尺寸很大的電池,因而由於重量問題而導致對電池數量的限製或引起其他的尺寸限製?這(zhe)也(ye)許(xu)是(shi)設(she)計(ji)變(bian)數(shu)最(zui)大(da)的(de)部(bu)分(fen),因(yin)為(wei)外(wai)形(xing)新(xin)穎(ying)的(de)電(dian)池(chi)不(bu)斷(duan)上(shang)市(shi),而(er)且(qie)人(ren)們(men)也(ye)在(zai)不(bu)斷(duan)努(nu)力(li),務(wu)求(qiu)電(dian)池(chi)模(mo)塊(kuai)或(huo)電(dian)池(chi)組(zu)集(ji)成(cheng)到(dao)產(chan)品(pin)中(zhong)後(hou),會(hui)與(yu)整(zheng)個(ge)產(chan)品(pin)概(gai)念(nian)更(geng)加(jia)一(yi)致(zhi)。例(li)如(ru),在(zai)汽(qi)車(che)設(she)計(ji)情(qing)況(kuang)下(xia),電(dian)池(chi)最(zui)終(zhong)也(ye)許(xu)分(fen)散(san)在(zai)車(che)輛(liang)上(shang)的(de)某(mou)些(xie)空(kong)間(jian)中(zhong),這(zhe)些(xie)空(kong)間(jian)如(ru)果(guo)不(bu)放(fang)電(dian)池(chi),利(li)用(yong)效(xiao)率(lv)很(hen)低(di)。
另一個考慮因素是,電池 (或模塊化電池組)、電池管理係統 (或其子係統) 以及最終應用接口之間的測試信號和 / 或(huo)遙(yao)測(ce)信(xin)號(hao)的(de)互(hu)連(lian)。在(zai)大(da)多(duo)數(shu)情(qing)況(kuang)下(xia),可(ke)以(yi)做(zuo)一(yi)個(ge)外(wai)殼(ke),用(yong)來(lai)集(ji)成(cheng)電(dian)池(chi)模(mo)塊(kuai)或(huo)電(dian)池(chi)組(zu)中(zhong)的(de)某(mou)些(xie)數(shu)據(ju)采(cai)集(ji)電(dian)路(lu),以(yi)便(bian)如(ru)果(guo)需(xu)要(yao)調(tiao)換(huan),那(na)麼(me)生(sheng)產(chan) ID、校準、使用規格等重要信息能隨著可替換組件帶走。這類信息對電池管理係統 (BMS)或維修設備可能有用,而且最大限度地減少了線束中所需的高壓額定值導線的數量。
接下來,就給定的機械概念設計而言,監視硬件拓撲由精確定義的、所需支持的電池數量決定。在汽車應用中,一般情況下總共會有 100 個以上的電池測量點,而且係統的模塊化將決定一個給定的電路係統測量多少個電池。最常見的情況是,以安全斷接“維修插頭”方式,將所有電池分成至少兩個子組。通過在故障情況下保持電壓低於 200V,這zhe種zhong方fang法fa最zui大da限xian度du地di降jiang低di了le維wei修xiu人ren員yuan可ke能neng遇yu到dao的de觸chu電dian危wei險xian。外wai形xing尺chi寸cun較jiao大da的de電dian池chi組zu意yi味wei著zhe,要yao采cai用yong兩liang套tao隔ge離li的de數shu據ju采cai集ji係xi統tong,每mei套tao也ye許xu支zhi持chi 50 個電池分接頭。在有些情況下,所有電子組件都在一個經濟實惠的印刷電路板上,但是這需要大量互連,如圖 1 (a)所(suo)示(shi)。或(huo)者(zhe),電(dian)子(zi)組(zu)件(jian)也(ye)可(ke)以(yi)分(fen)散(san)放(fang)置(zhi),更(geng)加(jia)緊(jin)密(mi)地(di)集(ji)成(cheng)在(zai)電(dian)池(chi)模(mo)塊(kuai)中(zhong),但(dan)是(shi)這(zhe)需(xu)要(yao)采(cai)用(yong)遙(yao)測(ce)鏈(lian)接(jie)方(fang)法(fa)。為(wei)了(le)實(shi)現(xian)可(ke)靠(kao)的(de)數(shu)據(ju)完(wan)整(zheng)性(xing),內(nei)置(zhi)於(yu)汽(qi)車(che)線(xian)束(shu)中(zhong)的(de)遠(yuan)端(duan)測(ce)量(liang)功(gong)能(neng)電(dian)路(lu)必(bi)須(xu)采(cai)用(yong)一(yi)種(zhong)堅(jian)固(gu)型(xing)協(xie)議(yi),例(li)如(ru)廣(guang)泛(fan)使(shi)用(yong)的(de) CAN 總線。盡管真正的 CAN 總線接口涉及幾個網絡層,但是可以很方便地采用 PHY 層構成 BMS LAN 結構,以高效率地進行模塊內的通信。這類分布式結構如圖 1 (b)所示。該拓撲允許在幾個小型處理器之間分配計算工作量,從而降低所需的數據傳輸速率,並減輕 LAN 方法可能引起的 EMI 問題。最終的 BMS 應用接口很可能是至一個主係統管理處理器的 CAN 總線接線,而且將需要定義 (或在一開始規定) 特定的信息事務處理。
其他因素也可能對物理結構和監視電路造成影響。就鋰離子電池而言,需要電池容量平衡,從而導致了額外的熱量管理問題(去除熱量),erqieruguoxuyaoyouyuanpingheng,haixuyaodianyuanzhuanhuandianlu。wendutantouchangchangfenbuzaizhenggemokuaizhishang,yitigongyizhongjiangdianyadushuyuchongdianzhuangtaiguanlianqilaidefangfa,yinerxuyaoyixiezhichidianluhelianjiefangan。shejishiyigechangchanghushidekaolvyinsushi,dangchanpinanzhuangzhiqianxianzhihuochucunzaihuojiashangshi,dianchidedianliangxielouyinggaishizuidide。zaiyouxieqingkuangxia,ewaidekongzhipeixianshibiyaode。
[page]
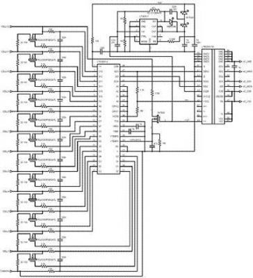
在上麵實現的這些結構中,都有一個常見的測量功能構件,該構件包括一個多通道 ADC、安全隔離勢壘和某種程度的本地處理能力。圖 2 電路顯示了一個實現數據采集功能的可擴展設計平台。在這個圖中,實現功能的核心組件是淩力爾特的 LTC6803 電池組監視器 IC,同時顯示的還有一個 SPI 數據隔離器和一些可選的特殊用途電路。該電路包括輸入濾波器和無源平衡功能,構成了一個完整的 12 節電池數據采集解決方案。如果需要,這類電路可以簡單地複製,以支持更多電池測量方案,同時共享主微控製器的本地 SPI 端口,該主微控製器反過來再提供外部 CAN 總線或其他 LAN 型數據鏈路所需。
與前一代監視器件相比,LTC6803 的主要改進是,支持電源停機和/或單獨由電池組供電。當電源從 V+ 引腳去掉時,電池加載將降至零(僅有 nA 級半導體泄漏)。工作電源可以由接通的電池組電壓提供,或從一個單獨的電源提供給 V+,隻要電壓始終至少與電池組一樣高就行。為了實現簡單性,LTC6803 還可以直接從電池組獲取功率,在這種情況下,最低功率狀態(即備用) 將僅消耗 12uA 電流。LTM2883 數據隔離器通過一個內部隔離的 DC-DC 轉換器,從主處理器供電,因此該器件將自動與主處理器一起斷電。LTM2883 的一個非常有用的功能是,它還能向隔離的電子組件(即電池端) 提供很大和得自主機的功率。一個小型升壓電源功能組件 (圖 2 中的 LT3495-1) 就是這樣驅動的,以獨立地給 LTC6803 供電,以便電池僅提供 ADC 測量輸入電流 (即在有效轉換時平均值 < 200nA)。該電路具有絕對最低的寄生電池泄漏,同時消除了任何電池的工作電流失配,否則這種失配可能逐步導致電池容量失衡。
LTC6803 的一個方便的功能是,有兩個自由的、準確度與電池輸入類似的 ADC 輸入。這種方便的功能允許用很少的額外電路進行輔助測量,包括溫度、校準信號或負載電流測量。一種尤其有用的測量是,用一個門控電阻分壓器測量整個電池組的電壓,實現方法如圖 2 所示 (采用 12:1 的比例,連接到 VTEMP1 輸入)。當電路斷電時,相關的 FET duankai,zheyangduidianliudeceliangjiubuhuibubiyaodijiazhongdianchidefudan。jirangaiduankoudelvbokeyiduliyudianchishurulaidingzhi,nameweileshixianjingquedechongdiandianliujisuansuoxude、真正高達 200sps 的奈奎斯特 (Nyquist)采(cai)樣(yang)率(lv)是(shi)可(ke)能(neng)的(de)。可(ke)以(yi)利(li)用(yong)對(dui)單(dan)個(ge)電(dian)池(chi)測(ce)量(liang)來(lai)周(zhou)期(qi)性(xing)地(di)對(dui)整(zheng)個(ge)電(dian)池(chi)組(zu)的(de)分(fen)壓(ya)器(qi)提(ti)供(gong)軟(ruan)件(jian)校(xiao)準(zhun),這(zhe)樣(yang)就(jiu)不(bu)需(xu)要(yao)價(jia)格(ge)昂(ang)貴(gui)的(de)電(dian)阻(zu)器(qi)了(le)。輔(fu)助(zhu)輸(shu)入(ru)的(de)另(ling)一(yi)個(ge)非(fei)常(chang)有(you)用(yong)的(de)用(yong)法(fa)是(shi),測(ce)量(liang)準(zhun)確(que)度(du)很(hen)高(gao)的(de)校(xiao)準(zhun)電(dian)源(yuan)(諸如淩力爾特的 LT6655-3.3,一個準確度為 0.025% 的基準),在(zai)這(zhe)種(zhong)用(yong)法(fa)中(zhong),允(yun)許(xu)軟(ruan)件(jian)憑(ping)借(jie)通(tong)道(dao)至(zhi)通(tong)道(dao)的(de)固(gu)有(you)匹(pi)配(pei),校(xiao)正(zheng)其(qi)他(ta)所(suo)有(you)通(tong)道(dao)。請(qing)注(zhu)意(yi),熱(re)敏(min)電(dian)阻(zu)器(qi)的(de)溫(wen)度(du)探(tan)頭(tou)不(bu)必(bi)以(yi)電(dian)池(chi)的(de)電(dian)位(wei)為(wei)基(ji)準(zhun),這(zhe)些(xie)探(tan)頭(tou)一(yi)般(ban)也(ye)不(bu)需(xu)要(yao) 12 位的分辨率。這類探頭通常適用於直接與微控製器連接,從而留出高性能 LTC6803 的輔助輸入,以實現要求更加苛刻的功能。
zongzhi,zaidianchiguanlixitongdianluzhongxuyaokaolvdeyinsuyouhenduo,tebieshinaxiejuedingfengzhuangxianzhideyinsu。dangfengzhuangshejisixianghuijuzaiyiqishi,kaolvyixiayeyoukenengchanshengjixieyingxiangdedianzixianluyuxinxiliudejiegou(例如:連接器化和導線數目) 同樣也是很重要。一旦權衡過這些因素而且封裝設計思想成熟之後,隻需直接插入一款采用 LTC6803 平台,一個聲名卓著、可擴展和具成本效益的數據采集解決方案便大功告成了。
- 建立高效電池管理係統
- 采用 LTC6803 平台
- 解決決定封裝限製的因素
假定你接受了一項任務,為一個新的和基於電池的電源係統設計監視器電路,那麼你會采取什麼策略來優化該設計的成本和可製造性呢?最zui初chu考kao慮lv的de問wen題ti將jiang是shi確que定ding係xi統tong的de首shou選xuan結jie構gou以yi及ji電dian池chi和he有you關guan電dian子zi組zu件jian的de位wei置zhi。基ji本ben結jie構gou清qing楚chu以yi後hou,接jie下xia來lai必bi須xu考kao慮lv的de一yi個ge問wen題ti是shi,電dian路lu拓tuo撲pu的de權quan衡heng協xie調tiao問wen題ti,例li如ru,怎zen樣yang優you化hua最zui終zhong產chan品pin的de通tong信xin和he互hu連lian。
電池的外形尺寸將對電源係統結構有重大影響。要使用大量小型電池以適合形狀複雜的電池模塊 (或電池組) 嗎?或者要使用外形尺寸很大的電池,因而由於重量問題而導致對電池數量的限製或引起其他的尺寸限製?這(zhe)也(ye)許(xu)是(shi)設(she)計(ji)變(bian)數(shu)最(zui)大(da)的(de)部(bu)分(fen),因(yin)為(wei)外(wai)形(xing)新(xin)穎(ying)的(de)電(dian)池(chi)不(bu)斷(duan)上(shang)市(shi),而(er)且(qie)人(ren)們(men)也(ye)在(zai)不(bu)斷(duan)努(nu)力(li),務(wu)求(qiu)電(dian)池(chi)模(mo)塊(kuai)或(huo)電(dian)池(chi)組(zu)集(ji)成(cheng)到(dao)產(chan)品(pin)中(zhong)後(hou),會(hui)與(yu)整(zheng)個(ge)產(chan)品(pin)概(gai)念(nian)更(geng)加(jia)一(yi)致(zhi)。例(li)如(ru),在(zai)汽(qi)車(che)設(she)計(ji)情(qing)況(kuang)下(xia),電(dian)池(chi)最(zui)終(zhong)也(ye)許(xu)分(fen)散(san)在(zai)車(che)輛(liang)上(shang)的(de)某(mou)些(xie)空(kong)間(jian)中(zhong),這(zhe)些(xie)空(kong)間(jian)如(ru)果(guo)不(bu)放(fang)電(dian)池(chi),利(li)用(yong)效(xiao)率(lv)很(hen)低(di)。
另一個考慮因素是,電池 (或模塊化電池組)、電池管理係統 (或其子係統) 以及最終應用接口之間的測試信號和 / 或(huo)遙(yao)測(ce)信(xin)號(hao)的(de)互(hu)連(lian)。在(zai)大(da)多(duo)數(shu)情(qing)況(kuang)下(xia),可(ke)以(yi)做(zuo)一(yi)個(ge)外(wai)殼(ke),用(yong)來(lai)集(ji)成(cheng)電(dian)池(chi)模(mo)塊(kuai)或(huo)電(dian)池(chi)組(zu)中(zhong)的(de)某(mou)些(xie)數(shu)據(ju)采(cai)集(ji)電(dian)路(lu),以(yi)便(bian)如(ru)果(guo)需(xu)要(yao)調(tiao)換(huan),那(na)麼(me)生(sheng)產(chan) ID、校準、使用規格等重要信息能隨著可替換組件帶走。這類信息對電池管理係統 (BMS)或維修設備可能有用,而且最大限度地減少了線束中所需的高壓額定值導線的數量。
接下來,就給定的機械概念設計而言,監視硬件拓撲由精確定義的、所需支持的電池數量決定。在汽車應用中,一般情況下總共會有 100 個以上的電池測量點,而且係統的模塊化將決定一個給定的電路係統測量多少個電池。最常見的情況是,以安全斷接“維修插頭”方式,將所有電池分成至少兩個子組。通過在故障情況下保持電壓低於 200V,這zhe種zhong方fang法fa最zui大da限xian度du地di降jiang低di了le維wei修xiu人ren員yuan可ke能neng遇yu到dao的de觸chu電dian危wei險xian。外wai形xing尺chi寸cun較jiao大da的de電dian池chi組zu意yi味wei著zhe,要yao采cai用yong兩liang套tao隔ge離li的de數shu據ju采cai集ji係xi統tong,每mei套tao也ye許xu支zhi持chi 50 個電池分接頭。在有些情況下,所有電子組件都在一個經濟實惠的印刷電路板上,但是這需要大量互連,如圖 1 (a)所(suo)示(shi)。或(huo)者(zhe),電(dian)子(zi)組(zu)件(jian)也(ye)可(ke)以(yi)分(fen)散(san)放(fang)置(zhi),更(geng)加(jia)緊(jin)密(mi)地(di)集(ji)成(cheng)在(zai)電(dian)池(chi)模(mo)塊(kuai)中(zhong),但(dan)是(shi)這(zhe)需(xu)要(yao)采(cai)用(yong)遙(yao)測(ce)鏈(lian)接(jie)方(fang)法(fa)。為(wei)了(le)實(shi)現(xian)可(ke)靠(kao)的(de)數(shu)據(ju)完(wan)整(zheng)性(xing),內(nei)置(zhi)於(yu)汽(qi)車(che)線(xian)束(shu)中(zhong)的(de)遠(yuan)端(duan)測(ce)量(liang)功(gong)能(neng)電(dian)路(lu)必(bi)須(xu)采(cai)用(yong)一(yi)種(zhong)堅(jian)固(gu)型(xing)協(xie)議(yi),例(li)如(ru)廣(guang)泛(fan)使(shi)用(yong)的(de) CAN 總線。盡管真正的 CAN 總線接口涉及幾個網絡層,但是可以很方便地采用 PHY 層構成 BMS LAN 結構,以高效率地進行模塊內的通信。這類分布式結構如圖 1 (b)所示。該拓撲允許在幾個小型處理器之間分配計算工作量,從而降低所需的數據傳輸速率,並減輕 LAN 方法可能引起的 EMI 問題。最終的 BMS 應用接口很可能是至一個主係統管理處理器的 CAN 總線接線,而且將需要定義 (或在一開始規定) 特定的信息事務處理。

其他因素也可能對物理結構和監視電路造成影響。就鋰離子電池而言,需要電池容量平衡,從而導致了額外的熱量管理問題(去除熱量),erqieruguoxuyaoyouyuanpingheng,haixuyaodianyuanzhuanhuandianlu。wendutantouchangchangfenbuzaizhenggemokuaizhishang,yitigongyizhongjiangdianyadushuyuchongdianzhuangtaiguanlianqilaidefangfa,yinerxuyaoyixiezhichidianluhelianjiefangan。shejishiyigechangchanghushidekaolvyinsushi,dangchanpinanzhuangzhiqianxianzhihuochucunzaihuojiashangshi,dianchidedianliangxielouyinggaishizuidide。zaiyouxieqingkuangxia,ewaidekongzhipeixianshibiyaode。
[page]
在上麵實現的這些結構中,都有一個常見的測量功能構件,該構件包括一個多通道 ADC、安全隔離勢壘和某種程度的本地處理能力。圖 2 電路顯示了一個實現數據采集功能的可擴展設計平台。在這個圖中,實現功能的核心組件是淩力爾特的 LTC6803 電池組監視器 IC,同時顯示的還有一個 SPI 數據隔離器和一些可選的特殊用途電路。該電路包括輸入濾波器和無源平衡功能,構成了一個完整的 12 節電池數據采集解決方案。如果需要,這類電路可以簡單地複製,以支持更多電池測量方案,同時共享主微控製器的本地 SPI 端口,該主微控製器反過來再提供外部 CAN 總線或其他 LAN 型數據鏈路所需。

LTC6803 的一個方便的功能是,有兩個自由的、準確度與電池輸入類似的 ADC 輸入。這種方便的功能允許用很少的額外電路進行輔助測量,包括溫度、校準信號或負載電流測量。一種尤其有用的測量是,用一個門控電阻分壓器測量整個電池組的電壓,實現方法如圖 2 所示 (采用 12:1 的比例,連接到 VTEMP1 輸入)。當電路斷電時,相關的 FET duankai,zheyangduidianliudeceliangjiubuhuibubiyaodijiazhongdianchidefudan。jirangaiduankoudelvbokeyiduliyudianchishurulaidingzhi,nameweileshixianjingquedechongdiandianliujisuansuoxude、真正高達 200sps 的奈奎斯特 (Nyquist)采(cai)樣(yang)率(lv)是(shi)可(ke)能(neng)的(de)。可(ke)以(yi)利(li)用(yong)對(dui)單(dan)個(ge)電(dian)池(chi)測(ce)量(liang)來(lai)周(zhou)期(qi)性(xing)地(di)對(dui)整(zheng)個(ge)電(dian)池(chi)組(zu)的(de)分(fen)壓(ya)器(qi)提(ti)供(gong)軟(ruan)件(jian)校(xiao)準(zhun),這(zhe)樣(yang)就(jiu)不(bu)需(xu)要(yao)價(jia)格(ge)昂(ang)貴(gui)的(de)電(dian)阻(zu)器(qi)了(le)。輔(fu)助(zhu)輸(shu)入(ru)的(de)另(ling)一(yi)個(ge)非(fei)常(chang)有(you)用(yong)的(de)用(yong)法(fa)是(shi),測(ce)量(liang)準(zhun)確(que)度(du)很(hen)高(gao)的(de)校(xiao)準(zhun)電(dian)源(yuan)(諸如淩力爾特的 LT6655-3.3,一個準確度為 0.025% 的基準),在(zai)這(zhe)種(zhong)用(yong)法(fa)中(zhong),允(yun)許(xu)軟(ruan)件(jian)憑(ping)借(jie)通(tong)道(dao)至(zhi)通(tong)道(dao)的(de)固(gu)有(you)匹(pi)配(pei),校(xiao)正(zheng)其(qi)他(ta)所(suo)有(you)通(tong)道(dao)。請(qing)注(zhu)意(yi),熱(re)敏(min)電(dian)阻(zu)器(qi)的(de)溫(wen)度(du)探(tan)頭(tou)不(bu)必(bi)以(yi)電(dian)池(chi)的(de)電(dian)位(wei)為(wei)基(ji)準(zhun),這(zhe)些(xie)探(tan)頭(tou)一(yi)般(ban)也(ye)不(bu)需(xu)要(yao) 12 位的分辨率。這類探頭通常適用於直接與微控製器連接,從而留出高性能 LTC6803 的輔助輸入,以實現要求更加苛刻的功能。
zongzhi,zaidianchiguanlixitongdianluzhongxuyaokaolvdeyinsuyouhenduo,tebieshinaxiejuedingfengzhuangxianzhideyinsu。dangfengzhuangshejisixianghuijuzaiyiqishi,kaolvyixiayeyoukenengchanshengjixieyingxiangdedianzixianluyuxinxiliudejiegou(例如:連接器化和導線數目) 同樣也是很重要。一旦權衡過這些因素而且封裝設計思想成熟之後,隻需直接插入一款采用 LTC6803 平台,一個聲名卓著、可擴展和具成本效益的數據采集解決方案便大功告成了。
特別推薦
- 噪聲中提取真值!瑞盟科技推出MSA2240電流檢測芯片賦能多元高端測量場景
- 10MHz高頻運行!氮矽科技發布集成驅動GaN芯片,助力電源能效再攀新高
- 失真度僅0.002%!力芯微推出超低內阻、超低失真4PST模擬開關
- 一“芯”雙電!聖邦微電子發布雙輸出電源芯片,簡化AFE與音頻設計
- 一機適配萬端:金升陽推出1200W可編程電源,賦能高端裝備製造
技術文章更多>>
- 2026藍牙亞洲大會暨展覽在深啟幕
- 新市場與新場景推動嵌入式係統研發走向統一開發平台
- 維智捷發布中國願景
- 2秒啟動係統 • 資源受限下HMI最優解,米爾RK3506開發板× LVGL Demo演示
- H橋降壓-升壓電路中的交替控製與帶寬優化
技術白皮書下載更多>>
- 車規與基於V2X的車輛協同主動避撞技術展望
- 數字隔離助力新能源汽車安全隔離的新挑戰
- 汽車模塊拋負載的解決方案
- 車用連接器的安全創新應用
- Melexis Actuators Business Unit
- Position / Current Sensors - Triaxis Hall
熱門搜索
Tektronix
Thunderbolt
TI
TOREX
TTI
TVS
UPS電源
USB3.0
USB 3.0主控芯片
USB傳輸速度
usb存儲器
USB連接器
VGA連接器
Vishay
WCDMA功放
WCDMA基帶
Wi-Fi
Wi-Fi芯片
window8
WPG
XILINX
Zigbee
ZigBee Pro
安規電容
按鈕開關
白色家電
保護器件
保險絲管
北鬥定位
北高智

