開關電源中功率晶體管的二次擊穿及防護
發布時間:2011-10-20
中心議題:
- 功率晶體管二次擊穿的原因
- 避免功率晶體管二次擊穿的措施
- 開關電源中可選用的緩衝電路
解決方案:
- 耗能式關斷緩衝電路
- 耗能式開通緩衝電路
- 無源回饋關斷緩衝電路
- 無源回饋開通緩衝電路
- 複合緩衝電路
隨著電子技術的不斷發展和新型元器件的問世, 開關電源以其體積小、重量輕、效率高、對電網電壓適應範圍寬等優勢, 越來越受到大家的青睞, 在絕大多數領域中取代了傳統的線性電源並被廣泛地應用於不同的電子產品中。
在大部分的開關電源中, 功率開關晶體管工作在高電壓、大(da)電(dian)流(liu)的(de)高(gao)頻(pin)脈(mai)衝(chong)狀(zhuang)態(tai)下(xia),在(zai)這(zhe)種(zhong)條(tiao)件(jian)下(xia)的(de)開(kai)與(yu)關(guan)會(hui)給(gei)晶(jing)體(ti)管(guan)造(zao)成(cheng)很(hen)大(da)的(de)衝(chong)擊(ji)。二(er)次(ci)擊(ji)穿(chuan)是(shi)造(zao)成(cheng)晶(jing)體(ti)管(guan)損(sun)壞(huai)的(de)重(zhong)要(yao)原(yuan)因(yin)之(zhi)一(yi)。要(yao)設(she)計(ji)出(chu)高(gao)性(xing)能(neng)、高可靠性的開關電源, 清楚地了解晶體管二次擊穿的有關知識和避免措施很有必要。
本文分析了晶體管二次擊穿的現象和產生原因, 並結合開關電源的設計及生產實際, 介紹了緩衝回路的應用及其它有關晶體管防護措施。
1 二次擊穿的原因
二次擊穿主要是由於器件體內局部溫度過高造成。溫度升高的原因是當正向偏置時由熱不均衡性引起, 反向偏置時由雪崩擊穿引起。
因為晶體管的熱阻在管子內部各處分布是不均勻的, 在一些薄弱的區域, 溫升將比其它部分高,形成所謂"熱點", 局部溫引起局部電流增加, 電流增加又使溫度升高, 如此循環直至一個臨界溫度,造成管子的擊穿。
雪崩擊穿引起的二次擊穿是由於發生一次雪崩擊穿後, 在某些點上因電流密度過大, 改變了結的電場分布, 產生負阻效應從而使局部溫度過高的一種現象。
2 避免二次擊穿的措施
開通與關斷損耗是影響開關器件正常運行的重要因素。尤其是晶體管在動態過程中易產生二次擊穿的現象, 這種現象又與開關損耗直接相關, 所以減少自關斷器件的開關損耗是正確使用器件的必備措施。要減少損耗可通過兩條途徑來實現:
(1) 在盡量低的集- 射極電壓( Vce ) 下關斷晶體管;
(2) 射極電壓升高過程中關斷晶體管要盡量減小射極電流。引入緩衝電路是達到上述目的途徑之一。
[page]
3 開關電源中可選用的緩衝電路
在開關電源的設計中可選用下列緩衝電路, 以確保晶體管在安全區(SOA) 內運行。
1) 常用的關斷緩衝電路是一種耗能式關斷緩衝電路。它雖然耗能較多, 但電路簡單。如圖1 所示。

圖1 常用的關斷緩衝回路
它由RCD 網絡與晶體管開關並聯組成。當晶體管關斷時, 負載電流經二極管D 給電容C充電,使管子的集電極電流逐漸減小。因為電容C 兩端電壓不能突變, 故而其集電極電壓受到牽製。避免了集電極電壓與電流同時達到最大值的情況, 因而不會出現最大的瞬時尖峰功耗。管子開通時, 電容放出能量並將其消耗在電阻上。
2) 兩種常用的耗能式開通緩衝電路。
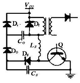
a.具有非飽和電抗的開通緩衝電路(圖2) : 電感- 二極管網絡與晶體管集電極串聯, 形成開通緩衝電路。當管子開通時, 在集電極電壓下降期間, 電感Ls 控製電流的上升率di/ dt .當管子關斷時,貯存在電感Ls 中的能量1/ 2(LsI2m) 通過二極管Ds 續流,其能量消耗在Ds 和電抗器的電阻中。

圖2 具有非飽和電抗的開通緩衝回路[page]
b. 具有飽和電抗器的開通緩衝電路(圖3) : 采用開通緩衝電路的目的就是為了使正在開通的晶體管在集電極電流較小時, 集電極電壓就下降至0 , 以使開通損耗最小。特別對電感性負載效果更為顯著。設計的飽和電抗器應作到: 集電極電壓下降到零後, 緩衝電抗器處於飽和態; 在飽和前, 即集電極電壓下降到零前, 電抗器呈高阻, 流過管子的磁化電流很小從而達到減小開通損耗的目的。

圖3 具有飽和電抗的開通緩衝回路
3) 無源回饋關斷緩衝電路(圖4): 圖中Co 為轉移電容, Dc 為回饋二極管,由這兩個元件將能量回饋到負載上。當管子關斷時,緩衝電容Cs 充電至電源電壓Vcc ,在管子下一次開通時,負載電流從續流二極管Df 轉移至晶體管。同時, Cs 上的電壓諧振到Co 上。 當管子再關斷時,電容Cs 再次充電,電容Co向負載放電,能量得到回饋。

圖4 無源回饋關斷緩衝回路[page]
4) 無源回饋開通緩衝電路(圖5) :此電路通過變壓器將磁場貯能回饋到電源。變壓器為雙線繞製,其原邊具有一定電感;幅(fu)邊(bian)的(de)極(ji)性(xing)與(yu)原(yuan)邊(bian)相(xiang)反(fan),並(bing)且(qie)接(jie)有(you)反(fan)向(xiang)二(er)極(ji)管(guan)。管(guan)子(zi)開(kai)通(tong)時(shi),原(yuan)邊(bian)承(cheng)受(shou)全(quan)部(bu)電(dian)源(yuan)電(dian)壓(ya),副(fu)邊(bian)無(wu)通(tong)電(dian)回(hui)路(lu)。管(guan)子(zi)關(guan)斷(duan)時(shi),副(fu)邊(bian)感(gan)應(ying)電(dian)壓(ya)極(ji)性(xing)換(huan)向(xiang),當(dang)其(qi)電(dian)壓(ya)高(gao)於(yu)電(dian)源(yuan)電(dian)壓(ya)Vcc 時, 向電源饋送能量。

圖5 無源回饋開通緩衝回路
5) 複合緩衝電路: 將開通緩衝電路與關斷緩衝電路結合在一起, 則形成複合緩衝電路, 在晶體管開通和關斷時複合緩衝電路均有保護作用。這種電路也分為耗能式和饋能式兩類。
a. 耗能式複合緩衝電路(圖6) : 在管子開通時, 緩衝電容經Cs 、Rs 、Ls 回路放電, 減少了管子承受的電流上升率。此外,在管子開通時,電感Ls 還可限製續流二極管Df 的反向恢複電流。

圖6 耗能式複合緩衝回路[page]
b. 饋能式複合緩衝電路(圖7) : 當晶體管關斷時, 電容Co和電感Ls 並聯運行,將貯存的能量饋送到負載。當電容Co 放電時,電感Ls 上的電壓逐漸減小為0 ,在這段時間內負載電流經續流二極管Df 導通。

圖7 饋能式複合緩衝回路
上述各種緩衝電路不外乎分為兩大類型, 即耗能式和饋能式。耗能式線路簡單但相對耗能較高,適合於較小功率電源使用。饋能式線路複雜, 但在大功率電源中, 如果將緩衝電路所耗散的能量以熱的形式散發, 勢必造成很大麻煩, 因此, 要采用饋能式緩衝電路。
4 其它保護措施
傳統上我們在開關電源輸入單元的設計中, 在整流橋和濾波電容之間加入一個線繞電阻或負溫係數的熱敏電阻R , 用以抑製開啟瞬間的浪湧電流, 同時它在某種程度上延緩了濾波電容兩端電壓的上升速度(如圖8 示) .設計中要在電壓達一定值時就使脈寬調製IC 工作, 再配合IC 上所設的軟啟電路, 使得功率晶體管在相對低的電壓下以相對短的導通時間開始工作, 並逐步達到穩定狀態。設計好這個時序, 能很好地提高電源的可靠性。圖中的可控矽SCR 一般用在較大功率電源中, 其控製端與功率變壓器的一個副繞組相連, 在電源正常工作後使其導通, 以減小功耗。

圖8 傳統開關電源中的輸入單元[page]
筆者在1000W半橋式開關電源的設計中, 首次用一個單向可控矽代替前端AC 輸入整流橋的一個橋臂, 其控製端由主變壓器的一個副繞組來控製(如圖9 所示) .這樣, 在電源接通的初始態, 該整流橋處於半波整流態。待電源啟動後, 可控矽導通, 整流橋轉為全波整流。由此可達到降低啟動電壓的目的。同時, 還可有效地抑止浪湧電流。實踐證明, 該電路簡單可靠很值得大家借鑒。

圖9 實用軟啟動電路
結束語
有效地避免主開關管的二次擊穿是提高開關電源可靠性的關鍵, 也是值得研究的一個課題。當前, 開關電源正朝著高頻化、大功率化的方向發展, 上麵所討論的問題會顯得更為突出。應引起足夠的重視。
- 噪聲中提取真值!瑞盟科技推出MSA2240電流檢測芯片賦能多元高端測量場景
- 10MHz高頻運行!氮矽科技發布集成驅動GaN芯片,助力電源能效再攀新高
- 失真度僅0.002%!力芯微推出超低內阻、超低失真4PST模擬開關
- 一“芯”雙電!聖邦微電子發布雙輸出電源芯片,簡化AFE與音頻設計
- 一機適配萬端:金升陽推出1200W可編程電源,賦能高端裝備製造
- 算力爆發遇上電源革新,大聯大世平集團攜手晶豐明源線上研討會解鎖應用落地
- 築基AI4S:摩爾線程全功能GPU加速中國生命科學自主生態
- 一秒檢測,成本降至萬分之一,光引科技把幾十萬的台式光譜儀“搬”到了手腕上
- AI服務器電源機櫃Power Rack HVDC MW級測試方案
- 突破工藝邊界,奎芯科技LPDDR5X IP矽驗證通過,速率達9600Mbps
- 車規與基於V2X的車輛協同主動避撞技術展望
- 數字隔離助力新能源汽車安全隔離的新挑戰
- 汽車模塊拋負載的解決方案
- 車用連接器的安全創新應用
- Melexis Actuators Business Unit
- Position / Current Sensors - Triaxis Hall





