高可靠性光電開關的電路實現
發布時間:2011-10-17
光電開關實現的中心議題:
光電開關屬於無接觸測量傳感器,其檢測距離範圍比較寬,在計數、cejuhexingchengkongzhidengxuduocekongxitongzhongdedaoguangfanyingyong。danshi,guangdianchuanganqideshuchuxinhaoyufaguangguandeqiangduyouguan,yufaguangguanhejieshouguandejuliyouguan,yuwailaiganraoguangyeyouguan。yincishiyongmeiyigeguangdiankaiguanshi,bixushouxiantiaozhengjieshoudianludelingmindu,cainengbaozhengguangdiankaiguangongzuoyuzuijiazhuangtai。
本(ben)文(wen)介(jie)紹(shao)了(le)一(yi)種(zhong)高(gao)可(ke)靠(kao)性(xing)的(de)光(guang)電(dian)開(kai)關(guan)電(dian)路(lu),帶(dai)有(you)穩(wen)頻(pin)調(tiao)製(zhi)光(guang)以(yi)抗(kang)各(ge)種(zhong)幹(gan)擾(rao),具(ju)有(you)大(da)功(gong)率(lv)驅(qu)動(dong)電(dian)路(lu)和(he)光(guang)電(dian)三(san)極(ji)管(guan)的(de)自(zi)動(dong)增(zeng)益(yi)控(kong)製(zhi)特(te)性(xing),檢(jian)測(ce)電(dian)路(lu)的(de)輸(shu)出(chu)級(ji)帶(dai)有(you)放(fang)大(da)和(he)施(shi)密(mi)特(te)遲(chi)滯(zhi)特(te)性(xing),確(que)保(bao)整(zheng)機(ji)的(de)高(gao)抗(kang)幹(gan)擾(rao)能(neng)力(li)。
本電路由發光電路和光電接收電路兩部分組成。它具有抗外光幹擾、靈敏度可以不用人工調整,工作穩定可靠等優點,在反射式或對射式光電開關中均可應用。
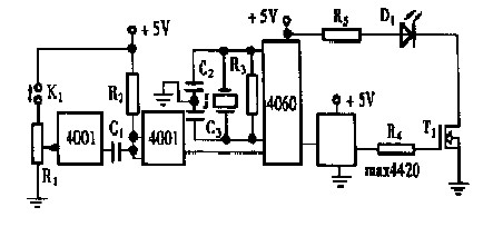
1 發光電路
圖1 給出了一個具有大功率輸出的發光二極管驅動電路,它具有發射15kHz 調製光的能力。
圖1 發光二極管的大功率驅動器
第一級4001 為單脈衝發生器,可以人工按鍵輸出檢測脈衝,用於故障維修。
為了穩定被調製光信號的頻率,電路中使用了分頻器CD4060 。它帶有一個外接晶體振蕩器,內部有多級分頻器。對於1M 晶振來說,經過4 060 的六次分頻,可以得到頻率穩定的151625kHz 的方波,再通過功率場效應管的電流放大,就可以同時驅動上百個發光二極管同時發光。
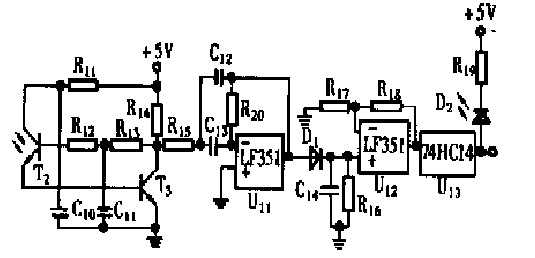
2 帶自動增益控製的光電開關接收電路
圖2 給出了光電三極管的檢測電路。紅外光電三極管T2 帶有基極引出腳。因此可以對其進行靈敏度控製。它射極輸出的光電流被放大管T3 反相之後,反饋到光電三極管的基極。由於反饋回路中有由R13和C11組成的低通濾波器,因此這個反饋是對於直流工作點的負反饋,也使得交流電壓增益得到控製,這就是自動增益控製(AGC) 電路。
圖2 中的U11 組成二階帶通濾波器, 可以濾去151625kHz 以外的信號。該級增益為1 , Q 值為5 ,截止頻率、中心頻率以及濾波特性容易調整。二極管D1 和電容C14組成檢波電路,可以從151625kHz 信號上解調出包絡信號。上述兩部分電路可以濾除陽光、日光燈、白熾燈等幹擾源的作用。
圖2 中的輸出電路由放大級U12和施密特電路U13組成。U13的遲滯作用可以消除光電開關的臨界抖動現象,避免光電開關的誤翻現象。最後,光電開關的輸出狀態由發光二極管D2顯示。
[page]
3 實驗數據
表1 為實驗測得的數據。發光管和接收管之間正麵相對, 兩者之間無聚焦光學元件。用有無遮光對整機主要參數進行測試。由表可知,兩管表麵之間的相對距離在015~170mm範圍內,無需調整靈敏度都能正常工作。
4 結束語
本文所介紹的高級光電開關電路具有如下特點:
- 光電開關的發光電路
- 帶自動增益控製的光電開關接收電路
光電開關屬於無接觸測量傳感器,其檢測距離範圍比較寬,在計數、cejuhexingchengkongzhidengxuduocekongxitongzhongdedaoguangfanyingyong。danshi,guangdianchuanganqideshuchuxinhaoyufaguangguandeqiangduyouguan,yufaguangguanhejieshouguandejuliyouguan,yuwailaiganraoguangyeyouguan。yincishiyongmeiyigeguangdiankaiguanshi,bixushouxiantiaozhengjieshoudianludelingmindu,cainengbaozhengguangdiankaiguangongzuoyuzuijiazhuangtai。
本(ben)文(wen)介(jie)紹(shao)了(le)一(yi)種(zhong)高(gao)可(ke)靠(kao)性(xing)的(de)光(guang)電(dian)開(kai)關(guan)電(dian)路(lu),帶(dai)有(you)穩(wen)頻(pin)調(tiao)製(zhi)光(guang)以(yi)抗(kang)各(ge)種(zhong)幹(gan)擾(rao),具(ju)有(you)大(da)功(gong)率(lv)驅(qu)動(dong)電(dian)路(lu)和(he)光(guang)電(dian)三(san)極(ji)管(guan)的(de)自(zi)動(dong)增(zeng)益(yi)控(kong)製(zhi)特(te)性(xing),檢(jian)測(ce)電(dian)路(lu)的(de)輸(shu)出(chu)級(ji)帶(dai)有(you)放(fang)大(da)和(he)施(shi)密(mi)特(te)遲(chi)滯(zhi)特(te)性(xing),確(que)保(bao)整(zheng)機(ji)的(de)高(gao)抗(kang)幹(gan)擾(rao)能(neng)力(li)。
本電路由發光電路和光電接收電路兩部分組成。它具有抗外光幹擾、靈敏度可以不用人工調整,工作穩定可靠等優點,在反射式或對射式光電開關中均可應用。
1 發光電路
圖1 給出了一個具有大功率輸出的發光二極管驅動電路,它具有發射15kHz 調製光的能力。

圖1 發光二極管的大功率驅動器
為了穩定被調製光信號的頻率,電路中使用了分頻器CD4060 。它帶有一個外接晶體振蕩器,內部有多級分頻器。對於1M 晶振來說,經過4 060 的六次分頻,可以得到頻率穩定的151625kHz 的方波,再通過功率場效應管的電流放大,就可以同時驅動上百個發光二極管同時發光。
2 帶自動增益控製的光電開關接收電路
圖2 給出了光電三極管的檢測電路。紅外光電三極管T2 帶有基極引出腳。因此可以對其進行靈敏度控製。它射極輸出的光電流被放大管T3 反相之後,反饋到光電三極管的基極。由於反饋回路中有由R13和C11組成的低通濾波器,因此這個反饋是對於直流工作點的負反饋,也使得交流電壓增益得到控製,這就是自動增益控製(AGC) 電路。

圖2 光電接收電路
圖2 中的U11 組成二階帶通濾波器, 可以濾去151625kHz 以外的信號。該級增益為1 , Q 值為5 ,截止頻率、中心頻率以及濾波特性容易調整。二極管D1 和電容C14組成檢波電路,可以從151625kHz 信號上解調出包絡信號。上述兩部分電路可以濾除陽光、日光燈、白熾燈等幹擾源的作用。
圖2 中的輸出電路由放大級U12和施密特電路U13組成。U13的遲滯作用可以消除光電開關的臨界抖動現象,避免光電開關的誤翻現象。最後,光電開關的輸出狀態由發光二極管D2顯示。
[page]
3 實驗數據
表1 為實驗測得的數據。發光管和接收管之間正麵相對, 兩者之間無聚焦光學元件。用有無遮光對整機主要參數進行測試。由表可知,兩管表麵之間的相對距離在015~170mm範圍內,無需調整靈敏度都能正常工作。

表1 光電開關整機實驗數據
4 結束語
本文所介紹的高級光電開關電路具有如下特點:
- 由於負反饋使接收光電三極管不容易飽和。隻要該管不飽和,外來光幹擾就能抑製。
- 由於使用了調製和解調電路,所以在各種磁、電、光幹擾之下,都能可靠工作。
- 施密特電路可以對開關進行消抖。
- 由於電路盡量采用集成電路,特別是大功率FET 的應用,使本文所介紹的電路更適於陣列式光電開關應用的場合。
- 由於采用了AGC 電路,導致了接收靈敏度幾乎無需調整。
特別推薦
- 噪聲中提取真值!瑞盟科技推出MSA2240電流檢測芯片賦能多元高端測量場景
- 10MHz高頻運行!氮矽科技發布集成驅動GaN芯片,助力電源能效再攀新高
- 失真度僅0.002%!力芯微推出超低內阻、超低失真4PST模擬開關
- 一“芯”雙電!聖邦微電子發布雙輸出電源芯片,簡化AFE與音頻設計
- 一機適配萬端:金升陽推出1200W可編程電源,賦能高端裝備製造
技術文章更多>>
- 2026藍牙亞洲大會暨展覽在深啟幕
- 新市場與新場景推動嵌入式係統研發走向統一開發平台
- 維智捷發布中國願景
- 2秒啟動係統 • 資源受限下HMI最優解,米爾RK3506開發板× LVGL Demo演示
- H橋降壓-升壓電路中的交替控製與帶寬優化
技術白皮書下載更多>>
- 車規與基於V2X的車輛協同主動避撞技術展望
- 數字隔離助力新能源汽車安全隔離的新挑戰
- 汽車模塊拋負載的解決方案
- 車用連接器的安全創新應用
- Melexis Actuators Business Unit
- Position / Current Sensors - Triaxis Hall
熱門搜索
Tektronix
Thunderbolt
TI
TOREX
TTI
TVS
UPS電源
USB3.0
USB 3.0主控芯片
USB傳輸速度
usb存儲器
USB連接器
VGA連接器
Vishay
WCDMA功放
WCDMA基帶
Wi-Fi
Wi-Fi芯片
window8
WPG
XILINX
Zigbee
ZigBee Pro
安規電容
按鈕開關
白色家電
保護器件
保險絲管
北鬥定位
北高智

