小型DC/DC開關電源的容性負載研究
發布時間:2011-10-10 來源:廣州金升陽科技有限公司
中心議題:
- 開關電源對容性負載的要求
- 提高開關電源容性負載能力的方法
- 容性負載設計的典型案例
- 容性負載能力的應用
在DC/DC開關電源的應用中,輸出負載端外接電容能起到濾波、yizhiganraodezuoyong,zaimouxiedarongxingfuzaidongtaitiaobiandeshebeizhong,yaoqiudianyuanshuchuduanyoukuaisuxiangying,zhejiuyaoqiukaiguandianyuanyoujiaoqiangdedairongxingfuzaidenengli,bingqieyouhaodewendingxingneng。zaikaiguandianyuandeshejiguochengzhong,yaochongfenlijiebingshixiankehufuzaishiyongdeteshuyaoqiu,bixufenxikaiguandianyuanrongxingfuzainenglideliangzhongbutongzhuangtaiyaoqiu。
1 容性負載的要求
開(kai)關(guan)電(dian)源(yuan)的(de)基(ji)本(ben)特(te)性(xing)中(zhong),一(yi)般(ban)並(bing)沒(mei)有(you)對(dui)容(rong)性(xing)負(fu)載(zai)能(neng)力(li)做(zuo)出(chu)嚴(yan)格(ge)的(de)規(gui)範(fan)。一(yi)般(ban)電(dian)源(yuan)都(dou)可(ke)帶(dai)相(xiang)當(dang)容(rong)性(xing)的(de)負(fu)載(zai),但(dan)考(kao)慮(lv)到(dao)電(dian)源(yuan)的(de)過(guo)流(liu)保(bao)護(hu)能(neng)力(li),尤(you)其(qi)是(shi)輸(shu)出(chu)短(duan)路(lu)保(bao)護(hu),容(rong)性(xing)負(fu)載(zai)能(neng)力(li)不(bu)可(ke)能(neng)太(tai)大(da),否(fou)則(ze)保(bao)護(hu)能(neng)力(li)變(bian)差(cha)。對(dui)於(yu)多(duo)路(lu)輸(shu)出(chu)的(de)模(mo)塊(kuai)所(suo)帶(dai)容(rong)性(xing)負(fu)載(zai),其(qi)分(fen)配(pei)原(yuan)則(ze)是(shi)電(dian)容(rong)的(de)存(cun)儲(chu)總(zong)能(neng)量(liang)不(bu)能(neng)超(chao)過(guo)0.25J,包括主路的電容存儲能量與輔助電路的存儲能量的總和(1/2∑CU2)。依此計算,在設計中最大容性負載的選取如見表l(電路和輸出功率不同的模塊的最大容性負載會各不相同,實際選用和使用時需要參照相關給定的技術參數手冊)在實際設計和應用中,開關電源輸出容性負載能力由以下兩種要求來調試和測試:

1)電源穩定工作,僅負載由空載到滿載跳變,輸出電壓穩定
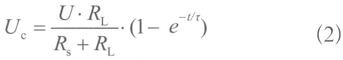
當模塊正常工作時,DC/DC開關電源可以等效為電壓源,其輸出等效電路圖和簡化後的等效電路圖分別如圖1和圖2所示。其中,U是輸出電壓,RS是等效內阻,RL是輸出負載電阻,C是輸出電容,

根據圖2有

可認為開關S閉合前電容電壓UC為零,由式(1)可得

由上述計算,可以看出電容電壓VC是按指數規律不斷上升,要使輸出電壓更快更穩定的建立,電源輸出內阻要小,一般通過高增益、快速響應的輸出穩壓反饋環路,可以實現性能的改善和提高。[page]
但由於存在輸出電感的儲能,電壓反饋和前端峰值電流控製的作用,電容電壓並不完全是由零開始上升的指數波形,見圖3。

shuchudianyadewendingguochengzhong,yifangmianyoushuchulvbodiangandechunenglaizhububuchong,lingyifangmianyoufankuihuankongzhidianluyuanbiankuaisushuchugengdagonglv。shuchudiangandequzhiyibanyoudianliuwenboxishuλ和電源的空載特性來確定,為了避免容性跳變輸出電壓過大的下衝,使控製電路達到極限,電感的取值要大於λ的理論值計算所得數值,但同時也要考慮輸出失載時的電壓上衝幅度,所以輸出電感也不能太大,大的電感一般不易製作、成本較高,所以電感的實際取值可以用實驗的方法得到。圖4給出了輸出電感Lout不同取值時,容性負載突變時輸出電感電流的跳變波形和最大的容性負載能力。

圖4 輸出電感電流波形
youshiyandechushuchudiangandademokuaidaiderongxingfuzaida,dianganchunengyouzhuyushuchudianyadewending,xianliubaohudianlugongzuoshijianduan,danxiangyingshijianhuixiangyingchangyixie。
2)模塊帶輸出電容啟動,輸出電壓穩定
當(dang)模(mo)塊(kuai)帶(dai)大(da)電(dian)容(rong)啟(qi)動(dong)時(shi),需(xu)對(dui)電(dian)容(rong)迅(xun)速(su)充(chong)電(dian),以(yi)維(wei)持(chi)輸(shu)出(chu)電(dian)壓(ya)穩(wen)定(ding),啟(qi)動(dong)瞬(shun)間(jian)會(hui)產(chan)生(sheng)一(yi)個(ge)大(da)的(de)電(dian)流(liu)。啟(qi)動(dong)過(guo)程(cheng)中(zhong)大(da)電(dian)流(liu)持(chi)續(xu)時(shi)間(jian)太(tai)長(chang),模(mo)塊(kuai)控(kong)製(zhi)芯(xin)片(pian)的(de)保(bao)護(hu)功(gong)能(neng)就(jiu)會(hui)達(da)到(dao)極(ji)限(xian),會(hui)出(chu)現(xian)啟(qi)動(dong)不(bu)良(liang)現(xian)象(xiang)即(ji)輸(shu)出(chu)電(dian)壓(ya)不(bu)能(neng)正(zheng)常(chang)建(jian)立(li);lingwai,rongxingfuzaidedaxiaozhijieyingxiangshuchudianyadeshangshengshijian,zaiyouyangeshuchudianyashangshengshijianyaoqiudehuanjingzhongjiuhuichuxianyingyongguzhang。yibanzikuidianyuandeshuchudianyahegongdiandianyashizhengbiguanxi,zaishuchudadaozhengchangdianyazhiqian,xinpianVCC無法滿足供電要求。因此啟動電路的供電方式和VCC電容的儲能也是決定容性負載能力的重要因素。
2 提高開關電源容性負載能力的方法
如果輔助電源是獨立電源,可以用軟啟動的方法使輸出電壓緩慢建立。對自饋供電來說,軟啟動時間長就難以啟動,這時要增加VCC電容容量。VCC容量大,對單獨依靠芯片內部電流環起短路保護的模塊會有影響,因此必須在容性負載和過流(及短路保護)之間找一下平衡點。
適shi當dang使shi限xian流liu電dian阻zu取qu值zhi減jian小xiao,相xiang當dang於yu提ti高gao電dian源yuan的de輸shu出chu功gong率lv,用yong於yu增zeng加jia啟qi動dong過guo程cheng中zhong提ti供gong給gei輸shu出chu端duan負fu載zai能neng量liang。調tiao節jie反fan饋kui環huan路lu參can數shu,使shi運yun放fang光guang耦ou等deng集ji成cheng元yuan件jian退tui飽bao和he速su度du加jia快kuai,可ke以yi解jie決jue容rong性xing負fu載zai跳tiao變bian時shiOVERSHOOT嚴重的問題,即提高了電源的穩定性能。
3 容性負載設計的典型案例
在Forward DC/DC變換器設計時,設計人員根據容性負載能力的兩項基本要求,通過調整限流電阻、啟動電容的大小等相關參數,參照理論計算值,進行調試和測試,金升陽係列型號(VRB_LD_15W)DC/DC模塊的容性負載能力大大增強,滿足客戶在各種特殊環境中的廣泛應用。
4 容性負載能力的應用和總結
容性負載的需求大小與應用環境密切相關,容性負載能力是基於短路性能、過(guo)載(zai)保(bao)護(hu)能(neng)力(li)之(zhi)間(jian)的(de)平(ping)衡(heng)選(xuan)擇(ze)。在(zai)具(ju)有(you)特(te)殊(shu)規(gui)格(ge)要(yao)求(qiu)的(de)模(mo)塊(kuai)設(she)計(ji)中(zhong),一(yi)定(ding)要(yao)對(dui)上(shang)述(shu)參(can)數(shu)進(jin)行(xing)優(you)化(hua)調(tiao)試(shi),做(zuo)到(dao)最(zui)優(you)設(she)計(ji),滿(man)足(zu)特(te)定(ding)的(de)應(ying)用(yong)要(yao)求(qiu)。
- 噪聲中提取真值!瑞盟科技推出MSA2240電流檢測芯片賦能多元高端測量場景
- 10MHz高頻運行!氮矽科技發布集成驅動GaN芯片,助力電源能效再攀新高
- 失真度僅0.002%!力芯微推出超低內阻、超低失真4PST模擬開關
- 一“芯”雙電!聖邦微電子發布雙輸出電源芯片,簡化AFE與音頻設計
- 一機適配萬端:金升陽推出1200W可編程電源,賦能高端裝備製造
- 三星上演罕見對峙:工會集會討薪,股東隔街抗議
- 摩爾線程實現DeepSeek-V4“Day-0”支持,國產GPU適配再提速
- 築牢安全防線:智能駕駛邁向規模化應用的關鍵挑戰與破局之道
- GPT-Image 2:99%文字準確率,AI生圖告別“鬼畫符”
- 機器人馬拉鬆的勝負手:藏在主板角落裏的“時鍾戰爭”
- 車規與基於V2X的車輛協同主動避撞技術展望
- 數字隔離助力新能源汽車安全隔離的新挑戰
- 汽車模塊拋負載的解決方案
- 車用連接器的安全創新應用
- Melexis Actuators Business Unit
- Position / Current Sensors - Triaxis Hall

