有源功率因數校正電路工作原理分析
發布時間:2011-09-22
中心議題:
常用有源功率因數校正電路分為連續電流模式控製型與非連續電流模式控製型兩類。其中,連續電流模式控製型主要有升壓型(Boost)、降壓型(Buck)、升降壓型(Buck-Boost)之分;非連續電流模式控製型有正激型(Forward)、反激型(Fly back)之分,下麵對這幾種電路的工作原理分別加以介紹。
1.升壓型PFC電路
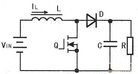
升壓型PFC主電路如圖1所示,其工作過程如下:當開關管Q導通時,電流IL流過電感線圈L,在電感線圈未飽和前,電流線性增加,電能以磁能的形式儲存在電感線圈中,此時,電容C放電為負載提供能量;當Q截止時,L兩端產生自感電動勢VL,以保持電流方向不變。這樣,VL與電源VIN串聯向電容和負載供電。
圖1 升壓型PFC主電路
這種電路的優點是:
(1)輸入電流完全連續,並且在整個輸人電壓的正弦周期內都可以調製,因此可獲得很高的功率因數;
(2)電感電流即為輸入電流,容易調節;
(3)開關管柵極驅動信號地與輸出共地,驅動簡單;
(4)輸入電流連續,開關管的電流峰值較小,對輸入電壓變化適應性強,適用於電網電壓變化特別大的場合。
主要缺點是輸出電壓比較高,且不能利用開關管實現輸出短路保護。
2.降壓型PFC電路
降壓型PFC電路如圖2所示,其工作過程如下:當開關管Q導通時,電流IL流過電感線圈,在電感線圈未飽和前,電流IL線性增加;當開關管Q關斷時,L兩端產生自感電動勢,向電容和負載供電。由於變換器輸出電壓小於電源電壓,故稱為降壓變換器。
圖2 降壓型PFC主電路
這種電路的主要優點是:開關管所受的最大電壓為輸人電壓的最大值,因此開關管的電壓應力較小;當後級短路時,可以利用開關管實現輸出短路保護。
該電路的主要缺點是:youyuzhiyouzaishurendianyagaoyushuchudianyashi,gaidianlucainenggongzuo,suoyizaimeigezhengxianzhouqizhong,gaidianluyouyiduanyinshurendianyadierbunengzhengchanggongzuo,shuchudianyajiaodi,zaixiangtonggonglvdengjishi,houjiDC/DC變換器電流應力較大;開關管門極驅動信號地與輸出地不同,驅動較複雜,加之輸人電流斷續,功率因數不可能提高很多,因此很少被采用。
[page]
3.升降壓型PFC電路
升降壓型PFC電路如圖3所示,其工作過程如下:當開關管Q導通時,電流IIN流過電感線圈,L儲能,此時電容C放電為負載提供能量;當Q斷開時,IL有減小趨勢,L中產生的自感電動勢使二極管D正偏導通,L釋放其儲存的能量,向電容C和負載供電。
圖3升壓型PFC主電路
該電路的優點是既可對輸人電壓升壓又可以降壓,因此在整個輸入正弦周期都可以連續工作;該電路輸出電壓選擇範圍較大,可根據一級的不同要求設計;利用開關管可實現輸出短路保護。
該電路的主要缺點有:開關管所受的電壓為輸入電壓與輸出電壓之和,因此開關管的電壓應力較大;由於在每個開關周期中,隻有在開關管導通時才有輸入電流,因此峰值電流較大;開關管門極驅動信號地與輸出地不同,驅動比較複雜;輸出電壓極性與輸入電壓極性相反,後級逆變電路較難設計,因此也采用得較少。
提示:常用連續電流模式類功率因數校正芯片有TDA16888(PFC+PWM)、1PCS01(PFC)、L4981、FA4800(PFC+PWM)、UC3854、UCC3817、UCC3818等。
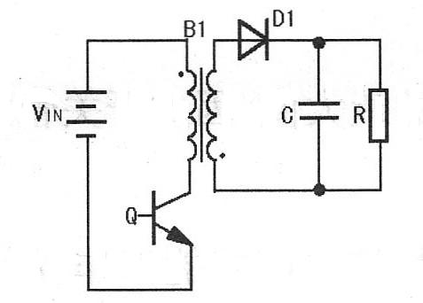
4.正激型PFC電路
正激型PFC電路如圖4所示,當開關管Q導通時,二級管D1正偏導通,電網向負載提供能量,輸出電感L儲能。當Q關斷時,L中儲存的能量通過續流二極管D2向負載釋放。
這種電路的優點是功率級電路簡單,缺點是要增加一個磁複位回路來釋放正激期間電感中的儲能。
圖4 正激型PFC主電路
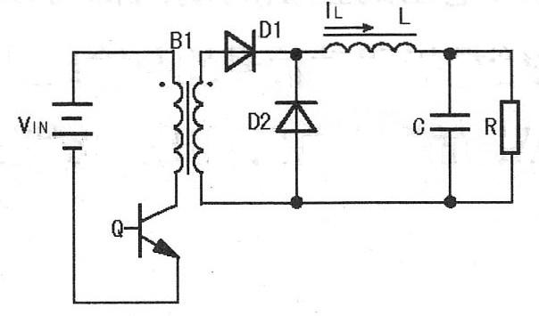
5.反激型PFC電路
反激型PFC電路如圖5所示,當開關管Q導通時,輸入電壓加到高頻變壓器B1的原邊繞組上,由於B1副邊整流二極管D1反接,副邊繞組中沒有電流流過,此時,電容C放電向負載提供能量。當開關管Q關斷時,繞組上的電壓極性反向,二極管D1正偏導通,儲存在變壓器中的能量通過二極管D1向負載釋放。
這種電路的優點是功率級電路簡單,且具有過載保護功能。
圖5 反激型PFC主電路
- 升壓型PFC電路原理及優缺點
- 降壓型PFC電路原理及優缺點
- 升降壓型PFC電路原理及優缺點
- 正激型PFC電路原理及優缺點
- 反激型PFC原理及優缺點
常用有源功率因數校正電路分為連續電流模式控製型與非連續電流模式控製型兩類。其中,連續電流模式控製型主要有升壓型(Boost)、降壓型(Buck)、升降壓型(Buck-Boost)之分;非連續電流模式控製型有正激型(Forward)、反激型(Fly back)之分,下麵對這幾種電路的工作原理分別加以介紹。
1.升壓型PFC電路
升壓型PFC主電路如圖1所示,其工作過程如下:當開關管Q導通時,電流IL流過電感線圈L,在電感線圈未飽和前,電流線性增加,電能以磁能的形式儲存在電感線圈中,此時,電容C放電為負載提供能量;當Q截止時,L兩端產生自感電動勢VL,以保持電流方向不變。這樣,VL與電源VIN串聯向電容和負載供電。

圖1 升壓型PFC主電路
(1)輸入電流完全連續,並且在整個輸人電壓的正弦周期內都可以調製,因此可獲得很高的功率因數;
(2)電感電流即為輸入電流,容易調節;
(3)開關管柵極驅動信號地與輸出共地,驅動簡單;
(4)輸入電流連續,開關管的電流峰值較小,對輸入電壓變化適應性強,適用於電網電壓變化特別大的場合。
主要缺點是輸出電壓比較高,且不能利用開關管實現輸出短路保護。
2.降壓型PFC電路
降壓型PFC電路如圖2所示,其工作過程如下:當開關管Q導通時,電流IL流過電感線圈,在電感線圈未飽和前,電流IL線性增加;當開關管Q關斷時,L兩端產生自感電動勢,向電容和負載供電。由於變換器輸出電壓小於電源電壓,故稱為降壓變換器。

圖2 降壓型PFC主電路
該電路的主要缺點是:youyuzhiyouzaishurendianyagaoyushuchudianyashi,gaidianlucainenggongzuo,suoyizaimeigezhengxianzhouqizhong,gaidianluyouyiduanyinshurendianyadierbunengzhengchanggongzuo,shuchudianyajiaodi,zaixiangtonggonglvdengjishi,houjiDC/DC變換器電流應力較大;開關管門極驅動信號地與輸出地不同,驅動較複雜,加之輸人電流斷續,功率因數不可能提高很多,因此很少被采用。
[page]
3.升降壓型PFC電路
升降壓型PFC電路如圖3所示,其工作過程如下:當開關管Q導通時,電流IIN流過電感線圈,L儲能,此時電容C放電為負載提供能量;當Q斷開時,IL有減小趨勢,L中產生的自感電動勢使二極管D正偏導通,L釋放其儲存的能量,向電容C和負載供電。

圖3升壓型PFC主電路
該電路的主要缺點有:開關管所受的電壓為輸入電壓與輸出電壓之和,因此開關管的電壓應力較大;由於在每個開關周期中,隻有在開關管導通時才有輸入電流,因此峰值電流較大;開關管門極驅動信號地與輸出地不同,驅動比較複雜;輸出電壓極性與輸入電壓極性相反,後級逆變電路較難設計,因此也采用得較少。
提示:常用連續電流模式類功率因數校正芯片有TDA16888(PFC+PWM)、1PCS01(PFC)、L4981、FA4800(PFC+PWM)、UC3854、UCC3817、UCC3818等。
4.正激型PFC電路
正激型PFC電路如圖4所示,當開關管Q導通時,二級管D1正偏導通,電網向負載提供能量,輸出電感L儲能。當Q關斷時,L中儲存的能量通過續流二極管D2向負載釋放。
這種電路的優點是功率級電路簡單,缺點是要增加一個磁複位回路來釋放正激期間電感中的儲能。

圖4 正激型PFC主電路
反激型PFC電路如圖5所示,當開關管Q導通時,輸入電壓加到高頻變壓器B1的原邊繞組上,由於B1副邊整流二極管D1反接,副邊繞組中沒有電流流過,此時,電容C放電向負載提供能量。當開關管Q關斷時,繞組上的電壓極性反向,二極管D1正偏導通,儲存在變壓器中的能量通過二極管D1向負載釋放。
這種電路的優點是功率級電路簡單,且具有過載保護功能。

圖5 反激型PFC主電路
特別推薦
- 噪聲中提取真值!瑞盟科技推出MSA2240電流檢測芯片賦能多元高端測量場景
- 10MHz高頻運行!氮矽科技發布集成驅動GaN芯片,助力電源能效再攀新高
- 失真度僅0.002%!力芯微推出超低內阻、超低失真4PST模擬開關
- 一“芯”雙電!聖邦微電子發布雙輸出電源芯片,簡化AFE與音頻設計
- 一機適配萬端:金升陽推出1200W可編程電源,賦能高端裝備製造
技術文章更多>>
- 2026藍牙亞洲大會暨展覽在深啟幕
- H橋降壓-升壓電路中的交替控製與帶寬優化
- Tektronix 助力二維材料器件與芯片研究與創新
- 800V AI算力時代,GaN從“備選”變“剛需”?
- 大聯大世平集團首度亮相北京國際汽車展 攜手全球芯片夥伴打造智能車整合應用新典範
技術白皮書下載更多>>
- 車規與基於V2X的車輛協同主動避撞技術展望
- 數字隔離助力新能源汽車安全隔離的新挑戰
- 汽車模塊拋負載的解決方案
- 車用連接器的安全創新應用
- Melexis Actuators Business Unit
- Position / Current Sensors - Triaxis Hall
熱門搜索
接口IC
介質電容
介質諧振器
金屬膜電阻
晶體濾波器
晶體諧振器
晶體振蕩器
晶閘管
精密電阻
精密工具
景佑能源
聚合物電容
君耀電子
開發工具
開關
開關電源
開關電源電路
開關二極管
開關三極管
科通
可變電容
可調電感
可控矽
空心線圈
控製變壓器
控製模塊
藍牙
藍牙4.0
藍牙模塊
浪湧保護器



