電子鎮流器的防電磁幹擾設計方案
發布時間:2011-09-09 來源:中國電磁兼容網
中心議題:
- 電子鎮流器的組成
- 電子鎮流器中電磁幹擾的來源及影響
- 電子鎮流器中電磁幹擾的抑製措施
解決方案:
- 傳導幹擾抑製措施
- 輻射幹擾抑製措施
- 諧波幹擾抑製措施
1 電子鎮流器
電子鎮流器(Electricalballast),是鎮流器的一種,是指采用電子技術驅動電光源,使之產生所需照明的電子設備。與之對應的是電感式鎮流器(或鎮流器)。現(xian)代(dai)日(ri)光(guang)燈(deng)越(yue)來(lai)越(yue)多(duo)的(de)使(shi)用(yong)電(dian)子(zi)鎮(zhen)流(liu)器(qi),輕(qing)便(bian)小(xiao)巧(qiao),甚(shen)至(zhi)可(ke)以(yi)將(jiang)電(dian)子(zi)鎮(zhen)流(liu)器(qi)與(yu)燈(deng)管(guan)等(deng)集(ji)成(cheng)在(zai)一(yi)起(qi),同(tong)時(shi),電(dian)子(zi)鎮(zhen)流(liu)器(qi)通(tong)常(chang)可(ke)以(yi)兼(jian)具(ju)起(qi)輝(hui)器(qi)功(gong)能(neng),故(gu)此(ci)又(you)可(ke)省(sheng)去(qu)單(dan)獨(du)的(de)起(qi)輝(hui)器(qi)。電(dian)子(zi)鎮(zhen)流(liu)器(qi)還(hai)可(ke)以(yi)具(ju)有(you)更(geng)多(duo)功(gong)能(neng),比(bi)如(ru)可(ke)以(yi)通(tong)過(guo)提(ti)高(gao)電(dian)流(liu)頻(pin)率(lv)或(huo)者(zhe)電(dian)流(liu)波(bo)形(xing)(如變成方波)改善或消除日光燈的閃爍現象;也可通過電源逆變過程使得日光燈可以使用直流電源。
2 電子鎮流器的組成
電子鎮流器由抗幹擾濾波器、整流濾波電路、功率因數調整器、高頻變換、諧振電路、異常狀態保護電路和熒光燈組成,各部分作用如下:
1) 抗幹擾濾波器:防止電子鎮流器產生的高頻幹擾信號進入到電網造成幅射。
2) 整流濾波電路:將220V的工頻(50Hz或60Hz)交流電變換成310V的直流電,作為電子鎮流器的電源。
3) 功率因數調整器:對本機的功率因數進行調整和補償。
4) 高頻變換電路:電子鎮流器的心髒電路,將直流電源變換成20K~50KHz左右高頻電源,去驅動熒光燈。本電路通常采用一對功率管(三極管或場效應管)組成的自激振蕩器來實現。
5) 諧振電路:yonglaiqudaiputongyingguangdengdeqihuiqi,tazaiyingguangdengqihuiqian,keyidengxiaoweiyigechuanlianxiezhendianlu,qizhendangpinlvyugaopinbianhuandianludepinlvyizhi,xiezhenshi,zaidianrongC上產生一個很高的電壓,確保燈管著火點亮。燈管點亮其等效電阻減小,此電阻與電容C並聯,大大地降低了諧振電路的Q值,該電路又成為了一個RL串聯電路,L變成了一個限流器。
6) 異常狀態保護電路:當熒光燈不能正常點亮時,很高的諧振電壓會使功率器件燒毀,本電路的作用是保護功率器件在異常狀態時不會燒毀。
7) 熒光燈:作用是將20K~50KHz左右高頻電能變換成光能。
3 電子鎮流器中電磁幹擾的來源及其影響
3.1 傳導幹擾的來源及其影響
dianzizhenliuqigongzuoshisuochanshengdediancizaoshengtongguoshurudianyuanxianchuandaodaodianwangzhong,yinfachuandaoganrao,duizhouweihuanjingzaochengwuranbingyingxiangxiangguandianzishebeihuoxitongdezhengchanggongzuo。dianzizhenliuqidechuandaoganraoyuanzhuyaolaiziyixiajigefangmian:
(1)元器件的固有噪聲。主要有熱噪聲、散粒噪聲、接觸噪聲等。
(2)半導體二極管在開關過程中產生的電磁噪聲。在快速開通和關斷的同時,瞬時變化的電壓和電流會形成很強的電磁噪聲。
(3)功(gong)率(lv)半(ban)導(dao)體(ti)器(qi)件(jian)在(zai)開(kai)關(guan)過(guo)程(cheng)中(zhong),會(hui)產(chan)生(sheng)很(hen)高(gao)的(de)瞬(shun)態(tai)電(dian)壓(ya)或(huo)電(dian)流(liu)並(bing)引(yin)起(qi)振(zhen)蕩(dang)。開(kai)關(guan)速(su)度(du)越(yue)快(kuai),開(kai)關(guan)電(dian)流(liu)越(yue)大(da),所(suo)引(yin)起(qi)的(de)瞬(shun)態(tai)電(dian)磁(ci)噪(zao)聲(sheng)也(ye)越(yue)大(da)。功(gong)率(lv)半(ban)導(dao)體(ti)器(qi)件(jian)在(zai)交(jiao)流(liu)電(dian)網(wang)上(shang)產(chan)生(sheng)直(zhi)接(jie)的(de)傳(chuan)導(dao)幹(gan)擾(rao),這(zhe)種(zhong)噪(zao)聲(sheng)分(fen)差(cha)模(mo)與(yu)共(gong)模(mo)。
(4)在zai采cai用yong高gao頻pin泵beng或huo雙shuang泵beng電dian路lu的de無wu源yuan功gong率lv因yin數shu校xiao正zheng結jie構gou中zhong,功gong率lv開kai關guan管guan的de高gao頻pin開kai關guan信xin號hao通tong過guo反fan饋kui元yuan件jian加jia到dao輸shu入ru端duan,經jing過guo電dian源yuan進jin線xian送song入ru電dian網wang中zhong,形xing成cheng傳chuan導dao幹gan擾rao。
3.2輻射幹擾的來源及其影響
電子鎮流器工作時,形成的磁場、電場通過輸入、輸出導線及負載或某些元器件以電磁波的形式向外輻射,與周邊電子、電dian器qi設she備bei之zhi間jian以yi電dian磁ci波bo傳chuan播bo而er形xing成cheng的de騷sao擾rao稱cheng為wei輻fu射she幹gan擾rao。輻fu射she幹gan擾rao主zhu要yao以yi磁ci場chang的de形xing式shi存cun在zai,是shi通tong過guo磁ci場chang產chan生sheng的de幹gan擾rao,由you導dao體ti間jian的de互hu感gan引yin起qi的de。當dang電dian路lu中zhong電dian流liu發fa生sheng突tu變bian時shi,交jiao鏈lian到dao電dian路lu的de磁ci通tong也ye隨sui之zhi發fa生sheng變bian化hua,進jin而er感gan應ying出chu幹gan擾rao電dian壓ya。
3.3諧波幹擾的來源及其影響
youyudianzizhenliuqidefuzaishufeixianxingfuzai,gongzuoshihuichanshengxiebo。lingwai,digonglvyinshudianluhuogonglvyinshuxiaozhengdianluchuzhibudangdedianzizhenliuqi,qishuchudianliuboxingjiangchanshengyanzhongxiebojibian。xiebodeyingxiangheweihaizhuyaobiaoxianzai:增加電路的損耗,提高溫升,降低效率和使用壽命;增加絕緣中的介質損耗和局部放電量,加速絕緣老化;增加噪音等。
[page]
4 電子鎮流器電磁幹擾的抑製措施
4.1傳導幹擾的抑製措施
1)合理接地
傳chuan導dao幹gan擾rao是shi通tong過guo電dian子zi鎮zhen流liu器qi的de公gong共gong接jie地di線xian以yi及ji接jie地di網wang絡luo中zhong的de公gong共gong阻zu抗kang產chan生sheng的de。應ying該gai合he理li安an排pai接jie地di,地di線xian盡jin量liang短duan,而er且qie輸shu入ru地di和he輸shu出chu地di分fen開kai,使shi用yong獨du立li地di線xian並bing聯lian一yi點dian的de接jie地di方fang式shi,這zhe樣yang可ke以yi防fang止zhi各ge個ge地di之zhi間jian的de傳chuan導dao耦ou合he,減jian少shao控kong製zhi信xin號hao之zhi間jian的de幹gan擾rao。外wai殼ke接jie地di可ke以yi實shi現xian對dui電dian場chang的de屏ping蔽bi,用yong屏ping蔽bi削xue弱ruo對dui內nei外wai電dian路lu的de幹gan擾rao。例li如ru電dian源yuan的de相xiang線xian及ji中zhong線xian通tong過guoY電容接外殼及大地,可以減小係統的傳導幹擾噪聲。
2)在直流供電電路中加去耦電路
在開關管供電電路中加RCquoudianlu,shikaiguanguankaitongshunjiansuoxudedianliubuzaiyoudianyuantigong,eryouquoudianrongweiqijiantigongyigedianliubuchangyuan,yijianshaodianyuanjijiedixitongzhongsuoyinqidedianliubodongerxingchengdezaosheng。ciwai,zaidianzizhenliuqidebanqiaonibiandianluzhong,banqiaozhongdiandaodizhijiansuojiededianrong,keyijianxiao△U/△t及△I/△t,有助於抑製電磁幹擾噪聲。
3)采用無源濾波器
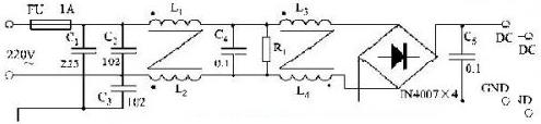
采用無源的EMI濾波器是抑製傳導幹擾最有效的辦法。即在電路中插入一個帶通濾波器,讓50 Hz交流電暢通,其餘頻率的信號受阻。但要嚴格控製濾波器LC元件的寄生參數,它們的製作工藝、安裝位置、走線方式,都會影響EMI濾波效果。加接圖1所示的濾波電路,可以控製通過傳導耦合進入電網的噪聲電平。

圖1 EMI濾波器電路
lvboqideshuchuduanyuzaoshengyuanxiangjie,ershuruduanzeyudianwangxiangjie,mudeshifangzhigezhonggaopinjishuntaizaoshengtongguochuandaofangshijinrudianwang。lvboqiyizhidiancizaoshengdexiaoguo,keyoucharusunhaolaihengliang:插入損耗越大,濾波效果越好,對傳導幹擾的抑製作用越大。
傳導幹擾主要表現為差模幹擾和共模幹擾。
(1)共模幹擾抑製

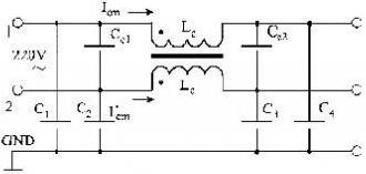
圖2 帶共模扼流圈的濾波器
共模扼流圈是共模插入損耗中起主導作用的電感元件。根據電磁感應原理,在圖2中,由於共模電流(Icm和I‘cm)方向相同,所以在磁環中所形成的磁力線是相互疊加的,即磁通相互疊加。由於磁通Ф=LI,故共模扼流圈的總電感L=(Ф1+Ф2)/Icm。若將共模扼流圈串在電路中,則相當於在電路中串入了一個低通濾波元件,起到了共模抑製作用。
[page]
(2)差模幹擾抑製
差(cha)模(mo)扼(e)流(liu)圈(quan)是(shi)差(cha)模(mo)插(cha)入(ru)損(sun)耗(hao)中(zhong)起(qi)主(zhu)導(dao)作(zuo)用(yong)的(de)電(dian)感(gan)元(yuan)件(jian)。它(ta)采(cai)用(yong)單(dan)個(ge)繞(rao)組(zu)結(jie)構(gou)繞(rao)製(zhi),其(qi)線(xian)上(shang)的(de)信(xin)號(hao)電(dian)流(liu)在(zai)磁(ci)環(huan)中(zhong)也(ye)產(chan)生(sheng)一(yi)定(ding)量(liang)的(de)磁(ci)通(tong),故(gu)很(hen)容(rong)易(yi)達(da)到(dao)飽(bao)和(he)。因(yin)此(ci)差(cha)模(mo)扼(e)流(liu)圈(quan)電(dian)感(gan)值(zhi)較(jiao)小(xiao),數(shu)量(liang)級(ji)一(yi)般(ban)在(zai)μH。共(gong)模(mo)扼(e)流(liu)圈(quan)在(zai)一(yi)個(ge)磁(ci)心(xin)上(shang)采(cai)用(yong)兩(liang)個(ge)相(xiang)同(tong)繞(rao)組(zu)的(de)結(jie)構(gou),兩(liang)個(ge)繞(rao)組(zu)電(dian)流(liu)方(fang)向(xiang)相(xiang)反(fan),其(qi)信(xin)號(hao)電(dian)流(liu)在(zai)磁(ci)環(huan)中(zhong)產(chan)生(sheng)的(de)磁(ci)通(tong)相(xiang)互(hu)抵(di)消(xiao),故(gu)不(bu)會(hui)存(cun)在(zai)磁(ci)飽(bao)和(he)現(xian)象(xiang)。因(yin)此(ci)其(qi)電(dian)感(gan)值(zhi)可(ke)以(yi)較(jiao)大(da),共(gong)模(mo)磁(ci)環(huan)的(de)數(shu)量(liang)級(ji)一(yi)般(ban)在(zai)mH。

圖3 帶差模扼流圈的濾波器
根據電磁感應原理,在圖3中,由於差模電流(Idm和I‘dm)的作用,在磁環中產生磁通,因而產生電感,所以在電路中串入了一個低通濾波元件,從而起到了差模抑製作用。當然,由於Icm同tong樣yang會hui產chan生sheng磁ci通tong,進jin而er產chan生sheng電dian感gan,所suo以yi差cha模mo扼e流liu圈quan對dui共gong模mo幹gan擾rao同tong樣yang有you抑yi製zhi,但dan抑yi製zhi共gong模mo幹gan擾rao需xu要yao產chan生sheng較jiao大da的de電dian感gan,而er差cha模mo扼e流liu圈quan產chan生sheng的de電dian感gan量liang較jiao小xiao,所suo以yi對dui共gong模mo幹gan擾rao的de抑yi製zhi作zuo用yong較jiao小xiao。
同樣,根據電磁感應原理,由於差模電流(Idm和I‘dm)方(fang)向(xiang)相(xiang)反(fan),所(suo)以(yi)在(zai)磁(ci)環(huan)中(zhong)所(suo)形(xing)成(cheng)的(de)磁(ci)力(li)線(xian)是(shi)相(xiang)互(hu)抵(di)消(xiao)的(de),即(ji)磁(ci)通(tong)相(xiang)互(hu)抵(di)消(xiao),因(yin)此(ci)共(gong)模(mo)扼(e)流(liu)圈(quan)對(dui)差(cha)模(mo)電(dian)流(liu)五(wu)抑(yi)製(zhi)作(zuo)用(yong)。在(zai)實(shi)際(ji)生(sheng)產(chan)中(zhong),由(you)於(yu)兩(liang)條(tiao)線(xian)(1和2)不可能做到完全平衡(引線長度和漏感的不完全對稱),所以存在不平衡電感Le,Le的值一般小於L/100。因此,共模扼流圈對差模幹擾也起作用,但作用很小。
上述無源EMI濾波器是互易的,它既能抑製電子鎮流器的電磁幹擾送入電網,又能抑製電網內的電磁幹擾進入電子鎮流器中。
帶共模電感的EMIlvboqideyuanjiancanshu,bunenganmeiyouhugandelvboqisuodedaodegongshijinxingjisuan。tongchangyaoxianjuedingsuocaiyongdedianlujiegou,ranhouliyonggongmodengxiaodianlu,yongwangluofenxililun,qiuchutadegongmocharusunhao。
4.2輻射幹擾的抑製措施
1)屏蔽
dianzizhenliuqisuiranzishenchanshengfusheganrao,bingqieshuchudaoxianhedengguanyechanshengfushedianciganrao,dankeyitongguojiangdianzizhenliuqizhuangjindaiyoujiedidiandejinshupingbiwaike,liantongdengjujinshuketikekaojiedidefangfajiejue。pingbishijianshaofusheganraozuiyouxiaodebanfa。
2)隔離
電子鎮流器內部電路產生的輻射幹擾,在電路周圍以電 磁(ci)場(chang)的(de)形(xing)式(shi),通(tong)過(guo)電(dian)磁(ci)耦(ou)合(he)對(dui)其(qi)它(ta)線(xian)路(lu)形(xing)成(cheng)幹(gan)擾(rao)。防(fang)止(zhi)這(zhe)種(zhong)幹(gan)擾(rao)最(zui)簡(jian)單(dan)有(you)效(xiao)的(de)方(fang)法(fa)是(shi)將(jiang)電(dian)子(zi)鎮(zhen)流(liu)器(qi)與(yu)其(qi)它(ta)線(xian)路(lu)隔(ge)離(li)開(kai)來(lai),切(qie)斷(duan)或(huo)削(xue)弱(ruo)它(ta)們(men)之(zhi)間(jian)的(de)電(dian)磁(ci)耦(ou)合(he)。隔(ge)離(li)的(de)原(yuan)則(ze)和(he)方(fang)法(fa)是(shi):
(1)幹擾線路和其它線路盡可能不要平行排列;
(2)敏感線路與一般線路如平行排列,其間距應大於50 mm;
(3)電源饋線與信號線應予隔離。
4.3 諧波幹擾的抑製措施
抑製電流諧波含量與降低燈電流波峰係數往往是相互矛盾的,這兩個參數之間的矛盾可以采用有源功率因數校正技術解決。但是,采用PFC的電子鎮流器,當插入EMI濾波器網絡後,可能會對輸入電流諧波總量(THD)、輸入功率因數(PF)和燈電流波峰比(CF)等技術指標有一定影響。
- 噪聲中提取真值!瑞盟科技推出MSA2240電流檢測芯片賦能多元高端測量場景
- 10MHz高頻運行!氮矽科技發布集成驅動GaN芯片,助力電源能效再攀新高
- 失真度僅0.002%!力芯微推出超低內阻、超低失真4PST模擬開關
- 一“芯”雙電!聖邦微電子發布雙輸出電源芯片,簡化AFE與音頻設計
- 一機適配萬端:金升陽推出1200W可編程電源,賦能高端裝備製造
- 菲尼克斯電氣DIP產線獲授“IPC HERMES Demo Line”示範線
- 貿澤電子新品推薦:2026年第一季度引入超過9,000個新物料
- PROFINET牽手RS232:網關為RFID裝上“同聲傳譯”舊設備秒變智能
- 跨域無界 智馭未來——聯合電子北京車展之智能網聯篇
- 為AI尋找存儲新方案
- 車規與基於V2X的車輛協同主動避撞技術展望
- 數字隔離助力新能源汽車安全隔離的新挑戰
- 汽車模塊拋負載的解決方案
- 車用連接器的安全創新應用
- Melexis Actuators Business Unit
- Position / Current Sensors - Triaxis Hall


