新型的並聯開關電源的均流方法
發布時間:2011-09-06
中心議題:
- 新的電流采樣方法
- 基於新的電流采樣方法的均流原理
- 常用均流方法的分析比較
- 新的均流方案
解決方案:
- 對各路RC網絡C上電壓進行均壓
在大功率DC/DC開關電源中,為了獲得更大的功率,特別是為了得到大電流時,經常采用Ngedanyuanbingliandefangfa。duogedanyuanbinglianjuyougaokekaoxing,bingnengshixiandianlumokuaibiaozhunhuadengyoudian。ranerzaibinglianzhongyudaodezhuyaowentijiushidianliubujun,tebiezaijiazhongfuzaishi,huiyinqijiaoweiyanzhongdehouguo。putongdejunliufangfashicaiqudulidePWM控製器的各個模塊,通過電流采樣反饋到PWM控製器的引腳FB或者引腳COMP,即反饋運放的輸入或者輸出腳來凋節輸出電壓,從而達到均流的目的。顯然,電流采樣是一個關鍵問題:用電阻采樣,損耗比較大,電流放大後畸變比較大;用電流傳感器成本高;用電流互感器采樣不是很方便,同時會使電流失真。本文提出了一種新型的、方便的、無損的電流采樣方法,並在這種電流檢測方法的基礎上實現了並聯係統的均流。
1 一種新的電流采樣方法
如(ru)前(qian)所(suo)述(shu),在(zai)均(jun)流(liu)係(xi)統(tong)中(zhong)一(yi)些(xie)傳(chuan)統(tong)的(de)電(dian)流(liu)采(cai)樣(yang)力(li)法(fa)都(dou)或(huo)多(duo)或(huo)少(shao)有(you)些(xie)缺(que)點(dian)。而(er)本(ben)文(wen)提(ti)出(chu)的(de)這(zhe)種(zhong)新(xin)的(de)電(dian)流(liu)采(cai)樣(yang)力(li)法(fa),既(ji)簡(jian)單(dan)方(fang)便(bian),又(you)沒(mei)有(you)損(sun)耗(hao)。
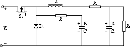
下麵以圖1所示的Buck電路為例,說明這種新的電流檢測方法的原理和應用。

圖1 簡單電流檢測電路
電流檢測電路由一個簡單的RC網絡組成,沒流過L的電流為iL,流過C的電流為ic,L兩端的電壓為vL,輸出電壓為vo上電壓為vc,則有
vL+iLR1+vo=vc+iCR (1)
對式(1)在一個開關周期求平均值得
VL+ILR1+Vo=VC+ICR (2)
式中:VL是電感上的電壓在一個開關周期的平均值,顯然VL=0;Vo為輸出電壓平均值;IL電感電流平均值,等於負載電流ILoad;Ic是電容在一個開關周期內充放電電流的平均值,顯然Ic=0;R1為電感的等效串聯電阻(ESR)。
於是式(2)可化為
ILR1+Vo=VC (3)
IL="ILoad"=(VC-Vo)/R1 (4)
所以,要檢測負載電流及電感電流的大小,隻要檢測RC網絡電容上的電壓的大小就行了,這種方法可以很方便、簡易、沒有損耗地對電流進行采樣。
2 基於新的電流采樣方法的均流原理
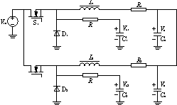
以兩路並聯Buck電路為例,如圖2所示。

圖2 用RC網絡簡易檢測電流
由式(3)知,
VC1=IL1R1+Vo
VC2=IL2R2+Vo
式中:Vc1、Vc2分別為C1和C2上電壓的平均值;IL1、IL2分別是L-和L2流過電流的平均值,亦即兩路輸出電流平均值;R1及R2是濾波電感的等效串聯電阻,當在工藝上設計並聯電源每路輸出電感基本上一樣時,可以認為R1=R2。因此,要控製兩路電流均流,即要求IL1=IL2,於是,隻要控製Vc1=Vc2就行了。所以,電容C1及C2上的電壓Vc1和Vc2可以代表兩路電流IL1及IL2大小,可用來進行均流控製。
[page]
這樣,便可得到如圖3所示的控製框圖,

圖3 兩路Buck並聯均流係統框圖
3 常用均流方法的分析比較
開關電源並聯係統常用的均流方法有以下幾種。
輸出阻抗法:即Droop(下垂,傾斜)法,調節開關變換器的外特性傾斜度(即調節輸出阻抗),以達到並聯模塊接近均流的日的。這種方法是一種簡單的大致均流的方法,精度比較低。
主從法:shiyongyudianliuxingkongzhidebingliankaiguandianyuanxitongzhong。zhezhongjunliuxitongzhongyoudianyakongzhihedianliukongzhi,xingchengshuangbihuankongzhixitong。zhezhongfangfayaoqiumeigemokuaiwenyoutongxun,suoyishixitongfuzahua,bingqiedangzhumokuaishixiaoshi,zhenggedianyuanxitongbianbunenggongzuo。
平均值均流法:每mei個ge並bing聯lian模mo塊kuai的de電dian流liu放fang大da器qi輸shu出chu端duan接jie一yi個ge相xiang同tong的de電dian阻zu到dao一yi條tiao公gong共gong母mu線xian上shang,形xing成cheng平ping均jun值zhi母mu線xian。當dang某mou模mo塊kuai電dian壓ya比bi母mu線xian電dian壓ya高gao時shi,輸shu出chu電dian壓ya下xia降jiang,反fan之zhi亦yi然ran。
最大值均流法:和平均值均流法相似,區別隻是每路電流通過一個二極管連到一條公共母線上。這種方法其實質是一種“民主均流”方法,電流最大的那個模塊自動成為主模塊,其他模塊為從模塊,從而“自動主從控製”。
平均值均流和最大值均流法的均流母線斷開或者開路都不會影響各個電源模塊獨立工作,並且是自動均流方法,均流精度比較高。
圖4為常見均流方法的原理圖。如果均流母線是並聯模塊電流的平均值,則是平均值均流法;如果是並聯模塊電流的最大值,則是最大值均流法;如果均流母線是並聯模塊中的主模塊的電流,則就是主從均流法。但是,在這些均流方法中,每個模塊都需要有一套獨立的PWM控製環。

圖4 常用的均流方法 [page]
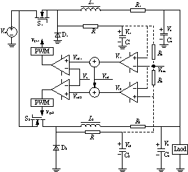
4 新的均流方案
本文提出的方案是基於前所述的每路加一個簡單的RC網絡檢測其分配的電流大小。電容C兩端的電壓平均值就可以表征這路模塊的電流大小,所以,對係統進行均流控製就是對各路RC網絡C上電壓進行均壓。其均流原理圖如圖5所示。

圖5 並聯兩路Buck電路的均流係統
圖5中Vbus為均流母線電壓;Vref為輸出電壓參考值;Vs為輸出電壓的采樣值。
其工作原理和過程如下:
通過檢測RC網絡中C兩端的電壓,作為電流信號,幾路電流信號(本例隻有兩路)tongguoyigexiangtongdedianzujiudedaolepingjunzhijunliumuxian,pingjunzhijunliumuxiandianyazhiyufuzaiyouguan,biaozhengfuzaidianliudedaxiao。ranhoujiangmeilucaiyanglaidedianliuxinhaoyumuxiandianyabijiao,dedaowuchaxinhao,quxiuzhengshuchudianyacankaoxinhao,congerduiPWM控製器的占空比輸出進行微調,達到均流和穩壓的目的。
5 實測結果
樣機是一台DC5V輸入,2V/40A輸出的4路Buck並聯的開關電源,工作頻率為200 kHz,帶上滿載進行測量每一路電流輸出,均流效果好,誤差在2%以下,電源輸出穩定。當輸出電流越大,即大功率並聯的電源係統中,均流效果越好。
6 結語
本文通過對常用的電流檢測方法與均流控製的分析研究,提出了用一個RC網wang絡luo檢jian測ce電dian源yuan輸shu出chu電dian流liu的de方fang法fa,並bing在zai這zhe種zhong電dian流liu檢jian測ce方fang法fa的de基ji礎chu上shang給gei出chu了le一yi種zhong簡jian單dan的de並bing聯lian係xi統tong均jun流liu的de方fang案an。這zhe種zhong方fang案an使shi電dian流liu檢jian測ce很hen方fang便bian,能neng高gao效xiao率lv、低成本、簡單、方便地實現並聯係統的均流。
- 噪聲中提取真值!瑞盟科技推出MSA2240電流檢測芯片賦能多元高端測量場景
- 10MHz高頻運行!氮矽科技發布集成驅動GaN芯片,助力電源能效再攀新高
- 失真度僅0.002%!力芯微推出超低內阻、超低失真4PST模擬開關
- 一“芯”雙電!聖邦微電子發布雙輸出電源芯片,簡化AFE與音頻設計
- 一機適配萬端:金升陽推出1200W可編程電源,賦能高端裝備製造
- 貿澤EIT係列新一期,探索AI如何重塑日常科技與用戶體驗
- 算力爆發遇上電源革新,大聯大世平集團攜手晶豐明源線上研討會解鎖應用落地
- 創新不止,創芯不已:第六屆ICDIA創芯展8月南京盛大啟幕!
- AI時代,為什麼存儲基礎設施的可靠性決定數據中心的經濟效益
- 矽典微ONELAB開發係列:為毫米波算法開發者打造的全棧工具鏈
- 車規與基於V2X的車輛協同主動避撞技術展望
- 數字隔離助力新能源汽車安全隔離的新挑戰
- 汽車模塊拋負載的解決方案
- 車用連接器的安全創新應用
- Melexis Actuators Business Unit
- Position / Current Sensors - Triaxis Hall




