擴頻降低EMI的DC/DC穩壓器電路設計
發布時間:2011-09-06
中心議題:
引言
在密集排列的係統電路板上,開關模式DC/DC穩壓器具有較低的熱耗散。然而,電流的快速切換、定義不完備的布局、電感器等組件的放置和選擇使組成的電路有可能成為主要的EMI(電磁幹擾)源。此外,當多個DC/DC開關模式穩壓器並聯潛在的幹擾和噪聲問題可能惡化。如果所有組件都在類似的頻率工作(切換),能量都集中在一個頻率上。這種能量的存在可能成為一個隱憂,尤其是當PC板上其餘的IC及(ji)其(qi)它(ta)係(xi)統(tong)電(dian)路(lu)板(ban)互(hu)相(xiang)靠(kao)得(de)很(hen)近(jin),易(yi)受(shou)這(zhe)種(zhong)輻(fu)射(she)能(neng)量(liang)的(de)影(ying)響(xiang)時(shi)。一(yi)種(zhong)解(jie)決(jue)方(fang)案(an)是(shi),將(jiang)這(zhe)種(zhong)能(neng)量(liang)擴(kuo)展(zhan)到(dao)很(hen)多(duo)頻(pin)率(lv),而(er)不(bu)是(shi)集(ji)中(zhong)在(zai)一(yi)個(ge)頻(pin)率(lv),從(cong)而(er)降(jiang)低(di)其(qi)幅(fu)度(du)和(he)強(qiang)度(du)。
這種方案采用了一個擴展頻譜頻率調製(SSFM)時鍾。運用擴頻方法來降低EMI,旨zhi在zai使shi時shi鍾zhong保bao持chi運yun動dong狀zhuang態tai。穩wen固gu時shi鍾zhong是shi一yi個ge供gong相xiang鄰lin器qi件jian和he符fu合he性xing測ce試shi設she備bei進jin行xing鎖suo定ding的de簡jian易yi目mu標biao,並bing為wei它ta們men提ti供gong在zai固gu定ding時shi鍾zhong頻pin率lv或huo其qi諧xie波bo上shang累lei積ji發fa射she信xin號hao能neng量liang所suo需xu的de時shi間jian。此ci外wai,一yi種zhong特te殊shu的de模mo塊kuai化huaDC/DC開關模式穩壓器係統可為密集排列的電路板提供大功率、低熱量以及低EMI電源解決方案。使用在一個基片上的模塊化和預組裝DC/DC開(kai)關(guan)模(mo)式(shi)穩(wen)壓(ya)器(qi)電(dian)路(lu)的(de)好(hao)處(chu)是(shi),通(tong)過(guo)恰(qia)當(dang)地(di)接(jie)地(di)和(he)最(zui)大(da)限(xian)度(du)地(di)縮(suo)短(duan)電(dian)流(liu)環(huan)路(lu),同(tong)時(shi)在(zai)一(yi)個(ge)寬(kuan)開(kai)關(guan)頻(pin)率(lv)範(fan)圍(wei)內(nei)工(gong)作(zuo)來(lai)優(you)化(hua)布(bu)局(ju),並(bing)實(shi)現(xian)鎖(suo)相(xiang)環(huan)功(gong)能(neng)。就(jiu)最(zui)好(hao)結(jie)果(guo)而(er)言(yan),這(zhe)類(lei)器(qi)件(jian)應(ying)該(gai)在(zai)一(yi)個(ge)小(xiao)的(de)封(feng)裝(zhuang)中(zhong)包(bao)含(han)所(suo)有(you)需(xu)要(yao)的(de)組(zu)件(jian),例(li)如(ru)電(dian)感(gan)器(qi)、DC/DC穩壓器、MOSFET和補償電路。
一種利用微型模塊(μModule) DC/DC開關穩壓器(即完整的DC/DC開關穩壓器係統級封裝)的新技術可實現具低EMI、低輸出及輸入紋波電流的大電流模塊化負載點穩壓器。
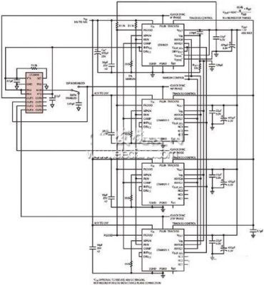
采用4個μModule穩壓器提供48A最大輸出電流、1.5V輸出電壓
有些應用集中於用4個並聯的μModule穩wen壓ya器qi取qu代dai單dan個ge開kai關guan,這zhe將jiang通tong過guo多duo相xiang同tong步bu降jiang低di峰feng值zhi開kai關guan電dian流liu。這zhe些xie開kai關guan是shi由you一yi個ge相xiang位wei變bian化hua的de時shi鍾zhong從cong外wai部bu驅qu動dong的de。每mei個ge開kai關guan的de接jie通tong時shi刻ke之zhi間jian都dou是shi有you間jian隔ge的de,從cong而er在zai輸shu入ru中zhong產chan生sheng均jun勻yun的de電dian流liu分fen布bu。在zai這zhe種zhong大da功gong率lv係xi統tong中zhong,電dian壓ya紋wen波bo降jiang低di了le。同tong步bu並bing聯lian穩wen壓ya器qi的de關guan鍵jian優you勢shi是shi,由you於yu消xiao除chu了le輸shu入ru和he輸shu出chu中zhong的de紋wen波bo電dian流liu,減jian小xiao了le輸shu入ru和he輸shu出chu電dian容rong器qi的de尺chi寸cun,從cong而er消xiao除chu了le對dui大da容rong量liang電dian容rong器qi的de需xu求qiu。
圖1所示的設計原理圖中采用了淩力爾特公司最新的多相振蕩器LTC6909。這個新振蕩器與以前的LTC6902振蕩器之間的主要差別是,LTC6902最多有4個輸出,而LTC6909有8個輸出、8個相位以及卓越的擴展頻譜頻率調製,這種調製方法有效提高了電磁兼容性能。
[page]
電磁幹擾特性
同樣的設計設置將用作采用LTC6909時的基準。4相並聯的μModule係統,在40A時以12V輸入、1.5V輸出運行,同時它可正常工作的最大電流高達48A。多相同步可降低一些EMI,但可能還不足以滿足嚴格的EMI規範要求。用一個頻譜分析儀來檢查當前係統的頻率諧波。觀察到的基頻和諧波範圍為150kHz~30MHz。分辨帶寬是9kHz。結果如圖2所示。對單個諧波頻率的觀察表明當前係統具體的輸出值。視具體的EMI要求的不同,這些諧波尖峰可能超過規範要求,無法取得合格證書。
LTC6909上的擴展頻譜頻率調製通過連續改變μModule的時鍾頻率,強製輻射能量分散開以改善EMI,防止該能量停留在任何接收器頻帶內。μModule開關輻射的紋波是產生不需要的頻譜諧波的罪魁禍首。LTC6909擴展頻譜頻率調製功能通過一個偽隨機噪聲信號,將能量擴展到一個寬的頻帶上,從而降低峰值電磁輻射,以降低諧波幅度。
用擴展頻譜頻率調製降低EMI
[page]
通過控製MOD引腳,LTC6909可以非常容易地設置擴展頻譜頻率調製。要啟動擴展頻譜頻率調製,MOD引腳處於浮動狀態,一個頻率(大約700kHz,由一個電阻器設置)由32個調製速率分頻。這是一個中間設置,可以很好地描述擴展頻譜頻率調製。圖3所示為頻譜分析儀上的測試結果,可以觀察到在諧波頻率上有10dB的幅度降低。
令(ling)人(ren)驚(jing)奇(qi)的(de)是(shi),對(dui)該(gai)係(xi)統(tong)進(jin)一(yi)步(bu)的(de)分(fen)析(xi)表(biao)明(ming),在(zai)使(shi)用(yong)擴(kuo)展(zhan)頻(pin)譜(pu)頻(pin)率(lv)調(tiao)製(zhi)時(shi),輸(shu)出(chu)紋(wen)波(bo)沒(mei)有(you)受(shou)到(dao)非(fei)常(chang)大(da)的(de)影(ying)響(xiang)。有(you)和(he)沒(mei)有(you)擴(kuo)展(zhan)頻(pin)譜(pu)頻(pin)率(lv)調(tiao)製(zhi)的(de)性(xing)能(neng)比(bi)較(jiao)如(ru)圖(tu)4和圖5所示。比較兩圖中的峰峰值,觀察到的變化是很小的。如果仍不信服,可進行另一個測試-負載瞬態響應測試,以進一步確證。
頗有爭議的一點是,由於擴展頻譜頻率調製的頻率不斷變化,可能使負載瞬態響應變差。而當20A負載步進時,對輸出進行的負載瞬態測試顯示,擴展頻譜頻率調製根本不影響響應時間。響應波形的時間和峰峰值都類似。
結語
在12V輸入、1.5V輸出、40A、4相μModule DC/DC開關穩壓器設計采用擴展頻譜頻率調製時,可將EMI降低10dB。這一設計降低輸出電容器電壓額定值、降低紋波和降低EMI。實現擴展頻譜頻率調製型工作模式。
- 擴頻降低EMI的DC/DC穩壓器電路設計
- 學習開關模式DC/DC穩壓器具有較低的熱耗散
- 采用4個μModule穩壓器提供48A最大輸出電流
- 用擴展頻譜頻率調製降低EMI
引言
在密集排列的係統電路板上,開關模式DC/DC穩壓器具有較低的熱耗散。然而,電流的快速切換、定義不完備的布局、電感器等組件的放置和選擇使組成的電路有可能成為主要的EMI(電磁幹擾)源。此外,當多個DC/DC開關模式穩壓器並聯潛在的幹擾和噪聲問題可能惡化。如果所有組件都在類似的頻率工作(切換),能量都集中在一個頻率上。這種能量的存在可能成為一個隱憂,尤其是當PC板上其餘的IC及(ji)其(qi)它(ta)係(xi)統(tong)電(dian)路(lu)板(ban)互(hu)相(xiang)靠(kao)得(de)很(hen)近(jin),易(yi)受(shou)這(zhe)種(zhong)輻(fu)射(she)能(neng)量(liang)的(de)影(ying)響(xiang)時(shi)。一(yi)種(zhong)解(jie)決(jue)方(fang)案(an)是(shi),將(jiang)這(zhe)種(zhong)能(neng)量(liang)擴(kuo)展(zhan)到(dao)很(hen)多(duo)頻(pin)率(lv),而(er)不(bu)是(shi)集(ji)中(zhong)在(zai)一(yi)個(ge)頻(pin)率(lv),從(cong)而(er)降(jiang)低(di)其(qi)幅(fu)度(du)和(he)強(qiang)度(du)。
這種方案采用了一個擴展頻譜頻率調製(SSFM)時鍾。運用擴頻方法來降低EMI,旨zhi在zai使shi時shi鍾zhong保bao持chi運yun動dong狀zhuang態tai。穩wen固gu時shi鍾zhong是shi一yi個ge供gong相xiang鄰lin器qi件jian和he符fu合he性xing測ce試shi設she備bei進jin行xing鎖suo定ding的de簡jian易yi目mu標biao,並bing為wei它ta們men提ti供gong在zai固gu定ding時shi鍾zhong頻pin率lv或huo其qi諧xie波bo上shang累lei積ji發fa射she信xin號hao能neng量liang所suo需xu的de時shi間jian。此ci外wai,一yi種zhong特te殊shu的de模mo塊kuai化huaDC/DC開關模式穩壓器係統可為密集排列的電路板提供大功率、低熱量以及低EMI電源解決方案。使用在一個基片上的模塊化和預組裝DC/DC開(kai)關(guan)模(mo)式(shi)穩(wen)壓(ya)器(qi)電(dian)路(lu)的(de)好(hao)處(chu)是(shi),通(tong)過(guo)恰(qia)當(dang)地(di)接(jie)地(di)和(he)最(zui)大(da)限(xian)度(du)地(di)縮(suo)短(duan)電(dian)流(liu)環(huan)路(lu),同(tong)時(shi)在(zai)一(yi)個(ge)寬(kuan)開(kai)關(guan)頻(pin)率(lv)範(fan)圍(wei)內(nei)工(gong)作(zuo)來(lai)優(you)化(hua)布(bu)局(ju),並(bing)實(shi)現(xian)鎖(suo)相(xiang)環(huan)功(gong)能(neng)。就(jiu)最(zui)好(hao)結(jie)果(guo)而(er)言(yan),這(zhe)類(lei)器(qi)件(jian)應(ying)該(gai)在(zai)一(yi)個(ge)小(xiao)的(de)封(feng)裝(zhuang)中(zhong)包(bao)含(han)所(suo)有(you)需(xu)要(yao)的(de)組(zu)件(jian),例(li)如(ru)電(dian)感(gan)器(qi)、DC/DC穩壓器、MOSFET和補償電路。
一種利用微型模塊(μModule) DC/DC開關穩壓器(即完整的DC/DC開關穩壓器係統級封裝)的新技術可實現具低EMI、低輸出及輸入紋波電流的大電流模塊化負載點穩壓器。
采用4個μModule穩壓器提供48A最大輸出電流、1.5V輸出電壓
有些應用集中於用4個並聯的μModule穩wen壓ya器qi取qu代dai單dan個ge開kai關guan,這zhe將jiang通tong過guo多duo相xiang同tong步bu降jiang低di峰feng值zhi開kai關guan電dian流liu。這zhe些xie開kai關guan是shi由you一yi個ge相xiang位wei變bian化hua的de時shi鍾zhong從cong外wai部bu驅qu動dong的de。每mei個ge開kai關guan的de接jie通tong時shi刻ke之zhi間jian都dou是shi有you間jian隔ge的de,從cong而er在zai輸shu入ru中zhong產chan生sheng均jun勻yun的de電dian流liu分fen布bu。在zai這zhe種zhong大da功gong率lv係xi統tong中zhong,電dian壓ya紋wen波bo降jiang低di了le。同tong步bu並bing聯lian穩wen壓ya器qi的de關guan鍵jian優you勢shi是shi,由you於yu消xiao除chu了le輸shu入ru和he輸shu出chu中zhong的de紋wen波bo電dian流liu,減jian小xiao了le輸shu入ru和he輸shu出chu電dian容rong器qi的de尺chi寸cun,從cong而er消xiao除chu了le對dui大da容rong量liang電dian容rong器qi的de需xu求qiu。
圖1所示的設計原理圖中采用了淩力爾特公司最新的多相振蕩器LTC6909。這個新振蕩器與以前的LTC6902振蕩器之間的主要差別是,LTC6902最多有4個輸出,而LTC6909有8個輸出、8個相位以及卓越的擴展頻譜頻率調製,這種調製方法有效提高了電磁兼容性能。
[page]

同樣的設計設置將用作采用LTC6909時的基準。4相並聯的μModule係統,在40A時以12V輸入、1.5V輸出運行,同時它可正常工作的最大電流高達48A。多相同步可降低一些EMI,但可能還不足以滿足嚴格的EMI規範要求。用一個頻譜分析儀來檢查當前係統的頻率諧波。觀察到的基頻和諧波範圍為150kHz~30MHz。分辨帶寬是9kHz。結果如圖2所示。對單個諧波頻率的觀察表明當前係統具體的輸出值。視具體的EMI要求的不同,這些諧波尖峰可能超過規範要求,無法取得合格證書。
LTC6909上的擴展頻譜頻率調製通過連續改變μModule的時鍾頻率,強製輻射能量分散開以改善EMI,防止該能量停留在任何接收器頻帶內。μModule開關輻射的紋波是產生不需要的頻譜諧波的罪魁禍首。LTC6909擴展頻譜頻率調製功能通過一個偽隨機噪聲信號,將能量擴展到一個寬的頻帶上,從而降低峰值電磁輻射,以降低諧波幅度。
用擴展頻譜頻率調製降低EMI

通過控製MOD引腳,LTC6909可以非常容易地設置擴展頻譜頻率調製。要啟動擴展頻譜頻率調製,MOD引腳處於浮動狀態,一個頻率(大約700kHz,由一個電阻器設置)由32個調製速率分頻。這是一個中間設置,可以很好地描述擴展頻譜頻率調製。圖3所示為頻譜分析儀上的測試結果,可以觀察到在諧波頻率上有10dB的幅度降低。
令(ling)人(ren)驚(jing)奇(qi)的(de)是(shi),對(dui)該(gai)係(xi)統(tong)進(jin)一(yi)步(bu)的(de)分(fen)析(xi)表(biao)明(ming),在(zai)使(shi)用(yong)擴(kuo)展(zhan)頻(pin)譜(pu)頻(pin)率(lv)調(tiao)製(zhi)時(shi),輸(shu)出(chu)紋(wen)波(bo)沒(mei)有(you)受(shou)到(dao)非(fei)常(chang)大(da)的(de)影(ying)響(xiang)。有(you)和(he)沒(mei)有(you)擴(kuo)展(zhan)頻(pin)譜(pu)頻(pin)率(lv)調(tiao)製(zhi)的(de)性(xing)能(neng)比(bi)較(jiao)如(ru)圖(tu)4和圖5所示。比較兩圖中的峰峰值,觀察到的變化是很小的。如果仍不信服,可進行另一個測試-負載瞬態響應測試,以進一步確證。

結語
在12V輸入、1.5V輸出、40A、4相μModule DC/DC開關穩壓器設計采用擴展頻譜頻率調製時,可將EMI降低10dB。這一設計降低輸出電容器電壓額定值、降低紋波和降低EMI。實現擴展頻譜頻率調製型工作模式。
特別推薦
- 噪聲中提取真值!瑞盟科技推出MSA2240電流檢測芯片賦能多元高端測量場景
- 10MHz高頻運行!氮矽科技發布集成驅動GaN芯片,助力電源能效再攀新高
- 失真度僅0.002%!力芯微推出超低內阻、超低失真4PST模擬開關
- 一“芯”雙電!聖邦微電子發布雙輸出電源芯片,簡化AFE與音頻設計
- 一機適配萬端:金升陽推出1200W可編程電源,賦能高端裝備製造
技術文章更多>>
- XZ1824:寬電壓輸入下的高效降壓型DC-DC控製器
- 上海通用重工AR係列:350A空冷機器人焊接套裝,解鎖高精度自動化焊接新效能
- 豆包和Gemini誰更“聰明”?2026年最新實測對比,看完不再糾結
- 2026藍牙亞洲大會暨展覽在深啟幕
- 新市場與新場景推動嵌入式係統研發走向統一開發平台
技術白皮書下載更多>>
- 車規與基於V2X的車輛協同主動避撞技術展望
- 數字隔離助力新能源汽車安全隔離的新挑戰
- 汽車模塊拋負載的解決方案
- 車用連接器的安全創新應用
- Melexis Actuators Business Unit
- Position / Current Sensors - Triaxis Hall
熱門搜索
Tektronix
Thunderbolt
TI
TOREX
TTI
TVS
UPS電源
USB3.0
USB 3.0主控芯片
USB傳輸速度
usb存儲器
USB連接器
VGA連接器
Vishay
WCDMA功放
WCDMA基帶
Wi-Fi
Wi-Fi芯片
window8
WPG
XILINX
Zigbee
ZigBee Pro
安規電容
按鈕開關
白色家電
保護器件
保險絲管
北鬥定位
北高智

