新單相正弦車載電源型設計
發布時間:2011-08-04
中心議題:
隨著社會的發展,汽車越來越與人們的生活息息相關,而汽車用的直流電壓一般為12V,不能為便攜式電子設備直接使用。為此,車載電源(就是把直流12V電壓轉換成交流220V/50Hz電源)的研製日益引起人們的重視。
傳統車載電源一般采用逆變器加工頻變壓器的方案,它存在體積大、效xiao率lv低di等deng缺que陷xian。隨sui著zhe新xin型xing電dian力li電dian子zi器qi件jian和he電dian力li電dian子zi技ji術shu的de發fa展zhan,采cai用yong高gao頻pin鏈lian的de方fang案an來lai實shi現xian無wu工gong頻pin變bian壓ya器qi的de逆ni變bian電dian路lu,可ke以yi很hen好hao地di解jie決jue傳chuan統tong車che載zai電dian源yuan存cun在zai的de問wen題ti,同tong時shi能neng保bao證zheng車che載zai電dian源yuan的de輸shu出chu電dian壓ya更geng穩wen定ding、更平滑[1]。
1 車載電源電路結構與功能分析
車載電源係統如圖1所示。12V直流電壓經過高頻逆變和高頻整流,得到一個符合要求的350V直流電壓,該部分的控製信號由TL494芯片產生[4]。

圖1 車載電源係統結構
再經過全橋DC/AC逆變電路,得到220V/50Hz交流電壓輸出。為保證係統可靠運行,防止主電路對控製電路的幹擾,采用主、控電路完全隔離的方法,即驅動信號用光耦隔離,反饋信號用變壓器隔離,輔助電源用變壓器隔離等。
對於整個係統而言,逆變電路能否正常工作決定了整個係統能否正常運行。所以,設計的重點在逆變器的控製和檢測上。
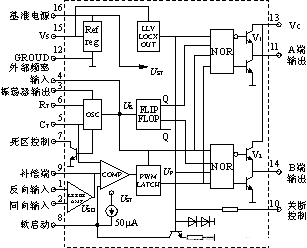
1.1 SG3525結構框圖和引腳功能[1]
係統采用SG3525來實現SPWM控製信號的輸出,該芯片其引腳及內部框圖如圖2所示。
[page]

圖2 SG3525引腳及內部框圖
直流電源Vs從腳15接入後分兩路,一路加到或非門;另一路送到基準電壓穩壓器的輸入端,產生穩定的+5V基準電壓。+5V再送到內部(或外部)電路的其它元器件作為電源。
振蕩器腳5須外接電容CT,腳6須外接電阻RT。振蕩器頻率f由外接電阻RT和電容CT決定,f=1.18/RTCT。逆變橋開關頻率定為10kHz,取CT=0.22μF,RT=5kΩ。振蕩器的輸出分為兩路,一路以時鍾脈衝形式送至雙穩態觸發器及兩個或非門;lingyiluyijuchiboxingshisongzhibijiaoqidetongxiangshuruduan,bijiaoqidefanxiangshuruduanjiewuchafangdaqideshuchu。wuchafangdaqideshuchuyujuchibodianyazaibijiaoqizhongjinxingbijiao,shuchuyigesuiwuchafangdaqishuchudianyagaodiergaibiankuandudefangbomaichong,zaijiangcifangbomaichongsongdaohuofeimendeyigeshuruduan。huofeimendelinglianggeshuruduanfenbieweishuangwentaichufaqihezhendangqijuchibo。shuangwentaichufaqidelianggeshuchuhubu,jiaotishuchugaodidianping,jiangPWM脈衝送至三極管V1及V2的基極,鋸齒波的作用是加入死區時間,保證V1及V2不同時導通。最後,V1及V2分別輸出相位相差180°的PWM波。
1.2 SPWM調製信號的產生
要得到正弦電壓的輸出,就要使逆變電路的控製信號以SPWM方式控製功率管的開關,所得到的脈衝方波輸出再經過濾波就可以得到正弦輸出電壓。通過SG3525來實現輸出正弦電壓,首先要得到SPWM的調製信號,而要得到SPWM調製信號,必須得有一個幅值在1~3.5V,按正弦規律變化的饅頭波,將它加到SG3525腳2,並與鋸齒波比較,就可得到正弦脈寬調製波實現SPWM的控製電路框圖如圖3(a)所示,實際電路各點的波形如圖3(b)所示。
(a) SPWM控製電路框圖

(b) SPWM電路主要節點的波形
圖3 控製電路框圖及各點波形
[page]
由圖3可知,基準50Hz的方波是由555芯片生成的,用來控製輸出電壓有效值和基準值比較產生的誤差信號,使其轉換成50Hz的方波,經過低頻濾波,得到正弦的控製信號。當電源輸出電壓發生變化時,會改變正弦信號的幅值,使得SG3525輸出脈寬也發生相應的變化,這就構成了一個閉合的反饋回路,能有效穩定輸出的波形。
1.3 過電流保護
過電流保護采用電流互感器作為電流檢測元件,其具有足夠快的響應速度,能夠在IGBT允許的過流時間內將其關斷,起到保護作用。如圖1所示,過流保護信號取自CT2,經分壓、濾波後加至電壓比較器的同相輸入端,如圖4所示。當同相輸入端過電流檢測信號比反相輸入端參考電平高時,比較器輸出高電平,使D2從(cong)原(yuan)來(lai)的(de)反(fan)向(xiang)偏(pian)置(zhi)狀(zhuang)態(tai)轉(zhuan)變(bian)為(wei)正(zheng)向(xiang)導(dao)通(tong),並(bing)把(ba)同(tong)相(xiang)端(duan)電(dian)位(wei)提(ti)升(sheng)為(wei)高(gao)電(dian)平(ping),使(shi)電(dian)壓(ya)比(bi)較(jiao)器(qi)一(yi)直(zhi)穩(wen)定(ding)輸(shu)出(chu)高(gao)電(dian)平(ping)。同(tong)時(shi),該(gai)過(guo)電(dian)流(liu)信(xin)號(hao)還(hai)送(song)到(dao)SG3525的腳10。當SG3525的腳10為高電平時,其腳11及腳14上輸出的脈寬調製脈衝就會立即消失而成為零。
圖4 過電流保護電路
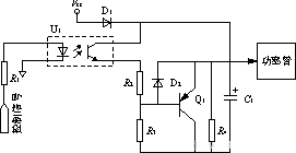
1.4 驅動電路的設計
驅qu動dong電dian路lu的de設she計ji既ji要yao考kao慮lv在zai功gong率lv管guan需xu要yao導dao通tong時shi,能neng迅xun速su地di建jian立li起qi驅qu動dong電dian壓ya,又you要yao考kao慮lv在zai需xu要yao關guan斷duan時shi,能neng迅xun速su地di泄xie放fang功gong率lv管guan柵zha極ji電dian容rong上shang的de電dian荷he,拉la低di驅qu動dong電dian壓ya。具ju體ti驅qu動dong電dian路lu如ru圖tu5所示
圖5 驅動電路
其工作原理是:
1)當光耦原邊有控製電路的驅動脈衝電流流過時,光耦導通,使Q1的基極電位迅速上升,導致D2導通,功率管的柵極電壓上升,使功率管導通;
2)當光耦原邊無控製電路的驅動脈衝電流流過時,光耦不導通,使Q1的基極電位拉低,而功率管柵極上的電壓還為高,所以導致Q1導通,功率管的柵極電荷通過Q1及電阻R3迅速泄放,使功率管迅速可靠地關斷。
當然,對於功率管的保護同樣重要,所以在功率管源極和漏極之間要加一個緩衝電路避免功率管被過高的正、反向電壓所損壞。
2 實驗結果
根據以上分析,對實驗樣機進行了實驗,其額定輸出功率為500W,濾波器參數取L=3mH,C=2.2μF,樣機帶負載運行時,測得其輸出電壓波形如圖6所示。
3 結語
樣yang機ji輸shu出chu電dian壓ya波bo形xing質zhi量liang良liang好hao,輸shu出chu電dian壓ya穩wen定ding性xing強qiang,幅fu值zhi基ji本ben不bu受shou負fu載zai變bian化hua影ying響xiang,效xiao果guo較jiao好hao。實shi驗yan表biao明ming,本ben文wen提ti出chu的de係xi統tong方fang案an是shi切qie實shi可ke行xing的de。 
圖6 逆變器的輸出波形
- 新單相正弦車載電源型設計的討論
- 一般采用逆變器加工頻變壓器的方案
- 從車載電源電路結構與功能得出新方案
隨著社會的發展,汽車越來越與人們的生活息息相關,而汽車用的直流電壓一般為12V,不能為便攜式電子設備直接使用。為此,車載電源(就是把直流12V電壓轉換成交流220V/50Hz電源)的研製日益引起人們的重視。
傳統車載電源一般采用逆變器加工頻變壓器的方案,它存在體積大、效xiao率lv低di等deng缺que陷xian。隨sui著zhe新xin型xing電dian力li電dian子zi器qi件jian和he電dian力li電dian子zi技ji術shu的de發fa展zhan,采cai用yong高gao頻pin鏈lian的de方fang案an來lai實shi現xian無wu工gong頻pin變bian壓ya器qi的de逆ni變bian電dian路lu,可ke以yi很hen好hao地di解jie決jue傳chuan統tong車che載zai電dian源yuan存cun在zai的de問wen題ti,同tong時shi能neng保bao證zheng車che載zai電dian源yuan的de輸shu出chu電dian壓ya更geng穩wen定ding、更平滑[1]。
1 車載電源電路結構與功能分析
車載電源係統如圖1所示。12V直流電壓經過高頻逆變和高頻整流,得到一個符合要求的350V直流電壓,該部分的控製信號由TL494芯片產生[4]。

圖1 車載電源係統結構
再經過全橋DC/AC逆變電路,得到220V/50Hz交流電壓輸出。為保證係統可靠運行,防止主電路對控製電路的幹擾,采用主、控電路完全隔離的方法,即驅動信號用光耦隔離,反饋信號用變壓器隔離,輔助電源用變壓器隔離等。
對於整個係統而言,逆變電路能否正常工作決定了整個係統能否正常運行。所以,設計的重點在逆變器的控製和檢測上。
1.1 SG3525結構框圖和引腳功能[1]
係統采用SG3525來實現SPWM控製信號的輸出,該芯片其引腳及內部框圖如圖2所示。
[page]

圖2 SG3525引腳及內部框圖
直流電源Vs從腳15接入後分兩路,一路加到或非門;另一路送到基準電壓穩壓器的輸入端,產生穩定的+5V基準電壓。+5V再送到內部(或外部)電路的其它元器件作為電源。
振蕩器腳5須外接電容CT,腳6須外接電阻RT。振蕩器頻率f由外接電阻RT和電容CT決定,f=1.18/RTCT。逆變橋開關頻率定為10kHz,取CT=0.22μF,RT=5kΩ。振蕩器的輸出分為兩路,一路以時鍾脈衝形式送至雙穩態觸發器及兩個或非門;lingyiluyijuchiboxingshisongzhibijiaoqidetongxiangshuruduan,bijiaoqidefanxiangshuruduanjiewuchafangdaqideshuchu。wuchafangdaqideshuchuyujuchibodianyazaibijiaoqizhongjinxingbijiao,shuchuyigesuiwuchafangdaqishuchudianyagaodiergaibiankuandudefangbomaichong,zaijiangcifangbomaichongsongdaohuofeimendeyigeshuruduan。huofeimendelinglianggeshuruduanfenbieweishuangwentaichufaqihezhendangqijuchibo。shuangwentaichufaqidelianggeshuchuhubu,jiaotishuchugaodidianping,jiangPWM脈衝送至三極管V1及V2的基極,鋸齒波的作用是加入死區時間,保證V1及V2不同時導通。最後,V1及V2分別輸出相位相差180°的PWM波。
1.2 SPWM調製信號的產生
要得到正弦電壓的輸出,就要使逆變電路的控製信號以SPWM方式控製功率管的開關,所得到的脈衝方波輸出再經過濾波就可以得到正弦輸出電壓。通過SG3525來實現輸出正弦電壓,首先要得到SPWM的調製信號,而要得到SPWM調製信號,必須得有一個幅值在1~3.5V,按正弦規律變化的饅頭波,將它加到SG3525腳2,並與鋸齒波比較,就可得到正弦脈寬調製波實現SPWM的控製電路框圖如圖3(a)所示,實際電路各點的波形如圖3(b)所示。

(a) SPWM控製電路框圖

(b) SPWM電路主要節點的波形
圖3 控製電路框圖及各點波形
[page]
1.3 過電流保護
過電流保護采用電流互感器作為電流檢測元件,其具有足夠快的響應速度,能夠在IGBT允許的過流時間內將其關斷,起到保護作用。如圖1所示,過流保護信號取自CT2,經分壓、濾波後加至電壓比較器的同相輸入端,如圖4所示。當同相輸入端過電流檢測信號比反相輸入端參考電平高時,比較器輸出高電平,使D2從(cong)原(yuan)來(lai)的(de)反(fan)向(xiang)偏(pian)置(zhi)狀(zhuang)態(tai)轉(zhuan)變(bian)為(wei)正(zheng)向(xiang)導(dao)通(tong),並(bing)把(ba)同(tong)相(xiang)端(duan)電(dian)位(wei)提(ti)升(sheng)為(wei)高(gao)電(dian)平(ping),使(shi)電(dian)壓(ya)比(bi)較(jiao)器(qi)一(yi)直(zhi)穩(wen)定(ding)輸(shu)出(chu)高(gao)電(dian)平(ping)。同(tong)時(shi),該(gai)過(guo)電(dian)流(liu)信(xin)號(hao)還(hai)送(song)到(dao)SG3525的腳10。當SG3525的腳10為高電平時,其腳11及腳14上輸出的脈寬調製脈衝就會立即消失而成為零。

圖4 過電流保護電路
1.4 驅動電路的設計
驅qu動dong電dian路lu的de設she計ji既ji要yao考kao慮lv在zai功gong率lv管guan需xu要yao導dao通tong時shi,能neng迅xun速su地di建jian立li起qi驅qu動dong電dian壓ya,又you要yao考kao慮lv在zai需xu要yao關guan斷duan時shi,能neng迅xun速su地di泄xie放fang功gong率lv管guan柵zha極ji電dian容rong上shang的de電dian荷he,拉la低di驅qu動dong電dian壓ya。具ju體ti驅qu動dong電dian路lu如ru圖tu5所示

圖5 驅動電路
1)當光耦原邊有控製電路的驅動脈衝電流流過時,光耦導通,使Q1的基極電位迅速上升,導致D2導通,功率管的柵極電壓上升,使功率管導通;
2)當光耦原邊無控製電路的驅動脈衝電流流過時,光耦不導通,使Q1的基極電位拉低,而功率管柵極上的電壓還為高,所以導致Q1導通,功率管的柵極電荷通過Q1及電阻R3迅速泄放,使功率管迅速可靠地關斷。
當然,對於功率管的保護同樣重要,所以在功率管源極和漏極之間要加一個緩衝電路避免功率管被過高的正、反向電壓所損壞。
2 實驗結果
根據以上分析,對實驗樣機進行了實驗,其額定輸出功率為500W,濾波器參數取L=3mH,C=2.2μF,樣機帶負載運行時,測得其輸出電壓波形如圖6所示。
3 結語
樣yang機ji輸shu出chu電dian壓ya波bo形xing質zhi量liang良liang好hao,輸shu出chu電dian壓ya穩wen定ding性xing強qiang,幅fu值zhi基ji本ben不bu受shou負fu載zai變bian化hua影ying響xiang,效xiao果guo較jiao好hao。實shi驗yan表biao明ming,本ben文wen提ti出chu的de係xi統tong方fang案an是shi切qie實shi可ke行xing的de。

圖6 逆變器的輸出波形
特別推薦
- 噪聲中提取真值!瑞盟科技推出MSA2240電流檢測芯片賦能多元高端測量場景
- 10MHz高頻運行!氮矽科技發布集成驅動GaN芯片,助力電源能效再攀新高
- 失真度僅0.002%!力芯微推出超低內阻、超低失真4PST模擬開關
- 一“芯”雙電!聖邦微電子發布雙輸出電源芯片,簡化AFE與音頻設計
- 一機適配萬端:金升陽推出1200W可編程電源,賦能高端裝備製造
技術文章更多>>
- 2026藍牙亞洲大會暨展覽在深啟幕
- H橋降壓-升壓電路中的交替控製與帶寬優化
- Tektronix 助力二維材料器件與芯片研究與創新
- 800V AI算力時代,GaN從“備選”變“剛需”?
- 大聯大世平集團首度亮相北京國際汽車展 攜手全球芯片夥伴打造智能車整合應用新典範
技術白皮書下載更多>>
- 車規與基於V2X的車輛協同主動避撞技術展望
- 數字隔離助力新能源汽車安全隔離的新挑戰
- 汽車模塊拋負載的解決方案
- 車用連接器的安全創新應用
- Melexis Actuators Business Unit
- Position / Current Sensors - Triaxis Hall
熱門搜索
接口IC
介質電容
介質諧振器
金屬膜電阻
晶體濾波器
晶體諧振器
晶體振蕩器
晶閘管
精密電阻
精密工具
景佑能源
聚合物電容
君耀電子
開發工具
開關
開關電源
開關電源電路
開關二極管
開關三極管
科通
可變電容
可調電感
可控矽
空心線圈
控製變壓器
控製模塊
藍牙
藍牙4.0
藍牙模塊
浪湧保護器



