Buck變換器反饋電阻的作用
發布時間:2011-07-08
中心議題:
- Buck變換器AP3406的典型應用
- 反饋電阻在Buck變換器中的作用
解決方案:
- Buck變換器AP3406的環路增益測試
- Buck變換器係統的動態響應測試
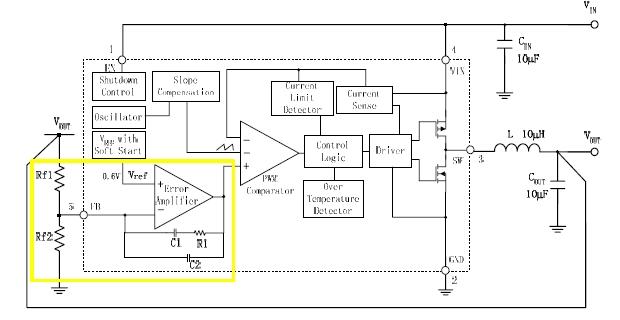
Buck變換器由於具有效率高的優點而被廣泛應用於手機、GPS、MP3等移動多媒體設備上,目前很多電源管理芯片製造廠商都推出了不同電流能力的Buck變換器,這類變換器雖然在電流能力和保護功能方麵存在一些差異,但是他們電路的主框架結構是基本一致的,主要可以分為兩個部分:一是實現電能轉換的主功率部分,另一部分是實現負反饋控製的控製電路,如圖1所示。

圖1 Buck變換器電路主框圖
對於不同廠商設計的Buck變換器芯片,外圍電路所需要的器件會有所不同,這是因為芯片的集成度有差異,比如,有的廠商會把功率管集成在芯片內部;有you的de廠chang商shang會hui把ba控kong製zhi部bu分fen的de補bu償chang網wang絡luo集ji成cheng在zai芯xin片pian內nei部bu。集ji成cheng度du越yue高gao的de芯xin片pian,外wai圍wei電dian路lu所suo需xu要yao的de器qi件jian就jiu越yue少shao,因yin此ci對dui於yu客ke戶hu來lai說shuo,外wai圍wei器qi件jian的de選xuan擇ze需xu要yao根gen據ju具ju體ti芯xin片pian來lai決jue定ding。然ran而er,對dui於yu任ren何he一yi個ge輸shu出chu可ke以yi調tiao節jie的deBuck變換器芯片,選擇合適的反饋電阻是必不可少的。圖2是BCD半導體公司的Buck變換器AP3406的典型應用圖,由於該芯片集成度很高,外圍隻需要輸入電容、輸出電感、輸出電容和反饋電阻,本文就以此為例對反饋電阻的作用做簡要分析,為如何選擇反饋電阻提供參考。

圖2 Buck變換器芯片典型應用圖
設置輸出電壓
反饋電阻Rf1和Rf2的第一個作用是設置Buck電路的輸出電壓值,如圖2所示,穩態時,運算放大器的反相輸入端和同相輸入端電壓是相等的,於是可以得到輸出電壓計算公式:
,其中VREF是芯片內部基準電壓(本例中為0.6V)。
影響係統穩定性和動態響應
為了實現係統的抗幹擾能力,Buck變bian換huan器qi除chu了le主zhu功gong率lv部bu分fen以yi外wai,還hai會hui有you相xiang應ying的de負fu反fan饋kui控kong製zhi電dian路lu,補bu償chang網wang絡luo是shi反fan饋kui控kong製zhi電dian路lu的de一yi部bu分fen。補bu償chang網wang絡luo的de加jia入ru可ke以yi提ti高gao環huan路lu的de低di頻pin增zeng益yi,從cong而er提ti高gao抗kang幹gan擾rao能neng力li;同時補償網路使係統擁有足夠的相位裕度,從而保證係統處於穩定的工作狀態,不會振蕩。圖2中黃色框內的部分就是補償網絡部分,補償網絡中包括 R1,C1,C2和Rf1(注:Rf2在環路分析中不起作用),補償網絡的傳遞函數可以表示為:

從上式可以看出補償網絡產生了兩個極點,其中一個極點在0點,另一個極點為
, 同時還產生了一個零點
[page]
在mathcad中做出Gc(s)的幅頻特性和相頻特性,如圖3和圖4所示,Rf1在補償網絡中的作用是改變中頻段增益,對補償網絡中的零極點不會有影響,在圖3和圖4中的表現就是隨著Rf1的改變,補償網絡Gc(s)的幅頻特性上下平移,相頻特性不變。

圖3 補償網絡幅頻特性

圖4 補償網絡相頻特性
因此,當補償網絡進入係統環路之後,Rf1的作用是使環路增益的幅頻特性上下平移,同時環路增益的相頻特性保持不變。

圖5 Buck變換器環路增益測試結果1
[page]

圖6 Buck變換器環路增益測試結果2
圖5和圖6是用網絡分析儀進行AP3406環路增益測試的結果。由圖可以看出,當Rf1從300k變化到470k,再變化到750k,係統的環路增益的幅頻特性不斷向下移動,同時相頻特性基本不變。於是係統的帶寬和相位裕度都有較大改變,測試結果如表1所示。

表1 AP3406環路增益測試結果
係統的帶寬是影響係統動態響應的重要因素,相位裕度是影響係統穩定性的重要因素。如果選擇不同的Rf1,係統的帶寬和相位裕度會產生變化,也就是動態響應和穩定性會發生變化。具體以表1來分析,當Rf1從300k變到750k,係統地帶寬從51.1kHz變到26.1kHz,因此係統的動態響應會相應的變差,而由於相位裕度都是足夠的,因此係統都處於穩定工作的狀態。圖7和圖8是做負載切換的動態響應測試結果,從測試結果可以看出環路響應速度變慢,導致輸出電壓過衝變大,動態響應效果變差。

圖7 動態響應測試結果(Rf1=300k)

圖8 動態響應測試結果(Rf1=750k)
從以上分析可以看出,選擇合適的反饋電阻Rf1和Rf2對AP3406及同類補償結構的Buckbianhuanqiyouhenzhongyaodezuoyong。xuanzefankuidianzushi,bunengzhikaolvwentaishi,shuchudianyashifoufuheyaoqiu,haiyinggaikaolv,fankuidianzuduixitongwendingxinghedongtaixiangyingdeyingxiang。
- 噪聲中提取真值!瑞盟科技推出MSA2240電流檢測芯片賦能多元高端測量場景
- 10MHz高頻運行!氮矽科技發布集成驅動GaN芯片,助力電源能效再攀新高
- 失真度僅0.002%!力芯微推出超低內阻、超低失真4PST模擬開關
- 一“芯”雙電!聖邦微電子發布雙輸出電源芯片,簡化AFE與音頻設計
- 一機適配萬端:金升陽推出1200W可編程電源,賦能高端裝備製造
- 貿澤EIT係列新一期,探索AI如何重塑日常科技與用戶體驗
- 算力爆發遇上電源革新,大聯大世平集團攜手晶豐明源線上研討會解鎖應用落地
- 創新不止,創芯不已:第六屆ICDIA創芯展8月南京盛大啟幕!
- AI時代,為什麼存儲基礎設施的可靠性決定數據中心的經濟效益
- 矽典微ONELAB開發係列:為毫米波算法開發者打造的全棧工具鏈
- 車規與基於V2X的車輛協同主動避撞技術展望
- 數字隔離助力新能源汽車安全隔離的新挑戰
- 汽車模塊拋負載的解決方案
- 車用連接器的安全創新應用
- Melexis Actuators Business Unit
- Position / Current Sensors - Triaxis Hall




