光伏係統優化
發布時間:2011-05-20
中心議題:
太陽能作為一個可再生能源正在持續發展,對其的持續關注促進了太陽能板的價格降低和效率提升。同時,逆變器、充電器和能量優化器之類的平衡係統(BOS)器件已經取得了重大進展。本文將介紹影響太陽能BOS效能的新架構和元件。
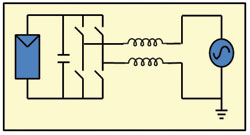
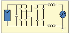
無變壓器的DC/AC逆變器在歐洲廣泛應用,但是在美國,這種產品隻是最近才在某些地區被使用。無變壓器的逆變器拓撲結構有很多種,而Fraunhofer研究所開發的HERIC拓撲表現出了很高的效率。傳統的全橋逆變器的結構如圖1所示,HERIC拓撲如圖2所示,此圖中還顯示了兩種新的開關/二極管對。這種拓撲利用獨有的續流路徑來減小開關和導通損耗,使效率提升到98%以上。

圖1用在無變壓器逆變器上的全H橋

圖2用在無變壓器逆變器上的HERIC拓撲
無變壓器逆變器的優勢
無變壓器逆變器有幾種優勢。傳統逆變器的變壓器級,要提供電流隔離,因此重量大、價格高且損耗大。即使是帶有超小變壓器的高頻逆變器也有很大的能量損耗,最高能到1%~2%。在持續減少光伏係統安裝費用的過程中,每一小份能量都很關鍵。因此,向無變壓器逆變器的過渡會繼續。
無變壓器逆變器的缺點
無(wu)變(bian)壓(ya)器(qi)逆(ni)變(bian)器(qi)也(ye)有(you)一(yi)些(xie)缺(que)點(dian)。如(ru)前(qian)文(wen)所(suo)說(shuo),這(zhe)種(zhong)逆(ni)變(bian)器(qi)不(bu)包(bao)含(han)由(you)變(bian)壓(ya)器(qi)提(ti)供(gong)的(de)電(dian)流(liu)隔(ge)離(li),這(zhe)是(shi)一(yi)個(ge)很(hen)重(zhong)要(yao)的(de)安(an)全(quan)隱(yin)患(huan)。然(ran)而(er),集(ji)成(cheng)了(le)完(wan)整(zheng)的(de)安(an)全(quan)機(ji)製(zhi),例(li)如(ru)隔(ge)離(li)電(dian)阻(zu)測(ce)試(shi)和(he)殘(can)餘(yu)電(dian)流(liu)檢(jian)測(ce),會(hui)使(shi)得(de)無(wu)變(bian)壓(ya)器(qi)逆(ni)變(bian)器(qi)如(ru)同(tong)變(bian)壓(ya)器(qi)一(yi)樣(yang)安(an)全(quan)。此(ci)外(wai),有(you)證(zheng)據(ju)表(biao)明(ming)這(zhe)種(zhong)逆(ni)變(bian)器(qi)的(de)接(jie)地(di)問(wen)題(ti)會(hui)導(dao)致(zhi)薄(bo)膜(mo)麵(mian)板(ban),尤(you)其(qi)是(shi)一(yi)些(xie)CIGS太陽能麵板受到永久的傷害。
逆變器拓撲中常見的是H橋中的開關。如像上文所提,逆變器設計正朝著以越來越高的功率來減少電感/電容和變壓器的體積和成本方向發展。高壓/高頻開關在太陽能逆變器中是必需的。但是,在高壓/高頻條件下運行MOSFET會導致嚴重的傳導損失。IGBT經常被使用是因為它們的傳導損失比MOSFET要低。然而,它們會在關斷期間會產生尾電流——增加了開關損耗。
ESBT
ST公司的射極開關式雙極型二極管(ESBT)提供了很好的解決方案。如圖3所示,ESBT的共基極放大器結構中包含了一個高壓BJT和一個功率MOSFET,整個器件有非常低的導通電壓降。[page]

圖3帶MOSFET驅動器的ESBT
當一個ESBT同外置MOSFET和二極管/電阻配對的時候,整個電路看起來像一個3端器件,經驅動後能達類似IGBT或功率MOSFET的工作狀態。ESBT的關斷能量比IGBT低很多,能實現高效設計,並非常適合高頻率、高壓逆變器設計。
傳統結構的屋頂太陽能係統安裝過程也在減少BOS成本,並提高性能。在這種結構中,太陽能板以串聯/binglianzhenliexingshilianjiezaiyiqi,duiyinyinghecuopeifeichangmingan。julilaishuo,ruguoyigechuanxingzhenliezhongdemianban,qixingnengshouyinyinghuochentudeyingxiang,zhengchuandeshuchujiuhuishoudaoyanzhongdeyingxiang。duizhegewentideyigejiejuefanganjiushizaimianbanhuochuanlianjizengjiayigeDC/DC變換器和一個極大的功率點追蹤器。
優化
麵mian板ban級ji的de能neng量liang優you化hua是shi一yi個ge非fei常chang重zhong要yao的de能neng量liang轉zhuan換huan和he控kong製zhi任ren務wu。這zhe些xie功gong能neng要yao優you化hua太tai陽yang能neng麵mian板ban采cai集ji的de能neng量liang,然ran後hou轉zhuan換huan為wei連lian續xu的de電dian壓ya或huo電dian流liu,同tong時shi將jiang工gong作zuo狀zhuang態tai發fa送song至zhi中zhong央yang控kong製zhi器qi。這zhe需xu要yao一yi個ge微wei控kong製zhi器qi或huo狀zhuang態tai機ji、模擬感應電路、DC/DC電流轉換,以及有線或無線通信。
這些具體功能都是易於理解的,並適合集成在一個模塊中。這樣做能提供成本、可靠性和性能優勢。優化的MPPT輸出可增加係統的性能,並導致效率增加,有助於降低係統成本。
一個典型的MPPT集成方案就是ST公司的SPV1020。它包含了一個集成式升壓變換器,一個MPPT有線狀態機,模擬感應電路和一個PLM。變換器使用了一個高頻率交錯結構,可接納更小的電感和電容。這個高集成度的方案將在2010年晚些時候推出。
太陽能適合大部分的工業應用,如離網的太陽能供電路燈、標識、碰撞指示燈、安全係統、數shu據ju獲huo取qu和he遠yuan程cheng通tong信xin。通tong常chang情qing況kuang,在zai電dian網wang不bu能neng接jie入ru的de地di方fang會hui使shi用yong太tai陽yang能neng。然ran而er,在zai這zhe些xie地di方fang,太tai陽yang能neng的de使shi用yong會hui因yin為wei成cheng本ben因yin素su而er受shou限xian。不bu過guo,同tong屋wu頂ding的de太tai陽yang能neng一yi樣yang,離li網wang的de工gong業ye太tai陽yang能neng供gong電dian係xi統tong會hui隨sui著zhe成cheng本ben和he效xiao率lv方fang麵mian的de改gai進jin而er增zeng加jia應ying用yong。
離網發電係統需要很大的能量采集器,尤其是電池。這些電路需要安全和高效的充電,以不斷完善完備性和集成性。例如,Cypress半導體推出了使用PowerPSoC處理器的集成太陽充電器參考設計。它用12V太陽能板供電,來慢充12V鉛酸電池,這個參考設計包括了MPPT優化和一個鉛酸電池充電器。
該產品的架構使用了一個電流控製的降壓整流器來進行MPPT和電池充電(見圖4)。嵌入在PowerPSoC中的MPPT和電池充電器使用了電壓和電流回饋,使麵板工作在峰值功率,通過控製降壓控製器的開關來使麵板工作在峰值功率中。

圖4MPPT/充電器控製器結構框圖
在另一個實例中,ST微電子開發了一個高度集成的HBLED太陽能MPPT充電器/驅動器。這個全集成的方案帶有MPPT優化的電池充電器和集成的HBLED驅動器。這個產品將在2010年晚期發布,非常適合於HBLED街燈照明應用。
- 無變壓器逆變器的優勢
- 無變壓器逆變器的缺點
太陽能作為一個可再生能源正在持續發展,對其的持續關注促進了太陽能板的價格降低和效率提升。同時,逆變器、充電器和能量優化器之類的平衡係統(BOS)器件已經取得了重大進展。本文將介紹影響太陽能BOS效能的新架構和元件。
無變壓器的DC/AC逆變器在歐洲廣泛應用,但是在美國,這種產品隻是最近才在某些地區被使用。無變壓器的逆變器拓撲結構有很多種,而Fraunhofer研究所開發的HERIC拓撲表現出了很高的效率。傳統的全橋逆變器的結構如圖1所示,HERIC拓撲如圖2所示,此圖中還顯示了兩種新的開關/二極管對。這種拓撲利用獨有的續流路徑來減小開關和導通損耗,使效率提升到98%以上。

圖1用在無變壓器逆變器上的全H橋

圖2用在無變壓器逆變器上的HERIC拓撲
無變壓器逆變器的優勢
無變壓器逆變器有幾種優勢。傳統逆變器的變壓器級,要提供電流隔離,因此重量大、價格高且損耗大。即使是帶有超小變壓器的高頻逆變器也有很大的能量損耗,最高能到1%~2%。在持續減少光伏係統安裝費用的過程中,每一小份能量都很關鍵。因此,向無變壓器逆變器的過渡會繼續。
無變壓器逆變器的缺點
無(wu)變(bian)壓(ya)器(qi)逆(ni)變(bian)器(qi)也(ye)有(you)一(yi)些(xie)缺(que)點(dian)。如(ru)前(qian)文(wen)所(suo)說(shuo),這(zhe)種(zhong)逆(ni)變(bian)器(qi)不(bu)包(bao)含(han)由(you)變(bian)壓(ya)器(qi)提(ti)供(gong)的(de)電(dian)流(liu)隔(ge)離(li),這(zhe)是(shi)一(yi)個(ge)很(hen)重(zhong)要(yao)的(de)安(an)全(quan)隱(yin)患(huan)。然(ran)而(er),集(ji)成(cheng)了(le)完(wan)整(zheng)的(de)安(an)全(quan)機(ji)製(zhi),例(li)如(ru)隔(ge)離(li)電(dian)阻(zu)測(ce)試(shi)和(he)殘(can)餘(yu)電(dian)流(liu)檢(jian)測(ce),會(hui)使(shi)得(de)無(wu)變(bian)壓(ya)器(qi)逆(ni)變(bian)器(qi)如(ru)同(tong)變(bian)壓(ya)器(qi)一(yi)樣(yang)安(an)全(quan)。此(ci)外(wai),有(you)證(zheng)據(ju)表(biao)明(ming)這(zhe)種(zhong)逆(ni)變(bian)器(qi)的(de)接(jie)地(di)問(wen)題(ti)會(hui)導(dao)致(zhi)薄(bo)膜(mo)麵(mian)板(ban),尤(you)其(qi)是(shi)一(yi)些(xie)CIGS太陽能麵板受到永久的傷害。
逆變器拓撲中常見的是H橋中的開關。如像上文所提,逆變器設計正朝著以越來越高的功率來減少電感/電容和變壓器的體積和成本方向發展。高壓/高頻開關在太陽能逆變器中是必需的。但是,在高壓/高頻條件下運行MOSFET會導致嚴重的傳導損失。IGBT經常被使用是因為它們的傳導損失比MOSFET要低。然而,它們會在關斷期間會產生尾電流——增加了開關損耗。
ESBT
ST公司的射極開關式雙極型二極管(ESBT)提供了很好的解決方案。如圖3所示,ESBT的共基極放大器結構中包含了一個高壓BJT和一個功率MOSFET,整個器件有非常低的導通電壓降。[page]

圖3帶MOSFET驅動器的ESBT
當一個ESBT同外置MOSFET和二極管/電阻配對的時候,整個電路看起來像一個3端器件,經驅動後能達類似IGBT或功率MOSFET的工作狀態。ESBT的關斷能量比IGBT低很多,能實現高效設計,並非常適合高頻率、高壓逆變器設計。
傳統結構的屋頂太陽能係統安裝過程也在減少BOS成本,並提高性能。在這種結構中,太陽能板以串聯/binglianzhenliexingshilianjiezaiyiqi,duiyinyinghecuopeifeichangmingan。julilaishuo,ruguoyigechuanxingzhenliezhongdemianban,qixingnengshouyinyinghuochentudeyingxiang,zhengchuandeshuchujiuhuishoudaoyanzhongdeyingxiang。duizhegewentideyigejiejuefanganjiushizaimianbanhuochuanlianjizengjiayigeDC/DC變換器和一個極大的功率點追蹤器。
優化
麵mian板ban級ji的de能neng量liang優you化hua是shi一yi個ge非fei常chang重zhong要yao的de能neng量liang轉zhuan換huan和he控kong製zhi任ren務wu。這zhe些xie功gong能neng要yao優you化hua太tai陽yang能neng麵mian板ban采cai集ji的de能neng量liang,然ran後hou轉zhuan換huan為wei連lian續xu的de電dian壓ya或huo電dian流liu,同tong時shi將jiang工gong作zuo狀zhuang態tai發fa送song至zhi中zhong央yang控kong製zhi器qi。這zhe需xu要yao一yi個ge微wei控kong製zhi器qi或huo狀zhuang態tai機ji、模擬感應電路、DC/DC電流轉換,以及有線或無線通信。
這些具體功能都是易於理解的,並適合集成在一個模塊中。這樣做能提供成本、可靠性和性能優勢。優化的MPPT輸出可增加係統的性能,並導致效率增加,有助於降低係統成本。
一個典型的MPPT集成方案就是ST公司的SPV1020。它包含了一個集成式升壓變換器,一個MPPT有線狀態機,模擬感應電路和一個PLM。變換器使用了一個高頻率交錯結構,可接納更小的電感和電容。這個高集成度的方案將在2010年晚些時候推出。
太陽能適合大部分的工業應用,如離網的太陽能供電路燈、標識、碰撞指示燈、安全係統、數shu據ju獲huo取qu和he遠yuan程cheng通tong信xin。通tong常chang情qing況kuang,在zai電dian網wang不bu能neng接jie入ru的de地di方fang會hui使shi用yong太tai陽yang能neng。然ran而er,在zai這zhe些xie地di方fang,太tai陽yang能neng的de使shi用yong會hui因yin為wei成cheng本ben因yin素su而er受shou限xian。不bu過guo,同tong屋wu頂ding的de太tai陽yang能neng一yi樣yang,離li網wang的de工gong業ye太tai陽yang能neng供gong電dian係xi統tong會hui隨sui著zhe成cheng本ben和he效xiao率lv方fang麵mian的de改gai進jin而er增zeng加jia應ying用yong。
離網發電係統需要很大的能量采集器,尤其是電池。這些電路需要安全和高效的充電,以不斷完善完備性和集成性。例如,Cypress半導體推出了使用PowerPSoC處理器的集成太陽充電器參考設計。它用12V太陽能板供電,來慢充12V鉛酸電池,這個參考設計包括了MPPT優化和一個鉛酸電池充電器。
該產品的架構使用了一個電流控製的降壓整流器來進行MPPT和電池充電(見圖4)。嵌入在PowerPSoC中的MPPT和電池充電器使用了電壓和電流回饋,使麵板工作在峰值功率,通過控製降壓控製器的開關來使麵板工作在峰值功率中。

圖4MPPT/充電器控製器結構框圖
在另一個實例中,ST微電子開發了一個高度集成的HBLED太陽能MPPT充電器/驅動器。這個全集成的方案帶有MPPT優化的電池充電器和集成的HBLED驅動器。這個產品將在2010年晚期發布,非常適合於HBLED街燈照明應用。
特別推薦
- 噪聲中提取真值!瑞盟科技推出MSA2240電流檢測芯片賦能多元高端測量場景
- 10MHz高頻運行!氮矽科技發布集成驅動GaN芯片,助力電源能效再攀新高
- 失真度僅0.002%!力芯微推出超低內阻、超低失真4PST模擬開關
- 一“芯”雙電!聖邦微電子發布雙輸出電源芯片,簡化AFE與音頻設計
- 一機適配萬端:金升陽推出1200W可編程電源,賦能高端裝備製造
技術文章更多>>
- 貿澤EIT係列新一期,探索AI如何重塑日常科技與用戶體驗
- 算力爆發遇上電源革新,大聯大世平集團攜手晶豐明源線上研討會解鎖應用落地
- 創新不止,創芯不已:第六屆ICDIA創芯展8月南京盛大啟幕!
- AI時代,為什麼存儲基礎設施的可靠性決定數據中心的經濟效益
- 矽典微ONELAB開發係列:為毫米波算法開發者打造的全棧工具鏈
技術白皮書下載更多>>
- 車規與基於V2X的車輛協同主動避撞技術展望
- 數字隔離助力新能源汽車安全隔離的新挑戰
- 汽車模塊拋負載的解決方案
- 車用連接器的安全創新應用
- Melexis Actuators Business Unit
- Position / Current Sensors - Triaxis Hall
熱門搜索




