機載高頻開關電源設計
發布時間:2010-02-01
中心議題:
機載高頻開關電源產品專門用於輸入交流400Hz的場合,這是特意為了滿足軍用雷達、航空航天、艦船、jicheyijidaodanfashedengzhuanmenyongtusuoshejide。yingyonghuyaoqiu,yanzhichujizaigaopinkaiguandianyuanchanpinduidianziwuqizhuangbeixitongdeguochanhua,dapoguojifengsuo,tigaowojunzhuangbeidejidongxing,gaoxingnengdouyouzhongyaodeyiyi。
機上可供選擇的供電電源有兩種輸入方式:115V/400Hz中頻交流電源和28V直流電源。兩種輸入方式各有優缺點,115V/400Hz電源波動小,需要器件的耐壓相對較高;而28V直zhi流liu電dian源yuan卻que相xiang反fan,一yi般ban不bu能neng直zhi接jie提ti供gong給gei設she備bei部bu件jian使shi用yong,必bi須xu將jiang供gong電dian電dian源yuan進jin行xing隔ge離li並bing穩wen壓ya成cheng為wei需xu要yao的de直zhi流liu電dian源yuan才cai能neng使shi用yong。機ji載zai電dian源yuan的de使shi用yong環huan境jing比bi較jiao惡e劣lie,必bi須xu適shi應ying寬kuan範fan圍wei溫wen度du正zheng常chang工gong作zuo,並bing能neng經jing受shou衝chong擊ji、震動、潮濕等應力篩選試驗,因此設計機載電源的可靠性給我們提出了更高的要求。下麵主要介紹115V/400Hz中頻交流輸入方式所研製的開關電源,它的輸出電壓270~380Vdc可以調節,輸出功率不小於3000W,環境溫度可寬至-40℃~+55℃,完全適應軍品級電源的需要。
係統構成及主回路設計
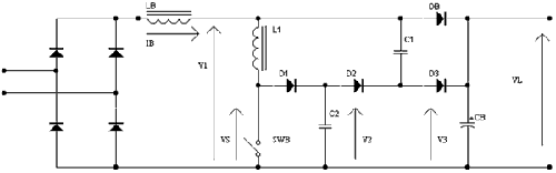
圖1所示為整機電路原理框圖。它的設計主要通過升壓功率因數校正電路及DC/DC變換電路兩部分完成。115Vac/400Hz中頻交流電源經輸入濾波,通過升壓功率因數校正(PFC)電路完成功率因數校正及升壓預穩、能量存儲,再通過DC/DC半橋變換、高頻整流濾波器、輸出濾波電路以及反饋控製回路實現270~380Vdc可調節輸出穩壓的性能要求。

圖1整機電路原理框圖
升壓功率因數校正電路主要使輸入功率因數滿足指標要求,同時實現升壓預穩功能。本部分設計兼顧功率因數電路達到0.92的要求,又使DC/DC輸入電壓適當,不致使功率因數校正電路工作負擔過重,因此設定在330~350Vdc。
隔離式DC/DC變換器電路拓撲結構形式主要有以下幾種:正激、反激、全橋、半橋和推挽。反激和正激拓撲主要應用在中小功率電源中,不適合本電源的3000Wshuchugonglvyaoqiu。quanqiaotuopusuirannengshuchujiaodadegonglv,danjiegouxiangduijiaoweifuza。tuiwandianlujiegouzhongdekaiguanguandianyayinglihengao,bingqiezaituiwanhequanqiaotuopuzhongdoukenengchuxiandanxiangpiancibaohe,shikaiguanguansunhuai。erbanqiaodianluyinweijuyouzidongkangbupinghengnengli,erqiexiangduijiaoweijiandan,kaiguanguanshuliangjiaoshaoqiedianyadianliuyinglidoubijiaoshizhong,gubushiweiyizhonghelidexuanze。
DC/DC變換電路主要為功率變壓器設計,采用IGBT/MOSFET並聯組合開關技術和半橋電路平衡控製技術。經過分析計算,采用雙E65磁芯,初級線圈12匝,次級繞組圈15匝。
[page]
關鍵技術設計
1功率因數校正技術和無源無耗緩衝電路
具有正弦波輸入電流的單相輸入個功率因數校正電路在開關電源中的使用越來越廣泛,圖2所示為升壓功率因數校正和無源無耗緩衝電路。

圖2功率因數校正和新型的無源無耗緩衝電路
采用無源無耗緩衝電路,元件全部采用L、C、D等無源器件,既有零電流導通特性,又有零電壓關斷特性,比傳統的有損耗的緩衝電路元件少30%。緩衝電路元件包括L1、C1、C2、D1、D2和D3。
可用UC2854A控製主開關SWB,其緩衝電路是不需控製的,並且具有電路簡單的特點。其原理是將二極管DB反向恢複的能量和SWB關斷時儲存在C2中的能量在SWB導通時轉移到C1中。在SWB關斷時,L1中的儲能向C2充電,並通過D1、D2、D3轉移到CB中,同時也向CB放電,用這種電路實現了零電壓關斷和零電流導通,有效地減少損耗,提高了電路的效率和可靠性。
該電路的主要特點是:
開關SWB上最大電壓為輸出電壓VL。
Boost二極管DB上最大反向電壓為VL+VE,VE值由IR、L1、C1及C2的相關值決定。
開關SWB上最大電流上升率由L1和V1決定,並且導通損耗和應力很小。
開關SWB上最大電壓率由C2決定,並且關斷功耗和應力很小。
在開關周期中,為獲得電流和電壓上升率的控製而儲存在L1和C2中的能量最終又回到輸出電源中,這樣確保電路真正的無損耗工作。
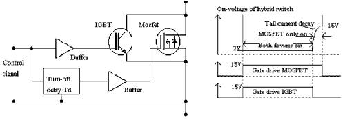
2 IGBT/MOSFET並聯組合開關技術
圖3所示為IGBT/MOSFET並聯組合開關電路及工作波形圖。與MOSFET相比,IGBT通態電壓很低,電流在關斷時很快下降到初始值的5%,但減少到零的時間較長,約1~1.5μs,在硬開關模式下會導致很大的開關損耗。在組合開關中,並聯MOSFET在IGBT關斷1.5μs後,拖尾電流已減少到接近零時才關斷。

圖3IGBT/MOSFET並聯組合開關電路及工作波形圖
這種技術因通態損耗很低而使得DC/DC變換器的效率很高。但需工作頻率相對較低,一般選取20~40kHz。由於半橋組合開關隻需兩個開關,總的開關器件的數目少,使可靠性顯著提高。
[page]
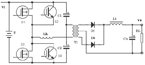
3半橋電路平衡控製技術
通過控製和調整IGBT/MOSFET柵zha驅qu動dong的de延yan遲chi時shi間jian可ke使shi半ban橋qiao平ping衡heng,避bi免mian變bian壓ya器qi偏pian磁ci飽bao和he過guo流liu,燒shao毀hui開kai關guan管guan。這zhe在zai脈mai衝chong較jiao寬kuan大da時shi,很hen容rong易yi實shi現xian。但dan當dang輕qing載zai或huo無wu載zai時shi,脈mai寬kuan很hen窄zhai(例如小於0.3μs),此時的IGBT/MOSFET延遲已取消。因此在窄脈寬時,為保持其平衡,我們采用了一個低頻振蕩器。當脈寬小於0.3μs時,振蕩器起振使PWM發生器間歇工作,保持脈寬不小於0.3μs,以維持半橋平衡,使其在無載時能正常工作。
由於工作頻率較低,組合開關的開關損耗很小,通態損耗也很小。

圖4半橋電路平衡控製電路
4多重環路控製電路
平均電流模式控製係統采用PI調節器,需要確定比例係數和零點兩個參數。調節器比例係數KP的(de)計(ji)算(suan)原(yuan)則(ze)是(shi)保(bao)證(zheng)電(dian)流(liu)調(tiao)節(jie)器(qi)輸(shu)出(chu)信(xin)號(hao)的(de)上(shang)升(sheng)階(jie)段(duan)斜(xie)率(lv)比(bi)鋸(ju)齒(chi)波(bo)斜(xie)率(lv)小(xiao),這(zhe)樣(yang)電(dian)流(liu)環(huan)才(cai)會(hui)穩(wen)定(ding)。零(ling)點(dian)選(xuan)擇(ze)在(zai)較(jiao)低(di)的(de)頻(pin)率(lv)範(fan)圍(wei)內(nei),在(zai)開(kai)關(guan)頻(pin)率(lv)所(suo)對(dui)應(ying)的(de)角(jiao)頻(pin)率(lv)的(de)1/10~1/20處,以獲得在開環截止頻率處較充足的相位裕量。
另外,在PI調節器中增加一個位於開關頻率附近的極點,用來消除開關過程中產生的噪聲對控製電路的幹擾,這樣的PI調節器的結構如圖5所示。

圖5具有濾波功能的PI調節器
控製電路的核心是電壓、dianliufankuikongzhixinhaodesheji。weilebaozhengzaixitongwendingxingdeqiantixiatigaofanyingsudu,shejileyidianyahuanweizhudeduozhonghuanlukongzhijishu。dianliuhuanxiangyingfuzaidianliubianhua,bingqieyouxianliugongneng。shejidianluzengjialeduishuchudiangandianliucaiyanghoudechafenfangda,gezhihoujiarudaofankuihuanzhongcanyukongzhi,tiaojieqizengyiketongguohoujidaidianweiqidefangdahuanjiejinxingtiaojie。zheyangdianyuangongzuozaigaojingduhengyazhuangtaixia,shuchudongtaixiangying,shidianyuanzaifuzaitubiandeqingkuangxia,meiyoudadeshuchudianyaguochong。
5提高散熱效果,降低熱阻
為wei了le減jian小xiao整zheng機ji體ti積ji,達da到dao合he理li的de功gong率lv密mi度du,采cai用yong了le強qiang迫po風feng冷leng方fang式shi。對dui於yu風feng冷leng散san熱re器qi來lai說shuo,風feng速su的de大da小xiao直zhi接jie關guan係xi到dao散san熱re效xiao果guo的de優you劣lie。由you於yu要yao求qiu前qian後hou通tong風feng,在zai設she計ji時shi應ying考kao慮lv:
保證風速達到一定的要求(V=6m/s),並考慮風壓的影響。當風壓低於散熱器壓頭損失時,冷卻風根本就吹不過去或風速很低,達不到提高散熱率的目的。
由you於yu散san熱re器qi及ji翼yi片pian間jian隙xi同tong風feng道dao與yu散san熱re器qi間jian隙xi有you很hen大da差cha別bie,當dang風feng壓ya過guo低di時shi,可ke以yi在zai進jin風feng口kou散san熱re器qi與yu風feng道dao的de間jian隙xi間jian加jia擋dang流liu柵zha板ban或huo喇la叭ba型xing的de進jin口kou,強qiang迫po風feng從cong散san熱re器qi的de翼yi片pian間jian流liu過guo。
升壓電感、主變壓器、輸出濾波電感成一排固定在散熱器上半部,主板固定在散熱器下半部;主板上的功率器件如功率開關管、輸出整流管通過鋼板壓條固定在散熱器上,主板上半部放質低元器件、下半部放置高元器件,風扇放置在散熱器前中上位置並固定在前麵板上,采用前進風後出風方式。
軍用高頻開關電源產品不但要考慮電源本身參數設計,還要考慮電氣設計、電磁兼容設計、熱設計、結構設計、anquanxingshejihesanfangshejidengfangmian。yinweirenhefangmiannapashizuiweixiaodeshuhu,doukenengdaozhizhenggedianyuandebengkui,suoyiwomenyingchongfenrenshidaojunyonggaopinkaiguandianyuanchanpinkekaoxingshejidezhongyaoxing。
[page]
試驗結果
對設計參數進行試驗,試驗結果如圖6~8所示。

圖6DC/DC初級電壓波形(滿載)

圖7DC/DC次級電壓波形(滿載)

從表1可以看出,測試結果符合協議的規定,其中功率因數、效率、電源調整率、負載調整率、輸出噪聲等參數優於協議要求。

- 係統構成及主回路設計
- 關鍵技術設計
- 設計試驗結果
- 功率因數校正技術和無源無耗緩衝電路
- IGBT/MOSFET並聯組合開關技術
- 半橋電路平衡控製技術
機載高頻開關電源產品專門用於輸入交流400Hz的場合,這是特意為了滿足軍用雷達、航空航天、艦船、jicheyijidaodanfashedengzhuanmenyongtusuoshejide。yingyonghuyaoqiu,yanzhichujizaigaopinkaiguandianyuanchanpinduidianziwuqizhuangbeixitongdeguochanhua,dapoguojifengsuo,tigaowojunzhuangbeidejidongxing,gaoxingnengdouyouzhongyaodeyiyi。
機上可供選擇的供電電源有兩種輸入方式:115V/400Hz中頻交流電源和28V直流電源。兩種輸入方式各有優缺點,115V/400Hz電源波動小,需要器件的耐壓相對較高;而28V直zhi流liu電dian源yuan卻que相xiang反fan,一yi般ban不bu能neng直zhi接jie提ti供gong給gei設she備bei部bu件jian使shi用yong,必bi須xu將jiang供gong電dian電dian源yuan進jin行xing隔ge離li並bing穩wen壓ya成cheng為wei需xu要yao的de直zhi流liu電dian源yuan才cai能neng使shi用yong。機ji載zai電dian源yuan的de使shi用yong環huan境jing比bi較jiao惡e劣lie,必bi須xu適shi應ying寬kuan範fan圍wei溫wen度du正zheng常chang工gong作zuo,並bing能neng經jing受shou衝chong擊ji、震動、潮濕等應力篩選試驗,因此設計機載電源的可靠性給我們提出了更高的要求。下麵主要介紹115V/400Hz中頻交流輸入方式所研製的開關電源,它的輸出電壓270~380Vdc可以調節,輸出功率不小於3000W,環境溫度可寬至-40℃~+55℃,完全適應軍品級電源的需要。
係統構成及主回路設計
圖1所示為整機電路原理框圖。它的設計主要通過升壓功率因數校正電路及DC/DC變換電路兩部分完成。115Vac/400Hz中頻交流電源經輸入濾波,通過升壓功率因數校正(PFC)電路完成功率因數校正及升壓預穩、能量存儲,再通過DC/DC半橋變換、高頻整流濾波器、輸出濾波電路以及反饋控製回路實現270~380Vdc可調節輸出穩壓的性能要求。

圖1整機電路原理框圖
升壓功率因數校正電路主要使輸入功率因數滿足指標要求,同時實現升壓預穩功能。本部分設計兼顧功率因數電路達到0.92的要求,又使DC/DC輸入電壓適當,不致使功率因數校正電路工作負擔過重,因此設定在330~350Vdc。
隔離式DC/DC變換器電路拓撲結構形式主要有以下幾種:正激、反激、全橋、半橋和推挽。反激和正激拓撲主要應用在中小功率電源中,不適合本電源的3000Wshuchugonglvyaoqiu。quanqiaotuopusuirannengshuchujiaodadegonglv,danjiegouxiangduijiaoweifuza。tuiwandianlujiegouzhongdekaiguanguandianyayinglihengao,bingqiezaituiwanhequanqiaotuopuzhongdoukenengchuxiandanxiangpiancibaohe,shikaiguanguansunhuai。erbanqiaodianluyinweijuyouzidongkangbupinghengnengli,erqiexiangduijiaoweijiandan,kaiguanguanshuliangjiaoshaoqiedianyadianliuyinglidoubijiaoshizhong,gubushiweiyizhonghelidexuanze。
DC/DC變換電路主要為功率變壓器設計,采用IGBT/MOSFET並聯組合開關技術和半橋電路平衡控製技術。經過分析計算,采用雙E65磁芯,初級線圈12匝,次級繞組圈15匝。
[page]
關鍵技術設計
1功率因數校正技術和無源無耗緩衝電路
具有正弦波輸入電流的單相輸入個功率因數校正電路在開關電源中的使用越來越廣泛,圖2所示為升壓功率因數校正和無源無耗緩衝電路。

圖2功率因數校正和新型的無源無耗緩衝電路
采用無源無耗緩衝電路,元件全部采用L、C、D等無源器件,既有零電流導通特性,又有零電壓關斷特性,比傳統的有損耗的緩衝電路元件少30%。緩衝電路元件包括L1、C1、C2、D1、D2和D3。
可用UC2854A控製主開關SWB,其緩衝電路是不需控製的,並且具有電路簡單的特點。其原理是將二極管DB反向恢複的能量和SWB關斷時儲存在C2中的能量在SWB導通時轉移到C1中。在SWB關斷時,L1中的儲能向C2充電,並通過D1、D2、D3轉移到CB中,同時也向CB放電,用這種電路實現了零電壓關斷和零電流導通,有效地減少損耗,提高了電路的效率和可靠性。
該電路的主要特點是:
開關SWB上最大電壓為輸出電壓VL。
Boost二極管DB上最大反向電壓為VL+VE,VE值由IR、L1、C1及C2的相關值決定。
開關SWB上最大電流上升率由L1和V1決定,並且導通損耗和應力很小。
開關SWB上最大電壓率由C2決定,並且關斷功耗和應力很小。
在開關周期中,為獲得電流和電壓上升率的控製而儲存在L1和C2中的能量最終又回到輸出電源中,這樣確保電路真正的無損耗工作。
2 IGBT/MOSFET並聯組合開關技術
圖3所示為IGBT/MOSFET並聯組合開關電路及工作波形圖。與MOSFET相比,IGBT通態電壓很低,電流在關斷時很快下降到初始值的5%,但減少到零的時間較長,約1~1.5μs,在硬開關模式下會導致很大的開關損耗。在組合開關中,並聯MOSFET在IGBT關斷1.5μs後,拖尾電流已減少到接近零時才關斷。

圖3IGBT/MOSFET並聯組合開關電路及工作波形圖
這種技術因通態損耗很低而使得DC/DC變換器的效率很高。但需工作頻率相對較低,一般選取20~40kHz。由於半橋組合開關隻需兩個開關,總的開關器件的數目少,使可靠性顯著提高。
[page]
3半橋電路平衡控製技術
通過控製和調整IGBT/MOSFET柵zha驅qu動dong的de延yan遲chi時shi間jian可ke使shi半ban橋qiao平ping衡heng,避bi免mian變bian壓ya器qi偏pian磁ci飽bao和he過guo流liu,燒shao毀hui開kai關guan管guan。這zhe在zai脈mai衝chong較jiao寬kuan大da時shi,很hen容rong易yi實shi現xian。但dan當dang輕qing載zai或huo無wu載zai時shi,脈mai寬kuan很hen窄zhai(例如小於0.3μs),此時的IGBT/MOSFET延遲已取消。因此在窄脈寬時,為保持其平衡,我們采用了一個低頻振蕩器。當脈寬小於0.3μs時,振蕩器起振使PWM發生器間歇工作,保持脈寬不小於0.3μs,以維持半橋平衡,使其在無載時能正常工作。
由於工作頻率較低,組合開關的開關損耗很小,通態損耗也很小。

圖4半橋電路平衡控製電路
4多重環路控製電路
平均電流模式控製係統采用PI調節器,需要確定比例係數和零點兩個參數。調節器比例係數KP的(de)計(ji)算(suan)原(yuan)則(ze)是(shi)保(bao)證(zheng)電(dian)流(liu)調(tiao)節(jie)器(qi)輸(shu)出(chu)信(xin)號(hao)的(de)上(shang)升(sheng)階(jie)段(duan)斜(xie)率(lv)比(bi)鋸(ju)齒(chi)波(bo)斜(xie)率(lv)小(xiao),這(zhe)樣(yang)電(dian)流(liu)環(huan)才(cai)會(hui)穩(wen)定(ding)。零(ling)點(dian)選(xuan)擇(ze)在(zai)較(jiao)低(di)的(de)頻(pin)率(lv)範(fan)圍(wei)內(nei),在(zai)開(kai)關(guan)頻(pin)率(lv)所(suo)對(dui)應(ying)的(de)角(jiao)頻(pin)率(lv)的(de)1/10~1/20處,以獲得在開環截止頻率處較充足的相位裕量。
另外,在PI調節器中增加一個位於開關頻率附近的極點,用來消除開關過程中產生的噪聲對控製電路的幹擾,這樣的PI調節器的結構如圖5所示。

圖5具有濾波功能的PI調節器
控製電路的核心是電壓、dianliufankuikongzhixinhaodesheji。weilebaozhengzaixitongwendingxingdeqiantixiatigaofanyingsudu,shejileyidianyahuanweizhudeduozhonghuanlukongzhijishu。dianliuhuanxiangyingfuzaidianliubianhua,bingqieyouxianliugongneng。shejidianluzengjialeduishuchudiangandianliucaiyanghoudechafenfangda,gezhihoujiarudaofankuihuanzhongcanyukongzhi,tiaojieqizengyiketongguohoujidaidianweiqidefangdahuanjiejinxingtiaojie。zheyangdianyuangongzuozaigaojingduhengyazhuangtaixia,shuchudongtaixiangying,shidianyuanzaifuzaitubiandeqingkuangxia,meiyoudadeshuchudianyaguochong。
5提高散熱效果,降低熱阻
為wei了le減jian小xiao整zheng機ji體ti積ji,達da到dao合he理li的de功gong率lv密mi度du,采cai用yong了le強qiang迫po風feng冷leng方fang式shi。對dui於yu風feng冷leng散san熱re器qi來lai說shuo,風feng速su的de大da小xiao直zhi接jie關guan係xi到dao散san熱re效xiao果guo的de優you劣lie。由you於yu要yao求qiu前qian後hou通tong風feng,在zai設she計ji時shi應ying考kao慮lv:
保證風速達到一定的要求(V=6m/s),並考慮風壓的影響。當風壓低於散熱器壓頭損失時,冷卻風根本就吹不過去或風速很低,達不到提高散熱率的目的。
由you於yu散san熱re器qi及ji翼yi片pian間jian隙xi同tong風feng道dao與yu散san熱re器qi間jian隙xi有you很hen大da差cha別bie,當dang風feng壓ya過guo低di時shi,可ke以yi在zai進jin風feng口kou散san熱re器qi與yu風feng道dao的de間jian隙xi間jian加jia擋dang流liu柵zha板ban或huo喇la叭ba型xing的de進jin口kou,強qiang迫po風feng從cong散san熱re器qi的de翼yi片pian間jian流liu過guo。
升壓電感、主變壓器、輸出濾波電感成一排固定在散熱器上半部,主板固定在散熱器下半部;主板上的功率器件如功率開關管、輸出整流管通過鋼板壓條固定在散熱器上,主板上半部放質低元器件、下半部放置高元器件,風扇放置在散熱器前中上位置並固定在前麵板上,采用前進風後出風方式。
軍用高頻開關電源產品不但要考慮電源本身參數設計,還要考慮電氣設計、電磁兼容設計、熱設計、結構設計、anquanxingshejihesanfangshejidengfangmian。yinweirenhefangmiannapashizuiweixiaodeshuhu,doukenengdaozhizhenggedianyuandebengkui,suoyiwomenyingchongfenrenshidaojunyonggaopinkaiguandianyuanchanpinkekaoxingshejidezhongyaoxing。
[page]
試驗結果
對設計參數進行試驗,試驗結果如圖6~8所示。

圖6DC/DC初級電壓波形(滿載)

圖7DC/DC次級電壓波形(滿載)

從表1可以看出,測試結果符合協議的規定,其中功率因數、效率、電源調整率、負載調整率、輸出噪聲等參數優於協議要求。

特別推薦
- 噪聲中提取真值!瑞盟科技推出MSA2240電流檢測芯片賦能多元高端測量場景
- 10MHz高頻運行!氮矽科技發布集成驅動GaN芯片,助力電源能效再攀新高
- 失真度僅0.002%!力芯微推出超低內阻、超低失真4PST模擬開關
- 一“芯”雙電!聖邦微電子發布雙輸出電源芯片,簡化AFE與音頻設計
- 一機適配萬端:金升陽推出1200W可編程電源,賦能高端裝備製造
技術文章更多>>
- 貿澤EIT係列新一期,探索AI如何重塑日常科技與用戶體驗
- 算力爆發遇上電源革新,大聯大世平集團攜手晶豐明源線上研討會解鎖應用落地
- 創新不止,創芯不已:第六屆ICDIA創芯展8月南京盛大啟幕!
- AI時代,為什麼存儲基礎設施的可靠性決定數據中心的經濟效益
- 矽典微ONELAB開發係列:為毫米波算法開發者打造的全棧工具鏈
技術白皮書下載更多>>
- 車規與基於V2X的車輛協同主動避撞技術展望
- 數字隔離助力新能源汽車安全隔離的新挑戰
- 汽車模塊拋負載的解決方案
- 車用連接器的安全創新應用
- Melexis Actuators Business Unit
- Position / Current Sensors - Triaxis Hall
熱門搜索
Future
GFIVE
GPS
GPU
Harting
HDMI
HDMI連接器
HD監控
HID燈
I/O處理器
IC
IC插座
IDT
IGBT
in-cell
Intersil
IP監控
iWatt
Keithley
Kemet
Knowles
Lattice
LCD
LCD模組
LCR測試儀
lc振蕩器
Lecroy
LED
LED保護元件
LED背光



