如何實現高功率密度的工業電源
發布時間:2009-09-04 來源:機電商情網
中心議題:
- 初級端和次級端電源模塊的運用
- 連續傳導模式(CCM)功率因數校正
解決方案:
- 整流器的傳導損耗必須最小化
- 提高電源效率的方法之一是采用零電壓開關拓撲
- AC-DC電源中的諧振網絡采用一個變壓器
工業電源必需滿足一些特殊的要求,如低功耗(以減輕機箱冷卻方麵的負擔)、高功率密度(以減小空間要求)、高可靠性和高耐用性,以及其它在普通電源中不常見的特性,如易於並聯、遙控和某些過載保護功能等。同時,它對EMI和穩定性的要求也比其它應用更為嚴格。
本文詳細分析了一個400Wdianyuandeshejishili,chanshilechujiduanhecijiduandianyuanmokuaideyunyong,yijiqitatigaoxingnengdefangfa。chulezaidianqifangmiandegaijinwai,mokuaihaicaiyongtongyidewaixingchicun,bianyushixianjingxijincoudejixieshejibingjianshaoanzhuanghewuliuchengben。shishishang,lianggemokuaikejuyoubutongedinggonglv,congerdadasuoduanleshangshishijian。
功率因數校正級(PFC),加上總線或DC鏈路電容,對於許多無法單獨優化的不同因素來說是十分關鍵的。現在,大部分電源都采用了有源PFC電路,亦即升壓轉換器,確保輸入電流與輸入電壓同相,使輸入端的正弦波失真最小化,從而減小傳導EMI,實現寬輸入範圍(85VAC~265VAC)。
而且,這個升壓轉換器會根據輸入電壓調節自己的占空比和輸入電流,並把總線電容的電壓調節到350V~400V。然而,如果升壓轉換器不是有源的(例如在啟動狀態),dianliukenengliujingshuruzhengliuqi,jinrushengyadianganheerjiguan,zaidaokongdezongxiandianrong,zuizhongchanshenghendadelangyongdianliu。yaobimianzheyiwenti,xuyaoewaidexianliudianlu,fouzekenengchufadianwangrongsi。zaigaokekaoxinghuoguanjianrenwuyingyongzhong,youyuduibaochishijianhejiedianbaohudeyaoqiugengyange,yincizongxiandianrongbixuzengda,zheshidelangyongdianliubiandegengda。
在某些情況下,需要一個NTC電阻,但在“熱”啟動(如停電)時,NTC仍然很熱,不能提供保護。根據DIN-EN61204標準,測試方法針對兩種情況:70%的額定輸入電壓,20ms;以及40%的額定輸入電壓,100mS。第二種情況對沒有有源PFC的電源而言可謂相當棘手。
脈寬調製級(PWM)是主要的轉換器級。其中DCdianyabeizhanboweigenggaopinlvdefangbo,yinciliyonggengxiaodebianyaqijiukeyizhuanhuandaolingyigedianyajibingtigonggeli。bingfeisuoyoudetuopudoucaiyongzhankongbibianhuadefangbo,youxietuopucaiyongdeshibianpin,haiyoudezeshigaibianlianggemaichongxuliezhijiandexiangwei。zheyijizhuyaoquedingzhuanhuanqidexiaolvhefuzaitiaojie。zhuanhuanqixiaolvshifenzhongyao,shouxiantaguanxidianyuandeyunxingchengben;其次是必須通過機箱冷卻來散除產生的熱量;第三是熱組件越大,就越昂貴,占用空間也越大。這三個因素與電源的使用壽命成本關係重大。

圖1工業電源的各個不同級及每級的主要特性
轉換器拓撲的選擇對效率和輻射EMI都至關重要,因為功率開關越傾向於硬開關,產生的dI/dt和dV/dtjiuhenda,tongshidianliuhedianyajiuyuegao,zhehuidaozhikaiguanpinlvxiebodedaliangchansheng。zaigezhongtuopuzhong,xiezhenhuozhunxiezhentuopudoupojuyoushidanjiaonansheji,youqishixiezhentuopu,hennanzaikuanfandefuzaifanweishangshixian。xiawenzhongmiaoshudeLLC拓撲具有在寬負載範圍內有限的開關頻率變化以及軟開關,很容易解決這一問題。[page]
PWM級(ji)也(ye)是(shi)所(suo)有(you)必(bi)須(xu)保(bao)護(hu)功(gong)能(neng)的(de)核(he)心(xin)所(suo)在(zai)。在(zai)電(dian)流(liu)模(mo)式(shi)轉(zhuan)換(huan)器(qi)的(de)情(qing)況(kuang)下(xia),逐(zhu)周(zhou)期(qi)限(xian)流(liu)器(qi)可(ke)保(bao)護(hu)電(dian)源(yuan)免(mian)受(shou)大(da)部(bu)分(fen)輸(shu)出(chu)問(wen)題(ti)的(de)傷(shang)害(hai),這(zhe)些(xie)問(wen)題(ti)通(tong)常(chang)與(yu)熱(re)關(guan)斷(duan)有(you)關(guan)。
同步整流級(SR)把變壓器產生的交流電壓轉換回直流電壓。由於電壓很低,電流往往相當高,故整流器的傳導損耗必須最小化。若采用矽PN結二極管可以獲得0.7V的正向電壓,則采用肖特基二極管可達到0.4V。要獲得更低的電壓級就需采用MOSFET,這時電壓級由導通阻抗RDS(ON)和輸出電流決定,且比前兩種情況要低得多。但因為MOSFET是shi有you源yuan器qi件jian,故gu需xu要yao一yi個ge適shi當dang的de柵zha極ji驅qu動dong信xin號hao來lai完wan成cheng,如ru果guo設she計ji良liang好hao,這zhe一yi級ji的de功gong耗hao可ke大da幅fu度du減jian小xiao,從cong而er進jin一yi步bu提ti高gao效xiao率lv。此ci外wai,利li用yong先xian進jin的de低di電dian感gan封feng裝zhuang技ji術shu,設she計ji還hai可ke以yi非fei常chang緊jin湊cou耐nai用yong。
連續傳導模式(CCM)功率因數校正
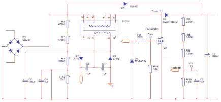
輸入整流器(圖2中沒有EMI濾波器)產生的輸入電壓被饋入到PFC電感中,此時後者的次級線圈為PFC控製IC提供供電電壓。電感前麵的電阻/電容網絡可對輸入電壓進行采樣。電感之後是帶柵極保護電路的電源開關,PFC整流器為StealthTM二極管。接下來使用一個電阻分壓器來感測和調節PFC級的輸出電壓,反饋回路至此結束。總線電容也如圖2所示,而二極管D1是一個額外的保護器件。

圖2PFC級的原理示意圖
這裏采用的控製器是FAN4810,該器件包含了先進的平均電流“升壓”型功率因數校正實現電路,電源因此能夠完全滿足IEC1000-3-2規範的要求。它還包含了TriFaultDetect功能,有利於確保不會因PFC中單個組件的故障造成不安全事件。1A的柵極驅動器又極大降低了對外部驅動器電路的需求。
此外,它的功率要求很低,既提高了效率也降低了組件成本。該PFC還帶有峰值限流、輸入電壓中斷保護功能,還有一個過壓比較器,可在發生負載突然減小事件時關斷PFC部分。時鍾輸出信號可用來同步下遊的PWM級,以減少係統噪聲。圖3中,綠色曲線的較厚區域代表電流紋波,PFCIC在峰值輸入電壓下消耗電流較多,過零時沒有電流。粉色曲線代表整流器輸入電壓,藍色曲線為輸出電壓。

圖3CCMPFC的行為[page]
LLC拓撲
提高電源效率的方法之一是采用零電壓開關拓撲。在這種拓撲中,電路中的電源開關在電壓極低時導通。對於鉗位感應開關MOSFET,導通損耗PONLOSS可由下式粗略求得:
![]()
IL為流經MOSFET的負載電流,VDS(SW)為MOSFET導通前的漏源電壓,tON為導通時間,而fSW則為開關頻率。
在硬開關拓撲中,VDS(SW)是總線電壓,對帶有PFC前端級的應用來說一般約為400V。對於零電壓開關,該電壓被降至MOSFET二極管的正向電壓降,在1V左右,從而極大地減小了導通開關損耗。
圖4所示為LLC諧(xie)振(zhen)轉(zhuan)換(huan)器(qi)的(de)模(mo)塊(kuai)示(shi)意(yi)圖(tu)。其(qi)核(he)心(xin)組(zu)件(jian)是(shi)諧(xie)振(zhen)網(wang)絡(luo),在(zai)輸(shu)入(ru)端(duan)電(dian)壓(ya)波(bo)形(xing)和(he)流(liu)入(ru)輸(shu)入(ru)端(duan)的(de)電(dian)流(liu)之(zhi)間(jian)產(chan)生(sheng)相(xiang)位(wei)滯(zhi)後(hou),加(jia)載(zai)在(zai)輸(shu)入(ru)端(duan)的(de)電(dian)壓(ya)波(bo)形(xing)是(shi)方(fang)波(bo),利(li)用(yong)半(ban)橋(qiao)或(huo)全(quan)橋(qiao)電(dian)路(lu)很(hen)容(rong)易(yi)就(jiu)可(ke)以(yi)從(cong)PFC輸出電壓中產生。

圖4LLC諧振轉換器模塊示意圖和零電壓開關波形
如(ru)果(guo)忽(hu)略(lve)橋(qiao)式(shi)電(dian)路(lu)中(zhong)死(si)區(qu)時(shi)間(jian)效(xiao)應(ying)以(yi)及(ji)更(geng)高(gao)階(jie)諧(xie)波(bo)的(de)出(chu)現(xian),那(na)麼(me)流(liu)入(ru)諧(xie)振(zhen)網(wang)絡(luo)的(de)電(dian)流(liu)可(ke)近(jin)似(si)表(biao)示(shi)為(wei)正(zheng)弦(xian)波(bo)。由(you)於(yu)流(liu)入(ru)諧(xie)振(zhen)電(dian)路(lu)的(de)電(dian)流(liu)滯(zhi)後(hou)於(yu)電(dian)壓(ya)基(ji)波(bo),當(dang)MOSFET處於導通狀態時,電流從兩個方向流入,如圖4所示。MOSFET在電流流經體二極管時導通,導致“零”電壓開關。這種方法帶來的一個額外好處是導通時產生的EMI較低,這是因為高dv/dt和di/dt轉換時間要短得多,而且通常沒有標準硬開關應用中不可避免的反向恢複效應。
由於諧振電路的輸出是周期性的,因此需要對之進行整流。這可以采用如圖4所示的全波整流器或一個帶中心抽頭(centre-tap)的整流器來完成。
最後,AC-DC電源中的諧振網絡基本上都會采用一個變壓器。該變壓器執行兩項任務:其一是提供初級端和次級端之間必需的安全隔離;其二是通過它的匝數比控製電源的總體電壓轉換比率。
為了避免Q1和Q2同時導通的風險,需要一定的死區時間。以Q1的關斷波形為例。流經開關的電流很大,接近峰值電流。關斷期間的電壓擺幅為滿總線電壓,因此關斷步驟是無損耗的。
要確保Q2的零電壓開關,Q1的漏源電容完全充電十分重要,這意味著充電時間不應該超過死區時間。若總線電壓為VBUS,開關時電流為ISW,有效漏源電容為CDSeff,則電容的充電時間tSW可由下式計算出:
![]()
VBUS由設計條件事先確定。如果CDSeff為零,Q2就會如預期地實現零電壓開關。如果CDSeff非常大,Q2為硬開關工作。輕載下ISW很小,當負載足夠小時,最終也會發生Q2硬開關。
有時可為每個MOSFET並聯一個電容。如果其容量選擇適當,就可以降低關斷損耗,同時又不影響較輕負載下的零電壓開關性能。
LLC諧振轉換器是讓諧振轉換器與一個電感串聯。這樣一來,諧振電路中就有兩個電感和一個電容,故名為L-L-C。圖5顯示了一個實例電路的增益特性。

圖5LLC諧(xie)振(zhen)轉(zhuan)換(huan)器(qi)增(zeng)益(yi)曲(qu)線(xian)實(shi)例(li)在(zai)工(gong)作(zuo)區(qu)域(yu),電(dian)壓(ya)增(zeng)益(yi)首(shou)先(xian)隨(sui)著(zhe)頻(pin)率(lv)的(de)增(zeng)加(jia)而(er)降(jiang)低(di),這(zhe)確(que)保(bao)了(le)零(ling)電(dian)壓(ya)開(kai)關(guan)所(suo)需(xu)的(de)相(xiang)位(wei)滯(zhi)後(hou)。控(kong)製(zhi)電(dian)路(lu)通(tong)過(guo)改(gai)變(bian)頻(pin)率(lv)來(lai)改(gai)變(bian)係(xi)統(tong)增(zeng)益(yi)。最(zui)小(xiao)增(zeng)益(yi)和(he)最(zui)大(da)增(zeng)益(yi)之(zhi)間(jian)的(de)差(cha)距(ju)相(xiang)當(dang)小(xiao),因(yin)此(ci)諧(xie)振(zhen)轉(zhuan)換(huan)器(qi)需(xu)要(yao)很(hen)窄(zhai)的(de)DC電壓輸入範圍。在這個電源設計中,由PFC級提供窄輸入電壓範圍,建議采用連續傳導模式PFC級。[page]
利用PFC級,LLC轉換器的輸入可設置在400V左右。如果所需輸出電壓為12V、匝數比為40:1,則額定負載下需要1.2的DC增益。無論負載情況如何,頻率始終不變。
為便於說明,假設輸入電壓提高到480V,則控製電路需把增益降至1.0,以保持12V的輸出電壓。在這種情況下,頻率會在115kHz(滿負載)和130kHz(20%負載)之間變化,從圖中可看出何時決定不同負載下的增益曲線與增益為1.0的線在哪個頻率下相交。利用前述應用中采用的前端PFC級,在缺輸入半波的情況下需要一些額外的增益,即所謂的“保持”時間要求。
同步整流
次級端的同步整流級是利用新的FPP06R001模塊來構建的,如圖6所示。

圖6同步整流器模塊如何連接在變壓器的次級端上
用來調整次級電壓的二極管通常由MOSFET代替,該模塊包含了柵極驅動器和功率MOSFET,采用外引腳極寬的小型單列直插封裝,可減小寄生電感和電阻。
利用模塊來代替分立式組件可以提高效率、減小EMI並簡化總體設計。模塊中MOSFET的RDS(ON)比分立式解決方案中的小10%,總體封裝阻抗小16%,振鈴因此減少,從而減小了EMI。柵極驅動器回路的尺寸很小,這又進一步減小了EMI輻射,增強了抗幹擾能力,尤其是對漏極上的dv/dt幹擾。由於兩個棘手回路的布局都已在模塊內完成,所以對設計人員而言總體設計變得較簡單。
圖7解釋了讓柵極驅動器靠近功率MOSFET為什麼如此有用。柵極驅動器的非零輸出阻抗ZDRV必須通過寄生阻抗Zstray1和Zstray2,以及柵極阻抗Rg來控製MOSFET,尤其是關斷。這時,漏極上的高dV/dt加上柵極路徑上的高阻抗,可能引起MOSFET的寄生導通。而利用極短的連線和功能強大的柵極驅動器,幾乎可以實現完美的開關。

圖7柵極驅動器電路中的寄生阻抗
通過分析功率MOSFET上的電壓級,可以創建柵極驅動器信號,確定開關導通的準確時序。一旦完全導通,開關上的電壓降可利用公式RDSON×IOUT算出,因此RDSON越低,電壓降就越低,功耗也越低(這時開關損耗忽略不計)。確定正確的功率開關導通和關斷時間是非常重要的,這樣就可避免體二極管的傳導,後者會造成電流換向,最終增大電壓降。
下表比較了在輸出功率為400W(24V,17A)、結溫為100℃時,采用不同整流器獲得的結果:

有(you)意(yi)思(si)的(de)是(shi),輸(shu)出(chu)整(zheng)流(liu)器(qi)的(de)功(gong)耗(hao)隻(zhi)與(yu)輸(shu)出(chu)電(dian)流(liu)有(you)關(guan),而(er)與(yu)輸(shu)出(chu)電(dian)壓(ya)無(wu)關(guan)。輸(shu)出(chu)電(dian)流(liu)越(yue)高(gao),同(tong)步(bu)整(zheng)流(liu)解(jie)決(jue)方(fang)案(an)就(jiu)越(yue)有(you)優(you)勢(shi)。肖(xiao)特(te)基(ji)二(er)極(ji)管(guan)的(de)實(shi)際(ji)限(xian)製(zhi)在(zai)10Azuoyou,chaochuzhegexianzhi,zhengliuqidegonghaohuibiandexiangdangda,zheshiyinweizhengxiangdianyazaimouzhongchengdushangyilaiyudianliu。buguo,duiyujiaogaodeshuchudianya,xiaotejierjiguankenenggenghao,yinweidianliugengxiaobingqiewuxuqudongdianlu。
電源係統
在歐盟指令下,一種新的電源效率測量方法已被采用,可在25%、50%、75%和100%的額度輸出功率下對輸入輸出功率進行測量。利用這種方法,電源效率可達到93.8%。

圖8初級端和次級端模塊采用相同的尺寸,有利於實現非常精細的機械解決方案
- 噪聲中提取真值!瑞盟科技推出MSA2240電流檢測芯片賦能多元高端測量場景
- 10MHz高頻運行!氮矽科技發布集成驅動GaN芯片,助力電源能效再攀新高
- 失真度僅0.002%!力芯微推出超低內阻、超低失真4PST模擬開關
- 一“芯”雙電!聖邦微電子發布雙輸出電源芯片,簡化AFE與音頻設計
- 一機適配萬端:金升陽推出1200W可編程電源,賦能高端裝備製造
- 貿澤EIT係列新一期,探索AI如何重塑日常科技與用戶體驗
- 算力爆發遇上電源革新,大聯大世平集團攜手晶豐明源線上研討會解鎖應用落地
- 創新不止,創芯不已:第六屆ICDIA創芯展8月南京盛大啟幕!
- AI時代,為什麼存儲基礎設施的可靠性決定數據中心的經濟效益
- 矽典微ONELAB開發係列:為毫米波算法開發者打造的全棧工具鏈
- 車規與基於V2X的車輛協同主動避撞技術展望
- 數字隔離助力新能源汽車安全隔離的新挑戰
- 汽車模塊拋負載的解決方案
- 車用連接器的安全創新應用
- Melexis Actuators Business Unit
- Position / Current Sensors - Triaxis Hall



