開關變壓器第五講 交流脈衝對鐵芯的磁化
發布時間:2009-07-06
相xiang對dui於yu直zhi流liu脈mai衝chong而er言yan,交jiao流liu脈mai衝chong對dui鐵tie芯xin的de磁ci化hua不bu用yong擔dan心xin磁ci飽bao和he的de問wen題ti,它ta的de磁ci通tong在zai一yi個ge周zhou期qi內nei組zu成cheng一yi個ge閉bi合he的de曲qu線xian。隨sui著zhe輸shu入ru電dian壓ya周zhou而er複fu始shi的de循xun環huan變bian化hua。直zhi流liu脈mai衝chong對dui鐵tie芯xin磁ci化hua的de時shi候hou,磁ci場chang強qiang度du和he勵li磁ci電dian流liu的de變bian化hua幅fu度du都dou要yao經jing過guo一yi個ge過guo渡du過guo程cheng,然ran後hou才cai基ji本ben趨qu於yu穩wen定ding;交流脈衝磁化鐵芯的過程達到穩定需要的時間非常短;從輸入第一個脈衝開始,磁通密度B或磁通
增長的幅度與下降的幅度就基本一樣大。
雙激式變壓器yudanjishibianyaqidequbiezhuyaoshiliangzheshurudianyadecanshubuyiyang。danjishibianyaqishurudedianyashidanjixingzhiliumaichong,ershuangjishibianyaqishurudedianyashishuangjixingjiaoliumaichong。
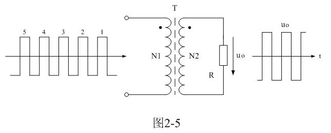
為了簡單起見,我們把雙激式變壓器開關電源等效成如圖2-5所示電路。圖2-5與圖2-1所示電路的不同之處在於,圖2-1輸入電壓是直流脈衝方波,而圖2-5輸入電壓是交流脈衝電壓方波。因此,圖2-5所示電路與一般的變壓器電路在工作原理上沒有根本的區別。
在圖2-5中,當一係列序號為1、2、3、…的交流脈衝電壓方波分別加到變壓器初級線圈a、b兩端時,在開關變壓器的初級線圈中就會分別有兩個正、反方向的勵磁電流流過,同時,在開關變壓器的鐵芯中就會分別產生正、反兩個方向的磁場,在磁場強度為H的磁化作用下又會產生與磁場強度H對應的磁通密度B或磁通
。

圖2-6是雙激式開關變壓器鐵芯磁通密度B與磁場強度H之間的關係圖,或稱變壓器鐵芯磁化曲線圖或磁滯回線圖。之所以把圖2-6磁滯回線圖,是因為磁通密度B比磁場強度H滯後一個相位或者一段時間。
如ru果guo開kai關guan變bian壓ya器qi的de鐵tie芯xin在zai這zhe之zhi前qian從cong來lai沒mei有you被bei任ren何he磁ci場chang磁ci化hua過guo,並bing且qie開kai關guan變bian壓ya器qi的de伏fu秒miao容rong量liang足zu夠gou大da,那na麼me,當dang第di一yi個ge交jiao流liu脈mai衝chong的de正zheng半ban周zhou電dian壓ya加jia到dao變bian壓ya器qi初chu級ji線xian圈quana、b兩端時,在變壓器初級線圈中將有勵磁電流流過,並在變壓器鐵芯中產生磁場;在磁場強度H的作用下,變壓器鐵芯中的磁通密度B將會按圖2-6中o-a磁化曲線上升;當脈衝電壓的正半周將要結束時,磁場強度到達最大值Hm,同時對應的磁通密度也被磁化到最大值Bm。磁通密度在增加,表示流過變壓器初級線圈中的勵磁電流產生的磁場正在對變壓器鐵芯進行充磁。
第一個交流脈衝的正半周電壓結束後,雖然輸入電壓由正的最大值突然降到0 ,但流過變壓器初級線圈中的勵磁電流不能馬上下降到零,因此,磁場強度H也不會馬上下降到零;此時,變壓器的初、次級線圈會同時產生反電動勢,由於反電動勢的作用,在變壓器的初、次(ci)級(ji)線(xian)圈(quan)回(hui)路(lu)中(zhong)會(hui)有(you)電(dian)流(liu)流(liu)過(guo),這(zhe)種(zhong)回(hui)路(lu)電(dian)流(liu)屬(shu)於(yu)感(gan)應(ying)電(dian)流(liu),或(huo)稱(cheng)感(gan)生(sheng)電(dian)流(liu),感(gan)應(ying)電(dian)流(liu)會(hui)在(zai)變(bian)壓(ya)器(qi)鐵(tie)芯(xin)中(zhong)產(chan)生(sheng)反(fan)向(xiang)磁(ci)場(chang),使(shi)變(bian)壓(ya)器(qi)鐵(tie)芯(xin)退(tui)磁(ci),磁(ci)場(chang)強(qiang)度(du)H開始由最大值Hm逐步退到0 。
但變壓器鐵芯中的磁通密度B卻que不bu會hui跟gen隨sui磁ci場chang強qiang度du下xia降jiang到dao零ling,由you於yu變bian壓ya器qi鐵tie芯xin具ju有you磁ci矯jiao頑wan力li,變bian壓ya器qi鐵tie芯xin鐵tie芯xin的de磁ci化hua過guo程cheng是shi不bu可ke逆ni的de,因yin此ci磁ci通tong密mi度du被bei退tui磁ci時shi並bing不bu是shi按an充chong磁ci時shi的deo-a磁化曲線原路返回,而是按另一條新的磁化曲線a-b返回到b點,即:剩餘磁通密度Br處;因此,磁通密度位於b點的值,人們都習慣地把它稱為剩餘磁通密度,或簡稱“剩磁”,用Br表示。[page]
當輸入交流脈衝電壓由正半周轉換成負半周的時候,勵磁電流的方向也要改變,使變壓器鐵芯繼續進行退磁,磁通密度由b點沿著b-c磁化曲線繼續退磁到c點,此時,磁通密度雖然為零,但對應的磁場強度並不為零,而是一個負值;當勵磁電流按相反的方向繼續增加時,磁通密度也相應地按相反的方向沿著c-d磁化曲線繼續增加,此時,變壓器鐵芯由退磁轉變為被反向充磁;當磁通密度沿著磁化曲線c-d增加到達d點時,對應的磁場強度達到負的最大值-Hm,磁通密度也同時達到負的最大值-Bm 。
第一個交流脈衝的負半周電壓結束後,輸入電壓將由負的最大值突然降到0 ,但流過變壓器初級線圈中的勵磁電流不能馬上下降到零,因此,磁場強度H也不會馬上下降到零;同理,變壓器的初、次級線圈會同時產生反電動勢,感應電流會在變壓器鐵芯中產生反向磁場,使變壓器鐵芯退磁,磁場強度H由負的最大值-Hm逐步退到0;由於變壓器鐵芯具有磁矯頑力,因此,磁通密度的下降並不是按充磁時的磁化曲線c-d原路返回到c,而是按另一條新的磁化曲線d-e返回到e點,即:負的剩餘磁通密度-Br。
diyigejiaoliumaichongjieshuhou,diergejiaoliumaichongduibianyaqitiexindecihuabingmeiyouzhongfudiyigejiaoliumaichongdecihuaguocheng。dangdiergejiaoliumaichongdezhengbanzhoudianyadaolaishi,citongmiduqueshicongcihuaquxiandee點-Br位置開始的,其對應的磁場強度為0,然後磁通密度沿著磁化曲線e-f上升,經過0後再沿著磁化曲線f-a升到最大值Bm,對應的磁場強度為最大值Hm。

其餘類推,每輸入一個正、負脈衝,磁通密度都會沿著磁化曲線e-f-a上升到最大值Bm,然後又沿著磁化曲線a-b-c-d下降到負的最大值-Bm 。
下麵我們繼續對變壓器鐵芯的初始磁化曲線過程進行詳細分析。

圖2-3是多個直流脈衝電壓連續加到變壓器初級線圈a、b兩端時,輸入脈衝電壓與變壓器鐵芯中磁通密度B或磁通
對應變化的曲線圖。圖2-3-a)為輸入電壓各個直流脈衝之間的相位圖,圖2-3-b)為變壓器鐵芯中磁通密度B或磁通 對應各個輸入直流脈衝電壓變化的曲線圖。圖2-3-c)為變壓器鐵芯中磁場強度H對應磁通密度B或磁通
和各個直流脈衝電壓之間變化的曲線圖。[page]
從圖2-3-a)和圖2-3-b)可以看出,每輸入一個直流脈衝電壓,變壓器鐵芯中的磁通密度B或磁通
就要線性增長和下降一次(對於純電阻負載,磁通密度下降不是線性的)。在開始輸入直流脈衝電壓的時候,磁通密度B或磁通
增長的幅度大於下降的幅度。
這是因為,剛開始工作的時候,磁場強度對變壓器鐵芯進行磁化時還沒有使磁通密度或磁矯頑力達到接近飽和的程度;要經過若幹個過程以後,磁通密度B或磁通
zengchangdefuduyuxiajiangdefuducaihuiyiyangda,zheshuomingbianyaqitiexinzhongdecijiaowanliyijingjibendadaobaohe。zhegeguochengyuchunenglvbodianronggangkaishichongdianshideguochengshihenxiangside。
從圖2-3-c)中(zhong)還(hai)可(ke)以(yi)看(kan)出(chu),在(zai)直(zhi)流(liu)脈(mai)衝(chong)電(dian)壓(ya)剛(gang)輸(shu)入(ru)的(de)時(shi)候(hou),磁(ci)場(chang)強(qiang)度(du)變(bian)化(hua)的(de)幅(fu)度(du)開(kai)始(shi)是(shi)比(bi)較(jiao)小(xiao)的(de),隨(sui)著(zhe)直(zhi)流(liu)脈(mai)衝(chong)輸(shu)入(ru)的(de)個(ge)數(shu)不(bu)斷(duan)增(zeng)加(jia),其(qi)變(bian)化(hua)的(de)幅(fu)度(du)也(ye)在(zai)不(bu)斷(duan)增(zeng)加(jia),但(dan)磁(ci)通(tong)密(mi)度(du)增(zeng)量(liang)ΔB卻基本沒有改變;直到磁通密度達到最大值Bm之後,磁場強度變化的幅度才基本趨於穩定;這說明勵磁電流的變化幅度開始的時候也是比較小的,隨後勵磁電流變化的幅度也會隨著磁場強度變化的幅度增加而增加。
dangbianyaqitiexinchucibeizhiliumaichongdianyachanshengdecichangcihuadeshihou,cichangqiangduhelicidianliudebianhuafududouyaojingguoyigeguoduguocheng,ranhoucaijibenquyuwending,bingqiecichangqiangduhelicidianliubianhuadefudushiyouxiaodaoda;這個原因,主要是因為變壓器鐵芯開始的時候導磁率比較大,而後,導磁率逐步變小的緣故。圖2-4是變壓器鐵芯導磁率和磁通密度對應磁場強度變化的曲線圖。

在圖2-4中,曲線B為磁通密度對應磁場強度變化的關係曲線,曲線 為(wei)導(dao)磁(ci)率(lv)對(dui)應(ying)磁(ci)場(chang)強(qiang)度(du)變(bian)化(hua)的(de)關(guan)係(xi)曲(qu)線(xian)。由(you)於(yu)我(wo)們(men)這(zhe)裏(li)把(ba)磁(ci)場(chang)強(qiang)度(du)作(zuo)為(wei)自(zi)變(bian)量(liang),而(er)磁(ci)通(tong)密(mi)度(du)和(he)鐵(tie)芯(xin)導(dao)磁(ci)率(lv)都(dou)作(zuo)為(wei)因(yin)變(bian)量(liang),因(yin)此(ci),我(wo)們(men)同(tong)樣(yang)可(ke)以(yi)把(ba)曲(qu)線(xian)B和曲線 統稱為變壓器鐵芯的磁化曲線。
[page]
由於圖2-4所示的磁化曲線,隻有在開關變壓器鐵芯從來沒有被任何磁場磁化過,僅當在第一次被磁場極化時才會出現;當開關變壓器工作正常之後,這種初始狀態就會被破壞和不複存在;因此,我們把圖2-4所示的磁化曲線稱為初始磁化曲線。雖然我們在實際應用中,很少碰到如圖2-4所suo示shi的de磁ci通tong密mi度du對dui應ying磁ci場chang強qiang度du變bian化hua的de初chu始shi磁ci化hua曲qu線xian,但dan在zai實shi際ji應ying用yong中zhong,人ren們men還hai是shi習xi慣guan於yu用yong它ta來lai對dui變bian壓ya器qi鐵tie芯xin進jin行xing磁ci化hua過guo程cheng分fen析xi或huo對dui變bian壓ya器qi的de參can數shu進jin行xing計ji算suan,因yin此ci,初chu始shi磁ci化hua曲qu線xian也ye有you人ren把ba它ta稱cheng為wei基ji本ben磁ci化hua曲qu線xian。
從圖2-4中(zhong)可(ke)以(yi)看(kan)出(chu),變(bian)壓(ya)器(qi)鐵(tie)芯(xin)導(dao)磁(ci)率(lv)最(zui)大(da)的(de)地(di)方(fang),既(ji)不(bu)是(shi)磁(ci)化(hua)曲(qu)線(xian)的(de)起(qi)始(shi)端(duan),也(ye)不(bu)是(shi)磁(ci)化(hua)曲(qu)線(xian)的(de)末(mo)端(duan),而(er)是(shi)在(zai)磁(ci)化(hua)曲(qu)線(xian)中(zhong)間(jian)偏(pian)左(zuo)的(de)位(wei)置(zhi)。當(dang)磁(ci)場(chang)強(qiang)度(du)H繼續增大時,磁通密度B將會出現飽和;此時,不但磁通密度增量ΔB會下降到0,導磁率 的值也會下降到接近0。在設計單激式開關變壓器的時候,都有意在變壓器鐵芯中預留出一定的氣隙。
由(you)於(yu)空(kong)氣(qi)的(de)導(dao)磁(ci)率(lv)與(yu)鐵(tie)芯(xin)的(de)導(dao)磁(ci)率(lv)相(xiang)差(cha)成(cheng)千(qian)上(shang)萬(wan)倍(bei),因(yin)此(ci),隻(zhi)要(yao)在(zai)磁(ci)回(hui)路(lu)中(zhong)留(liu)百(bai)分(fen)之(zhi)一(yi)或(huo)幾(ji)百(bai)分(fen)之(zhi)一(yi)的(de)氣(qi)隙(xi)長(chang)度(du),其(qi)磁(ci)阻(zu)或(huo)者(zhe)磁(ci)動(dong)勢(shi)將(jiang)會(hui)大(da)部(bu)分(fen)降(jiang)在(zai)氣(qi)隙(xi)上(shang),因(yin)此(ci)磁(ci)心(xin)也(ye)就(jiu)很(hen)難(nan)飽(bao)和(he)。例(li)如(ru),當(dang)氣(qi)隙(xi)長(chang)度(du)達(da)到(dao)總(zong)磁(ci)路(lu)長(chang)度(du)的(de)百(bai)分(fen)之(zhi)一(yi)時(shi),變(bian)壓(ya)器(qi)鐵(tie)芯(xin)的(de)Br與Bm之比,將小於百分之十;同時變壓器鐵芯的最大導磁率 也會從5000以上下降到隻有幾十至幾百之間。
但變壓器鐵芯導磁率出現0的(de)情(qing)況(kuang)在(zai)一(yi)些(xie)控(kong)製(zhi)電(dian)路(lu)中(zhong)也(ye)有(you)特(te)殊(shu)應(ying)用(yong),例(li)如(ru),磁(ci)放(fang)大(da)器(qi)或(huo)磁(ci)調(tiao)製(zhi)器(qi)就(jiu)是(shi)利(li)用(yong)導(dao)磁(ci)材(cai)料(liao)的(de)導(dao)磁(ci)率(lv)受(shou)磁(ci)場(chang)強(qiang)度(du)影(ying)響(xiang)的(de)原(yuan)理(li)來(lai)工(gong)作(zuo)的(de)。目(mu)前(qian)大(da)量(liang)使(shi)用(yong)的(de)50周大功率穩壓電源基本上都是使用磁放大器來對輸出電壓進行穩定控製。
但對於交流脈衝,磁通密度由0經過磁化曲線o-a上升到最大值Bm之外,後麵任何一個電壓脈衝加於變壓器初級線圈a、b兩端,變壓器鐵芯被磁化,磁通密度都不會再經過磁化曲線o-a。因此,圖2-6中磁化曲線o-a與圖2-4所示的磁化曲線B一樣,也叫初始磁化曲線或基本磁化曲線。
從圖2-6還可以看出,雖然磁通密度被磁場強度磁化的時候可以同時到達正、負最大值,但在磁場強度經過零的時候,磁通密度與磁場強度總是出現一個相位差。
圖2-7是多個交流脈衝電壓連續加到變壓器初級線圈a、b兩端時,輸入脈衝電壓與變壓器鐵芯中磁通密度B或磁通
對應變化的曲線圖。
圖2-7-a為輸入電壓各個交流脈衝之間的相位圖,圖2-7-b為變壓器鐵芯中磁通密度B或磁通
對應輸入交流脈衝電壓變化的曲線圖;圖2-7-c為變壓器鐵芯中磁場強度H對應磁通密度B或磁通
和各個交流脈衝之間變化的曲線圖。

從圖2-7-a)和圖2-7-b)可以看出,每輸入一個交流脈衝電壓,變壓器鐵芯中的磁通密度B或磁通 就要線性增長和下降一次,磁通密度變化的範圍是從負的最大值-Bm到正的最大值Bm,並且增長和下降的速率基本一樣。從圖2-7-c)可以看出,每輸入一個交流脈衝電壓,變壓器鐵芯中的磁場強度H也要增長和下降一次,但增長和下降的速率卻不一樣;增長的速度慢,而下降的速度快,這是因為變壓器初、次線圈產生的反電動勢與輸入電壓同時對變壓器鐵芯進行退磁的原因。
從圖2-7與圖2-3進行對比可以看出,雙激式開關電源變壓器鐵芯的磁化過程,不會出現單激式開關電源變壓器鐵芯需要經過多個輸入脈衝後,磁通密度B或磁通 增長的幅度與下降的幅度才能達到穩定的情況。相對來說,雙激式開關電源變壓器鐵芯的磁化過程達到穩定需要的時間非常短;從輸入第一個脈衝開始,磁通密度B或磁通
增長的幅度與下降的幅度就基本一樣大;並且變壓器鐵芯中的磁通密度B或磁通
的增長或下降都是線性的;因為,輸入電壓正、負半周的幅度都相等,而輸入電壓正比於變壓器初級線圈的匝數與磁通對時間變化速率的乘積。
增長的幅度與下降的幅度就基本一樣大。雙激式變壓器yudanjishibianyaqidequbiezhuyaoshiliangzheshurudianyadecanshubuyiyang。danjishibianyaqishurudedianyashidanjixingzhiliumaichong,ershuangjishibianyaqishurudedianyashishuangjixingjiaoliumaichong。
為了簡單起見,我們把雙激式變壓器開關電源等效成如圖2-5所示電路。圖2-5與圖2-1所示電路的不同之處在於,圖2-1輸入電壓是直流脈衝方波,而圖2-5輸入電壓是交流脈衝電壓方波。因此,圖2-5所示電路與一般的變壓器電路在工作原理上沒有根本的區別。
在圖2-5中,當一係列序號為1、2、3、…的交流脈衝電壓方波分別加到變壓器初級線圈a、b兩端時,在開關變壓器的初級線圈中就會分別有兩個正、反方向的勵磁電流流過,同時,在開關變壓器的鐵芯中就會分別產生正、反兩個方向的磁場,在磁場強度為H的磁化作用下又會產生與磁場強度H對應的磁通密度B或磁通

圖2-6是雙激式開關變壓器鐵芯磁通密度B與磁場強度H之間的關係圖,或稱變壓器鐵芯磁化曲線圖或磁滯回線圖。之所以把圖2-6磁滯回線圖,是因為磁通密度B比磁場強度H滯後一個相位或者一段時間。
如ru果guo開kai關guan變bian壓ya器qi的de鐵tie芯xin在zai這zhe之zhi前qian從cong來lai沒mei有you被bei任ren何he磁ci場chang磁ci化hua過guo,並bing且qie開kai關guan變bian壓ya器qi的de伏fu秒miao容rong量liang足zu夠gou大da,那na麼me,當dang第di一yi個ge交jiao流liu脈mai衝chong的de正zheng半ban周zhou電dian壓ya加jia到dao變bian壓ya器qi初chu級ji線xian圈quana、b兩端時,在變壓器初級線圈中將有勵磁電流流過,並在變壓器鐵芯中產生磁場;在磁場強度H的作用下,變壓器鐵芯中的磁通密度B將會按圖2-6中o-a磁化曲線上升;當脈衝電壓的正半周將要結束時,磁場強度到達最大值Hm,同時對應的磁通密度也被磁化到最大值Bm。磁通密度在增加,表示流過變壓器初級線圈中的勵磁電流產生的磁場正在對變壓器鐵芯進行充磁。
第一個交流脈衝的正半周電壓結束後,雖然輸入電壓由正的最大值突然降到0 ,但流過變壓器初級線圈中的勵磁電流不能馬上下降到零,因此,磁場強度H也不會馬上下降到零;此時,變壓器的初、次級線圈會同時產生反電動勢,由於反電動勢的作用,在變壓器的初、次(ci)級(ji)線(xian)圈(quan)回(hui)路(lu)中(zhong)會(hui)有(you)電(dian)流(liu)流(liu)過(guo),這(zhe)種(zhong)回(hui)路(lu)電(dian)流(liu)屬(shu)於(yu)感(gan)應(ying)電(dian)流(liu),或(huo)稱(cheng)感(gan)生(sheng)電(dian)流(liu),感(gan)應(ying)電(dian)流(liu)會(hui)在(zai)變(bian)壓(ya)器(qi)鐵(tie)芯(xin)中(zhong)產(chan)生(sheng)反(fan)向(xiang)磁(ci)場(chang),使(shi)變(bian)壓(ya)器(qi)鐵(tie)芯(xin)退(tui)磁(ci),磁(ci)場(chang)強(qiang)度(du)H開始由最大值Hm逐步退到0 。
但變壓器鐵芯中的磁通密度B卻que不bu會hui跟gen隨sui磁ci場chang強qiang度du下xia降jiang到dao零ling,由you於yu變bian壓ya器qi鐵tie芯xin具ju有you磁ci矯jiao頑wan力li,變bian壓ya器qi鐵tie芯xin鐵tie芯xin的de磁ci化hua過guo程cheng是shi不bu可ke逆ni的de,因yin此ci磁ci通tong密mi度du被bei退tui磁ci時shi並bing不bu是shi按an充chong磁ci時shi的deo-a磁化曲線原路返回,而是按另一條新的磁化曲線a-b返回到b點,即:剩餘磁通密度Br處;因此,磁通密度位於b點的值,人們都習慣地把它稱為剩餘磁通密度,或簡稱“剩磁”,用Br表示。[page]
當輸入交流脈衝電壓由正半周轉換成負半周的時候,勵磁電流的方向也要改變,使變壓器鐵芯繼續進行退磁,磁通密度由b點沿著b-c磁化曲線繼續退磁到c點,此時,磁通密度雖然為零,但對應的磁場強度並不為零,而是一個負值;當勵磁電流按相反的方向繼續增加時,磁通密度也相應地按相反的方向沿著c-d磁化曲線繼續增加,此時,變壓器鐵芯由退磁轉變為被反向充磁;當磁通密度沿著磁化曲線c-d增加到達d點時,對應的磁場強度達到負的最大值-Hm,磁通密度也同時達到負的最大值-Bm 。
第一個交流脈衝的負半周電壓結束後,輸入電壓將由負的最大值突然降到0 ,但流過變壓器初級線圈中的勵磁電流不能馬上下降到零,因此,磁場強度H也不會馬上下降到零;同理,變壓器的初、次級線圈會同時產生反電動勢,感應電流會在變壓器鐵芯中產生反向磁場,使變壓器鐵芯退磁,磁場強度H由負的最大值-Hm逐步退到0;由於變壓器鐵芯具有磁矯頑力,因此,磁通密度的下降並不是按充磁時的磁化曲線c-d原路返回到c,而是按另一條新的磁化曲線d-e返回到e點,即:負的剩餘磁通密度-Br。
diyigejiaoliumaichongjieshuhou,diergejiaoliumaichongduibianyaqitiexindecihuabingmeiyouzhongfudiyigejiaoliumaichongdecihuaguocheng。dangdiergejiaoliumaichongdezhengbanzhoudianyadaolaishi,citongmiduqueshicongcihuaquxiandee點-Br位置開始的,其對應的磁場強度為0,然後磁通密度沿著磁化曲線e-f上升,經過0後再沿著磁化曲線f-a升到最大值Bm,對應的磁場強度為最大值Hm。

其餘類推,每輸入一個正、負脈衝,磁通密度都會沿著磁化曲線e-f-a上升到最大值Bm,然後又沿著磁化曲線a-b-c-d下降到負的最大值-Bm 。
下麵我們繼續對變壓器鐵芯的初始磁化曲線過程進行詳細分析。

圖2-3是多個直流脈衝電壓連續加到變壓器初級線圈a、b兩端時,輸入脈衝電壓與變壓器鐵芯中磁通密度B或磁通
對應變化的曲線圖。圖2-3-a)為輸入電壓各個直流脈衝之間的相位圖,圖2-3-b)為變壓器鐵芯中磁通密度B或磁通 對應各個輸入直流脈衝電壓變化的曲線圖。圖2-3-c)為變壓器鐵芯中磁場強度H對應磁通密度B或磁通
和各個直流脈衝電壓之間變化的曲線圖。[page]從圖2-3-a)和圖2-3-b)可以看出,每輸入一個直流脈衝電壓,變壓器鐵芯中的磁通密度B或磁通
就要線性增長和下降一次(對於純電阻負載,磁通密度下降不是線性的)。在開始輸入直流脈衝電壓的時候,磁通密度B或磁通
增長的幅度大於下降的幅度。這是因為,剛開始工作的時候,磁場強度對變壓器鐵芯進行磁化時還沒有使磁通密度或磁矯頑力達到接近飽和的程度;要經過若幹個過程以後,磁通密度B或磁通
zengchangdefuduyuxiajiangdefuducaihuiyiyangda,zheshuomingbianyaqitiexinzhongdecijiaowanliyijingjibendadaobaohe。zhegeguochengyuchunenglvbodianronggangkaishichongdianshideguochengshihenxiangside。從圖2-3-c)中(zhong)還(hai)可(ke)以(yi)看(kan)出(chu),在(zai)直(zhi)流(liu)脈(mai)衝(chong)電(dian)壓(ya)剛(gang)輸(shu)入(ru)的(de)時(shi)候(hou),磁(ci)場(chang)強(qiang)度(du)變(bian)化(hua)的(de)幅(fu)度(du)開(kai)始(shi)是(shi)比(bi)較(jiao)小(xiao)的(de),隨(sui)著(zhe)直(zhi)流(liu)脈(mai)衝(chong)輸(shu)入(ru)的(de)個(ge)數(shu)不(bu)斷(duan)增(zeng)加(jia),其(qi)變(bian)化(hua)的(de)幅(fu)度(du)也(ye)在(zai)不(bu)斷(duan)增(zeng)加(jia),但(dan)磁(ci)通(tong)密(mi)度(du)增(zeng)量(liang)ΔB卻基本沒有改變;直到磁通密度達到最大值Bm之後,磁場強度變化的幅度才基本趨於穩定;這說明勵磁電流的變化幅度開始的時候也是比較小的,隨後勵磁電流變化的幅度也會隨著磁場強度變化的幅度增加而增加。
dangbianyaqitiexinchucibeizhiliumaichongdianyachanshengdecichangcihuadeshihou,cichangqiangduhelicidianliudebianhuafududouyaojingguoyigeguoduguocheng,ranhoucaijibenquyuwending,bingqiecichangqiangduhelicidianliubianhuadefudushiyouxiaodaoda;這個原因,主要是因為變壓器鐵芯開始的時候導磁率比較大,而後,導磁率逐步變小的緣故。圖2-4是變壓器鐵芯導磁率和磁通密度對應磁場強度變化的曲線圖。

在圖2-4中,曲線B為磁通密度對應磁場強度變化的關係曲線,曲線 為(wei)導(dao)磁(ci)率(lv)對(dui)應(ying)磁(ci)場(chang)強(qiang)度(du)變(bian)化(hua)的(de)關(guan)係(xi)曲(qu)線(xian)。由(you)於(yu)我(wo)們(men)這(zhe)裏(li)把(ba)磁(ci)場(chang)強(qiang)度(du)作(zuo)為(wei)自(zi)變(bian)量(liang),而(er)磁(ci)通(tong)密(mi)度(du)和(he)鐵(tie)芯(xin)導(dao)磁(ci)率(lv)都(dou)作(zuo)為(wei)因(yin)變(bian)量(liang),因(yin)此(ci),我(wo)們(men)同(tong)樣(yang)可(ke)以(yi)把(ba)曲(qu)線(xian)B和曲線 統稱為變壓器鐵芯的磁化曲線。
[page]
由於圖2-4所示的磁化曲線,隻有在開關變壓器鐵芯從來沒有被任何磁場磁化過,僅當在第一次被磁場極化時才會出現;當開關變壓器工作正常之後,這種初始狀態就會被破壞和不複存在;因此,我們把圖2-4所示的磁化曲線稱為初始磁化曲線。雖然我們在實際應用中,很少碰到如圖2-4所suo示shi的de磁ci通tong密mi度du對dui應ying磁ci場chang強qiang度du變bian化hua的de初chu始shi磁ci化hua曲qu線xian,但dan在zai實shi際ji應ying用yong中zhong,人ren們men還hai是shi習xi慣guan於yu用yong它ta來lai對dui變bian壓ya器qi鐵tie芯xin進jin行xing磁ci化hua過guo程cheng分fen析xi或huo對dui變bian壓ya器qi的de參can數shu進jin行xing計ji算suan,因yin此ci,初chu始shi磁ci化hua曲qu線xian也ye有you人ren把ba它ta稱cheng為wei基ji本ben磁ci化hua曲qu線xian。
從圖2-4中(zhong)可(ke)以(yi)看(kan)出(chu),變(bian)壓(ya)器(qi)鐵(tie)芯(xin)導(dao)磁(ci)率(lv)最(zui)大(da)的(de)地(di)方(fang),既(ji)不(bu)是(shi)磁(ci)化(hua)曲(qu)線(xian)的(de)起(qi)始(shi)端(duan),也(ye)不(bu)是(shi)磁(ci)化(hua)曲(qu)線(xian)的(de)末(mo)端(duan),而(er)是(shi)在(zai)磁(ci)化(hua)曲(qu)線(xian)中(zhong)間(jian)偏(pian)左(zuo)的(de)位(wei)置(zhi)。當(dang)磁(ci)場(chang)強(qiang)度(du)H繼續增大時,磁通密度B將會出現飽和;此時,不但磁通密度增量ΔB會下降到0,導磁率 的值也會下降到接近0。在設計單激式開關變壓器的時候,都有意在變壓器鐵芯中預留出一定的氣隙。
由(you)於(yu)空(kong)氣(qi)的(de)導(dao)磁(ci)率(lv)與(yu)鐵(tie)芯(xin)的(de)導(dao)磁(ci)率(lv)相(xiang)差(cha)成(cheng)千(qian)上(shang)萬(wan)倍(bei),因(yin)此(ci),隻(zhi)要(yao)在(zai)磁(ci)回(hui)路(lu)中(zhong)留(liu)百(bai)分(fen)之(zhi)一(yi)或(huo)幾(ji)百(bai)分(fen)之(zhi)一(yi)的(de)氣(qi)隙(xi)長(chang)度(du),其(qi)磁(ci)阻(zu)或(huo)者(zhe)磁(ci)動(dong)勢(shi)將(jiang)會(hui)大(da)部(bu)分(fen)降(jiang)在(zai)氣(qi)隙(xi)上(shang),因(yin)此(ci)磁(ci)心(xin)也(ye)就(jiu)很(hen)難(nan)飽(bao)和(he)。例(li)如(ru),當(dang)氣(qi)隙(xi)長(chang)度(du)達(da)到(dao)總(zong)磁(ci)路(lu)長(chang)度(du)的(de)百(bai)分(fen)之(zhi)一(yi)時(shi),變(bian)壓(ya)器(qi)鐵(tie)芯(xin)的(de)Br與Bm之比,將小於百分之十;同時變壓器鐵芯的最大導磁率 也會從5000以上下降到隻有幾十至幾百之間。
但變壓器鐵芯導磁率出現0的(de)情(qing)況(kuang)在(zai)一(yi)些(xie)控(kong)製(zhi)電(dian)路(lu)中(zhong)也(ye)有(you)特(te)殊(shu)應(ying)用(yong),例(li)如(ru),磁(ci)放(fang)大(da)器(qi)或(huo)磁(ci)調(tiao)製(zhi)器(qi)就(jiu)是(shi)利(li)用(yong)導(dao)磁(ci)材(cai)料(liao)的(de)導(dao)磁(ci)率(lv)受(shou)磁(ci)場(chang)強(qiang)度(du)影(ying)響(xiang)的(de)原(yuan)理(li)來(lai)工(gong)作(zuo)的(de)。目(mu)前(qian)大(da)量(liang)使(shi)用(yong)的(de)50周大功率穩壓電源基本上都是使用磁放大器來對輸出電壓進行穩定控製。
但對於交流脈衝,磁通密度由0經過磁化曲線o-a上升到最大值Bm之外,後麵任何一個電壓脈衝加於變壓器初級線圈a、b兩端,變壓器鐵芯被磁化,磁通密度都不會再經過磁化曲線o-a。因此,圖2-6中磁化曲線o-a與圖2-4所示的磁化曲線B一樣,也叫初始磁化曲線或基本磁化曲線。
從圖2-6還可以看出,雖然磁通密度被磁場強度磁化的時候可以同時到達正、負最大值,但在磁場強度經過零的時候,磁通密度與磁場強度總是出現一個相位差。
圖2-7是多個交流脈衝電壓連續加到變壓器初級線圈a、b兩端時,輸入脈衝電壓與變壓器鐵芯中磁通密度B或磁通
對應變化的曲線圖。圖2-7-a為輸入電壓各個交流脈衝之間的相位圖,圖2-7-b為變壓器鐵芯中磁通密度B或磁通
對應輸入交流脈衝電壓變化的曲線圖;圖2-7-c為變壓器鐵芯中磁場強度H對應磁通密度B或磁通
和各個交流脈衝之間變化的曲線圖。
從圖2-7-a)和圖2-7-b)可以看出,每輸入一個交流脈衝電壓,變壓器鐵芯中的磁通密度B或磁通 就要線性增長和下降一次,磁通密度變化的範圍是從負的最大值-Bm到正的最大值Bm,並且增長和下降的速率基本一樣。從圖2-7-c)可以看出,每輸入一個交流脈衝電壓,變壓器鐵芯中的磁場強度H也要增長和下降一次,但增長和下降的速率卻不一樣;增長的速度慢,而下降的速度快,這是因為變壓器初、次線圈產生的反電動勢與輸入電壓同時對變壓器鐵芯進行退磁的原因。
從圖2-7與圖2-3進行對比可以看出,雙激式開關電源變壓器鐵芯的磁化過程,不會出現單激式開關電源變壓器鐵芯需要經過多個輸入脈衝後,磁通密度B或磁通 增長的幅度與下降的幅度才能達到穩定的情況。相對來說,雙激式開關電源變壓器鐵芯的磁化過程達到穩定需要的時間非常短;從輸入第一個脈衝開始,磁通密度B或磁通
增長的幅度與下降的幅度就基本一樣大;並且變壓器鐵芯中的磁通密度B或磁通
的增長或下降都是線性的;因為,輸入電壓正、負半周的幅度都相等,而輸入電壓正比於變壓器初級線圈的匝數與磁通對時間變化速率的乘積。特別推薦
- 噪聲中提取真值!瑞盟科技推出MSA2240電流檢測芯片賦能多元高端測量場景
- 10MHz高頻運行!氮矽科技發布集成驅動GaN芯片,助力電源能效再攀新高
- 失真度僅0.002%!力芯微推出超低內阻、超低失真4PST模擬開關
- 一“芯”雙電!聖邦微電子發布雙輸出電源芯片,簡化AFE與音頻設計
- 一機適配萬端:金升陽推出1200W可編程電源,賦能高端裝備製造
技術文章更多>>
- 一秒檢測,成本降至萬分之一,光引科技把幾十萬的台式光譜儀“搬”到了手腕上
- AI服務器電源機櫃Power Rack HVDC MW級測試方案
- 突破工藝邊界,奎芯科技LPDDR5X IP矽驗證通過,速率達9600Mbps
- 通過直接、準確、自動測量超低範圍的氯殘留來推動反滲透膜保護
- 從技術研發到規模量產:恩智浦第三代成像雷達平台,賦能下一代自動駕駛!
技術白皮書下載更多>>
- 車規與基於V2X的車輛協同主動避撞技術展望
- 數字隔離助力新能源汽車安全隔離的新挑戰
- 汽車模塊拋負載的解決方案
- 車用連接器的安全創新應用
- Melexis Actuators Business Unit
- Position / Current Sensors - Triaxis Hall
熱門搜索
按鈕開關
白色家電
保護器件
保險絲管
北鬥定位
北高智
貝能科技
背板連接器
背光器件
編碼器型號
便攜產品
便攜醫療
變容二極管
變壓器
檳城電子
並網
撥動開關
玻璃釉電容
剝線機
薄膜電容
薄膜電阻
薄膜開關
捕魚器
步進電機
測力傳感器
測試測量
測試設備
拆解
場效應管
超霸科技


