開關電源的基本工作原理(一)
發布時間:2009-04-22
編者按:此係列文章是陶顯芳老師撰寫的《開關電源工作原理與設計》一書的部分內容,陶老師因為工作繁忙,全書尚未完稿,這是該書的第一章。陶老師在授權電子元件技術網發表的時候特別指出:希望工程師朋友閱讀過後多提寶貴意見,陶老師將參考大家的意見和建議完善這本書的寫作。謝謝大家的支持和閱讀!
幾種基本類型的開關電源
顧名思義,開關電源就是利用電子開關器件(如晶體管、場效應管、可控矽閘流管等),通過控製電路,使電子開關器件不停地“接通”和“關斷”,讓電子開關器件對輸入電壓進行脈衝調製,從而實現DC/AC、DC/DC電壓變換,以及輸出電壓可調和自動穩壓。
開關電源一般有三種工作模式:頻率、脈衝寬度固定模式,頻率固定、脈衝寬度可變模式,頻率、脈衝寬度可變模式。前一種工作模式多用於DC/AC逆變電源,或DC/DC電壓變換;後兩種工作模式多用於開關穩壓電源。另外,開關電源輸出電壓也有三種工作方式:直接輸出電壓方式、平均值輸出電壓方式、幅值輸出電壓方式。同樣,前一種工作方式多用於DC/AC逆變電源,或DC/DC電壓變換;後兩種工作方式多用於開關穩壓電源。
根據開關器件在電路中連接的方式,目前比較廣泛使用的開關電源,大體上可分為:串聯式開關電源、並聯式開關電源、變壓器式開關電源等三大類。其中,變壓器式開關電源(後麵簡稱變壓器開關電源)還可以進一步分成:推挽式、半橋式、全橋式等多種;根據變壓器的激勵和輸出電壓的相位,又可以分成:正激式、反激式、單激式和雙激式等多種;如果從用途上來分,還可以分成更多種類。
下麵我們先對串聯式、並聯式、變壓器式等三種最基本的開關電源工作原理進行簡單介紹,其它種類的開關電源也將逐步進行詳細分析。
串聯式開關電源
串聯式開關電源的工作原理
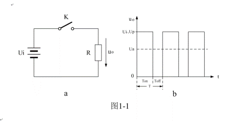
圖1-1-a是串聯式開關電源的最簡單工作原理圖,圖1-1-a中Ui是開關電源的工作電壓,即:直流輸入電壓;K是控製開關,R是負載。當控製開關K接通的時候,開關電源就向負載R輸出一個脈衝寬度為Ton,幅度為Ui的脈衝電壓Up;當控製開關K關斷的時候,又相當於開關電源向負載R輸出一個脈衝寬度為Toff,幅度為0的脈衝電壓。這樣,控製開關K不停地“接通”和“關斷”,在負載兩端就可以得到一個脈衝調製的輸出電壓uo 。
圖1-1-b是串聯式開關電源輸出電壓的波形,由圖中看出,控製開關K輸出電壓uo是一個脈衝調製方波,脈衝幅度Up等於輸入電壓Ui,脈衝寬度等於控製開關K的接通時間Ton,由此可求得串聯式開關電源輸出電壓uo的平均值Ua為:


式中Ton為控製開關K接通的時間,T為控製開關K的工作周期。改變控製開關K接通時間Ton與關斷時間Toff的比例,就可以改變輸出電壓uo的平均值Ua 。一般人們都把 稱為占空比(Duty),用D來表示,即:

或
串聯式開關電源輸出電壓uo的幅值Up等於輸入電壓Ui,其輸出電壓uo的平均值Ua總是小於輸入電壓Ui,因此,串聯式開關電源一般都是以平均值Ua為變量輸出電壓。所以,串聯式開關電源屬於降壓型開關電源。
串(chuan)聯(lian)式(shi)開(kai)關(guan)電(dian)源(yuan)也(ye)有(you)人(ren)稱(cheng)它(ta)為(wei)斬(zhan)波(bo)器(qi),由(you)於(yu)它(ta)工(gong)作(zuo)原(yuan)理(li)簡(jian)單(dan),工(gong)作(zuo)效(xiao)率(lv)很(hen)高(gao),因(yin)此(ci)其(qi)在(zai)輸(shu)出(chu)功(gong)率(lv)控(kong)製(zhi)方(fang)麵(mian)應(ying)用(yong)很(hen)廣(guang)。例(li)如(ru),電(dian)動(dong)摩(mo)托(tuo)車(che)速(su)度(du)控(kong)製(zhi)器(qi)以(yi)及(ji)燈(deng)光(guang)亮(liang)度(du)控(kong)製(zhi)器(qi)等(deng),都(dou)是(shi)屬(shu)於(yu)串(chuan)聯(lian)式(shi)開(kai)關(guan)電(dian)源(yuan)的(de)應(ying)用(yong)。如(ru)果(guo)串(chuan)聯(lian)式(shi)開(kai)關(guan)電(dian)源(yuan)隻(zhi)單(dan)純(chun)用(yong)於(yu)功(gong)率(lv)輸(shu)出(chu)控(kong)製(zhi),電(dian)壓(ya)輸(shu)出(chu)可(ke)以(yi)不(bu)用(yong)接(jie)整(zheng)流(liu)濾(lv)波(bo)電(dian)路(lu),而(er)直(zhi)接(jie)給(gei)負(fu)載(zai)提(ti)供(gong)功(gong)率(lv)輸(shu)出(chu);但如果用於穩壓輸出,則必須要經過整流濾波。
串聯式開關電源的缺點是輸入與輸出共用一個地,因此,容易產生EMI幹擾和底板帶電,當輸入電壓為市電整流輸出電壓的時候,容易引起觸電,對人身不安全。
幾種基本類型的開關電源
顧名思義,開關電源就是利用電子開關器件(如晶體管、場效應管、可控矽閘流管等),通過控製電路,使電子開關器件不停地“接通”和“關斷”,讓電子開關器件對輸入電壓進行脈衝調製,從而實現DC/AC、DC/DC電壓變換,以及輸出電壓可調和自動穩壓。
開關電源一般有三種工作模式:頻率、脈衝寬度固定模式,頻率固定、脈衝寬度可變模式,頻率、脈衝寬度可變模式。前一種工作模式多用於DC/AC逆變電源,或DC/DC電壓變換;後兩種工作模式多用於開關穩壓電源。另外,開關電源輸出電壓也有三種工作方式:直接輸出電壓方式、平均值輸出電壓方式、幅值輸出電壓方式。同樣,前一種工作方式多用於DC/AC逆變電源,或DC/DC電壓變換;後兩種工作方式多用於開關穩壓電源。
根據開關器件在電路中連接的方式,目前比較廣泛使用的開關電源,大體上可分為:串聯式開關電源、並聯式開關電源、變壓器式開關電源等三大類。其中,變壓器式開關電源(後麵簡稱變壓器開關電源)還可以進一步分成:推挽式、半橋式、全橋式等多種;根據變壓器的激勵和輸出電壓的相位,又可以分成:正激式、反激式、單激式和雙激式等多種;如果從用途上來分,還可以分成更多種類。
下麵我們先對串聯式、並聯式、變壓器式等三種最基本的開關電源工作原理進行簡單介紹,其它種類的開關電源也將逐步進行詳細分析。
串聯式開關電源
串聯式開關電源的工作原理
圖1-1-a是串聯式開關電源的最簡單工作原理圖,圖1-1-a中Ui是開關電源的工作電壓,即:直流輸入電壓;K是控製開關,R是負載。當控製開關K接通的時候,開關電源就向負載R輸出一個脈衝寬度為Ton,幅度為Ui的脈衝電壓Up;當控製開關K關斷的時候,又相當於開關電源向負載R輸出一個脈衝寬度為Toff,幅度為0的脈衝電壓。這樣,控製開關K不停地“接通”和“關斷”,在負載兩端就可以得到一個脈衝調製的輸出電壓uo 。
圖1-1-b是串聯式開關電源輸出電壓的波形,由圖中看出,控製開關K輸出電壓uo是一個脈衝調製方波,脈衝幅度Up等於輸入電壓Ui,脈衝寬度等於控製開關K的接通時間Ton,由此可求得串聯式開關電源輸出電壓uo的平均值Ua為:


式中Ton為控製開關K接通的時間,T為控製開關K的工作周期。改變控製開關K接通時間Ton與關斷時間Toff的比例,就可以改變輸出電壓uo的平均值Ua 。一般人們都把 稱為占空比(Duty),用D來表示,即:

或

串聯式開關電源輸出電壓uo的幅值Up等於輸入電壓Ui,其輸出電壓uo的平均值Ua總是小於輸入電壓Ui,因此,串聯式開關電源一般都是以平均值Ua為變量輸出電壓。所以,串聯式開關電源屬於降壓型開關電源。
串(chuan)聯(lian)式(shi)開(kai)關(guan)電(dian)源(yuan)也(ye)有(you)人(ren)稱(cheng)它(ta)為(wei)斬(zhan)波(bo)器(qi),由(you)於(yu)它(ta)工(gong)作(zuo)原(yuan)理(li)簡(jian)單(dan),工(gong)作(zuo)效(xiao)率(lv)很(hen)高(gao),因(yin)此(ci)其(qi)在(zai)輸(shu)出(chu)功(gong)率(lv)控(kong)製(zhi)方(fang)麵(mian)應(ying)用(yong)很(hen)廣(guang)。例(li)如(ru),電(dian)動(dong)摩(mo)托(tuo)車(che)速(su)度(du)控(kong)製(zhi)器(qi)以(yi)及(ji)燈(deng)光(guang)亮(liang)度(du)控(kong)製(zhi)器(qi)等(deng),都(dou)是(shi)屬(shu)於(yu)串(chuan)聯(lian)式(shi)開(kai)關(guan)電(dian)源(yuan)的(de)應(ying)用(yong)。如(ru)果(guo)串(chuan)聯(lian)式(shi)開(kai)關(guan)電(dian)源(yuan)隻(zhi)單(dan)純(chun)用(yong)於(yu)功(gong)率(lv)輸(shu)出(chu)控(kong)製(zhi),電(dian)壓(ya)輸(shu)出(chu)可(ke)以(yi)不(bu)用(yong)接(jie)整(zheng)流(liu)濾(lv)波(bo)電(dian)路(lu),而(er)直(zhi)接(jie)給(gei)負(fu)載(zai)提(ti)供(gong)功(gong)率(lv)輸(shu)出(chu);但如果用於穩壓輸出,則必須要經過整流濾波。
串聯式開關電源的缺點是輸入與輸出共用一個地,因此,容易產生EMI幹擾和底板帶電,當輸入電壓為市電整流輸出電壓的時候,容易引起觸電,對人身不安全。
特別推薦
- 噪聲中提取真值!瑞盟科技推出MSA2240電流檢測芯片賦能多元高端測量場景
- 10MHz高頻運行!氮矽科技發布集成驅動GaN芯片,助力電源能效再攀新高
- 失真度僅0.002%!力芯微推出超低內阻、超低失真4PST模擬開關
- 一“芯”雙電!聖邦微電子發布雙輸出電源芯片,簡化AFE與音頻設計
- 一機適配萬端:金升陽推出1200W可編程電源,賦能高端裝備製造
技術文章更多>>
- 邊緣AI的發展為更智能、更可持續的技術鋪平道路
- 每台智能體PC,都是AI時代的新入口
- IAR作為Qt Group獨立BU攜兩項重磅汽車電子應用開發方案首秀北京車展
- 構建具有網絡彈性的嵌入式係統:來自行業領袖的洞見
- 數字化的線性穩壓器
技術白皮書下載更多>>
- 車規與基於V2X的車輛協同主動避撞技術展望
- 數字隔離助力新能源汽車安全隔離的新挑戰
- 汽車模塊拋負載的解決方案
- 車用連接器的安全創新應用
- Melexis Actuators Business Unit
- Position / Current Sensors - Triaxis Hall
熱門搜索
Future
GFIVE
GPS
GPU
Harting
HDMI
HDMI連接器
HD監控
HID燈
I/O處理器
IC
IC插座
IDT
IGBT
in-cell
Intersil
IP監控
iWatt
Keithley
Kemet
Knowles
Lattice
LCD
LCD模組
LCR測試儀
lc振蕩器
Lecroy
LED
LED保護元件
LED背光




