用於有源電力濾波器的IGBT驅動及保護研究
發布時間:2008-10-02
中心論題:
- 有源電力濾波器的IGBT的特性。
- 用於有源電力濾波器的驅動電路的設計。
- IGBT及驅動電路的保護方法。
解決方案:
- 柵極的驅動電壓和電流要有足夠的寬度保證IGBT的完好。
- 柵-射極間並聯一電阻器防止器件誤導通。
- 在二極管與IGBT的集電極間反串一個穩壓管保護IGBT。
- IGBT的集電極通態飽和壓降與集電極電流呈近似線性關係實現自身過流保護。
前言
絕緣柵場效應晶體管(IGBT)作為一種複合型器件,集成了MOSFET的電壓驅動和高開關頻率及功率管低損耗、大功率的特點,在電機控製、開關電源、變流裝置及許多要求快速、低損耗的領域中有著廣泛的應用。本文對應用於有源電力濾波器的IGBT的特性及其專有EXB84l型驅動器的設計進行討論,並提出一種具有完善保護功能的驅動電路。
有源電力濾波器設計中應用4個IGBT作為開關,並用4個EXB84l組成驅動電路,其原理如圖l所示。在實驗中,根據補償電流與指令電流的關係,用數字信號處理器(DSP)控製PWM引腳的高低電平,並由驅動電路控製IGBT的通斷。驅動電路同時對過流故障進行監測,由DSP采取封鎖控製信號、停機等處理。

圖一:實驗電路的原理圖
驅動電路的設計
a 驅動電路電源
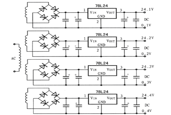
驅動電路需要4路相互隔離的直流電源為4路IGBT驅動電路供電,用220V/22V變壓器對4路交流電源分別整流,用電容器和78L24型電壓調整器穩壓後輸出4路24V直流電壓,如圖2所示。

圖二:驅動電路的電源設計
b 柵極電壓
IGBTtongchangcaiyongzhajidianyaqudong,taduizhajiqudongdianluyouzheteshudeyaoqiu。zhajiqudongdianyamaichongdeshangshenglvhexiajianglvyaozugouda,daotongshi,qianyanhendoudezhajidianyaUGE可以使IGBT快速導通,並減小導通損耗,關斷時,其柵極驅動電路要給IGBT提供一個下降很陡的關斷電壓,並在柵極和發射極之間施加一個適當的反向負偏壓,以便使IGBT快速關斷,並減小關斷損耗。IGBT導通後,柵極的驅動電壓和電流要有足夠的寬度,以保證IGBT在瞬時過載時未退出飽和區受到損壞。柵極驅動電壓推薦值為15 V±1.5 V,這個電壓值使IGBT完全飽和導通,並使通態損耗減至最小。施加關斷負偏壓可以抑製C-E間出現du/dt時IGBT的誤導通,也可以減少關斷損耗。
c 門極電阻R1
門極電阻R1的選取對通態電壓、開關時間、開關損耗及承受短路的能力都有不同程度的影響。當門極電阻增大時,IGBT的開通和關斷時間增加,從而使導通和關斷損耗增加。當門極電阻減小時,則會導致di/dt增加,從而引起IGBT的誤導通。所以應根據IGBT的電流容量和電壓額定值以及開關頻率的不同選擇R1的阻值。
Rl的值可以用下式計算:

IC為IGBT的集電極電流。如圖3所示,一般R1取十幾歐姆到幾十歐姆,R2為30 Ω。由於IGBT是壓控器件,當集-射極間加高壓時,很容易受外界幹擾,而使柵-射極間電壓超過一定值,引起器件誤導通,為了防止這種現象的發生,在柵-射極間並聯一電阻器R6可起到一定作用。一般R6阻值是R2阻值的l 000~5 000倍,而且應將它並聯在柵-射極最近處。電路中的電容器Cl和C2用來抑製因電源接線阻抗引起的供電電壓變化,而不是用於電源濾波。
d EXB841驅動環節
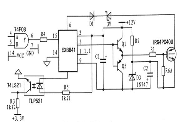
筆者在實驗中采用的是EXB841型專用IGBT驅動模塊,其最高運行頻率為40 kHz,輸入信號經內部光耦隔離,光隔驅動電流為10 mA,最大延時約為1 μs。工作溫度範圍為-10℃~+85℃,供電電壓為+20 V~+25 V。筆者對EXB841功能進行了擴展,圖3為驅動環節電路。

圖三:驅動環節的電路
EXB841的6引腳連接的二極管可檢測IGBT的飽和壓降,用來完成過流保護功能,4引腳的過流保護信號延時10μs輸出。當IGBT有過流時,若UCE大於7.5V,內部過流保護電路開始動作,軟關斷IG-BT。通常在IGBT通過額定電流時UCE為3.5 V,當UCE=7.5 V時,IGBT有過流,其值約為額定電流的3~5倍,但是由於沒有達到保護的閾值,保護電路不起作用。如果長時間工作在這種狀態,則會導致IGBT損壞。為了可靠地保護IGBT,應該降低過流保護閾值,可以在D1與IGBT的集電極間反串一個穩壓管,或多串幾個與D1同規格的快速恢複二極管。如圖3通過反串一個IN4728型3.3 V穩壓管使保護閾值降為4.2V。當檢測到IGBT過流後,5引腳變為低電平,TPL521型光耦輸出低電平,通過與門封鎖控製信號輸入,同時使4輸入與非門輸出低電平,觸發功率驅動保護中斷,完成相應的保護處理。
e 控製部分與驅動部分的隔離
控製電路為弱電部分,極易受到幹擾;驅動電路直接與外電路連接,是一個較強的幹擾源;為wei了le實shi現xian整zheng個ge設she備bei的de電dian磁ci兼jian容rong,控kong製zhi電dian路lu部bu分fen必bi須xu與yu驅qu動dong部bu分fen隔ge離li。為wei了le避bi免mian公gong共gong電dian源yuan對dui控kong製zhi電dian路lu產chan生sheng幹gan擾rao,應ying對dui控kong製zhi電dian路lu及ji驅qu動dong電dian路lu分fen別bie供gong電dian,EXB84l的電源電壓為+20 V,一般控製電路的供電電壓為5 V,因此,可以利用圖4所示的DC-DC微功率模塊進行電源隔離,采A2405D型微功率模塊實現電源的隔離。

圖四:DC-DC微功率模塊
IGBT及驅動電路的保護
a IGBT的過電壓保護
IGBT集-射極之間的瞬時過壓會對IGBT造成損壞,筆者采用箝位式吸收電路對瞬時過電壓進行抑製。當IGBT導通時,由於二極管的作用,電容器的電荷不會被放掉,電容器電壓仍為電源電壓。IGBT關斷時,負載電流仍流過IGBT,直到IGBT集-射極之間電壓達到電源電壓,續流二極管導通。應用該電路,可以使雜散電感中的能量通過二極管轉儲到吸收電容器中,而IGBT的集電極電位被箝位在電容電壓上,這樣就可以抑製IGBT集電極的尖峰電壓。吸收電容器的容值可以按公式(2)選取:

式中,L是引線電感;i是IGBT關斷時的電流;△U是吸收電容器上的電壓過衝。
當dang吸xi收shou回hui路lu中zhong的de電dian容rong器qi電dian壓ya高gao於yu直zhi流liu側ce電dian容rong器qi上shang的de電dian壓ya時shi,通tong過guo電dian阻zu器qi向xiang直zhi流liu側ce電dian容rong器qi回hui送song能neng量liang,一yi直zhi到dao與yu直zhi流liu側ce電dian容rong器qi的de電dian壓ya相xiang等deng。當dangIGBT關斷時,線路電感在集電極和發射極二端產生很高的尖峰電壓,加上箝位式吸收電路以後,UCE被箝位在電容器電壓上,當UCEgaoyudianrongqidianyashi,xianludiangandenengliangbeizhuanyidaoxishoudianrongqishang,dangjianfengdianyaguoquyihou,xishoudianronggaoyuzhudianrongdenabufendianyahuiyouyunenglianghuijinerdadaoyuzhudianrongxiangdeng。zheyangjiuyizhileji-射(she)極(ji)間(jian)的(de)尖(jian)峰(feng)電(dian)壓(ya)。吸(xi)收(shou)電(dian)容(rong)越(yue)大(da),吸(xi)收(shou)效(xiao)果(guo)越(yue)好(hao)。由(you)於(yu)吸(xi)收(shou)電(dian)容(rong)器(qi)上(shang)過(guo)衝(chong)的(de)能(neng)量(liang)大(da)部(bu)分(fen)被(bei)送(song)回(hui)到(dao)直(zhi)流(liu)側(ce)電(dian)容(rong),所(suo)以(yi)減(jian)小(xiao)了(le)電(dian)阻(zu)器(qi)的(de)功(gong)耗(hao)。
b 消除IGBT集-柵極之間的du/dt
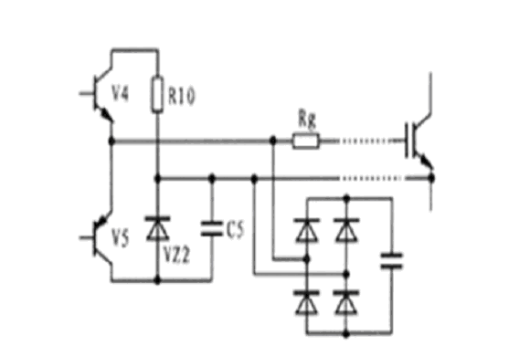
圖5所示為EXB841與IGBT柵-射極之間的連接電路原理圖。當驅動電路中的V4導通時,IGBT處於正常導通狀態,當V5導通時,IGBT柵-射極之間通過穩壓管VZ2提供一個-5V電壓加在其兩端,使IGBT關斷,此時V5處於臨界導通狀態,穩壓管VZ2處於反向偏置狀態。但由於集-柵極之間分布電容的影響,集-柵極之間的du/dt增大時,其通過分布電容形成的電流經過,所以,要克服集-柵極之間的du/dt,確保穩壓管不過壓,避免IGBT誤導通。克服du/dt的方法有二種:一是驅動電路輸出與IGBT柵-射極之間的連線采用雙絞屏蔽電纜,屏蔽層接地,二是采用快速吸收電路吸收過電壓。

圖五:EXB841與IGBT柵-極之間的連接電路原理
c EXB841的過流保護功能擴展
EXB841自身具有過流保護功能,其保護原理是利用IGBT的集電極通態飽和壓降與集電極電流呈近似線性關係。當IGBT工作在正常狀態時,EXB841的6腳電位箝製在8 V,內部保護不動作,當IGBT因承受過流而退出飽和狀態時,IGBT集-射極間的電壓上升很多,與EXB84l的6引腳相連的快速二極管截止,EXB841的6引腳被懸空,內部保護動作,輸出驅動電壓慢慢下降,實現IGBT的軟關斷。
在實際應用中,僅靠EXB841的6引腳檢測IG-BT集電極電壓來實現過流保護並不足以有效地保護IGBT,因此有必要在主電路中加接霍爾電流傳感器來檢測電路中的過流,如圖6所示。過流發生後,檢測電路檢測到電流,延時8μs後信號還存在的話。封鎖驅動信號以關斷IGBT。在圖中,霍爾電流傳感器如果在主電路中檢測到過流信號,其中的PNP三極管將導通,同時,NPN三極管被截止,EXB841的6腳被懸空;當沒有過流信號時,PNP三極管不導通,NPN三極管導通,此時電路等效於擴展前的電路。

圖六:過電流保護擴展
結束語
本設計應用以上電路對IGBT進jin行xing驅qu動dong和he保bao護hu。此ci驅qu動dong電dian路lu是shi在zai典dian型xing驅qu動dong電dian路lu的de基ji礎chu上shang進jin行xing改gai進jin和he完wan善shan的de,並bing且qie自zi行xing設she計ji了le隔ge離li部bu分fen和he過guo電dian流liu保bao護hu擴kuo展zhan部bu分fen。此ci驅qu動dong電dian路lu相xiang對dui簡jian單dan、實用,對被驅動的IGBT有完善的保護能力,輸出阻抗低,具有較強的抗幹擾性能。
應用這種IGBT模塊的有源濾波器的樣機通過試驗,證明硬件能夠協調配合,控製效果穩定、精確,並且已經批量製板。
特別推薦
- 噪聲中提取真值!瑞盟科技推出MSA2240電流檢測芯片賦能多元高端測量場景
- 10MHz高頻運行!氮矽科技發布集成驅動GaN芯片,助力電源能效再攀新高
- 失真度僅0.002%!力芯微推出超低內阻、超低失真4PST模擬開關
- 一“芯”雙電!聖邦微電子發布雙輸出電源芯片,簡化AFE與音頻設計
- 一機適配萬端:金升陽推出1200W可編程電源,賦能高端裝備製造
技術文章更多>>
- 貿澤EIT係列新一期,探索AI如何重塑日常科技與用戶體驗
- 算力爆發遇上電源革新,大聯大世平集團攜手晶豐明源線上研討會解鎖應用落地
- 創新不止,創芯不已:第六屆ICDIA創芯展8月南京盛大啟幕!
- AI時代,為什麼存儲基礎設施的可靠性決定數據中心的經濟效益
- 矽典微ONELAB開發係列:為毫米波算法開發者打造的全棧工具鏈
技術白皮書下載更多>>
- 車規與基於V2X的車輛協同主動避撞技術展望
- 數字隔離助力新能源汽車安全隔離的新挑戰
- 汽車模塊拋負載的解決方案
- 車用連接器的安全創新應用
- Melexis Actuators Business Unit
- Position / Current Sensors - Triaxis Hall
熱門搜索
Future
GFIVE
GPS
GPU
Harting
HDMI
HDMI連接器
HD監控
HID燈
I/O處理器
IC
IC插座
IDT
IGBT
in-cell
Intersil
IP監控
iWatt
Keithley
Kemet
Knowles
Lattice
LCD
LCD模組
LCR測試儀
lc振蕩器
Lecroy
LED
LED保護元件
LED背光



