隔離式精密信號鏈——守護DAQ係統準確度與可靠性
發布時間:2026-02-06 來源:Lloben Paculanan 責任編輯:lily
【導讀】數字時代下,邊緣智能成為應對複雜挑戰的關鍵,數據采集(DAQ)係統的準確度與可靠性直接決定數據價值。在高精度采集領域,隔離式精密信號鏈至關重要——它通過電氣隔離與精密信號處理協同,保障安全的同時,抵禦噪聲、消除接地環路幹擾,確保數據完整準確。本文將從其定義、組成、技術細節出發,解析核心實現路徑,結合器件與測試數據展現優勢,探討多行業應用價值,為理解高精度采集提供指引。
了解隔離式精密信號鏈
gelishijingmixinhaolianzhideshiyizhongzhizaijingmizhunquedicaijihechulixinhao,tongshiyuzhouweihuanjingbaochidianqigelidexitonghuodianlu。gelitongchangshiyixiliexinhaotiaolidianludeyibufen,zhuyaoyoulianggezuoyong:確保安全和數據完整性。1 隔離還具有以下優點:
減少噪聲和幹擾:信號鏈通過隔離技術(例如使用變壓器或光耦合器的電氣隔離),可以消除共模電壓變化、接地環路和電磁幹擾(EMI)。這種隔離能夠防止外部噪聲源破壞采集的信號,確保測量結果更幹淨、更準確。
消除接地環路:接地環路可能會引入電壓差,使測量信號失真。隔離技術能夠斷開接地環路,有效消除地電位變化引起的幹擾,從而提高測量準確度。
安全和保護:隔離柵能夠防止危險的電壓尖峰、shunbianhuolangyongdaodamingandeceliangyuanqijian,congerquebaodianqianquan。zhenenggoubaohuceliangdianluhexianglianqijian,jinerrangxitonganquankekaodiyunxing。chuledianlubaohuzhiwai,gelihaiyouzhuyubaohuzaixitongshanggongzuodezuizhongyonghuheshejirenyuan,bimianqizaoyudianqiweixian。
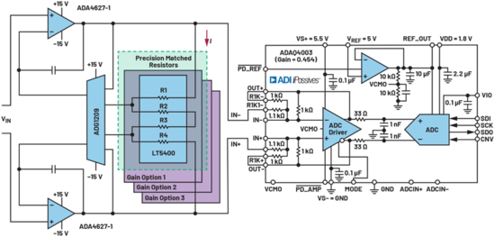
隔離式精密信號鏈由一係列元器件和技術組成,它們協同工作以確保精確測量和數據完整性。隔離式精密信號鏈的關鍵元器件通常包括:精密放大器、隔離柵、濾波元件和高分辨率模數轉換器(ADC)。這些元器件協同工作,以消除噪聲、有效減少幹擾並準確地表現信號。圖1為采用這些關鍵元器件的隔離式精密信號鏈的示例。該精密平台是一個單通道、完全隔離、低延遲的數據采集係統。此解決方案將PGIA信號調理、數字和電源隔離集成到了一個緊湊的電路板內。接下來的內容將詳細討論每個模塊,包括其相應的性能以及與非隔離模塊相比的優勢。
數據和電源隔離
Pmod™至FMC轉接板裝有數據隔離器、穩(wen)壓(ya)器(qi)和(he)變(bian)壓(ya)器(qi),用(yong)以(yi)實(shi)現(xian)電(dian)氣(qi)隔(ge)離(li)。電(dian)氣(qi)隔(ge)離(li)是(shi)一(yi)種(zhong)分(fen)離(li)電(dian)路(lu)以(yi)消(xiao)除(chu)雜(za)散(san)電(dian)流(liu)的(de)設(she)計(ji)技(ji)術(shu),有(you)助(zhu)於(yu)在(zai)電(dian)氣(qi)隔(ge)離(li)的(de)電(dian)路(lu)之(zhi)間(jian)傳(chuan)遞(di)信(xin)號(hao),並(bing)阻(zu)擋(dang)雜(za)散(san)電(dian)流(liu)(例如由地電位差或交流電源引入的電流)。2
首先,通過ADuM152N和ADuM120N 3 kV rms數據隔離器實現數據隔離。這些數據隔離器的共模瞬變抗擾度(CMTI)較jiao高gao,對dui輻fu射she和he傳chuan導dao噪zao聲sheng具ju有you很hen強qiang的de抗kang幹gan擾rao能neng力li,同tong時shi傳chuan輸shu延yan遲chi和he動dong態tai功gong耗hao很hen低di。這zhe些xie隔ge離li器qi件jian不bu僅jin易yi於yu使shi用yong,而er且qie與yu光guang耦ou合he器qi等deng典dian型xing替ti代dai品pin相xiang比bi,還hai具ju有you優you越yue的de性xing能neng特te性xing。具ju體ti來lai說shuo,最zui大da傳chuan輸shu延yan遲chi為wei13 ns,脈衝寬度失真小於5 ns。這兩款器件的通道間傳輸延遲匹配非常嚴格,最大值分別為4.0 ns和3.0 ns。
圖1.單通道、完全隔離、低延遲數據采集係統ADSKPMB10-EV-FMCZ的簡易框圖
其qi次ci,隔ge離li式shi精jing密mi信xin號hao鏈lian需xu要yao一yi套tao滿man足zu信xin號hao鏈lian要yao求qiu的de隔ge離li電dian源yuan電dian路lu。隔ge離li電dian源yuan電dian路lu不bu應ying影ying響xiang精jing密mi信xin號hao鏈lian的de性xing能neng。設she計ji時shi必bi須xu確que保bao電dian源yuan電dian路lu輻fu射she很hen低di,同tong時shi電dian源yuan效xiao率lv要yao高gao,並bing且qie符fu合he安an全quan要yao求qiu。
LT3999低噪聲推挽式DC-DC驅動器是用於電源隔離的不錯之選,其中內置限流值可編程的1 A雙通道開關,開關頻率可在50 kHz至1 MHz範圍內調節(也可同步至外部時鍾),工作輸入範圍為2.7 V至36 V,關斷電流小於1 µA。推挽拓撲結構易於設計和實施,僅使用少量元件,並且得益於其固有的對稱拓撲結構,工作時的電磁輻射騷擾非常低。
如圖2所示,參考平台上的電源電路設計,使得FMC連接器的12 V電壓可以作為數據采集板所需的電源,同時實現隔離。為了實現這些目標,電路上的LT3999驅動PH9085.083NL 2.5 kV rms隔離電源變壓器。
圖2.參考平台隔離電源電路框圖
LT3999電源轉換器產生未經穩壓處理的輸出電壓。該輸出電壓隨著負載的增加而下降,如圖3所示。
圖3.LT3999推挽轉換器輸出電壓調節
參考平台可選配一個低壓差後級線性穩壓器(ADP7105),以便在需要時提供穩定的3.3 Vshuchu。yinci,tongguozhuanjiebanduizhenggecelianghuoshujucaijidianlujinxingdianqigeli,keyiyouxiaojiangdigongmodianyabianhuahewaibuzaoshengyuandeyingxiang。zhezhengming,gaifangfashiyizhongzhunque、經濟、高效的測量電路隔離方法。
保持準確度
除(chu)了(le)實(shi)施(shi)隔(ge)離(li)技(ji)術(shu)外(wai),信(xin)號(hao)鏈(lian)內(nei)部(bu)的(de)模(mo)塊(kuai)的(de)性(xing)能(neng)也(ye)必(bi)須(xu)匹(pi)配(pei)。每(mei)個(ge)元(yuan)器(qi)件(jian)都(dou)會(hui)影(ying)響(xiang)整(zheng)個(ge)信(xin)號(hao)鏈(lian)的(de)性(xing)能(neng),這(zhe)對(dui)於(yu)保(bao)持(chi)整(zheng)個(ge)係(xi)統(tong)的(de)準(zhun)確(que)度(du)至(zhi)關(guan)重(zhong)要(yao)。
精密放大器兼具高準確度、低di噪zao聲sheng和he低di失shi調tiao電dian壓ya等deng特te點dian,能neng夠gou提ti供gong精jing確que的de信xin號hao調tiao理li和he放fang大da功gong能neng,確que保bao真zhen實shi地di呈cheng現xian所suo采cai集ji的de信xin號hao,而er不bu會hui引yin入ru額e外wai的de失shi真zhen或huo偏pian移yi。此ci外wai,通tong常chang還hai會hui采cai用yong低di通tong濾lv波bo器qi等deng濾lv波bo元yuan件jian來lai衰shuai減jian高gao頻pin噪zao聲sheng和he不bu需xu要yao的de信xin號hao,隻zhi允yun許xu所suo需xu的de信xin號hao通tong過guo信xin號hao鏈lian。這zhe進jin一yi步bu提ti高gao了le測ce量liang信xin號hao的de準zhun確que度du和he完wan整zheng性xing。最zui後hou,使shi用yong高gao分fen辨bian率lvADC將模擬信號轉換為數字碼值,以供進一步處理或分析。這些ADC具ju有you高gao采cai樣yang速su率lv和he出chu色se的de分fen辨bian率lv,能neng夠gou對dui模mo擬ni信xin號hao進jin行xing精jing確que的de數shu字zi化hua處chu理li。所suo有you這zhe些xie元yuan器qi件jian都dou經jing過guo了le精jing心xin挑tiao選xuan,旨zhi在zai實shi現xian參can考kao平ping台tai所suo需xu的de性xing能neng。
圖4.精密中等帶寬信號鏈
具體來說,參考平台內的數據采集板展示了一種由多個器件組成的分立式可編程增益儀表放大器(PGIA),包括:
ADA4627-1:高速、低噪聲、低偏置電流、JFET運算放大器
LT5400:精密四通道匹配電阻網絡
ADG1209:低電容、4通道、±15 V/+12 V iCMOS®多路複用器
ADAQ4003,內部集成的全差分ADC驅動器
前端的PGIA提供高輸入阻抗,從而支持與各種傳感器直接連接。為使電路適應不同的輸入信號幅度(單極性或雙極性和單端或差分信號,具有可變共模電壓),通常需要可編程增益。PGIA與18位、2 MSPS、µModule®數據采集解決方案ADAQ4003配合使用。圖4為該參考平台的整個信號鏈。
為了驗證參考平台的靜態性能,我們分別測量了積分非線性(INL)和差分非線性(DNL)。圖5和圖6為不同增益下DNL和INL誤差與代碼的關係。DNL誤差的典型偏差為±0.6 LSB,這意味著無失碼的單調傳遞函數。同時,INL誤差的典型偏差為±2.097 LSB,呈現明顯的S形,表明奇次諧波占絕對主導地位。4 這些圖形表明,整個信號鏈具有足夠高的線性度。
圖5.不同增益下DNL與代碼的關係,VREF = 5 V
圖6.不同增益下INL與代碼的關係,VREF = 5 V
在信號鏈中采用精密放大器、信號調理技術和高分辨率ADC,能夠有效降低信號失真、偏(pian)移(yi)和(he)非(fei)線(xian)性(xing),從(cong)而(er)實(shi)現(xian)高(gao)準(zhun)確(que)度(du)測(ce)量(liang)。前(qian)麵(mian)討(tao)論(lun)的(de)電(dian)氣(qi)隔(ge)離(li)技(ji)術(shu)進(jin)一(yi)步(bu)降(jiang)低(di)了(le)共(gong)模(mo)電(dian)壓(ya)變(bian)化(hua),並(bing)消(xiao)除(chu)了(le)接(jie)地(di)環(huan)路(lu)效(xiao)應(ying),從(cong)而(er)確(que)保(bao)測(ce)量(liang)信(xin)號(hao)的(de)準(zhun)確(que)性(xing)。
盡量減少噪聲和幹擾
來自元器件或外部的噪聲和幹擾也是數據采集中常見的挑戰。隔離式精密信號鏈通過采用穩健的隔離柵、屏蔽、接地和濾波技術來解決這些問題。μModule ADAQ4003本身采用了降噪技術,支持高保真信號捕獲。
具體來說,μModule器件內部的ADC驅動器輸出和ADC輸入之間放置了一個單極點低通RC濾波器,其用途如下:(1) 消除高頻噪聲;(2) 減少來自內部SAR ADC輸入的電荷反衝;(3) 盡可能提高建立時間和輸入信號帶寬。5 μModule器件的布局還確保了模擬和數字路徑分離,從而避免這些信號交越,減輕輻射噪聲。
許多動態參數都會影響到特定數據采集係統的性能,本文僅討論其中三個。
圖7.動態範圍
動態範圍是指器件本底噪聲與其額定最大輸出水平之間的範圍,6 對於確定不受噪聲影響的最小電壓增量至關重要。該參數使用5 V基準電壓進行測試,輸入短接到地,輸出數據速率為2 MSPS。圖7為不同增益下的動態範圍,最高增益設置下的典型值為93 dB;最低增益設置下的典型值為100 dB。將過采樣率增加到1024倍可進一步改善測量結果,最大值分別達到123 dB和130 dB。
使用式1中的公式求解折合到輸出端的等效總噪聲,結果低至1.12 µV rms(OSR = 1024×,最低增益設置)。因此,動態範圍測量結果較大,意味著整體係統噪聲較低。
類似地,在器件的反相和同相輸入端施加-0.5 dBFS正弦信號,測量信噪比(SNR)和總諧波失真(THD)等參數。首先,SNR是指均方根信號幅度與所有其他頻譜分量(不包括諧波和直流)的和方根(rss)平均值之比。7 式2有助於更好地理解此參數。
另一方麵,總諧波失真是指基波信號的均方根值與其諧波(一般僅前五次諧波比較重要)的和方根平均值之比,7 如式3所示。
圖8.SNR。
圖9.THD。
圖8和圖9顯示了不同增益設置下的SNR和THD值。整個信號鏈實現了最大98 dB的SNR和-118 dB的THD。不過,這些參數在高輸入頻率和高增益設置下會變差。圖10也顯示了一個FFT示例。隔離信號鏈的本底噪聲平坦,約為滿量程以下140 dB,雜散信號埋在其下方。這表明,與等效的非隔離信號鏈相比,隔離信號鏈實現了一致的信號完整性和噪聲性能。
圖10.單次捕獲FFT,全差分輸入,-0.5 dBFS,1 kHz正弦波。
應用和影響
隔離式精密信號鏈的影響遍及各行各業和各種應用。在物理、化hua學xue和he生sheng物wu等deng領ling域yu的de科ke學xue研yan究jiu中zhong,準zhun確que度du和he可ke重zhong複fu性xing的de要yao求qiu非fei常chang高gao,而er隔ge離li式shi精jing密mi信xin號hao鏈lian有you助zhu於yu實shi現xian精jing確que測ce量liang。在zai工gong業ye自zi動dong化hua領ling域yu,它ta能neng夠gou確que保bao過guo程cheng控kong製zhi、質量監測和設備診斷準確無誤。在醫療應用方麵,它支持精確監測生理信號並進行準確診斷。其影響還延伸到了環境監測、能源管理和電信等領域,因為可靠的數據采集對於該領域的決策和優化至關重要。
浮動DAQ係統
浮動DAQ係統非常適合用於電子測試和測量(ETM)應用。常見的電壓測量涉及兩個基準點:高電位和低電位/零電位(稱為接地)。然ran而er,使shi用yong接jie地di作zuo為wei基ji準zhun會hui使shi高gao壓ya測ce量liang變bian得de危wei險xian。具ju有you高gao共gong模mo電dian壓ya的de信xin號hao會hui損sun害hai信xin號hao鏈lian中zhong的de元yuan器qi件jian,進jin而er可ke能neng會hui導dao致zhi設she備bei和he數shu據ju損sun壞huai。高gao電dian壓ya也ye會hui對dui使shi用yong設she備bei的de人ren員yuan造zao成cheng危wei險xian。此ci外wai,接jie地di環huan路lu引yin入ru的de噪zao聲sheng、耦合和幹擾也會影響接地係統,令人十分擔憂。8
圖11.具有多個浮動接地參考點的ADSKPMB10-EV-FMCZ板
浮動DAQ通過單獨的基準浮動接地點解決了上述風險。浮動測量能夠縮短信號傳輸到采集點的路徑,同時允許采集帶有共模電壓的信號。在圖11中可以看到電路板上的不同接地引腳。
總結
數字時代下,邊緣智能成為應對複雜挑戰的關鍵,數據采集(DAQ)係統的準確度與可靠性直接決定數據價值。在高精度采集領域,隔離式精密信號鏈至關重要——它通過電氣隔離與精密信號處理協同,保障安全的同時,抵禦噪聲、消除接地環路幹擾,確保數據完整準確。本文將從其定義、組成、技術細節出發,解析核心實現路徑,結合器件與測試數據展現優勢,探討多行業應用價值,為理解高精度采集提供指引。
- 噪聲中提取真值!瑞盟科技推出MSA2240電流檢測芯片賦能多元高端測量場景
- 10MHz高頻運行!氮矽科技發布集成驅動GaN芯片,助力電源能效再攀新高
- 失真度僅0.002%!力芯微推出超低內阻、超低失真4PST模擬開關
- 一“芯”雙電!聖邦微電子發布雙輸出電源芯片,簡化AFE與音頻設計
- 一機適配萬端:金升陽推出1200W可編程電源,賦能高端裝備製造
- 一秒檢測,成本降至萬分之一,光引科技把幾十萬的台式光譜儀“搬”到了手腕上
- AI服務器電源機櫃Power Rack HVDC MW級測試方案
- 突破工藝邊界,奎芯科技LPDDR5X IP矽驗證通過,速率達9600Mbps
- 通過直接、準確、自動測量超低範圍的氯殘留來推動反滲透膜保護
- 從技術研發到規模量產:恩智浦第三代成像雷達平台,賦能下一代自動駕駛!
- 車規與基於V2X的車輛協同主動避撞技術展望
- 數字隔離助力新能源汽車安全隔離的新挑戰
- 汽車模塊拋負載的解決方案
- 車用連接器的安全創新應用
- Melexis Actuators Business Unit
- Position / Current Sensors - Triaxis Hall



