LED驅動器中I2C的LED控製方式
發布時間:2023-06-08 責任編輯:lina
【導讀】在電源設計上我們用得多的場合是,從一個穩定的“高”電壓得到一個穩定的“低”電壓。這也就是經常說的DC/DC,其中用得多的電源穩壓芯片有兩種,一種叫LDO(低壓差線性穩壓器,我們後麵說的線性穩壓電源,也是指它),另一種叫PWM(脈寬調製開關電源,我們在本文也稱它開關電源)。我們常常聽到PWM的效率高,但是LDO的響應快,這是為什麼呢?別著急,先讓我們看看它們的原理。
電源是整個電路板中重要的一塊了,電源不穩定,其他啥都別談。
在電源設計上我們用得多的場合是,從一個穩定的“高”電壓得到一個穩定的“低”電壓。這也就是經常說的DC/DC,其中用得多的電源穩壓芯片有兩種,一種叫LDO(低壓差線性穩壓器,我們後麵說的線性穩壓電源,也是指它),另一種叫PWM(脈寬調製開關電源,我們在本文也稱它開關電源)。我們常常聽到PWM的效率高,但是LDO的響應快,這是為什麼呢?別著急,先讓我們看看它們的原理。
下麵會涉及一些理論知識,但是依然非常淺顯易懂,如果你不懂,嘿嘿,得檢查一下自己的基礎了。
1、線性穩壓電源的工作原理
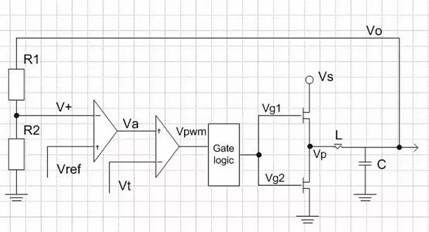
2、開關電源的工作原理
如上圖,為了從高電壓Vs得到Vo,開關電源采用了用一定占空比的方波Vg1,Vg2推動上下MOS管,Vg1和Vg2是反相的,Vg1為高,Vg2為低;上MOS管打開時,下MOS管關閉;下MOS管打開時,上MOS管關閉。由此在L左端形成了一定占空比的方波電壓,電感L和電容C我們可以看作是低通濾波器,因此方波電壓經過濾波後就得到了濾波後的穩定電壓Vo。Vo經過R1、R2分壓後送入個放大器(誤差放大器)的負端V+,誤差放大器的輸出Va做為第二個放大器(PWM放大器)的正端,PWM放大器的輸出Vpwm是一個有一定占空比的方波,經過門邏輯電路處理得到兩個反相的方波Vg1、Vg2來控製MOSFET的開關。
誤差放大器的正端Vref是一恒定的電壓,而PWM放大器的負端Vt是一個三角波信號,一旦Va比三角波大時,Vpwm為高;Va比三角波小時,Vpwm為低,因此Va與三角波的關係,決定了方波信號Vpwm的占空比;Va高,占空比就低,Va低,占空比就高。經過處理,Vg1與Vpwm同相,Vg2與Vpwm反相;終L左端的方波電壓Vp與Vg1相同。如下圖
當Vo上升時,V+將上升,Va下降,Vpwm占空比下降,經過們邏輯之後,Vg1的占空比下降,Vg2的占空比上升,Vp占空比下降,這又導致Vo降低,於是Vo的上升將被抑製。反之亦然。
3、對比線性穩壓電源和開關電源
懂得了線性穩壓電源和開關電源的工作原理之後,我們就可以明白為什麼線性穩壓電源有較小的噪聲,較快的瞬態響應,但是效率差;而開關電源噪聲較大,瞬態響應較慢,但效率高了。
線性穩壓電源內部結構簡單,反饋環路短,因此噪聲小,而且瞬態響應快(當輸出電壓變化時,補償快)。但是因為輸入和輸出的壓差全部落在了MOSFET上,所以它的效率低。因此,線性穩壓一般用在小電流,對電壓精度要求高的應用上。
而er開kai關guan電dian源yuan,內nei部bu結jie構gou複fu雜za,影ying響xiang輸shu出chu電dian壓ya噪zao聲sheng性xing能neng的de因yin數shu很hen多duo,且qie其qi反fan饋kui環huan路lu長chang,因yin此ci其qi噪zao聲sheng性xing能neng低di於yu線xian性xing穩wen壓ya電dian源yuan,且qie瞬shun態tai響xiang應ying慢man。但dan是shi根gen據ju開kai關guan電dian源yuan的de結jie構gou,MOSFET處於完全開和完全關兩種狀態,除了驅動MOSFET,和MOSFET自己內阻消耗的能量之外,其他能量被全部用在了輸出(理論上L、C是不耗能量的,盡管實際並非如此,但這些消耗的能量很小)。
免責聲明:本文為轉載文章,轉載此文目的在於傳遞更多信息,版權歸原作者所有。本文所用視頻、圖片、文字如涉及作品版權問題,請聯係小編進行處理。
推薦閱讀:
汽車LiDAR GaN的Design Win——高效功率轉換引領市場
- 噪聲中提取真值!瑞盟科技推出MSA2240電流檢測芯片賦能多元高端測量場景
- 10MHz高頻運行!氮矽科技發布集成驅動GaN芯片,助力電源能效再攀新高
- 失真度僅0.002%!力芯微推出超低內阻、超低失真4PST模擬開關
- 一“芯”雙電!聖邦微電子發布雙輸出電源芯片,簡化AFE與音頻設計
- 一機適配萬端:金升陽推出1200W可編程電源,賦能高端裝備製造
- 築基AI4S:摩爾線程全功能GPU加速中國生命科學自主生態
- 一秒檢測,成本降至萬分之一,光引科技把幾十萬的台式光譜儀“搬”到了手腕上
- AI服務器電源機櫃Power Rack HVDC MW級測試方案
- 突破工藝邊界,奎芯科技LPDDR5X IP矽驗證通過,速率達9600Mbps
- 通過直接、準確、自動測量超低範圍的氯殘留來推動反滲透膜保護
- 車規與基於V2X的車輛協同主動避撞技術展望
- 數字隔離助力新能源汽車安全隔離的新挑戰
- 汽車模塊拋負載的解決方案
- 車用連接器的安全創新應用
- Melexis Actuators Business Unit
- Position / Current Sensors - Triaxis Hall



