淺析電力變壓器自動降溫電氣控製線路圖
發布時間:2023-01-26 責任編輯:lina
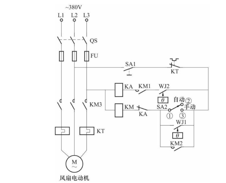
【導讀】電力變壓器在夏季連續運行,當其自身溫度超過65℃shi,zidongkongzhifengshandiandongjiqidonggongzuoweidianlibianyaqijinxingjiangwen,bimiandianlibianyaqiguoreershaohuai。xianyinggenjutuzhongdetuxingfuhaogaoqingtuzhongshiyonglenaxieyuanqijian,juyouchudiandejidianqihejiaoliujiechuqi,haiyingzaixifenqinggezidechudianjiqizhuangtai(動合還是動斷)。
電力變壓器在夏季連續運行,當其自身溫度超過65℃shi,zidongkongzhifengshandiandongjiqidonggongzuoweidianlibianyaqijinxingjiangwen,bimiandianlibianyaqiguoreershaohuai。xianyinggenjutuzhongdetuxingfuhaogaoqingtuzhongshiyonglenaxieyuanqijian,juyouchudiandejidianqihejiaoliujiechuqi,haiyingzaixifenqinggezidechudianjiqizhuangtai(動合還是動斷)。

在圖中,SA1為起動開關。WJ1與WJ2為電接點溫度計,WJ1為電接點溫度計的上限觸點,WJ2為下限觸點。KA為繼電器線圈,其有一組動斷觸點。KM為交流接觸器線圈,其有多組動合觸點KM1、KM2、KM3。SA2為自動與手動轉換開關。KT為熱繼電器。
一、手動狀態
當功能開關SA2的①與③觸點間接通時,電路處於手動控製風扇電動機狀態。此時,按下SA1自鎖按鈕,就會使KM線圈得電吸合,其動合觸點KM2閉合自鎖,KM3動合觸點閉合,就會使風扇電動機的電工作,對電力變壓器進行冷卻。
二、自動狀態
當功能開關SA2的①與②觸點間接通時,電路處於自動控製風扇電動機狀態。
1.風扇起動
當變壓器運行,其溫度上升到上限值時,WJ1溫度計的上限觸點閉合,使KM交流接觸器線圈得電吸合,其KM1、KM2、KM3動合觸點均閉合,從而使風扇起動工作,為電力變壓器降溫。
2.風扇停止
當風扇起動工作為電力變壓器進行降溫,一旦變壓器的溫度下降到下限值時,WJ2下限觸點閉合,進而使KA線圈得電吸合,使其動斷觸點斷開,從而切斷了KM線圈的供電使其斷電釋放,其KM1~KM3觸點均斷開,從而使風扇電動機停止工作。一旦變壓器溫度又上升到上限值時,重複上述動作,電路周而複始地進行工作。
免責聲明:本文為轉載文章,轉載此文目的在於傳遞更多信息,版權歸原作者所有。本文所用視頻、圖片、文字如涉及作品版權問題,請聯係小編進行處理。
推薦閱讀:
- 噪聲中提取真值!瑞盟科技推出MSA2240電流檢測芯片賦能多元高端測量場景
- 10MHz高頻運行!氮矽科技發布集成驅動GaN芯片,助力電源能效再攀新高
- 失真度僅0.002%!力芯微推出超低內阻、超低失真4PST模擬開關
- 一“芯”雙電!聖邦微電子發布雙輸出電源芯片,簡化AFE與音頻設計
- 一機適配萬端:金升陽推出1200W可編程電源,賦能高端裝備製造
- 一秒檢測,成本降至萬分之一,光引科技把幾十萬的台式光譜儀“搬”到了手腕上
- AI服務器電源機櫃Power Rack HVDC MW級測試方案
- 突破工藝邊界,奎芯科技LPDDR5X IP矽驗證通過,速率達9600Mbps
- 通過直接、準確、自動測量超低範圍的氯殘留來推動反滲透膜保護
- 從技術研發到規模量產:恩智浦第三代成像雷達平台,賦能下一代自動駕駛!
- 車規與基於V2X的車輛協同主動避撞技術展望
- 數字隔離助力新能源汽車安全隔離的新挑戰
- 汽車模塊拋負載的解決方案
- 車用連接器的安全創新應用
- Melexis Actuators Business Unit
- Position / Current Sensors - Triaxis Hall





