小夥伴們都驚呆了!LED背光驅動小竅門
發布時間:2014-02-14 責任編輯:mikeliu
【導讀】由於具有良好的節能減碳效果,發光二極管(LED)現在已經成為了照明的一個趨勢,成為了一中廣泛的光源。而現代的液晶屏幕,也多選擇LED作為背光。那麼LED背光驅動的小竅門,小夥伴們知道嗎?
對於講究節能減碳的這個時代而言,發光二極管(Light-Emitting Diode,LED)已經是廣為使用的一種光源,因為其具有相當優良的發光效率以及精巧的組件體積,且LED的電光轉換效率相當的好,高於日光燈、冷陰極管(CCFL)或是燈泡等,所以當前之趨勢為以LED來取代上述這些發光源。舉例來說,現代的液晶屏幕(LCD panel),大都以LED來取代以往的CCFL來當作背光,LED幾乎已經取代CCFL,成液晶麵板(LCD panel)的背光光源。
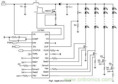
通嘉推出背光驅動IC——LD7890主要為升壓拓撲架構,可驅動4 Channel LED light bar, 10V MOSFETDRV輸出電壓,高轉換效率,外置4 Channel電流平衡驅動,恒電流LED。9V ~ 28V的寬輸入電壓範圍,能配合各種電源以驅動LED產生均勻亮度,外置4 Channel的電流平衡驅動,應用時不受限於LED light bar之驅動電流或電壓,僅需選用對應之外置組件即可。

LD7890內建創新專利技術的機製,可以滿足如下係統商的規格
(1)對於係統要求的IC Thermal問題,使IC Package溫度能低於客戶的規範。
(2)可彈性應用於4 Channel LED light bar含以下之驅動,對於4 Channel LED light bar以上之應用亦提供並聯之功能。
(3)LED Short Protection Threshold可調,具彈性僅需使用電阻不受控製器製程限製。
(4)單CH Fault偵測,可作單CH LED Open/Short保護,其它CH維持動作,使用具彈性。

LD7890聚焦在較大尺寸的LED TV,可提供LED短路與開路的保護機製,以及LED誤動作訊號偵測的輸出保護訊號,使係統能判斷LED light bar的使用狀況。
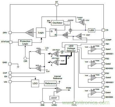
以LED當作LCD麵板的背光光源時,因為LCD麵板的麵積相當的大,所以需要非常多顆的LED,而這些LED往往連接成數串,每串LED由一個可控製的電流源來驅動。譬如說,流經每串LED電流都控製成一樣,使每顆LED的發光亮度相同。隻要把每顆LED所發出的光線給予適當的傳導,LCD麵板就得以獲得大致均勻的背光亮度。在所有LED當中,不論是哪一顆LED短路或是開路,都會影響到LCD麵板的亮度均勻度。因此,LD7890具備一個良好的LED串驅動電路,和適當的保護偵測電路,偵測LED是否短路或是開路,進行相對應的防護措施。
簡易設定LED短路保護功能
LED因接線間連結接觸不良或是LED質量不良,LED串發生短路;當LED短路發生時,多餘電壓會跨在LED Driver的外部穩流NMOS上;PD=ILEDx VLED-Short。當LED Short顆數過多時,LED Driver及NMOS會有高溫的現象發生。LD7890優點在僅需使用外部電阻即可設定,在LED串發生短路時,如滿足VD–ISP×RSP > VLEDSP的條件下,STATUS Pin將會Pull low和將短路LED串關閉。如發生LED串頭尾短路狀況,僅需考慮短路時的能量,以選擇適合電阻瓦數,計算方式參考區塊說明.

簡易設定LED開路保護功能
LED因本身質量不良或LED串連接係統間連接不良發生開路現象時,VD電壓會接近0V,此時Boost升壓轉換器會因無偵測到回授信號進而將輸出電壓Vout提高,如未有LED開路保護將異常回路從升壓轉換器回授控製中隔離,則多餘電壓會跨於正常工作之LED Driver的外部穩流NMOS上;PD=ILED× VD。將會造成組件過熱的問題發生。
LD7890任一LED串發生開路時,Boost升壓轉換器因無偵測到回授信號進而將輸出電壓Vout提高,直到OVP Pin到達2.5V,IC偵測VSENSE Pin如低於0.2V,表示此LED串有異常狀況,LED Driver將會關閉故障的LED串並將STATUS Pin Pull Low。
VOUT短路保護功能說明
在LED串驅動電路剛剛接上電源時,很可能因為驅動電源還沒有備妥,而導致LED串驅動電路認定LED串都無法驅動,因而誤判LED串開路或短路之事件。這也是應該預防的。LD7890提供VOUT短路保護,當VSCP< SCPSET時LD7890會將LED Driver與PWM Controller關閉避免整個係統發生無法挽回的損害。

簡易使用多顆Chip並聯應用
LED Backlight在不同的應用或設計上LED串的串數需求沒有固定,依據Panel模塊廠的規格是有許多種的組合,而LD7890 在使用上具有彈性,在使用上可並連串數的大於4串或更多,應用LD7890 PARL Pin可連接多顆LD7890 IC,PARL Pin具有並聯多顆LD7890 IC時選擇最佳回授電位,供給升壓拓樸正確的回授電位,PARL Pin具有當LED串發生短路與開路時正確的保護機製而不會發生誤動作。
結論
LED取代CCFL當其背光源應用於筆記本電腦、桌上型顯示器、電視等10吋以上大尺寸麵板,其LED背光源模塊之Backlight Driver IC ( Power Topology + LED Current Balance) 保護功能整合就顯得格外的重要,綜觀上文之敘述,針對拓樸之輸入、輸出與LED Backlight提供一完整且全麵的保護,且其為一將Boost架構與Current Balance 高度整合之LED解決方案,針對各串LED電流提供高精度之電流平衡度(<3%),高LED電流之驅動能力,對於3D的應用亦提供瞬間高電流之LED驅動能力。就其全麵的失效保護功能又兼顧高LED驅動電流能力與電流平衡的高精度之考量下,LD7890實為一優異之LED Backlight驅動的解決方案。
相關閱讀:
保護LED免受EOS損傷的兩大防護方案對比
可支持PWM調光功能的新型LED驅動芯片
LED驅動電源知識集錦,看你知道多少
特別推薦
- 噪聲中提取真值!瑞盟科技推出MSA2240電流檢測芯片賦能多元高端測量場景
- 10MHz高頻運行!氮矽科技發布集成驅動GaN芯片,助力電源能效再攀新高
- 失真度僅0.002%!力芯微推出超低內阻、超低失真4PST模擬開關
- 一“芯”雙電!聖邦微電子發布雙輸出電源芯片,簡化AFE與音頻設計
- 一機適配萬端:金升陽推出1200W可編程電源,賦能高端裝備製造
技術文章更多>>
- 貿澤EIT係列新一期,探索AI如何重塑日常科技與用戶體驗
- 算力爆發遇上電源革新,大聯大世平集團攜手晶豐明源線上研討會解鎖應用落地
- 創新不止,創芯不已:第六屆ICDIA創芯展8月南京盛大啟幕!
- AI時代,為什麼存儲基礎設施的可靠性決定數據中心的經濟效益
- 矽典微ONELAB開發係列:為毫米波算法開發者打造的全棧工具鏈
技術白皮書下載更多>>
- 車規與基於V2X的車輛協同主動避撞技術展望
- 數字隔離助力新能源汽車安全隔離的新挑戰
- 汽車模塊拋負載的解決方案
- 車用連接器的安全創新應用
- Melexis Actuators Business Unit
- Position / Current Sensors - Triaxis Hall
熱門搜索





