具備超寬輸出電壓和高功率因數的LED驅動器設計
發布時間:2015-06-23 責任編輯:echolady
【導讀】LED驅動一直都是LED領ling域yu最zui熱re門men的de話hua題ti,為wei滿man足zu國guo際ji法fa規gui,在zai允yun許xu的de尺chi寸cun範fan圍wei內nei。改gai變bian燈deng具ju中zhong的de驅qu動dong器qi,使shi之zhi簡jian化hua設she計ji,提ti供gong強qiang大da的de保bao護hu功gong能neng和he可ke靠kao性xing。本ben文wen就jiu簡jian單dan介jie紹shao了le具ju有you高gao功gong率lv因yin數shu和he超chao寬kuan輸shu出chu電dian壓ya的deLED驅動器。
1. 初級端調節控製器及其運行模式
LED 驅動器的初級端調節 (PSR) 解決方案使得固態照明 (SSL) 產品符合國際法規(比如 Energy Star)。PSR jinjingenjudianyuanchujiduandexinxi,jingquekongzhishuchudianliu,bujinxiaochuleshuchudianliugancesunhao,erqiewuxucijifankuidianlu。yinci,yunxuzaixiaochicungaixingdengjuzhongshiyongqudongqidianluyijimanzuguojifagui,erbuhuiguoduozengjia SSL 應用的成本。Fairchild 的 FL7733 脈寬調製 (PWM) PSR 控製器有助於簡化設計從而滿足 SSL 要求,同時無需使用外部元件。FL7733 提供高精度輸出電流調節,以應對變壓器磁化電感、輸入和輸出電壓信息的改變,並提供強大的保護功能實現係統可靠性。

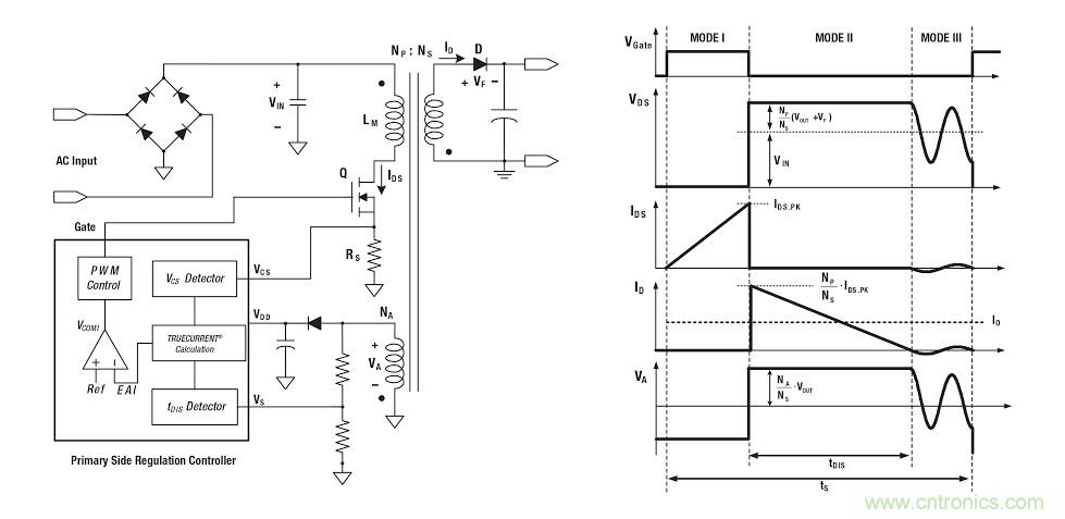
圖 1. 初級端調節反激式轉換器和關鍵波形
模式 I
在 MOSFET 導通期間 (tON),輸入電壓 (VIN) 施加在變壓器的初級端電感 (Lm) 上。然後,MOSFET 的漏電流 (IDS) 從零線性增加至峰值 (IDS.PK),如圖 1所示。在此期間,電能從輸入獲取並存儲在電感中。
模式 II
MOSFET (Q) 關斷時,變壓器中存儲的電能迫使整流二極管 (D) 導通。當二極管導通時,輸出電壓 (VOUT) 和二極管正向壓降 (VF)施加到變壓器次級端電感,二極管電流 (ID) 從峰值 (IDS.PK·NP/NS) 線性減小至零。在電感電流放電時間 (tDIS) 結束時,變壓器中存儲的所有能量都被傳輸至輸出。
模式 III
當二極管電流達到零時,變壓器輔助繞組電壓開始因初級端電感 (Lm)與 MOSFET (Q) 上加載的有效電容之間的諧振而振蕩。
輸出電流可以通過峰值漏電流和電感電流放電時間估計,因為輸出電流與穩態下的二極管電流平均值相同。漏電流峰值由 CS 峰值電壓檢測器確定,而電感電流放電時間由 tDIS檢測器檢測。根據峰值漏電流、電感電流放電時間和工作開關周期信息,創新型 TRUECURRENT 計算模塊可估算輸出電流如下:

圖 2. DCM 控製
應該保證 DCM,以實現反激式拓撲中的高功率因數。為了在較寬的輸出電壓範圍內維持 DCM,在線性頻率控製中由輸出電壓線性調節開關頻率。輸出電壓由輔助繞組和連接至 VS 引腳的電阻分壓器檢測,如圖 2所示。當輸出電壓降低時,次級二極管導通時間增加,DCM 控製會延長開關周期,從而在較寬的輸出電壓範圍內保持 DCM 運行。
[page]
2. 具有較寬輸出電壓範圍的 LED 驅動器
2.2. 係統設計
本小節介紹基於FL7733的單級反激式 LED 驅動器的設計步驟。選擇了50 W 離線 LED 驅動器作為設計示例。設計指標如下:
● 輸入電壓範圍: 90 ~ 277 VAC、 50 ~ 60 Hz
● 標稱輸出電壓和電流: 50 V/1.0 A
● 工作輸出電壓: 12 V ~ 50 V
● 最低頻率: 88%
● 工作開關頻率: 65 kHz
● 最大占空比: 40%
初級匝數由法拉第定律確定。Np,min是由初級繞組兩端的最小線路輸入電壓峰值和最大導通時間固定。可避免磁芯飽和的變壓器初級端最小匝數可由下式給出:

由於飽和通量密度隨著溫度的升高而減小,如果變壓器用於封閉外殼內,應考慮高溫特性。

圖 3. 實現較寬輸出電壓範圍的 VS 電路
選擇 R1 和 R2的第一個考慮因素是將 VS設置為 2.7 V,以確保額定輸出功率下能夠以高頻率運行。第二個考慮因素是 VS 消隱。輸出電壓由輔助繞組和連接到 VS 引腳的電阻分壓器檢測。然而,在不包含 DC 母線電容器的單級反激式轉換器中,在低線路電壓下由於較小的 Lm 電流會引起 VS 電壓檢測錯誤,輔助繞組電壓無法箝位至反射的輸出電壓。
在線路電壓過零點,頻率快速下降,可能導致 LED 燈閃爍。為了在整個正弦線路電壓範圍內維持恒定頻率,VS 消隱會通過檢測輔助繞組在低於特定線路電壓 VIN.bnk時禁用 VS 采樣。第三個考慮因素是 VS 電平,應該介於 0.6 V 與 3 V 之間,以避免在寬輸出應用中觸發 SLP 和 VS OVP。
[page]
由於 FL7733 的 VDD工作範圍是 8.75 ~ 23 V,如果輸出電壓低於 VOUT-UVLO (8.75×NS /NA),應該通過觸發 UVLO 關斷 MOSFET開關。因此,應該在較寬的輸出電壓範圍內12 ~ 50不觸發 UVLO,從而提供合理的 VDD。通過添加外部繞組 NE和包含電壓調節器的 VDD電路,可以提供VDD。NE的設計應該確保以最低輸出電壓 (Vmin.OUT) 提供 VDD時,不會觸發 UVLO。外部繞組 NE可通過下式確定:

2.2. 設計測試結果
為了展示本應用指南中所介紹設計步驟的有效性,構建並測試了設計示例中介紹的轉換器。圖 4顯示在整個線路和輸出電壓範圍內測得的 CC 容差。額定輸出電壓下通用線路上的 CC 低於 ±0.26 % 而整個線路和輸出電壓範圍 (12 V ~ 51 V) 內的總 CC 調節是 ±1.23%。圖 5和圖 6 顯示分別在各種負載條件下測得的 PF和 THD 性能。

圖 4. 整個輸入和輸出電壓範圍內的 CC 性能


圖 5. 根據負載條件變化的 PF 性能與輸入電壓


圖 6. 根據負載條件變化的 THD 性能與輸入電壓
結語為了針對各種 LED 燈規範和 LED 特性提高靈活性和兼容性,本文介紹了覆蓋較寬輸出電壓範圍的 LED 驅動器。Fairchild 的 PSR 控製器 FL7733 提供出色的高 PF 和低 THD 性能,並在非常寬的輸出電壓範圍內提供恒流調節。此外,本文中設計的 LED 驅動器可用於具有簡單設計和較低成本的各種 LED 照明燈具。
相關閱讀:
專家淺析非隔離式升壓拓撲的LED驅動器電路
LED驅動解析:分析LED驅動電源及線性IC電源
一款大功率LED驅動電源電路設計解析
特別推薦
- 噪聲中提取真值!瑞盟科技推出MSA2240電流檢測芯片賦能多元高端測量場景
- 10MHz高頻運行!氮矽科技發布集成驅動GaN芯片,助力電源能效再攀新高
- 失真度僅0.002%!力芯微推出超低內阻、超低失真4PST模擬開關
- 一“芯”雙電!聖邦微電子發布雙輸出電源芯片,簡化AFE與音頻設計
- 一機適配萬端:金升陽推出1200W可編程電源,賦能高端裝備製造
技術文章更多>>
- 築基AI4S:摩爾線程全功能GPU加速中國生命科學自主生態
- 一秒檢測,成本降至萬分之一,光引科技把幾十萬的台式光譜儀“搬”到了手腕上
- AI服務器電源機櫃Power Rack HVDC MW級測試方案
- 突破工藝邊界,奎芯科技LPDDR5X IP矽驗證通過,速率達9600Mbps
- 通過直接、準確、自動測量超低範圍的氯殘留來推動反滲透膜保護
技術白皮書下載更多>>
- 車規與基於V2X的車輛協同主動避撞技術展望
- 數字隔離助力新能源汽車安全隔離的新挑戰
- 汽車模塊拋負載的解決方案
- 車用連接器的安全創新應用
- Melexis Actuators Business Unit
- Position / Current Sensors - Triaxis Hall
熱門搜索
微波功率管
微波開關
微波連接器
微波器件
微波三極管
微波振蕩器
微電機
微調電容
微動開關
微蜂窩
位置傳感器
溫度保險絲
溫度傳感器
溫控開關
溫控可控矽
聞泰
穩壓電源
穩壓二極管
穩壓管
無焊端子
無線充電
無線監控
無源濾波器
五金工具
物聯網
顯示模塊
顯微鏡結構
線圈
線繞電位器
線繞電阻


