基於STC8G8K64U雙通道高速ADC采集板
發布時間:2020-05-03 來源:卓晴 責任編輯:wenwei
【導讀】設計基於STC8G8K64U單片機的高速ADC采(cai)樣(yang)板(ban),可(ke)以(yi)為(wei)普(pu)通(tong)的(de)電(dian)路(lu)實(shi)驗(yan)提(ti)供(gong)快(kuai)速(su)波(bo)形(xing)采(cai)樣(yang)的(de)模(mo)塊(kuai)。該(gai)模(mo)塊(kuai)也(ye)可(ke)以(yi)應(ying)用(yong)於(yu)全(quan)國(guo)大(da)學(xue)生(sheng)智(zhi)能(neng)車(che)競(jing)賽(sai)聲(sheng)音(yin)信(xin)標(biao)組(zu)數(shu)據(ju)采(cai)集(ji)實(shi)驗(yan)中(zhong),作(zuo)為(wei)向(xiang)同(tong)學(xue)們(men)介(jie)紹(shao)的(de)解(jie)決(jue)方(fang)案(an),明(ming)天(tian)給(gei)出(chu)相(xiang)應(ying)實(shi)驗(yan)結(jie)果(guo)。
設計采集板的目標
設計基於STC8G8K64U單片機的高速ADC采樣板,可以為普通的電路實驗提供快速波形采樣的模塊。
該模塊也可以應用於全國大學生智能車競賽聲音信標組數據采集實驗中,作為向同學們介紹的解決方案,明天給出相應實驗結果。
設計采樣板的技術指標:
1. 采樣頻率:10kHz;
2. 采樣通道:2通道
3. 采樣信號:0~5V,數據位12bit。
4. 外部數據接口:(1)UART2通過USR-WiFi接口發送到局部無線網;(2)通過串口UART1通過調試器將數據發送到調試界麵;
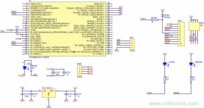
電路板設計
1. 原理圖設計

▲ 原理圖設計
對外接口定義:

2. PCB版圖設計

▲ PCB板圖設計

▲ 焊接之後的電路板

▲ 安裝有WiFi-UART模塊後的電路板
3. 電路軟件調試
「(1)單片機的硬件配置:」
由於配置STC8H8K工作在48MHz,提高單片機運行速度。

▲ 單片機硬件配置
「(2)串口波特率配置:」
1. UART1:配置波特率115200 ,這與下載器上的PL2303可以使用的波特率相匹配;
2. UART2::配置的波特率為460800,這與WiFi-UART

▲ 硬件連接調試
「(3)配置WiFI-UART:」
STEP1:使用手機,或者平板電腦,選擇USR-WIFI232-T-191無線網關,登錄 10.10.100.254地址。在登錄界麵輸入用戶名和密碼都是「admin」。

▲ 無線登錄界麵
STEP2:按照下麵的設置,設置WIFI-UART模塊的工作參數。
「STA設置:」

▲ STA設置
「AP設置:」

▲ AP設置
「網絡設置:」

▲ 網絡設置
「串口設置:」

▲ 串口設置
「設置後的係統信息:」

▲ 設置後的係統信息
4. 軟件命令
模塊通過UART1(115200),UART2(460800)接收字符命令,分別輸出采集的結果以及重新開始新的采集過程。具體的功能可以參見下麵一段程序:

5. PYTHON獲取數據程序
過PYTHON編程,可以從WiFi獲取采集板的8k數據。
具體的程序可以在CSDN對應的博文中看到。
模塊測試性能
1. 數據傳送時間
通過WiFi-UAR收到4096(8192 bytes)數據為0.489s左右。
下圖是對兩路正弦波采集到的數據波形:

▲ 兩個通道采集的波形
推薦閱讀:
特別推薦
- 噪聲中提取真值!瑞盟科技推出MSA2240電流檢測芯片賦能多元高端測量場景
- 10MHz高頻運行!氮矽科技發布集成驅動GaN芯片,助力電源能效再攀新高
- 失真度僅0.002%!力芯微推出超低內阻、超低失真4PST模擬開關
- 一“芯”雙電!聖邦微電子發布雙輸出電源芯片,簡化AFE與音頻設計
- 一機適配萬端:金升陽推出1200W可編程電源,賦能高端裝備製造
技術文章更多>>
- 一秒檢測,成本降至萬分之一,光引科技把幾十萬的台式光譜儀“搬”到了手腕上
- AI服務器電源機櫃Power Rack HVDC MW級測試方案
- 突破工藝邊界,奎芯科技LPDDR5X IP矽驗證通過,速率達9600Mbps
- 通過直接、準確、自動測量超低範圍的氯殘留來推動反滲透膜保護
- 從技術研發到規模量產:恩智浦第三代成像雷達平台,賦能下一代自動駕駛!
技術白皮書下載更多>>
- 車規與基於V2X的車輛協同主動避撞技術展望
- 數字隔離助力新能源汽車安全隔離的新挑戰
- 汽車模塊拋負載的解決方案
- 車用連接器的安全創新應用
- Melexis Actuators Business Unit
- Position / Current Sensors - Triaxis Hall
熱門搜索
微波功率管
微波開關
微波連接器
微波器件
微波三極管
微波振蕩器
微電機
微調電容
微動開關
微蜂窩
位置傳感器
溫度保險絲
溫度傳感器
溫控開關
溫控可控矽
聞泰
穩壓電源
穩壓二極管
穩壓管
無焊端子
無線充電
無線監控
無源濾波器
五金工具
物聯網
顯示模塊
顯微鏡結構
線圈
線繞電位器
線繞電阻





