繼電器分類、工作原理、接線方法
發布時間:2019-11-27 責任編輯:xueqi
【導讀】想要學習時間繼電器,必須先要了解時間繼電器的分類、工作原理、各個引腳的含義、接線方法以及控製原理圖。
時間繼電器作為電工基礎中常用的繼電器之一,在控製領域應用廣泛,雖然現在都在使用可編程控製器、時控開關等智能控製設備,但是都是基於基礎的時間繼電器原理,那麼下麵我們開始學習吧。

時間繼電器是指當加入(或去掉)輸入的動作信號後,其輸出電路需經過規定的準確時間才產生跳躍式變化(或觸頭動作)的一種繼電器。是一種使用在較低的電壓或較小電流的電路上,用來接通或切斷較高電壓、較大電流的電路的電氣元件。
一、繼電器的分類
時間繼電器可以按照工作原理和延時方式分為好幾大類,我們著重分析常用的幾類,根據工作原理可以分為,空氣阻尼式時間繼電器、電動式時間繼電器、電磁式時間繼電器、電子式時間繼電器等。
常用的有兩種,因為價格低廉、原理清晰、控製要求不高,我們一般選擇空氣阻尼式時間繼電器、電磁式時間繼電器。

根據延時方式我們分為通電延時型、斷電延時型,工作原理和含義顧名思義。
二、工作原理

空氣阻尼是時間繼電器:主zhu要yao的de延yan時shi原yuan理li是shi利li用yong氣qi囊nang式shi阻zu尼ni器qi,線xian圈quan得de電dian以yi後hou,釋shi放fang或huo者zhe吸xi合he阻zu尼ni器qi,空kong氣qi通tong過guo微wei小xiao孔kong緩huan慢man進jin入ru,到dao達da時shi間jian以yi後hou,實shi現xian接jie通tong斷duan開kai作zuo用yong;
電磁式時間繼電器:主要原理是接通或者斷電以後,磁通緩慢衰減的原理讓銜鐵釋放讓線路得到延時的作用。
三、各個引腳的含義
我們以這款通電延時型時間繼電器為例:

1-2腳為電源線圈,這兩個腳是需要連接電壓的,根據自己選用的電壓值正確連接,常用的為220V,24V;
1-3腳為通電延時閉合觸點,接通電源,給了信號之後線圈得電,等到設置時間到達以後,觸點閉合;
1-4腳為通電延時斷開觸點,接通電源,給了信號之後線圈得電,等到設置時間到達以後,觸點斷開;
5-8腳為通電延時閉合觸點,接通電源,給了信號之後線圈得電,等到設置時間到達以後,觸點閉合;
6-8腳為通電延時斷開觸點,接通電源,給了信號之後線圈得電,等到設置時間到達以後,觸點斷開;
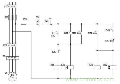
四、接線方法以及控製原理
各個引腳的含義我們已經搞清楚了,下麵就可以根據控製原因進行接線,我們以下圖為例,在電路中加入KT通電延時時間繼電器,當按下啟動按鈕SB2線圈KT1、KM1得電交流接觸器KM1吸合,電動機M1轉動,延時閉合開關KT1到達時間吸合,KM2、KT2得電,交流接觸器KM2得電吸合,電動機M2轉動,延時斷開開關KT2在到達時間以後斷開,整個控製回路斷開,所有電機停止轉動;

這就是時間繼電器在一條控製電路中起到的延時斷開、延時閉合的作用。
下麵分享幾個經典時間繼電器控製電路原理圖:

星三角降壓啟動

延時啟動、關閉控製
特別推薦
- 噪聲中提取真值!瑞盟科技推出MSA2240電流檢測芯片賦能多元高端測量場景
- 10MHz高頻運行!氮矽科技發布集成驅動GaN芯片,助力電源能效再攀新高
- 失真度僅0.002%!力芯微推出超低內阻、超低失真4PST模擬開關
- 一“芯”雙電!聖邦微電子發布雙輸出電源芯片,簡化AFE與音頻設計
- 一機適配萬端:金升陽推出1200W可編程電源,賦能高端裝備製造
技術文章更多>>
- 築基AI4S:摩爾線程全功能GPU加速中國生命科學自主生態
- 一秒檢測,成本降至萬分之一,光引科技把幾十萬的台式光譜儀“搬”到了手腕上
- AI服務器電源機櫃Power Rack HVDC MW級測試方案
- 突破工藝邊界,奎芯科技LPDDR5X IP矽驗證通過,速率達9600Mbps
- 通過直接、準確、自動測量超低範圍的氯殘留來推動反滲透膜保護
技術白皮書下載更多>>
- 車規與基於V2X的車輛協同主動避撞技術展望
- 數字隔離助力新能源汽車安全隔離的新挑戰
- 汽車模塊拋負載的解決方案
- 車用連接器的安全創新應用
- Melexis Actuators Business Unit
- Position / Current Sensors - Triaxis Hall
熱門搜索
微波功率管
微波開關
微波連接器
微波器件
微波三極管
微波振蕩器
微電機
微調電容
微動開關
微蜂窩
位置傳感器
溫度保險絲
溫度傳感器
溫控開關
溫控可控矽
聞泰
穩壓電源
穩壓二極管
穩壓管
無焊端子
無線充電
無線監控
無源濾波器
五金工具
物聯網
顯示模塊
顯微鏡結構
線圈
線繞電位器
線繞電阻


