芯訊通Tbox開發板瞄準人車交互智能化
發布時間:2019-03-11 責任編輯:lina
【導讀】車聯網已經成為汽車行業發展趨勢,網聯滲透率不斷在提升。據IHS預計,到2020年,全球汽車電子市場規模將接近3000億美元,市場空間巨大。
車聯網已經成為汽車行業發展趨勢,網聯滲透率不斷在提升。據IHS預計,到2020年,全球汽車電子市場規模將接近3000億美元,市場空間巨大。而從產品層麵來看,過去10 年,汽車電子產品應用主要集中於動力係統、底盤、車身等方麵進行;將來,車聯網將不再局限於對車的認知,更是作為智能終端與外網的連接。這時,GPS、傳感器以及通信模組的相互協調成為了關鍵。
xinxuntongzuoweixingyelingxiandewuxiantongxinmozuqiye,zhiliyuweiguangdachezhutigongwendingdelianjiehejijiadeyonghutiyan。xinxuntongtigongdewuxiantongxinmozushichezaiyuanchengtongxinzhongduanzhongdehexinlingbujian,shilianjieqicheyuwangluodeguandao,yeshiyonghutiyandekaishi。meiyouwuxiantongxinmozu,qichexiangguandechezaiyingyongbianbunenglianjiedaohulianwang,jibunengshixianchelianwang。jianglai,zaichelianwangyingyongyidongbianyuanjisuanhe5G網絡後,車聯網數據可以就近存儲於離車輛較近的位置,提供低時延、高可靠性的通信能力,實時進行數據分析,並將分析所得結果迅速傳送給臨近區域內的其他聯網車輛,以便車輛做出決策。芯訊通SIM7800車規級模組將中控台和Tbox連接在一起,由Tbox與外界連接,實現車聯環境內大流量的新互聯或者娛樂體驗。

【圖為T-Box客戶應用架構】
芯訊通SIM7800是基於高通MDM9628 LTE CAT4的車規級模組,LGA封裝,尺寸為34*40*2.9mm,最大下行帶寬可以達到150Mbps而上行帶寬可以達到50Mbps。SIM7800基於全新的網絡安全設計,符合汽車網絡安全構架標準。SIM7800通過多重安全機製來保障汽車和互聯網之間的通信安全,給整車廠和用戶提供智能車載解決方案。SIM7800模組是一款提供軟件開發工具包和軟件二次開發方案的車規級模組,提供的open linux方案可以激發開發者的創造潛力,還提供內置網絡安全功能,並支持安全的空中升級。SIM7800預留高速以太網接口,適合車內高速傳輸數據,為車輛提供穩定可靠的通信能力。

【圖為 T-Box成品圖】
芯訊通代理商——Excelpoint世健公司產品經理Nicola Chen表示:“Tbox定製開發板將幫助設計者靈活使用芯訊通車規級模組SIM7800,為汽車用戶提供更加豐富的業務和服務,並對車輛進行有效的監管和調度,實現更加高效、安全、舒適的車輛管理和用戶體驗。”
安全是車聯網的重中之重,嚴格把控Tbox與外網的連接的絕對安全是芯訊通的重要任務。首先,從程序的保護上,隻有來源合法的產品才能對Tbox進行升級。第二:模塊的係統安全性上,由於其本身基於Linux,芯訊通采用SeLinux+把各種非法入侵的途徑都堵死。第三:保障文件的私密性,對數據進行加密。

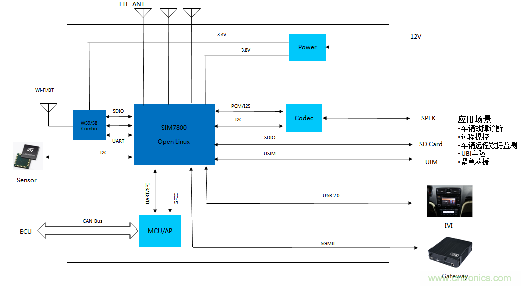
【圖為 SIM7800CE 4G模塊設計框圖】
關於世健——亞太區領先的元器件授權代理商
世健是完整解決方案的供應商,為亞洲電子廠商包括原設備生產商(OEM)、原設計生產商(ODM)和電子製造服務提供商(EMS)提供優質的元器件、工程設計及供應鏈管理服務。
世(shi)健(jian)與(yu)供(gong)應(ying)商(shang)及(ji)電(dian)子(zi)廠(chang)商(shang)緊(jin)密(mi)協(xie)作(zuo),為(wei)新(xin)的(de)科(ke)技(ji)與(yu)趨(qu)勢(shi)作(zuo)出(chu)定(ding)位(wei),並(bing)幫(bang)助(zhu)客(ke)戶(hu)把(ba)這(zhe)些(xie)最(zui)先(xian)進(jin)的(de)科(ke)技(ji)揉(rou)合(he)於(yu)他(ta)們(men)的(de)產(chan)品(pin)當(dang)中(zhong)。集(ji)團(tuan)分(fen)別(bie)在(zai)新(xin)加(jia)坡(po)、zhongguojiyuenansheyouyanfazhongxin,zhuanyedeyanfatuanduibuduanchuangzaoxindejiejuefangan,bangzhukehutigaochengbenxiaoyibingsuoduanchanpinshangshishijian。shijianyanfadewanzhengjiejuefanganjicankaoshejikeyingyongyugongye、無線通信及消費電子等領域。
世健是新加坡的主板上市公司,總部設於新加坡,擁有超過750名員工,業務範圍已擴展至亞太區40多個城市和地區,遍及新加坡、馬來西亞、泰國、越南、中國、印度、印度尼西亞、菲律賓及澳大利亞等十多個國家。世健集團在2018年的年營業額超過12億5千萬美元。世健於1993年開始發展中國業務,中國區總部設於香港,並擁有11個分公司及辦事處、1個研發中心及2個物流中心,遍及中國多個城市。
特別推薦
- 噪聲中提取真值!瑞盟科技推出MSA2240電流檢測芯片賦能多元高端測量場景
- 10MHz高頻運行!氮矽科技發布集成驅動GaN芯片,助力電源能效再攀新高
- 失真度僅0.002%!力芯微推出超低內阻、超低失真4PST模擬開關
- 一“芯”雙電!聖邦微電子發布雙輸出電源芯片,簡化AFE與音頻設計
- 一機適配萬端:金升陽推出1200W可編程電源,賦能高端裝備製造
技術文章更多>>
- 築基AI4S:摩爾線程全功能GPU加速中國生命科學自主生態
- 一秒檢測,成本降至萬分之一,光引科技把幾十萬的台式光譜儀“搬”到了手腕上
- AI服務器電源機櫃Power Rack HVDC MW級測試方案
- 突破工藝邊界,奎芯科技LPDDR5X IP矽驗證通過,速率達9600Mbps
- 通過直接、準確、自動測量超低範圍的氯殘留來推動反滲透膜保護
技術白皮書下載更多>>
- 車規與基於V2X的車輛協同主動避撞技術展望
- 數字隔離助力新能源汽車安全隔離的新挑戰
- 汽車模塊拋負載的解決方案
- 車用連接器的安全創新應用
- Melexis Actuators Business Unit
- Position / Current Sensors - Triaxis Hall
熱門搜索
微波功率管
微波開關
微波連接器
微波器件
微波三極管
微波振蕩器
微電機
微調電容
微動開關
微蜂窩
位置傳感器
溫度保險絲
溫度傳感器
溫控開關
溫控可控矽
聞泰
穩壓電源
穩壓二極管
穩壓管
無焊端子
無線充電
無線監控
無源濾波器
五金工具
物聯網
顯示模塊
顯微鏡結構
線圈
線繞電位器
線繞電阻




