ADC中的集成式容性PGA:重新定義性能
發布時間:2018-07-10 責任編輯:lina
【導讀】ADI 專利的容性可編程增益放大器(PGA)相比傳統的阻性PGA具(ju)有(you)更(geng)佳(jia)的(de)性(xing)能(neng),包(bao)括(kuo)針(zhen)對(dui)模(mo)擬(ni)輸(shu)入(ru)信(xin)號(hao)的(de)更(geng)高(gao)共(gong)模(mo)電(dian)壓(ya)抑(yi)製(zhi)能(neng)力(li)。本(ben)文(wen)描(miao)述(shu)了(le)斬(zhan)波(bo)容(rong)性(xing)放(fang)大(da)器(qi)的(de)工(gong)作(zuo)原(yuan)理(li),強(qiang)調(tiao)了(le)需(xu)要(yao)放(fang)大(da)傳(chuan)感(gan)器(qi)小(xiao)信(xin)號(hao)至(zhi)接(jie)近(jin)供(gong)電(dian)軌(gui)——比如溫度測量(RTD 或熱電偶)和惠斯登電橋——時,此架構的優勢。
本文描述了斬波容性放大器的工作原理,強調了需要放大傳感器小信號至接近供電軌——比如溫度測量(RTD 或熱電偶)和惠斯登電橋——時,此架構的優勢。
Σ-Δ 型模數轉換器(ADC)廣泛用於傳感器具有較小輸出電壓範圍和帶寬的應用中(比如應變計或熱敏電阻),因為這種架構提供高動態範圍。具有高動態範圍是因為,相比其它 ADC 架構,它具有低噪聲性能。
Σ-Δ 型轉換器基於兩條原理工作:過采樣和噪聲整形。當 ADC對(dui)輸(shu)入(ru)信(xin)號(hao)進(jin)行(xing)采(cai)樣(yang)時(shi),獨(du)立(li)於(yu)采(cai)樣(yang)頻(pin)率(lv)的(de)量(liang)化(hua)噪(zao)聲(sheng)會(hui)在(zai)直(zhi)到(dao)采(cai)樣(yang)頻(pin)率(lv)一(yi)半(ban)的(de)整(zheng)個(ge)頻(pin)譜(pu)內(nei)擴(kuo)散(san)。因(yin)此(ci),如(ru)果(guo)輸(shu)入(ru)信(xin)號(hao)以(yi)比(bi)奈(nai)奎(kui)斯(si)特(te)理(li)論(lun)所(suo)推(tui)導(dao)出(chu)的(de)最(zui)小(xiao)值(zhi)高(gao)很(hen)多(duo)的(de)頻(pin)率(lv)采(cai)樣(yang),則(ze)目(mu)標(biao)頻(pin)段(duan)內(nei)的(de)量(liang)化(hua)噪(zao)聲(sheng)下(xia)降(jiang)。
圖 1 顯示了不同采樣頻率下的量化噪聲密度示例。

圖 1. 不同采樣頻率下,頻率範圍內的量化噪聲密度。
一般而言,對於特定的目標頻段,每 2 個過采樣係數就會使動態範圍改善 3 dB(假定為白噪聲頻譜)。Σ-Δ 型轉換器的第二個優勢是噪聲傳遞函數。它將噪聲整形至更高頻率(如圖 2 所示),進一步降低了目標頻段內的量化噪聲。

圖 2. Σ-Δ 噪聲整形。
此外,Σ-Δ 架構可能集成數字濾波器,用來移除目標頻段外的量化噪聲,實現出色的動態範圍性能,如圖 3 所示。

圖 3. LPF 之後的量化噪聲。
輸入緩衝器
過采樣架構的缺點之一是,相比其它采樣頻率較低的架構,驅動 Σ-Δ 型調製器的輸入緩衝器要求可能會更嚴格。采集時間變得更短,因此緩衝器需要更高帶寬。現代 Σ-Δ 型轉換器片上集成輸入緩衝器,最大程度簡化使用。
此外,在檢測係統中,為檢測元件提供具有高精度的極高輸入阻抗對於測量精度而言極為關鍵。這使得輸入緩衝器的要求更為嚴格了。
集成輸入緩衝器還有其它挑戰。Σ-Δ 型調製器可在低頻率時提供極低噪聲,但所有其它元件(比如輸入緩衝器)都會使熱噪聲增加,而更嚴重的則是低頻閃爍噪聲,如圖 4 所示。

圖 4.閃爍噪聲。
ciwai,huanchongqishitiaoyekenengzengjiazongxitongwucha。tongguoxitongxiaozhunkeyibuchangshitiao,danruguoshitiaopiaoyixiangduijiaogao,namezhezhongfangshijiuwufashixian,yinweimeicigongzuowendufashenggaibiandouhuiyaoqiuxitongzhongxinxiaozhun,yibuchanghuanchongqishitiao。
例如,當失調漂移為 500 nV/°C 時,10°C 溫度遞增將等於 5 µV失調範圍,在±2.5 VREF 24 位 ADC 中這相當於 16.8 LSB,即約為 4 位。解決這兩個問題的典型途徑是對緩衝器的輸入和輸出進行斬波,如圖 5 所示。

圖 5.斬波放大器。
對輸入進行斬波之後,輸入頻率便調製到較高頻率。緩衝器失調和閃爍噪聲依然保持其最初的低頻率,因為它們不受輸入斬波的影響。
輸出去斬波機製將輸入頻率解調回基帶,同時向上調製緩衝器產生的失調和閃爍噪聲至較高頻率,隨後由 ADC 低通濾波器加以消除。
某些情況下,輸入緩衝器可以采用基於電阻的儀表放大器(阻性 PGA)laidaiti,yishixiaochuanganqixinhaomanzuquantiaozhiqishurufanwei,zuidachengdutishengdongtaifanwei。xuzhuyi,jiyudianzudeyibiaofangdaqixiangbichafenzuxingfangdaqishigenghaodexuanze,yinweifenlishichuanganqixuyaogenggaodeshuruzukang。zuxing PGA 可實現類似的斬波方案,如圖 6 所示。

圖 6.阻性 PGA。
阻性 PGA 可ke能neng需xu要yao級ji聯lian第di二er組zu緩huan衝chong器qi,因yin為wei放fang大da器qi可ke能neng無wu法fa提ti供gong直zhi接jie驅qu動dong調tiao製zhi器qi所suo需xu要yao的de足zu夠gou帶dai寬kuan。同tong時shi,必bi須xu保bao持chi低di功gong耗hao,這zhe就jiu確que定ding了le電dian阻zu值zhi,進jin而er確que定ding了le放fang大da器qi帶dai寬kuan。
使用這種放大器拓撲的主要問題是,它限製了共模電壓——尤其是在增益大於 1 的時候,因為阻性 PGA 具有取決於輸入信號的浮動共模值,如圖 6 所示。
此外,阻性網絡失配及其漂移也是影響總誤差預算的因素之一,因為它可能會影響大多數的精度規格。為避免這些限製,最新的 Σ-Δ 型轉換器采用了容性 PGA。
容性 PGA 放大原理與阻性 PGA 相似:增益取決於電容比,如圖 7 所示。為了放大直流信號,容性 PGA 在 PGA shuruduanyinrulezhanbojizhizhiliushuruxinhaotiaozhidaozhanbopinlv,ranhouyourongxingfangdaqijinxingfangda。zuihou,xinhaotongguoshuchuquzhanbojietiaohuizhiliu。ciwai,fangdaqishitiaoheshanshuozaoshengtiaozhidaozhanbopinlv,bingzaizhihoudejizhongjinxingditonglvbo。

圖 7.容性 PGA(為簡便起見,移除了部分模塊)。
相比阻性架構,這種容性架構有一些優勢:
它能更好地權衡噪聲與功率,因為噪聲源較少。需要較少的放大器,而且相比電阻,電容不會產生噪聲。
電容比電阻有非常多的優勢。除了無噪聲外,電容不會受到自發熱影響,且通常具有更好的匹配和溫度漂移。這對失調、增益誤差和漂移規格有正麵影響。
電容可將輸入共模從信號鏈共模的其餘部分去耦。這樣可以提供 CMRR、PSRR 和 THD 等優勢。
容性 PGA 的(de)最(zui)大(da)優(you)勢(shi)之(zhi)一(yi),是(shi)它(ta)的(de)輸(shu)入(ru)共(gong)模(mo)範(fan)圍(wei)可(ke)以(yi)是(shi)軌(gui)到(dao)軌(gui)或(huo)更(geng)高(gao)。這(zhe)樣(yang)便(bian)有(you)可(ke)能(neng)從(cong)正(zheng)供(gong)電(dian)軌(gui)下(xia)至(zhi)負(fu)供(gong)電(dian)軌(gui)的(de)幾(ji)乎(hu)任(ren)何(he)地(di)方(fang)對(dui)傳(chuan)感(gan)器(qi)共(gong)模(mo)電(dian)壓(ya)進(jin)行(xing)偏(pian)置(zhi)。
這種容性架構結合了儀表放大器的優勢,具有極高的輸入阻抗(因為輸入阻抗是一個電容),其優勢是電容(而不是電阻)作為增益元件,增加了放大器的動態範圍——這不僅是因為它的信號擺幅,還因為其噪聲效率的緣故。
克服阻性PGA共模限製的常見解決方案是增加或偏移供電軌,或者重新對中傳感器信號共模。這樣做的代價是功耗更高、電源設計更複雜、使用更多外部元件,以及更高的成本。
實際例子
在zai惠hui斯si登deng電dian橋qiao中zhong,共gong模mo電dian壓ya由you連lian接jie兩liang個ge橋qiao臂bi的de阻zu抗kang決jue定ding,且qie與yu施shi加jia的de電dian源yuan成cheng正zheng比bi。電dian子zi秤cheng應ying用yong即ji采cai用yong這zhe種zhong檢jian測ce拓tuo撲pu,因yin為wei它ta具ju有you針zhen對dui應ying變bian計ji的de線xian性xing檢jian測ce優you勢shi;圖 8 顯示了一個半橋式 II類電路。

圖 8.采用惠斯登拓撲並包含應變計的電子秤。
表 1. 惠斯登電橋中的阻性 PGA 和容性 PGA 對比(假設使用標準電源和增益)

應變計的靈敏度通常為 2 mV/V。惠斯登電源越高,靈敏度也就越高。為了增加應變計的動態範圍並最大化 SNR,電橋可能采用比 ADC 更高的電源供電。
由於阻性 PGA 的共模限製,電橋應當采用與 ADC 相同的電源供電,以便最大程度提升動態範圍;而在容性 PGA 中,電橋可以采用幾乎為 ADC 兩倍的電源供電,因為不存在輸入共模的限製。
例如,假設標準電源為 ADC 提供 3.3 V 電平,則對於相同的增益,容性 PGA 相比阻性 PGA 的改進總結見表 1。可能存在的另一個問題,是當電橋的連接位置離 ADC 較遠時,接地之間可能有所不同。這也許會使共模電壓偏移,從而導致ADC 輸入共模相對於電橋不平衡,並降低阻性 PGA 中的最大允許增益。
使容性 PGA 性能與阻性 PGA 相當的可行辦法是以更高的電源電壓對電橋供電。比如,以±3.3 V 雙極性電源對電橋供電,從而增加應變計的靈敏度,但代價是更高的係統複雜性和功耗。可能會得益於容性 PGA 的另一個例子是采用電阻式溫度檢測器(RTD)或熱電偶的溫度測量應用。常用 RTD 電阻(比如 PT100)可以用來直接檢測溫度,或間接檢測熱電偶的冷結,如圖 9 所示。

圖 9.典型熱電偶設置。
每一個 PT100 器件都提供不同的導線,采用最受歡迎的高性價比三線式配置。
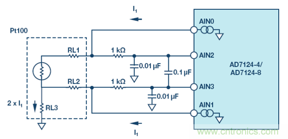
測量溫度並消除引線誤差的傳統方法如圖 10 所示。本例中,集成 PGA 的 Σ-Δ 型 ADC AD7124-8 的內部電流源以相同電流驅動雙線式 RTD,在兩個引線上產生相同的失調誤差,其值與引線電阻成正比。
由於 AD7174-8 具有較小的引線電阻和電流(為了最大程度減少自發熱效應),RL3 產生的失調電壓靠近負供電軌,極大地降低了阻性 PGA 中允許的最大增益,因為其輸入共模相比容性 PGA tongyangjianghuifeichangjiejingongdiangui,zaineibujianggongmodianyasheweidianyuangongdianguideyiban,yunxugenggaodezengyipeizhi,congertigaozongdongtaifanwei。jianyidejiejuefanganjidajiangdilexitongheyingjianlianjiedefuzaxing,yinweidisantiaoxianlanbuyingfanhuizhi ADC PCB,並可連接 RTD 位置附近的地。

圖 10.三線式 RTD 測量。
為了增加溫度測量的精度,建議采用四線式測量。本例中,隻使用了一個電流基準。為了避免電流源的不精確性,可以將精密電阻用作 ADC 基準電壓發生器來進行比例測量,如圖 11 示。

圖 11.比例四線式 RTD 測量。
選擇適當的外部精密電阻值,使 RTD 上產生的最大電壓等於基準電壓除以 PGA 增益。
對於 3.3 V 電源而言,在阻性 PGA 中,精密電阻上產生的電壓應為 1.65 V 左右,否則 PGA 共模電壓將限製最大增益。其結果是,最大增益信號應等於 1.65 V。在容性 PGA 中,不存在輸入共模的限製,因此 RTD 共模信號可以靠近頂部供電軌放置,最大程度提升了精密電阻生成的 ADC 基準電壓,並因此實現最高的可選增益和動態範圍。
表2. 四線式 RTD 比例測量中的阻性和容性 PGA 對比

表 2 總結了阻性 PGA 相對於容性 PGA 的最大增益,最大電流源為 500 µA,限製了 Pt100 的自發熱(假定 B 類 RTD,此時最高溫度為 600°C,最大 VREF 為 2.5 V)。
結論
相比阻性 PGA,容性 PGA 具有多項重要優勢。諸如噪聲、共模抑製、失調、增益誤差以及溫度漂移等關鍵規格都由於電容作為增益元件的固有溫度穩定性以及匹配屬性而得到了改善。
另一項重要特性是內部共模電壓從放大器內部共模電壓中去耦。當待放大的輸入信號為靠近供電軌的共模電壓時,這點尤為重要。阻性 PGA 的增益選擇嚴重受限於其共模限製,或者要求更高的供電軌或外部元件將輸入信號重新偏置到供電軌的一半。而容性 PGA 卻可以輕鬆處理這種檢測場景。某些最新的 Σ-Δ 型 ADC 產品集成了容性 PGA,比如 AD7190、AD7124-4、AD7124-8 和 AD7779。
特別推薦
- 噪聲中提取真值!瑞盟科技推出MSA2240電流檢測芯片賦能多元高端測量場景
- 10MHz高頻運行!氮矽科技發布集成驅動GaN芯片,助力電源能效再攀新高
- 失真度僅0.002%!力芯微推出超低內阻、超低失真4PST模擬開關
- 一“芯”雙電!聖邦微電子發布雙輸出電源芯片,簡化AFE與音頻設計
- 一機適配萬端:金升陽推出1200W可編程電源,賦能高端裝備製造
技術文章更多>>
- 築基AI4S:摩爾線程全功能GPU加速中國生命科學自主生態
- 一秒檢測,成本降至萬分之一,光引科技把幾十萬的台式光譜儀“搬”到了手腕上
- AI服務器電源機櫃Power Rack HVDC MW級測試方案
- 突破工藝邊界,奎芯科技LPDDR5X IP矽驗證通過,速率達9600Mbps
- 通過直接、準確、自動測量超低範圍的氯殘留來推動反滲透膜保護
技術白皮書下載更多>>
- 車規與基於V2X的車輛協同主動避撞技術展望
- 數字隔離助力新能源汽車安全隔離的新挑戰
- 汽車模塊拋負載的解決方案
- 車用連接器的安全創新應用
- Melexis Actuators Business Unit
- Position / Current Sensors - Triaxis Hall
熱門搜索
微波功率管
微波開關
微波連接器
微波器件
微波三極管
微波振蕩器
微電機
微調電容
微動開關
微蜂窩
位置傳感器
溫度保險絲
溫度傳感器
溫控開關
溫控可控矽
聞泰
穩壓電源
穩壓二極管
穩壓管
無焊端子
無線充電
無線監控
無源濾波器
五金工具
物聯網
顯示模塊
顯微鏡結構
線圈
線繞電位器
線繞電阻




