模塊化UPS分散旁路和集中旁路方案
發布時間:2017-04-07 責任編輯:wenwei
【導讀】近來跟一些業內客戶交流,筆者聽到了一個“新奇”的說法:某廠家的模塊化UPS有一個奇妙的功能,就是單個功率模塊可以單獨作為完整UPS使用,並列為一大賣點。看來市場營銷也要與時俱進,這不就是以前的“分散旁路”的模塊化UPS嗎?十多年來都沒有改變過的技術,現在被包裝成新賣點了,這真是“知識就是力量”啊。
熟悉模塊化UPS發展的業內同仁應該都了解,模塊化UPS的係統架構從開始就有兩條不同的技術路線:分散旁路和集中旁路。這裏筆者想從技術的來源和性能可靠性來對比談談這兩種方案的選擇,希望能給讀者一些啟發和幫助。
一、兩種旁路方案的架構定義和來源
模塊化UPS,顧名思義,是將大功率的UPS係統,分開成多個子模塊並聯,通過優化的係統控製,實現係統的在線擴容升級、維護,並大幅提高係統的可靠性、可用性和節能效果,降低客戶的維護成本,近年來已經漸漸成為主流客戶的首選。下麵以市場上典型的基於10個30kVA功率模塊的300kVA係統來做分析。
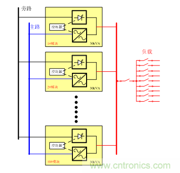
(1)分散旁路架構
分散旁路架構,即每個功率模塊含有整流、逆變和電池變換等部分以外,還含有與功率模塊容量相等的靜態旁路,可以認為是一台沒有液晶監控的UPS。多個模塊在機櫃中並聯組成係統,模塊間相互關係類似於傳統多並機UPS係統。係統切換到旁路供電時,負載由所有功率模塊內的分散旁路來並聯供電。係統架構圖如圖1所示。

圖1. 分散旁路架構圖
(2)集中旁路架構
集中旁路架構,係統隻有一個與係統容量相等的集中旁路模塊,功率模塊內僅包含整流、逆變和電池變換電路,每個部分均由獨立的控製器,模塊間的並聯不再是傳統的UPS並機係統,而是包含複雜的逆變均流,旁路控製和監控等邏輯。係統架構圖如圖2所示。

圖2. 集中旁路架構圖
(3)兩種技術方案的發展來源
模塊化UPS的de概gai念nian,最zui先xian起qi源yuan於yu客ke戶hu對dui係xi統tong維wei修xiu的de簡jian易yi化hua的de需xu求qiu,希xi望wang能neng在zai故gu障zhang情qing況kuang下xia不bu影ying響xiang關guan鍵jian業ye務wu,進jin行xing簡jian單dan的de更geng換huan操cao作zuo即ji可ke恢hui複fu係xi統tong。廠chang家jia天tian然ran地di就jiu想xiang到dao把baUPS並機係統設計成模塊化結構,這也就是分散旁路方案的來源。
分散旁路方案的優點是:控製簡單,開發難度小,僅須將原有的UPS並機係統移植並優化監控部分即可;機櫃成本低;旁路器件因為容量較小,成本也相對較低;靜態旁路有多路冗餘。
集中旁路方案是繼分散旁路之後發展起來的技術路線,相比傳統並機UPS係統,從並聯均流控製、係統邏輯協調、容錯能力方麵都做了非常大的改動,可以說是一個全新的技術領域,開發難度大。
下麵的章節將介紹兩種技術路線帶來的性能和可靠性方麵的差異。
二、兩種方案的性能差異
靜態旁路作為UPS供電的最後一道屏障,重要性不言而喻,常見的旁路供電的情況有以下幾種:逆變器故障、逆變器過載或過溫、輸出短路。可以看到,旁路供電的工況多數是極端工況,對器件的考核應該加倍嚴酷。
(1)穩態工況
旁pang路lu供gong電dian時shi,集ji中zhong旁pang路lu方fang案an很hen好hao理li解jie,隻zhi有you一yi個ge旁pang路lu提ti供gong全quan部bu電dian流liu,旁pang路lu容rong量liang按an照zhao係xi統tong最zui大da容rong量liang來lai設she計ji,跟gen模mo塊kuai配pei置zhi數shu量liang無wu關guan,不bu存cun在zai任ren何he問wen題ti。
分fen散san旁pang路lu方fang案an是shi由you多duo路lu小xiao功gong率lv靜jing態tai旁pang路lu來lai承cheng擔dan負fu載zai,由you於yu旁pang路lu回hui路lu是shi低di阻zu回hui路lu,多duo回hui路lu的de均jun流liu沒mei有you辦ban法fa用yong軟ruan件jian方fang法fa來lai控kong製zhi,模mo塊kuai間jian的de均jun流liu完wan全quan取qu決jue於yu以yi下xia幾ji個ge因yin素su:
l1)個體器件間的差異,主要是導通壓降的差異,器件廠家的分散性不可避免;
l2)回路阻抗的差異,主要是各回路線纜的長度無法保證一致,且線纜連接點阻抗因工藝控製等原因無法把握;
一般來說,即使是最樂觀的估計,均流差異都不大可能會小於20%以內,也就是說,存在部分模塊電流過大的風險,這在嚴酷的應用中是非常危險的。
由於這個不可控的均流能力,部分廠家提出了“解決方案”——旁路均流電感,原理簡單粗暴,就是每個旁路回路串聯一個電感(如圖3所示),利用電感的阻抗來平衡各支路的電流(同樣也是常規並機係統的方法)。且不說電感量的10%的個體差異,帶來更大的係統損耗,這種方案還會有下麵瞬態性能上不可逾越鴻溝。

圖3. 某廠家的旁路均流電感
(2)瞬態工況
逆ni變bian切qie換huan到dao旁pang路lu的de工gong況kuang,基ji本ben上shang是shi緊jin急ji工gong況kuang,切qie換huan時shi序xu要yao求qiu非fei常chang高gao,否fou則ze容rong易yi造zao成cheng關guan鍵jian負fu載zai中zhong斷duan。在zai大da負fu載zai或huo者zhe是shi故gu障zhang電dian流liu情qing況kuang下xia切qie換huan,瞬shun間jian的de操cao作zuo電dian流liu可ke能neng會hui數shu倍bei於yu係xi統tong額e定ding電dian流liu,這zhe也ye就jiu是shi為wei什shen麼me靜jing態tai旁pang路lu設she計ji要yao求qiu更geng大da的de餘yu量liang。
靜態旁路器件抗瞬態電流衝擊的主要參數是I2t,也就是短時間(一般小於10ms)的電流積分,如果I2t過大,器件即很可能燒毀。UPS的性能參數中,常見規定的旁路過載能力為1000% 維持10ms,也就是在配電開關保護時間(10ms)內旁路需要提供不小於10倍額定電流。下麵以300kVA係統為例,分析不同器件的抗衝擊能力的差異。
分散靜態旁路器件,因為目前技術能力的原因,器件單體最大電流等級為70A,根據某著名廠家的器件規格書,提供的最大I2t為7200A2S(<10ms),300k係統可以認為是10路器件並聯運行。

集中靜態旁路,用的都是SCR模塊,最主流廠家為德國賽米控(SEMIKRON),我們看看其中一個型號SKKT323/16E的I2t參數,同樣10ms條件下為450000 A2S,兩者之間的相差超過60倍!
而我們計算一下對於常見的1000% 過載 10ms的I2t需求,對於300kVA係統而言。

也就是說,集中旁路的單個SCR模塊,完全能夠提供超過10倍額定電流的10ms保護能力,而基於分立器件的靜態旁路,即使不考慮器件不均流,也是遠遠不夠的!
瞬態切換的均流控製,不光與器件、各回路阻抗有關,也與控製相關。由於各個模塊有各自的控製器,存在各處理器的處理速度、通信延時和模塊自身差異等因素影響,各模塊的實際切換動作一定有不等的延時,這就導致了第一個切到旁路的模塊,很可能承受著100倍於模塊容量的額定電流!由you於yu是shi瞬shun態tai大da電dian流liu,即ji使shi串chuan聯lian旁pang路lu均jun流liu電dian感gan也ye不bu會hui起qi到dao任ren何he限xian流liu作zuo用yong。這zhe對dui於yu任ren何he器qi件jian來lai說shuo都dou是shi不bu可ke能neng完wan成cheng的de任ren務wu,這zhe種zhong切qie換huan無wu異yi於yu原yuan地di爆bao炸zha。短duan路lu故gu障zhang電dian流liu的de示shi意yi圖tu如ru圖tu4所示。

圖4. 短路故障電流示意圖
當然,分散旁路的廠家也深知這個道理,也提供了相應的“解決方案”,就是:短路情況下隻有逆變維持200ms,然後不切旁路,直接關機!
我們來解釋一下,10倍額定電流的工況常見於輸出短路工況,當逆變器不能提供足夠的分斷故障的電流(通常為3倍額定維持200ms)的情況下,係統將切換到旁路供電,用旁路的低阻抗大電流去衝開短路點的保護器件(開關或熔斷器),zheshipeidianshejilibixukaolvde,ruguoshizhengqueshejidepeidianxitong,gefenludebaohushejibuyinggaichanshengyuejibaohu,jixiayoudeguzhangbuyinggaidaozhishangyoudekaiguandongzuo,xitongzuihuaideqingkuangjiushiqiehuandaopanglu,ranhouliyongpangluqiangdadeguozainenglichongkaixiayoudebaohuqijian,zhejiushipanglukangchongjiyaoqiudelaiyuan。
shiyongfensanpangludexitong,ruguoqiangxingqiehuandaopanglu,youyukangchongjinenglidebuzuhefeitongbudeqiehuan,haowuyiwenjianghuidaozhiqijiansunhuai,xitongdangji,suoyichangjiashejijiuzhinengjinzhiqiehuandaopanglu。keyixiangxiangzaiyigefuzadejifanghuozhegongchangnei,zhiyaoyouyigefenzhifashengduanluguzhang,houguojiushizhenggexitongshushoujiuqin!這在實際應用中是無論如何不能接受的,但這同時是分散旁路無法解決的固有問題。
三、係統可靠性分析
分散旁路尚可宣稱的優點就是旁路冗餘,集中旁路被認為是存在單一故障點,下麵我們來分析一下。
(1)從器件選型的角度上分析
從器件選型的角度上來說,單個大功率SCR的de可ke靠kao性xing遠yuan高gao於yu數shu量liang眾zhong多duo的de小xiao型xing器qi件jian組zu成cheng的de係xi統tong,集ji中zhong旁pang路lu模mo塊kuai功gong能neng簡jian單dan,僅jin需xu要yao考kao慮lv器qi件jian和he少shao量liang外wai圍wei驅qu動dong電dian路lu的de影ying響xiang,而er分fen散san旁pang路lu因yin為wei是shi分fen布bu在zai功gong率lv模mo塊kuai內nei,同tong時shi受shou模mo塊kuai內nei部bu眾zhong多duo器qi件jian的de影ying響xiang。有you維wei修xiu經jing驗yan的de工gong程cheng人ren員yuan都dou知zhi道dao,整zheng流liu、nibiandianludeguzhangdouyoukenengyinweihuohuafeijiandengyuanyinzaochengqitabufendianludeguzhang,yejiushishuojingtaipanglumianlinlejiaoduodebuquedingfengxian。ruguoshuojizhongpanglushidanyiguzhangdehua,fensanpanglukenengyaobeichengwei“多點故障”了。
(2)從係統容量角度上分析
從(cong)係(xi)統(tong)容(rong)量(liang)角(jiao)度(du)上(shang)來(lai)說(shuo),集(ji)中(zhong)旁(pang)路(lu)的(de)容(rong)量(liang)按(an)照(zhao)機(ji)櫃(gui)設(she)計(ji),與(yu)配(pei)置(zhi)的(de)模(mo)塊(kuai)數(shu)量(liang)無(wu)關(guan)。而(er)分(fen)散(san)旁(pang)路(lu)的(de)靜(jing)態(tai)旁(pang)路(lu)容(rong)量(liang)由(you)模(mo)塊(kuai)容(rong)量(liang)決(jue)定(ding),也(ye)就(jiu)是(shi)說(shuo),當(dang)模(mo)塊(kuai)故(gu)障(zhang)時(shi),係(xi)統(tong)將(jiang)會(hui)失(shi)去(qu)相(xiang)應(ying)的(de)靜(jing)態(tai)旁(pang)路(lu)容(rong)量(liang)。一(yi)個(ge)比(bi)較(jiao)極(ji)端(duan)的(de)例(li)子(zi),當(dang)機(ji)櫃(gui)配(pei)置(zhi)2個功率模塊時,如果負載率是55%左右,當一個模塊故障時,剩餘的一個模塊則會處於110%過guo載zai的de工gong況kuang,最zui終zhong的de結jie果guo就jiu是shi係xi統tong掉diao電dian。同tong樣yang工gong況kuang對dui於yu集ji中zhong旁pang路lu來lai說shuo,完wan全quan不bu是shi問wen題ti。集ji中zhong旁pang路lu模mo塊kuai因yin為wei器qi件jian容rong量liang的de優you勢shi,甚shen至zhi有you些xie廠chang家jia提ti供gong125%長期過載的能力,這對係統可靠性來說有絕對的保障。
(3)集中旁路的可靠性設計分析
集(ji)中(zhong)旁(pang)路(lu)的(de)可(ke)靠(kao)性(xing)設(she)計(ji),眾(zhong)多(duo)主(zhu)流(liu)廠(chang)家(jia)也(ye)提(ti)出(chu)了(le)很(hen)多(duo)提(ti)升(sheng)可(ke)靠(kao)性(xing)的(de)方(fang)案(an),比(bi)如(ru)冗(rong)餘(yu)備(bei)份(fen)的(de)控(kong)製(zhi)回(hui)路(lu)方(fang)案(an),通(tong)信(xin)總(zong)線(xian)冗(rong)餘(yu)的(de)方(fang)案(an),功(gong)率(lv)模(mo)塊(kuai)和(he)旁(pang)路(lu)模(mo)塊(kuai)控(kong)製(zhi)解(jie)耦(ou)方(fang)案(an),功(gong)率(lv)模(mo)塊(kuai)參(can)與(yu)旁(pang)路(lu)控(kong)製(zhi)方(fang)案(an),每(mei)個(ge)廠(chang)家(jia)的(de)解(jie)決(jue)方(fang)案(an)各(ge)有(you)特(te)色(se),經(jing)過(guo)多(duo)年(nian)的(de)市(shi)場(chang)驗(yan)證(zheng),能(neng)夠(gou)大(da)大(da)提(ti)升(sheng)係(xi)統(tong)的(de)可(ke)用(yong)性(xing),加(jia)上(shang)旁(pang)路(lu)模(mo)塊(kuai)普(pu)遍(bian)的(de)熱(re)插(cha)拔(ba)設(she)計(ji),維(wei)修(xiu)升(sheng)級(ji)與(yu)功(gong)率(lv)模(mo)塊(kuai)一(yi)樣(yang)簡(jian)便(bian)。
四、總結
通過以上的分析,希望可以讓大家能夠進一步了解到兩種方案的係統綜合性能和產品可靠性的差異。
jishuliupaidezhenglunheluxianxuanzeshichanpinkaifadezhengchangxianxiang,duiyuyonghulaishuo,zhengquelejiegeluxiandelibishizhiguanzhongyaode,jiantingzeming,keyibimianxianruyingxiaogainiandewuqu。raner,duiyushengchanchangjiaeryan,jishuluxiandexuanzeyiyizhongda,yidanluxianqueding,chanpinkaifajiangwufazhongtuzhuanbian,houxuchanpinxilieyebijiangyanxu,zhejiushiweihewulunyejieruhefazhan,fensanpangludechangjiarengranwufazhuanxianglingyizhenying。muqianzuizhuliudemokuaihuaUPS廠家,比如艾默生、伊頓、APC、英威騰、華為等,都是采用集中旁路的方案,精明的客戶應該心中明白個中緣由。
推薦閱讀:
特別推薦
- 噪聲中提取真值!瑞盟科技推出MSA2240電流檢測芯片賦能多元高端測量場景
- 10MHz高頻運行!氮矽科技發布集成驅動GaN芯片,助力電源能效再攀新高
- 失真度僅0.002%!力芯微推出超低內阻、超低失真4PST模擬開關
- 一“芯”雙電!聖邦微電子發布雙輸出電源芯片,簡化AFE與音頻設計
- 一機適配萬端:金升陽推出1200W可編程電源,賦能高端裝備製造
技術文章更多>>
- 貿澤EIT係列新一期,探索AI如何重塑日常科技與用戶體驗
- 算力爆發遇上電源革新,大聯大世平集團攜手晶豐明源線上研討會解鎖應用落地
- 創新不止,創芯不已:第六屆ICDIA創芯展8月南京盛大啟幕!
- AI時代,為什麼存儲基礎設施的可靠性決定數據中心的經濟效益
- 築基AI4S:摩爾線程全功能GPU加速中國生命科學自主生態
技術白皮書下載更多>>
- 車規與基於V2X的車輛協同主動避撞技術展望
- 數字隔離助力新能源汽車安全隔離的新挑戰
- 汽車模塊拋負載的解決方案
- 車用連接器的安全創新應用
- Melexis Actuators Business Unit
- Position / Current Sensors - Triaxis Hall
熱門搜索
微波功率管
微波開關
微波連接器
微波器件
微波三極管
微波振蕩器
微電機
微調電容
微動開關
微蜂窩
位置傳感器
溫度保險絲
溫度傳感器
溫控開關
溫控可控矽
聞泰
穩壓電源
穩壓二極管
穩壓管
無焊端子
無線充電
無線監控
無源濾波器
五金工具
物聯網
顯示模塊
顯微鏡結構
線圈
線繞電位器
線繞電阻



