三大招幫你實現CAN總線節點設計的可靠性
發布時間:2017-02-20 責任編輯:susan
【導讀】CAN總線通訊已經從汽車電子行業逐漸向各行各業鋪開使用了,例如軌道交通、礦井監控等。在設計CAN總線接口電路時需要注意哪些問題呢?
對於提高CAN總線節點的可靠性而言,離不開隔離、總線阻抗匹配、總線保護等,在設計CAN節點時要注意這些點以提高總線電路可靠性和安全性。
一、隔離
信號隔離
隔ge離li收shou發fa器qi可ke將jiang總zong線xian和he控kong製zhi電dian路lu進jin行xing電dian氣qi隔ge離li,將jiang高gao壓ya阻zu擋dang在zai控kong製zhi係xi統tong之zhi外wai,可ke以yi有you效xiao地di保bao證zheng操cao作zuo人ren員yuan的de人ren身shen及ji係xi統tong安an全quan。不bu僅jin如ru此ci,隔ge離li可ke以yi抑yi製zhi由you接jie地di電dian勢shi差cha、接地環路引起的各種共模幹擾,保證總線在嚴重幹擾和其它係統級噪聲存在的情況下不間斷、無差錯運行。如圖 1所suo示shi,使shi用yong隔ge離li收shou發fa器qi後hou,可ke以yi有you效xiao防fang止zhi形xing成cheng地di環huan路lu,總zong線xian參can考kao地di可ke跟gen隨sui共gong模mo電dian壓ya的de波bo動dong而er波bo動dong,共gong模mo電dian壓ya全quan部bu由you隔ge離li帶dai承cheng受shou,共gong模mo電dian壓ya對dui總zong線xian信xin號hao變bian得de不bu再zai可ke見jian,從cong而er保bao證zheng總zong線xian穩wen定ding可ke靠kao地di通tong信xin。

CAN總線上建議使用磁隔離技術。磁隔離技術可靠性較高,磁耦消除了與光耦合器相關的不確定的電流傳送比率、非線性傳送特性以及隨時間漂移和隨溫度漂移問題;磁耦均帶有25KV/us的瞬態共模抑製能力,且能夠在電壓差峰值560V的環境下正常工作。磁耦器件可提供5000Vrms/min及6000V/10sec的電壓隔離保護,多種型號的磁耦帶有±15KV的ESD保護。長壽命。采用芯片級變壓器技術傳輸信號,消除光耦傳輸時的器件損耗。器件內部基本不存在損耗,正常工作條件下至少達到50年nian工gong作zuo壽shou命ming。低di功gong耗hao。磁ci耦ou基ji於yu芯xin片pian級ji變bian壓ya器qi傳chuan輸shu原yuan理li,信xin號hao傳chuan輸shu時shi幾ji乎hu不bu存cun在zai能neng量liang損sun耗hao,因yin此ci能neng以yi極ji低di的de功gong耗hao實shi現xian高gao度du的de數shu據ju隔ge離li。相xiang同tong速su率lv下xia,其qi功gong耗hao僅jin為wei光guang耦ou的de1/10~1/6。
電源隔離
信號通道做隔離後,建議電源通道也做隔離,可直接采用帶隔離的DC-DC隔離模塊實現,如下圖所示。

DC-DC隔離電源模塊
二、阻抗匹配
電信號在在電纜上(shang)傳(chuan)輸(shu)時(shi),當(dang)阻(zu)抗(kang)不(bu)連(lian)續(xu)或(huo)者(zhe)發(fa)生(sheng)突(tu)變(bian)時(shi),就(jiu)會(hui)發(fa)生(sheng)信(xin)號(hao)反(fan)射(she)。反(fan)射(she)的(de)過(guo)程(cheng)十(shi)分(fen)的(de)複(fu)雜(za),甚(shen)至(zhi)可(ke)能(neng)發(fa)生(sheng)多(duo)次(ci)反(fan)射(she),反(fan)射(she)的(de)信(xin)號(hao)疊(die)加(jia)在(zai)正(zheng)常(chang)的(de)信(xin)號(hao)上(shang),引(yin)起(qi)電(dian)平(ping)變(bian)化(hua),導(dao)致(zhi)數(shu)據(ju)傳(chuan)輸(shu)出(chu)現(xian)錯(cuo)誤(wu)。為(wei)了(le)消(xiao)減(jian)這(zhe)種(zhong)信(xin)號(hao)反(fan)射(she)的(de)方(fang)法(fa),我(wo)們(men)是(shi)使(shi)傳(chuan)輸(shu)電(dian)纜(lan)上(shang)的(de)阻(zu)抗(kang)保(bao)持(chi)連(lian)續(xu),但(dan)是(shi)電(dian)纜(lan)總(zong)是(shi)有(you)終(zhong)點(dian)的(de),終(zhong)點(dian)的(de)阻(zu)抗(kang)是(shi)突(tu)變(bian)的(de),為(wei)了(le)使(shi)終(zhong)點(dian)阻(zu)抗(kang)保(bao)持(chi)連(lian)續(xu),CAN-Bus規定要在電纜兩端接入匹配電阻。這個終端電阻的阻值一般選用120Ω。如圖 3所示。

CAN總線終端電阻匹配
三、保護措施
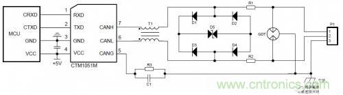
節點在戶外等惡劣的現場環境時,容易遭受大能量的雷擊,此時需要對CAN 信號端口添加更高等級的防護電路,保證節點不被損壞以及總線的可靠通訊。

CAN節點端口推薦電路
上圖中除了右端的保護電路,中間使用的CAN隔離收發器模塊,該模塊主要集成了CAN收發器、DC-DC電源模塊、信號隔離電路三部分電路,打包封裝成一個獨立的模塊,可大大簡化CAN硬件設定的難度,降低開發時間成本。

CTM1051CAN隔離收發模塊
特別推薦
- 噪聲中提取真值!瑞盟科技推出MSA2240電流檢測芯片賦能多元高端測量場景
- 10MHz高頻運行!氮矽科技發布集成驅動GaN芯片,助力電源能效再攀新高
- 失真度僅0.002%!力芯微推出超低內阻、超低失真4PST模擬開關
- 一“芯”雙電!聖邦微電子發布雙輸出電源芯片,簡化AFE與音頻設計
- 一機適配萬端:金升陽推出1200W可編程電源,賦能高端裝備製造
技術文章更多>>
- 貿澤EIT係列新一期,探索AI如何重塑日常科技與用戶體驗
- 算力爆發遇上電源革新,大聯大世平集團攜手晶豐明源線上研討會解鎖應用落地
- 創新不止,創芯不已:第六屆ICDIA創芯展8月南京盛大啟幕!
- AI時代,為什麼存儲基礎設施的可靠性決定數據中心的經濟效益
- 矽典微ONELAB開發係列:為毫米波算法開發者打造的全棧工具鏈
技術白皮書下載更多>>
- 車規與基於V2X的車輛協同主動避撞技術展望
- 數字隔離助力新能源汽車安全隔離的新挑戰
- 汽車模塊拋負載的解決方案
- 車用連接器的安全創新應用
- Melexis Actuators Business Unit
- Position / Current Sensors - Triaxis Hall
熱門搜索
Future
GFIVE
GPS
GPU
Harting
HDMI
HDMI連接器
HD監控
HID燈
I/O處理器
IC
IC插座
IDT
IGBT
in-cell
Intersil
IP監控
iWatt
Keithley
Kemet
Knowles
Lattice
LCD
LCD模組
LCR測試儀
lc振蕩器
Lecroy
LED
LED保護元件
LED背光


