電路精選:NFC無線通信係統接口與複位電路模塊設計
發布時間:2016-12-29 責任編輯:sherry
【導讀】單片機無線通信係統設計基於PTR2000無線數據傳輸解決方案,可實現小於300 m的短距離通信,在應用時將係統作為一個模塊可方便地移植,以便構建更為複雜的無線通信網絡,可應用於小型無線網絡、無線抄表、小區傳呼、工業數據采集係統、安全防火係統等領域,具有一定實用價值。
短距離無線傳輸具有抗幹擾性能強、可靠性高、安全性好、受地理條件限製少、安裝靈活等優點,在許多領域有著廣泛的應用前景。低功耗、微型化是用戶對當前無線通信產品尤其是便攜產品的實際需求,短距離無線通信逐漸引起廣泛關注。常見的短距離無線通信有基於802.11的無線局域網WLAN、藍牙 (blueTooth)、HomeRF及歐洲的HiperLAN(高性能無線局域網),但其硬件設計、接口方式、通信協議及軟件堆棧複雜,需專門的開發係統,開發成本高、周期長,最終產品成本也高。因此這些技術在嵌入式係統中並未得到廣泛應用。普通RF產品不存在這些問題,且短距離無線數據傳輸技術成熟,功能簡單、攜帶方便,使其在嵌入式短程無線產品中得到了廣泛應用。
本文介紹的是采用NFC技術的無線通信係統接口和複位電路模塊的設計
電路原理:
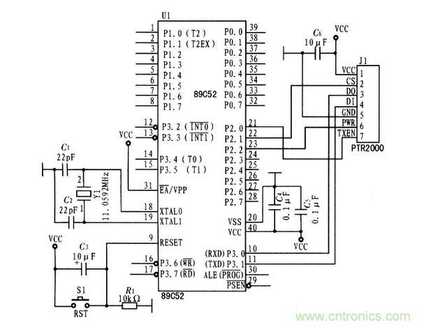
單片機的時鍾電路和複位電路:單片機時鍾電路設計中,選擇晶振頻率11.059 2 MHz,約定PC機和單片機的通信速率為9 600 b/s,並選擇相應電容與單片機的時鍾引腳相連構成時鍾回路。在複位電路設計中,采用複位引腳和相應的電容、電阻構成複位電路。單片機與PTR2000接口原理電路如圖所示。

圖1 單片機與PTR2000接口原理圖
單片機與PTR2000接口電路:AT89C52 單片機主要完成數據的采集和處理,向PTR2000模塊發送數據,並接收由PC機通過PTR2000 傳送的數據。和單片機相連的PTR2000模塊主要將單片機的待傳數據調製成射頻信號,再發送到PC機端的PTR2000模塊,同時接收PC機端的 PTR2000模塊傳送的射頻信號,並調製成單片機可識別的TTL信號送至單片機。單片機的RXD和TXD引腳分別和PTR2000的DO和DI引腳連接,實現串行數據傳輸;決定PTR2000模塊工作模式的TXEN、CS、PWR 3個引腳分別和單片機I/O控製口的P2.0~P2.2相連,PTR2000工作時,由單片機中的運行控製程序實時控製其工作模式。

圖2 PC與PTR2000接口原理圖
該接口電路設計首先需進行電平轉換。PC機的串口支持RS-232標準,而PTR2000模塊支持TTL電平,選擇MAX232器件進行兩者間的電平轉換,接口電路如圖所示。PTR2000模塊進行串行輸入、輸出,引腳DI、DO通過電平轉換器件和PC機串口相連;PTR2000的低功耗控製引腳。 PWR接高電平VCC,即PTR2000固定工作在正常工作狀態;頻道選擇引腳CS接GND低電平,即采用固定通信頻道1,固定工作在433.92 MHz;PC機串口的RTS信號控製TXEN引腳,以決定PTR2000模塊何時為接收和發射狀態。PC機和串口的傳輸速率設定為9 600 b/s,和單片機保持一致。
特別推薦
- 噪聲中提取真值!瑞盟科技推出MSA2240電流檢測芯片賦能多元高端測量場景
- 10MHz高頻運行!氮矽科技發布集成驅動GaN芯片,助力電源能效再攀新高
- 失真度僅0.002%!力芯微推出超低內阻、超低失真4PST模擬開關
- 一“芯”雙電!聖邦微電子發布雙輸出電源芯片,簡化AFE與音頻設計
- 一機適配萬端:金升陽推出1200W可編程電源,賦能高端裝備製造
技術文章更多>>
- 貿澤EIT係列新一期,探索AI如何重塑日常科技與用戶體驗
- 算力爆發遇上電源革新,大聯大世平集團攜手晶豐明源線上研討會解鎖應用落地
- 創新不止,創芯不已:第六屆ICDIA創芯展8月南京盛大啟幕!
- AI時代,為什麼存儲基礎設施的可靠性決定數據中心的經濟效益
- 矽典微ONELAB開發係列:為毫米波算法開發者打造的全棧工具鏈
技術白皮書下載更多>>
- 車規與基於V2X的車輛協同主動避撞技術展望
- 數字隔離助力新能源汽車安全隔離的新挑戰
- 汽車模塊拋負載的解決方案
- 車用連接器的安全創新應用
- Melexis Actuators Business Unit
- Position / Current Sensors - Triaxis Hall
熱門搜索
Future
GFIVE
GPS
GPU
Harting
HDMI
HDMI連接器
HD監控
HID燈
I/O處理器
IC
IC插座
IDT
IGBT
in-cell
Intersil
IP監控
iWatt
Keithley
Kemet
Knowles
Lattice
LCD
LCD模組
LCR測試儀
lc振蕩器
Lecroy
LED
LED保護元件
LED背光



