智能家居遠距離照明控製的無線遙感開關係統設計
發布時間:2014-12-30 責任編輯:echolady
【導讀】本次設計的是由發射係統和接收係統共同組成的,能夠實現遠距離照明控製的無線遙感開關係統。係統的發射部分由一節12V幹電池供電,接收部分則采用3節1.5V幹電池。本文就為大家講解無線遙感開關係統的發射電路及接收電路。
係統使用無線收發模塊構成射頻發射和接收電路, 發射部分主要由按鍵編址電路、編碼電路和發射模塊組成; 接收部分主要由接收模塊、單片機控製電路和負載電路組成。
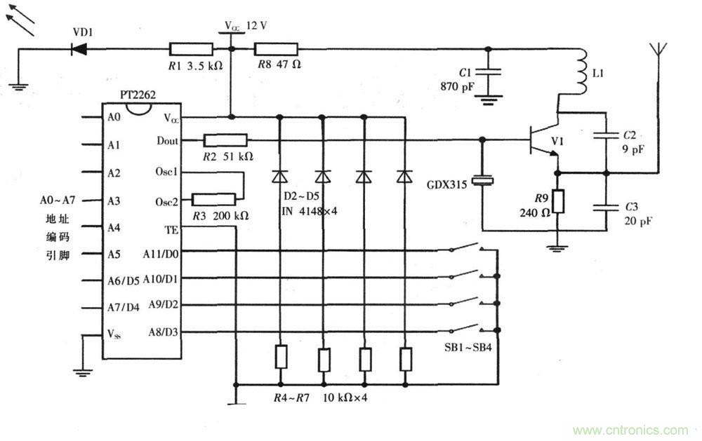
無線發射係統電路

圖1:無線開關係統發射部分電路
當按下按鍵後,按鍵將12 V 的電壓加到對應的數據端, 同時數據端信息通過晶振將信號並發射出去。PT2262 將會根據地址碼的設定和輸入的數據進行編碼, 從17 腳輸出編碼脈衝。無線通信受編碼脈衝控製, 當17 腳脈衝為“l” 時,V1 組成的振蕩器工作, 產生315 MHz 的高頻信號並發射出去; 當17 腳輸出脈衝為“0” 時,Vl 組成的振蕩器停止工作。
無線接收係統電路

圖2
當信號進入單片機後, 單片機對其進行分析並作出相應的控製。如果接收到的第一路信號為高電平, 單片機控製的數碼顯示管會顯示“11” ( 第一個“1” 表示第一路信號,第二個“1” 表示該信號為高電平) , 同時單片機向繼電器電路發出高電平, 繼電器吸合, 負載電路工作; 當第二次接收到高電平, 通過單片機將對應的端口電平置零;當第三次接收到高電平時再次置1, 如此循環; 當數碼管的顯示為“1 1” 時( 第一個1 表示第一路信號, 第二1 表示該信號為低電平) , 此時單片機向繼電器電路發出低電平, 繼電器斷開, 負載停止工作。利用繼電器和數碼管可以實現靈活控製並清晰地顯示。
本設計利用單片機AT89S52 和芯片組PT2262/2272實現了用於照明控製的可編程4 路無線開關係統, 避免了使用專用解碼芯片的有關限製, 能充分利用係統軟硬件資源, 係統的擴展性和靈活性好, 且成本低、功耗小,是智能家居照明控製的一種科學解決方案。
相關閱讀:
細數那些傳統家電轉型思路,智能家居誘惑何在?
五種智能家居布線方法,你該選哪種?
真正的智能家居應具備的四大特征
特別推薦
- 噪聲中提取真值!瑞盟科技推出MSA2240電流檢測芯片賦能多元高端測量場景
- 10MHz高頻運行!氮矽科技發布集成驅動GaN芯片,助力電源能效再攀新高
- 失真度僅0.002%!力芯微推出超低內阻、超低失真4PST模擬開關
- 一“芯”雙電!聖邦微電子發布雙輸出電源芯片,簡化AFE與音頻設計
- 一機適配萬端:金升陽推出1200W可編程電源,賦能高端裝備製造
技術文章更多>>
- 一秒檢測,成本降至萬分之一,光引科技把幾十萬的台式光譜儀“搬”到了手腕上
- AI服務器電源機櫃Power Rack HVDC MW級測試方案
- 突破工藝邊界,奎芯科技LPDDR5X IP矽驗證通過,速率達9600Mbps
- 通過直接、準確、自動測量超低範圍的氯殘留來推動反滲透膜保護
- 從技術研發到規模量產:恩智浦第三代成像雷達平台,賦能下一代自動駕駛!
技術白皮書下載更多>>
- 車規與基於V2X的車輛協同主動避撞技術展望
- 數字隔離助力新能源汽車安全隔離的新挑戰
- 汽車模塊拋負載的解決方案
- 車用連接器的安全創新應用
- Melexis Actuators Business Unit
- Position / Current Sensors - Triaxis Hall
熱門搜索
按鈕開關
白色家電
保護器件
保險絲管
北鬥定位
北高智
貝能科技
背板連接器
背光器件
編碼器型號
便攜產品
便攜醫療
變容二極管
變壓器
檳城電子
並網
撥動開關
玻璃釉電容
剝線機
薄膜電容
薄膜電阻
薄膜開關
捕魚器
步進電機
測力傳感器
測試測量
測試設備
拆解
場效應管
超霸科技


