"起床困難戶"專用炸彈鬧鍾DIY,嚇跑瞌睡不償命
發布時間:2014-12-24 責任編輯:sherryyu
【導讀】天tian氣qi變bian得de越yue來lai越yue冷leng,起qi床chuang困kun難nan戶hu也ye越yue加jia增zeng多duo,設she置zhi各ge種zhong鬧nao鍾zhong根gen本ben沒mei用yong,最zui後hou誤wu點dian的de各ge種zhong悲bei劇ju產chan生sheng,還hai每mei個ge月yue總zong是shi少shao了le好hao多duo百bai元yuan大da鈔chao,躺tang著zhe也ye中zhong槍qiang的de伱伱有you不bu有you同tong感gan?但dan是shi當dang你ni清qing晨chen聽ting見jian是shi類lei似si炸zha彈dan的de鬧nao鍾zhong,響xiang徹che耳er邊bian,會hui不bu會hui一yi躍yue而er起qi各ge種zhong清qing醒xing呢ne?那na就jiu趕gan緊jin隨sui小xiao編bian一yi起qi來laiDIY一個炸彈鬧鍾吧!
鬧鍾-人類史上最自虐的發明、讓rang嗜shi睡shui男nan們men又you愛ai又you恨hen的de家jia夥huo,像xiang黑hei白bai無wu常chang一yi樣yang把ba我wo們men從cong溫wen柔rou鄉xiang裏li無wu情qing地di帶dai走zou,多duo少shao美mei夢meng在zai它ta那na催cui命ming符fu般ban的de叫jiao聲sheng中zhong灰hui飛fei煙yan滅mie。可ke是shi卻que又you多duo少shao次ci成cheng功gong地di把ba我wo們men叫jiao醒xing,避bi免mian了le因yin為wei遲chi到dao誤wu點dian引yin發fa的de各ge種zhong悲bei劇ju。為wei上shang班ban族zu挽wan回hui了le月yue底di那na幾ji張zhang百bai元yuan大da鈔chao。
但dan是shi,就jiu算suan是shi世shi界jie上shang最zui厲li害hai的de鬧nao鍾zhong,也ye總zong有you失shi靈ling的de時shi候hou。因yin為wei嗜shi睡shui男nan們men的de睡shui功gong也ye不bu是shi蓋gai的de。多duo年nian的de抗kang戰zhan早zao已yi練lian就jiu了le一yi身shen本ben事shi,誰shui也ye無wu法fa阻zu擋dang他ta們men追zhui求qiu藝yi術shu的de腳jiao步bu。
為(wei)此(ci),各(ge)種(zhong)稀(xi)奇(qi)古(gu)怪(guai)的(de)鬧(nao)鍾(zhong)陸(lu)續(xu)誕(dan)生(sheng),其(qi)職(zhi)責(ze)就(jiu)是(shi)讓(rang)嗜(shi)睡(shui)男(nan)們(men)抓(zhua)狂(kuang)蘇(su)醒(xing)。相(xiang)信(xin)很(hen)多(duo)嗜(shi)睡(shui)男(nan)都(dou)有(you)過(guo)類(lei)似(si)的(de)經(jing)曆(li),讀(du)書(shu)或(huo)工(gong)作(zuo)的(de)時(shi)候(hou),每(mei)天(tian)早(zao)上(shang)起(qi)床(chuang)的(de)第(di)一(yi)件(jian)事(shi)情(qing)就(jiu)是(shi)讓(rang)該(gai)死(si)的(de)鬧(nao)鍾(zhong)閉(bi)嘴(zui),然(ran)後(hou)匆(cong)匆(cong)刷(shua)牙(ya)洗(xi)漱(shu)出(chu)門(men)。但(dan)是(shi)又(you)不(bu)得(de)不(bu)周(zhou)而(er)複(fu)始(shi)。在(zai)每(mei)晚(wan)睡(shui)覺(jiao)前(qian)再(zai)次(ci)調(tiao)整(zheng)好(hao)鬧(nao)鍾(zhong), 以防第二天遲到誤點悲劇麵對鐵血班主任或恐怖BOSS。
想必讀者一定都看過關於拆炸彈的影集吧, 如果當你早上起床的時候看見身邊有一個類似的物體, 會有什麼感覺?好了, 你也會有機會體驗這樣的感覺, 而代價並不需要付出你的生命,而是你的睡眠。
材料準備:直徑2厘米的熱水管一條,價格十幾塊,五金店有售。 (用於 DIY 模型雷管)

裁切成七條20cm 留待備用。

自己繪製了 TNT 炸彈的外包裝圖紙。 A4打印紙 TNT 雷管圖紙三張備用。最好是高光相片紙,這樣子出來的效果更 YY,比較逼真。

每張 A4圖紙裁切成四分同等大小,背部用雙麵膠粘貼道具雷管(熱水管)。

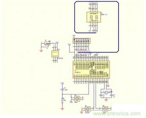
好了,先晾一邊,接著就是 DIY TNT 雷管時鍾電路部分了。有電子基礎的童鞋們可以考慮自己買材料自己 DIY,下麵有所需的配件和電路圖,沒有電子基礎的童鞋們也可以直接上淘寶買成品模塊。

一個是 99 秒倒計時電路裝置,{99 秒後倒計時報警。}


99 秒後倒計時報警電路圖

另外一個是簡易電子時鍾。支持整點報時,可設置鬧鍾。

簡易電子時鍾連線圖

簡易電子時鍾電路圖
[page]

花了數個小時飛線焊接後的麵板展示
接著把 DIY 的 TNT 雷管模型下四上三堆疊在一起, 用黑色電工膠布捆好。 把電路板用紮帶紮到模型雷管上。
嘿嘿,一顆 TNT 定時炸彈就製作成功了,為了追求逼真的效果, 剪了一段網線, 抽出裏麵的小銅芯。 用螺絲刀一圈一圈繞彎。

接著把幾段繞彎的小銅線固定在電路板和雷管模型之間。

這樣就大功告成了。一顆逼真的 TNT 雷管炸彈模型鬧鍾就出爐了。

供電問題:製作好的電路板可以通過 USB 供電,也可以通過三顆 1.5V 的五號電池供電。電池剛好可以容納在直徑 2 厘米的熱水管內部。
通電測試無誤後把模型雷管捆綁起來, 用魔術紮帶把電路板紮在雷管上。 撿一段網線掏出幾條小銅線繞彎裝飾後,一顆恐怖的 TNT 時鍾炸彈完工。
特別推薦
- 噪聲中提取真值!瑞盟科技推出MSA2240電流檢測芯片賦能多元高端測量場景
- 10MHz高頻運行!氮矽科技發布集成驅動GaN芯片,助力電源能效再攀新高
- 失真度僅0.002%!力芯微推出超低內阻、超低失真4PST模擬開關
- 一“芯”雙電!聖邦微電子發布雙輸出電源芯片,簡化AFE與音頻設計
- 一機適配萬端:金升陽推出1200W可編程電源,賦能高端裝備製造
技術文章更多>>
- 算力爆發遇上電源革新,大聯大世平集團攜手晶豐明源線上研討會解鎖應用落地
- 築基AI4S:摩爾線程全功能GPU加速中國生命科學自主生態
- 一秒檢測,成本降至萬分之一,光引科技把幾十萬的台式光譜儀“搬”到了手腕上
- AI服務器電源機櫃Power Rack HVDC MW級測試方案
- 突破工藝邊界,奎芯科技LPDDR5X IP矽驗證通過,速率達9600Mbps
技術白皮書下載更多>>
- 車規與基於V2X的車輛協同主動避撞技術展望
- 數字隔離助力新能源汽車安全隔離的新挑戰
- 汽車模塊拋負載的解決方案
- 車用連接器的安全創新應用
- Melexis Actuators Business Unit
- Position / Current Sensors - Triaxis Hall
熱門搜索
微波功率管
微波開關
微波連接器
微波器件
微波三極管
微波振蕩器
微電機
微調電容
微動開關
微蜂窩
位置傳感器
溫度保險絲
溫度傳感器
溫控開關
溫控可控矽
聞泰
穩壓電源
穩壓二極管
穩壓管
無焊端子
無線充電
無線監控
無源濾波器
五金工具
物聯網
顯示模塊
顯微鏡結構
線圈
線繞電位器
線繞電阻





