200W太陽能光伏並網逆變器控製設計全過程
發布時間:2013-08-26 來源:電子元件技術網論壇 責任編輯:Cynthiali
【導讀】一款功率為200W太陽能光伏並網逆變器設計全過程,可將太陽能電池板產生的直流電直接轉換為220V/50Hz的工頻正弦交流電輸出至電網。從光伏並網逆變器電路原理、係統控製方案、主要元器件選擇……到係統保護,包括全套資料哦!
一種小功率光伏並網逆變器的控製係統:DC/DC控製器的拓撲結構采用推挽式電路,是用芯片SG3525來控製的,該電路有效地防止了偏磁,DC/AC逆變器為全橋逆變電路,是用DSP來控製的,由於DSP的(de)運(yun)算(suan)速(su)度(du)比(bi)較(jiao)高(gao),因(yin)此(ci)逆(ni)變(bian)器(qi)的(de)輸(shu)出(chu)電(dian)流(liu)能(neng)夠(gou)很(hen)好(hao)地(di)跟(gen)蹤(zong)電(dian)網(wang)電(dian)壓(ya)波(bo)形(xing)。該(gai)光(guang)伏(fu)並(bing)網(wang)逆(ni)變(bian)器(qi)控(kong)製(zhi)方(fang)案(an)的(de)有(you)效(xiao)性(xing)在(zai)實(shi)驗(yan)室(shi)得(de)到(dao)驗(yan)證(zheng)。該(gai)控(kong)製(zhi)係(xi)統(tong)能(neng)確(que)保(bao)逆(ni)變(bian)電(dian)源(yuan)的(de)輸(shu)出(chu)功(gong)率(lv)因(yin)數(shu)接(jie)近(jin)1,輸出電流為正弦波形。

1 光伏並網逆變器電路原理
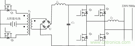
太陽能光伏並網逆變器的主電路原理圖如圖1所示。在本係統中,太陽能電池板輸出的額定電壓為62V的直流電,通過DC/DC變換器被轉換為400V直流電,接著經過DC/AC逆變後就得到220V/50Hz的交流電。係統保證並網逆變器輸出的220V/50Hz正弦電流與電網的相電壓同步。

圖1 電路原理框圖
2 係統控製方案
圖2為光伏並網逆變器的主電路拓撲圖,此係統由前級的DC/DC變換器和後級的DC/AC逆變器組成。DC/DC變換器的逆變電路可選擇的型式有半橋式、全橋式、推挽式。考慮到輸入電壓較低,如采用半橋式則開關管電流變大,而采用全橋式則控製複雜、開關管功耗增大,因此這裏采用推挽式電路。DC/DC變換器由推挽逆變電路、高頻變壓器、整流電路和濾波電感構成,它將太陽能電池板輸出的62V的直流電壓轉換成400V的直流電壓。

圖2 主電路拓撲圖
DC/AC逆變器的主電路采用全橋式結構,由4個MOS管(該管內部寄生了反並聯的二極管)構成,它將400V的直流電轉換成為220V/50Hz的工頻交流電。
下頁內容:DC/DC變換器控製方案
[page]
2.2.1 DC/DC變換器控製方案

圖3 DC/DC變換器的控製框圖
DC/DC變換器的控製框圖如圖3所示。控製電路是以集成電路SG3525為核心,由SG3525輸出的兩路50kHz的驅動信號,經門極驅動電路加在推挽電路開關管Q1和Q2的門極上。為保持DC/DC變換器輸出電壓的穩定,將檢測到的輸出電壓與指令電壓進行比較,該誤差電壓經PI調節器後控製 SG3525輸出驅動信號的占空比。該控製電路還具有限製輸出過流過壓的保護功能。當檢測到DC/DC變換器輸出電流過大時,SG3525將減小門極脈衝的寬度,降低輸出電壓,進而降低了輸出電流。當輸出電壓過高時,會停止DC/DC變(bian)換(huan)器(qi)的(de)工(gong)作(zuo)。由(you)於(yu)推(tui)挽(wan)式(shi)電(dian)路(lu)容(rong)易(yi)因(yin)直(zhi)流(liu)偏(pian)磁(ci)導(dao)致(zhi)變(bian)壓(ya)器(qi)飽(bao)和(he),因(yin)此(ci),推(tui)挽(wan)式(shi)電(dian)路(lu)的(de)設(she)計(ji)難(nan)點(dian)在(zai)於(yu)如(ru)何(he)防(fang)止(zhi)變(bian)壓(ya)器(qi)的(de)磁(ci)飽(bao)和(he)。在(zai)本(ben)電(dian)路(lu)中(zhong),除(chu)了(le)注(zhu)意(yi)電(dian)路(lu)的(de)對(dui)稱(cheng)性(xing)之(zhi)外(wai),還(hai)設(she)計(ji)了(le)磁(ci)飽(bao)和(he)檢(jian)測(ce)電(dian)路(lu),當(dang)流(liu)經(jing)推(tui)挽(wan)電(dian)路(lu)的(de)兩(liang)個(ge)支(zhi)路(lu)電(dian)流(liu)失(shi)衡(heng)時(shi),就(jiu)會(hui)啟(qi)動(dong)SG3525的軟啟動功能,使DC/DC變換器重新啟動,變壓器得以複位。

圖4 偏磁檢測電路
偏磁檢測電路如圖4所(suo)示(shi)。圖(tu)中(zhong)隻(zhi)畫(hua)出(chu)了(le)磁(ci)環(huan)的(de)副(fu)邊(bian)。原(yuan)邊(bian)兩(liang)個(ge)線(xian)圈(quan)接(jie)在(zai)主(zhu)電(dian)路(lu)的(de)變(bian)壓(ya)器(qi)原(yuan)邊(bian)的(de)兩(liang)個(ge)繞(rao)組(zu)上(shang),流(liu)過(guo)兩(liang)個(ge)線(xian)圈(quan)中(zhong)的(de)電(dian)流(liu)方(fang)向(xiang)要(yao)相(xiang)反(fan)。當(dang)變(bian)壓(ya)器(qi)發(fa)生(sheng)偏(pian)磁(ci)時(shi),某(mou)一(yi)方(fang)向(xiang)的(de)電(dian)流(liu)異(yi)常(chang)大(da),通(tong)過(guo)電(dian)流(liu)互(hu)感(gan)器(qi)檢(jian)測(ce),可(ke)在(zai)互(hu)感(gan)器(qi)的(de)輸(shu)出(chu)電(dian)阻(zu)R1上產生一個電壓,如果該電壓足夠大,可以使穩壓二極管D5導通,在電位器上產生壓降,將電位器的值調到合適的阻值,使電位器上的壓降大於三極管的門限電壓,使三極管導通,接在芯片SG3525的腳8與地之間的電容放電,然後SG3525中的恒流源對它充電,SG3525重新啟動,從而使變壓器磁心複位。
2.2.2 DC/AC逆變器控製方案
DC/AC逆變器是光伏並網的重點和難點,因此以下將著重闡述該部分。DC/AC逆變器控製框圖如圖5所示。核心控製芯片采用了TI公司的 TMS320F240。盡管單片機也能實現並網逆變器的脈寬調製,但是DSP實時處理能力更強大,因此可以保證係統有更高的開關工作頻率。從圖5可以清楚看出係統輸入和輸出信號的情況。

圖5 DC/AC逆變器的控製框圖
下頁內容: 輸出功率優化控製方案[page]
3 輸出功率優化控製方案
在靜態情況下,當並網逆變器與太陽能電池相連時,並網逆變器可等效為太陽能電池的負載電阻。當光強λ和溫度Tbianhuashi,taiyangnengdianchishuchudeduandianyajianghuisuizhifashengbianhua。weileyouxiaodiliyongtaiyangneng,yingshitaiyangnengdianchideshuchushizhongchuyushidangdegongzuodian。yinci,kongzhifanganyaoqiudangtaiyangnengdianchidedianyashenggaoshi,keyizengdatadeshuchugonglv;反之就降低它的輸出功率。

圖6 DSP的控製方案
DSP的控製方案如圖6所示,參考電壓和太陽能電池的實際電壓相比較後,其誤差經過PI調節,將得到的電流指令(直流量)IREF與ROM裏的正弦表值相乘,就得到交變的輸出電流指令iref,再將它與實際的輸出電流值比較後,其誤差經過比例(P)環節,將所得到的指令取反,與采集到的交流側電壓Us相加後,所得到的波形再與三角波比較,就產生4路PWM調製信號(三角波的頻率為20kHz)。
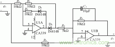
4 交流側電壓Us的檢測
將同步變壓器副邊的同步信號,濾波、整流,就可以得到比較穩定的直流電,將其送到DSP的A/D轉換口。由於最後得到的直流電壓與電網電壓有一個比較穩定的關係,因此,就比較容易換算Us的值了。

圖7 Us的整流電路
由於涉及到共地的問題,因此,采用了運算放大器的全波精密整流電路,如圖7所示。
5 電流指令的同步
並網時要求逆變器輸出的正弦波電流與電網電壓同頻、同相。首先,將電網電壓信號經過濾波整形為同步方波信號,再將其輸入到TMS320F240的外部中斷口XINT1,目的是為了捕捉電網電壓的過零信號。如圖8所示,電網電壓正弦波,經過整形後就得到了方波。

圖8 同步信號波形
當DSP檢測到過零信號的上跳沿時,便觸發同步中斷,以此時間點作為基準給定正弦波信號時間起點,也就是正弦表指針複位到零;每當T1下溢中斷(PWM實時控製)時,正弦表指針便加1,並從正弦表中取值。一個周期的單位正弦波數據被分成了400個(ge)點(dian)采(cai)用(yong)表(biao)的(de)形(xing)式(shi)存(cun)放(fang)在(zai)存(cun)儲(chu)器(qi)中(zhong)。由(you)於(yu)同(tong)步(bu)信(xin)號(hao)比(bi)較(jiao)容(rong)易(yi)受(shou)到(dao)諧(xie)波(bo)和(he)尖(jian)峰(feng)電(dian)壓(ya)的(de)幹(gan)擾(rao),因(yin)此(ci)在(zai)進(jin)入(ru)同(tong)步(bu)中(zhong)斷(duan)後(hou)可(ke)以(yi)先(xian)做(zuo)一(yi)個(ge)延(yan)時(shi),判(pan)斷(duan)外(wai)部(bu)中(zhong)斷(duan)腳(jiao)XINT1是否仍然是高電平,如果是高電平,就執行中斷程序,否則就從中斷程序跳出。
從圖6的控製方案可看出,IREF與正弦表中數據相乘後,便形成了幅值可調的正弦波的電流給定信號,然後,再實時比較電流給定值,經過P環節後,所得信號反相後,與采集到的交流側電網電壓信號Us相加,所得波形與三角波比較,就產生了PWM波,控製橋臂的通斷。總之,輸出電流和電網電壓的同頻、同相的要求是通過電流跟蹤控製實現的。
下頁內容:PWM脈寬調製波的產生
[page]
6 PWM脈寬調製波的產生
PWM波的產生是通過TMS320F240的全比較單元輸出的,頻率為20kHz。從圖6可知,調製脈衝的產生是通過將電流指令值與實際電流值比較後,經過P環節,所得到的波形與三角波(頻率為20kHz)比較後獲得的。因此MOS管Q3、Q4、Q5、Q6(見圖2)脈衝的產生時刻可以從圖8得出,參照正弦波與三角波調製,兩者相交決定了PWM的脈衝時刻。實際由采樣的波形(實際上是階梯波)yusanjiaoboxiangjiao,youjiaodiandechumaichongkuandu。benxitongshizaisanjiaobodedidianweizhiduiboxingjinxingcaiyangerxingchengdejietibo。cijietiboyusanjiaobodejiaodiansuoquedingdemaikuanzaiyigecaiyangzhouqineideweizhishiduichengde,rutu9所示。

圖9 正弦脈寬調製波形
圖9(a)正弦波B與三角波的交點決定了Q3的導通時刻;正弦波A與三角波的交點決定了Q5的導通時刻。
圖9(b)為Q3的脈衝示意圖,同一橋臂上Q3與Q4的脈衝是互補的。
圖9(c)為Q5的脈衝示意圖,同一橋臂上Q5與Q6的脈衝是互補的。
7 TMS320F240軟件控製流程

圖10 軟件流程圖
這部分的軟件主要分成4塊,即主程序,T1下溢中斷,T2下溢中斷和同步中斷。流程圖如圖10所示。T1下溢中斷每50μs發生一次,程序主要用來生成 PWM波;T2下溢中斷每10ms發生一次,程序主要用來產生電流指令;同步中斷大約每20ms(網壓周期)發生一次。
8 係統保護
本係統設計有直流側過壓、欠壓,交流側過流,過熱等多種保護。當出現太陽能電池板的輸出電壓過壓、欠壓故障的時候,由TMS320F240向SG3525發出一個信號,封鎖DC/DC的脈衝,使其停止工作,當檢測到直流電壓恢複正常時,DC/DC又自動複位開始工作;當出現交流過流、過熱故障時,程序進入中斷服務子程序,封鎖所有驅動信號。當故障排除後,手動複位,係統重新啟動。
9 主要元器件選擇
推挽式電路MOS管選用的是IRFP350(耐壓400V,漏源額定電流為16A)。橋式逆變電路MOS管選用的是IRFPC40(耐壓600V,漏源額定電流為6.8A)。DC/DC濾波電感L1選用1.2mH,DC/AC濾波電感L2選用33.4mH。
特別推薦
- 噪聲中提取真值!瑞盟科技推出MSA2240電流檢測芯片賦能多元高端測量場景
- 10MHz高頻運行!氮矽科技發布集成驅動GaN芯片,助力電源能效再攀新高
- 失真度僅0.002%!力芯微推出超低內阻、超低失真4PST模擬開關
- 一“芯”雙電!聖邦微電子發布雙輸出電源芯片,簡化AFE與音頻設計
- 一機適配萬端:金升陽推出1200W可編程電源,賦能高端裝備製造
技術文章更多>>
- 一秒檢測,成本降至萬分之一,光引科技把幾十萬的台式光譜儀“搬”到了手腕上
- AI服務器電源機櫃Power Rack HVDC MW級測試方案
- 突破工藝邊界,奎芯科技LPDDR5X IP矽驗證通過,速率達9600Mbps
- 通過直接、準確、自動測量超低範圍的氯殘留來推動反滲透膜保護
- 從技術研發到規模量產:恩智浦第三代成像雷達平台,賦能下一代自動駕駛!
技術白皮書下載更多>>
- 車規與基於V2X的車輛協同主動避撞技術展望
- 數字隔離助力新能源汽車安全隔離的新挑戰
- 汽車模塊拋負載的解決方案
- 車用連接器的安全創新應用
- Melexis Actuators Business Unit
- Position / Current Sensors - Triaxis Hall
熱門搜索
按鈕開關
白色家電
保護器件
保險絲管
北鬥定位
北高智
貝能科技
背板連接器
背光器件
編碼器型號
便攜產品
便攜醫療
變容二極管
變壓器
檳城電子
並網
撥動開關
玻璃釉電容
剝線機
薄膜電容
薄膜電阻
薄膜開關
捕魚器
步進電機
測力傳感器
測試測量
測試設備
拆解
場效應管
超霸科技



