針對中頻和直流應用而優化的高性能雙通道差分放大器
發布時間:2013-01-09 責任編輯:hedyxing
【導讀】ADL5566是一款針對中頻和直流應用而優化的高性能雙通道差分放大器。該放大器在寬頻率範圍內提供1.3 nV/√Hz的低噪聲和出色的失真性能,堪稱高速16位模數轉換器(ADC)的理想驅動器。ADL5566非常適合用於高性能、零中頻/複合中頻接收器設計。此外,該器件針對單端輸入驅動應用具有出色的低失真特性。
ADL5566的增益為16 dB。對於單端輸入配置,增益降低為14 dB。每個放大器各使用兩個外部串聯電阻可擴展放大器的增益靈活性,並允許差分輸入選擇0 dB至16 dB範圍內的任意增益;允許單端輸入選擇0 dB至14 dB範圍內的任意增益。此外,輸出(VOCM)電平低至1.2 V時,該器件可保持低失真性能,在最高2 V p-p的交流電平下,提供額外的CMOS ADC驅動能力。

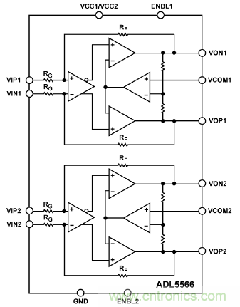
ADL5566 功能框圖
采用3.3 V電源供電時,ADL5566的靜態電流典型值為每個放大器70 mA。禁用時,每個放大器功耗小於3.5 mA,且100 MHz時的輸入至輸出隔離為−25 dB。
該器件針對寬帶、低失真和噪聲性能優化,使其具備了無可比擬的無雜散動態範圍(SFDR)性能。這些特性加上可調增益能力,使該器件成為驅動多種ADC、混頻器、PIN二極管衰減器、SAW濾波器以及多單元分立器件的放大器選擇。
ADL5566采用ADI公司的高速SiGe工藝製造,提供緊湊型4 mm × 4 mm、24引腳LFCSP封裝,工作溫度範圍為−40°C至+85°C。
ADL5566差分放大器的主要特性:
- 業界最佳HD2和HD3性能
- 高截點功率線性度:200MHz時OIP3/OIP2分別為46 dBm/82.6 dBm(增益為16 dB)
- 二階/三階失真(2 Vpp驅動200 Ω負載):200MHz時分別為–94.5 dBc/ –87.2 dBc(增益為16 dB)
- RTI噪聲:1.3 nV/√ HZ(增益為16dB)
- 支持單端和差分輸入應用
- 功耗:3.3 V時每通道70 mA;5 V時每通道80 mA
- 電源電壓範圍:2.8 V至5.2 V(具有通道獨立使能功能)
供貨、報價與配套產品
特別推薦
- 噪聲中提取真值!瑞盟科技推出MSA2240電流檢測芯片賦能多元高端測量場景
- 10MHz高頻運行!氮矽科技發布集成驅動GaN芯片,助力電源能效再攀新高
- 失真度僅0.002%!力芯微推出超低內阻、超低失真4PST模擬開關
- 一“芯”雙電!聖邦微電子發布雙輸出電源芯片,簡化AFE與音頻設計
- 一機適配萬端:金升陽推出1200W可編程電源,賦能高端裝備製造
技術文章更多>>
- 貿澤EIT係列新一期,探索AI如何重塑日常科技與用戶體驗
- 算力爆發遇上電源革新,大聯大世平集團攜手晶豐明源線上研討會解鎖應用落地
- 創新不止,創芯不已:第六屆ICDIA創芯展8月南京盛大啟幕!
- AI時代,為什麼存儲基礎設施的可靠性決定數據中心的經濟效益
- 矽典微ONELAB開發係列:為毫米波算法開發者打造的全棧工具鏈
技術白皮書下載更多>>
- 車規與基於V2X的車輛協同主動避撞技術展望
- 數字隔離助力新能源汽車安全隔離的新挑戰
- 汽車模塊拋負載的解決方案
- 車用連接器的安全創新應用
- Melexis Actuators Business Unit
- Position / Current Sensors - Triaxis Hall
熱門搜索
Future
GFIVE
GPS
GPU
Harting
HDMI
HDMI連接器
HD監控
HID燈
I/O處理器
IC
IC插座
IDT
IGBT
in-cell
Intersil
IP監控
iWatt
Keithley
Kemet
Knowles
Lattice
LCD
LCD模組
LCR測試儀
lc振蕩器
Lecroy
LED
LED保護元件
LED背光





