利用集成式工業接口數字隔離器減少尺寸與成本
發布時間:2012-11-16 來源:電子元件技術網 責任編輯:Hedyxing
導讀:隨(sui)著(zhe)競(jing)爭(zheng)產(chan)品(pin)價(jia)格(ge)的(de)降(jiang)低(di)和(he)產(chan)品(pin)差(cha)異(yi)化(hua)需(xu)求(qiu)的(de)增(zeng)加(jia),在(zai)工(gong)業(ye)市(shi)場(chang)上(shang)生(sheng)存(cun)也(ye)變(bian)得(de)越(yue)來(lai)越(yue)艱(jian)難(nan)。同(tong)時(shi),安(an)全(quan)標(biao)準(zhun)不(bu)見(jian)有(you)絲(si)毫(hao)放(fang)寬(kuan),這(zhe)要(yao)求(qiu)更(geng)多(duo)的(de)工(gong)業(ye)應(ying)用(yong)采(cai)用(yong)電(dian)流(liu)隔(ge)離(li),給(gei)光(guang)耦(ou)合(he)器(qi)帶(dai)來(lai)不(bu)利(li)影(ying)響(xiang)。這(zhe)些(xie)不(bu)利(li)影(ying)響(xiang)會(hui)導(dao)致(zhi)以(yi)下(xia)這(zhe)些(xie)因(yin)素(su)的(de)增(zeng)加(jia):尺寸、功耗、電路板、元件數和成本。
設計工程師如何權衡抵抗有害脈衝和浪湧、設計複雜性以及成本等互相衝突的要求,同時盡可能加快上市以保持競爭力?
您可以輕易將一組光耦合器固定到現有接收器上,但這麼做意味著增加成本、設計複雜性、元件數和電路板空間。搜索“隔離式RS-485”、“隔離式RS-232”、“隔離式CAN”、“隔離式I2C”或“隔離式USB”就能找到一大堆基於數字隔離技術的完全集成式解決方案——在單個封裝內實現隔離並集成收發器。有些甚至在封裝內集成隔離式電源,進一步降低係統尺寸和成本。隻有數字隔離器才cai能neng實shi現xian如ru此ci完wan整zheng跨kua度du的de解jie決jue方fang案an,這zhe意yi味wei著zhe它ta們men的de功gong耗hao不bu會hui過guo大da,因yin此ci無wu需xu重zhong新xin設she計ji就jiu能neng夠gou適shi應ying目mu前qian的de功gong耗hao預yu算suan。然ran而er需xu注zhu意yi,對dui於yu基ji本ben隔ge離li和he/或增強隔離,並非所有列出的“隔離式”解決方案都能滿足嚴格的UL、CSA和VDE要求。
[member]
這些完全集成式解決方案的設計師將被采購經理視為英雄。畢竟,采購經理會說:“就用我們之前買的東西。我不在乎它是不是會增加成本。”
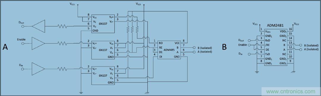
圖1顯示隔離I2C總線的不同方法。圖1A顯示使用一個I2C緩衝器和四個光耦合器的實現方法。圖1B顯示使用單片IC的實現方法。圖2顯示了隔離RS-485的類似實例,單片IC方法明顯符合采購經理的意願:一個器件比兩個便宜。鑒於篇幅有限,我們不用羅列采用分立式元件隔離USB和使用單片隔離式USB IC的顯著區別!

圖1 I2C緩衝器和4個光耦合器與單片IC(注意:為簡明起見,圖中略去了上拉電阻)

圖2 RS-485收發器和3個光耦合器與單片IC
特別推薦
- 噪聲中提取真值!瑞盟科技推出MSA2240電流檢測芯片賦能多元高端測量場景
- 10MHz高頻運行!氮矽科技發布集成驅動GaN芯片,助力電源能效再攀新高
- 失真度僅0.002%!力芯微推出超低內阻、超低失真4PST模擬開關
- 一“芯”雙電!聖邦微電子發布雙輸出電源芯片,簡化AFE與音頻設計
- 一機適配萬端:金升陽推出1200W可編程電源,賦能高端裝備製造
技術文章更多>>
- 博世半導體亮相北京車展:以技術創新驅動智能出行
- 超低功耗微控製器模塊為工程師帶來新的機遇——第1部分:Eclipse項目設置
- 英偉達吳新宙北京車展解讀:以五層架構與開放生態,加速汽車駛向L4
- 三星上演罕見對峙:工會集會討薪,股東隔街抗議
- 摩爾線程實現DeepSeek-V4“Day-0”支持,國產GPU適配再提速
技術白皮書下載更多>>
- 車規與基於V2X的車輛協同主動避撞技術展望
- 數字隔離助力新能源汽車安全隔離的新挑戰
- 汽車模塊拋負載的解決方案
- 車用連接器的安全創新應用
- Melexis Actuators Business Unit
- Position / Current Sensors - Triaxis Hall
熱門搜索
電纜連接器
電力電子
電力繼電器
電力線通信
電流保險絲
電流表
電流傳感器
電流互感器
電路保護
電路圖
電路圖符號
電路圖知識
電腦OA
電腦電源
電腦自動斷電
電能表接線
電容觸控屏
電容器
電容器單位
電容器公式
電聲器件
電位器
電位器接法
電壓表
電壓傳感器
電壓互感器
電源變壓器
電源風扇
電源管理
電源管理IC

